Fórum témák
» Több friss téma |
Fórum » Crystal radio - detektoros rádió
Érdekesség , a keretantennás verzióban nem kell mindkét ágát a detektor körnek bekötni.
Elég csak azt amelyikben a detektor van a fejhallgató másik földre menő ága szabadon hagyható. Persze alapból elhallgat az adó ha eddig rajta álltál. De ha a forgóval hangolni kezdesz , meg fog szólalni más forgó állapotában .
Ha a vevőnek nagyobb a sávszélessége, mint a kisugárzott jelnek, akkor a hangminőség romlik, mert a szélesebb sávban csak zaj, és zavar jön.
Szia!
A nyitott végen lévő kapacitiv csatolás miatt, fog szólni.A detektor -fejhalgató rész kevésbé terheli a rezgőkört, igy nő a szelektivitás is.(persze tehetnél oda akár egy 0,47--2,2nF kondit is ) Néha még a hangerő is nő? --csak nem értem miért ....
A kisebb rezgőkör terhelés növeli a jóságot, ezzel a rezonanciagörbe magasságát, tehát a leadott feszültséget - nagyobb lesz a hangerő.
Valamikor a régmúltban, amikor még nem volt FM adás, magnófelvételhez egyesek használtak egy fixen Kossuthra (talán volt Petőfire is) hangolt detektorost (persze diódával), hogy kicsit több legyen a magas hang. Valahol egy dobozban némileg szétesve lapul is nálam egy ilyen.
Szia!
Ez 1979 előtti....Akkor változott. A Petőfi rádió nem is egy telephelyén 2x9kHz sávszélesség volt. A Kossuthról nem tudom/emlékszem.
Kipróbáltam akkoriban, valamivel jobb volt a felvétel a Kossuthról, de ki akart onnam felvenni, mikor volt Teenager party, meg a Luxemburgi adó.
Hullámpapir, alufólia, tixo, drót , ... ami a konyhában volt.
Keretantennás detektoros , M1 rádio alias Kossuth 540 kHz szépen szól rajta. Lehet nem optimális a detektor kicsatolása, azzal még lehet játszani.
Mennyire gubanc ha a keretanntennás detektoros rádíó nem egy hualzból van feltekercselve hanem 2-3 vagy4-ből van összetoldva_ LEszedtema vékony zománcozott rézhuzalt és 1mm vastaggal cserelnem de az nincs egybe olyan hosszú.
Ha jól összeforrasztod szerintem nagy bajt nem csinál, ha több darabból készül .
Gubancnak gubanc, mert nem fog jól kinézni. Miért gondolod, hogy vastagabb huzal jobb lesz?
500 kHz -en a behatolási mélység, skin effektus miatt (a fórum számolókája szerint) 92 µm. Ennél vastagabb huzal nem hoz többet a konyhára. Ezért használnak Litze huzalt, mert ott több vékonyabb huzal van párhuzamosan kapcsolva, így lecsökken a rezisztív ellenállás, ill megnő a skin hatással érintett keresztmetszet ami szintén az ellenállás csökkenéséhez vezet, ami miatt megnő a tekercs Q -ja. A fentiek miatt csökkennek a veszteségek, javul az antenna érzákenysége.
Nincs 40 meter litze huzalom. Mivel a nagyfrekvencia a huzal kölsején mozog így az volt az 5 let hogy jobb lessz. Nem lett jobb, de szebb lett. A vékony huzal nem is látszódott.
l = 40 m
f = 0,5 MHz ρ = réz, Cu (17n) Ωm δ = 92,2 μm ■ d = 0,1 mm - vezeték átmérő AAC = 2259 μm² - váltóáramú keresztmetszet RAC = 297,1 Ω - váltóáramú ellenállás ■ d = 0,2 mm AAC = 31220 μm² RAC = 21,5 Ω ■ d = 0,5 mm AAC = 118100 μm² RAC = 5,682 Ω ■ d = 1 mm AAC = 262900 μm² RAC = 2,553 Ω
Tegnap este nem jól szült egy detektorosom sem da ma jól szólnak, és mintha jobban szólna így vastagabb huzallal mint régen. Érdekes több adót fog mint a padlásantennás detektorosom.
Sziasztok!
Szép ez a számitás ---de max.30MHz-ig, mégis Litze huzallal lehet találkozni..... S vajon ez az ellenállás a szuper Husszú Hullámon (60kHz ) is igaz?
Sziasztok!
Szép ez a számitás ---de max.30MHz-ig, mégis Litze huzallal lehet találkozni..... S vajon ez az ellenállás a szuper Husszú Hullámon (60kHz ) is igaz? A másik ; Látott már valaki AF106 tranzisztor párját NPN ben ?
Úgy 20 - 30 kHz felett már érdemes használni.
Az AF106 tranzisztornak nincs NPN párja, nem is tudok olyan felhasználásról, ahol szükség lenne rá. Az AF106 egy nagyfrekvenciás, kiszajú tranzisztor, szélessávú bemeneti fokozatokba. Ez egy eléggé individuális terület, nincs is szükség komplementer párra. Akkor használunk ezen a helyen PNP tranzisztort, ha szükség van arra, hogy a kollektor testen legyen. A hozzászólás módosítva: Okt 12, 2023
Esetlegesen kissé szélsőségesebb esetben FET "komplementer szerű párja" kereshető hozzá , hogy lambda-diódát készítsünk.A λ-dióda munkapontjának negatív dinamikus ellenállású szakaszát rezgéskeltésre használva.
Az alapötlet a szebb rádió vastagabb huzallal,mely nehezebben szakad és hogy nagyobb a felulete mert azon megy a magyfrekvencia. Egy kis 3 tranyós erűsítővel hangszórón is szól újratekercselve, idaig azon csak ha a fülemhez tettema hangszórót akkor szólt most mint egy zsebrádió. Én merem ajánlani az 1mm átmérőjű zománcos huzalt keretantennás rádióhoz. Az iztos a litze job lenne de hol kapoks zerbiaban egyben annyi litze hzualt, méghozzá kb. 45 métert?
Idézet: „hogy nagyobb a felulete mert azon megy a magyfrekvencia” Pont ezt magyarázzuk, hogy a behatolási mélység miatt (ami a frekvencia növekedésével a behatolási mélység csökken) technikailag semmi értelme a vastagabb huzalnak. Persze ha öntartónak, vagy mutatósnak kell lenni, az más. A keret antenna pedig azért "jobb", mert az elektromágneses sugárzás más összetevőjét (mágneses) veszi, mint a szükségesnél rövidebb huzalantenna (elektromos). Ugyanis a kisugárzott elektromágneses hullámok mágneses összetevője alacsonyabb (< 30 MHz) frekvenciákon jobban terjednek, mint az elektromos összetevő. Különösen igaz ez távoli állomások vétele esetén, mert a mágneses összetevó követi a föld görbületet, az elektromos pedig egyenes vonalban terjed. Ennek megfelelően a vételi helyen a hullámhossz tízszeresénél nagyobb távolságra a mágneses térerő nagyobb, mint az elektromos. A hozzászólás módosítva: Okt 12, 2023
DE a vastagabb huzalnak nagyobba külső felülete így jobb vezető.
Huzal kontra Litze huzal.
1 darab 1 mm²-es keresztmetszetű huzal ■ https://hg9ieg.hu/szamolo/_sz/AdeltaGR_Aflmurho.html A = 1 mm² l = 40 m f = 500 kHz ρ = réz, Cu {4fvt} (17n) Ωm ► hétköznapi; 4 számjegy ► δ = 0,0922 mm AAC = 0,3001 mm² RAC = 2,236 Ω ■ 10 darab 0,1 mm²-es Litze huzal ■ A = 0,1 mm² // * 10 = 1 mm² ► hétköznapi; 4 számjegy ► AAC = 0,07665 mm² // * 10 = 0,7665 mm² RAC = 8,757 Ω // / 10 = 0,8757 Ω ■
Szia!
Hát azért néha akad-hat..... PL Az első , --a második kapcsolás --nem ugyanaz.! Talán a 3.k kapcsolással utánozható... A hozzászólás módosítva: Okt 14, 2023
Szia!
Ez a megoldás csak a közeli ,nagy térerejű adónál hajlandó megszólalni... Szinte nem is érdemes megépiteni , ha nincs "3V Dc feletti tápfesz"
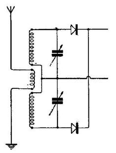
Sziasztok!
Egy ilyennel ? Esetleg ezzel? Ez adó-vevő ---Elbirom képzelni azt a hatótávot... A hozzászólás módosítva: Nov 8, 2023
Az öreg Herz bácsinak ennél szerényebb felszerelése volt és még úgyis tudott eredményeket elérni
. |
Bejelentkezés
Hirdetés |




. 






. 