Fórum témák
» Több friss téma |
Szerintem, a kevesebb személyeskedés inkább előny mint hátrány...
"8 Ft-os Yageo" ügyben egy saját tapasztatlat: "Kicseréltem az AD8065 visszacsatoló ellenállását ( R5, R24 ) lomexes Yageo MF0207 0,6W-os fémréteg ellenállásra ( az eredetileg smd Vishay Beyschlag MAA0204 helyett ). Meglepően erőteljes a hatás, csak éppen pont a várttal ellentétes: sokkal több magas, nyers, izgága hangzás. Dinamikus hang, de érdes, harsány, fárasztó." Az, hogy hogyan érzékelünk dolgokat, meglehetősen sok tényezős... A külső fizikai környezetből mindenképp alapvető, hogy milyen a hanglánc többi tagja ( az akusztikát is beleértve ), milyen saját hangkép karakterekkel, egyéni torzítás struktúrákkal-, defektusokkal rendelkeznek... Milyen tulajdonságokkal/egyéni karakterrel/torzítással kell rendelkeznie annak, az ebbe a hangláncba illesztett készüléknek, amely képes a hanglánc egyedi hiányosságait/sajátosságait oly módon- és mértékben kompenzálni, amely a tulajdonos ( és nem más!, esetleg egy speciális csapat ) hallgatási preferenciáinak/ízlésének leginkább megfelelő, avagy elfogadható? Idézet: Nekem ezek ritkán jönnek be, de nyilván ki lehet találni olyan magyarázatokat, amelyek megnyugtatóak az adott személynek....Pl. rá lehet fogni a csöves erősítőre is, hogy a torzítás szerkezetéből adódó, csökkenetett mennyiségű valós információt tartalmazó, "primitív" hangképe, az ebből kialakuló erőteljesebb térképzet az "igazi, a természetes". Tehát a cső a műszakilag helyes út... „Most csak az lehet józan paraszti ésszel belegondolva,...” A hozzászólás módosítva: Jan 9, 2024
Idézet: „És most figyeljen minden "shany" és "mcc". Az új előerősítőben az összes fokozat le van "esemdézve", hiper-szuper Vishay meg Vishay Beyschlag-okkal, a deszkamodellben 8 Ft-os Yageo-k vannak a visszacsatolókört kivéve. És ezekkel a filléres ellenállásokkal is visszajött az a hang amitől legutóbb el voltam ájulva. Nem döng, nem motyog. Csak az impedanciaillesztő paneljét cseréltem ki... még egyszer hangsúlyozom. De ezen magam is mélyen elgondolkoztam mert nem igazán értem, hogy, hogy a fenébe lehet ilyen drasztikus különbség a két impedancia illesztő panel között, mikor szinte semmi különbség nincs köztük. Az egyetlen számottevő változás, hogy kihagytam az osztóból minden SMD kondit, nincs frekvencia kompenzáció.” Erről az jut eszembe, hogyha elhúzod a sötétítő függönyt, könnyebb megmondani, hogy piszkos e az ablak...
Az a fél magot körbezáró rövidrezárt menet az a váltó áramú mágneskapcsolók kiegészítője. Kb 90 fokkal késik ott a fázis, ezért nullaátmeneteknél sem enged el a járom.
- Elolvastam végig amiket írtál de valahogy elvesztem benne, nekem nem elég konkrét, illetve a képeken sem egyértelmű hogy akkor melyik a régi, melyik az új, melyik jó melyik nem és konkrétan miért. Amit egyértelműen sikerült kihámoznom belőle az az SMD kondik de ezt már régen leírtam akkor sem akart nekem hinni senki, SMD kondikat én erősítőbe be nem teszek már sehova sem, nem csak a jelútba, mert tönkre teszik a hangot.
- Más. Kíváncsiságból megmértem egy relét ami épp a kezembe akadt, hogy változik-e az átmeneti ellenállása ahogy csökkentem a tekercsén a feszültséget. Nem nagyon változik, igazából nagyon alacsony tartófeszültségen már igen, de az alatt már el is enged. Ami még érdekes, hogy ez is csak akkor van, ha nem folyik áram a relé kontaktusain. A kép felső mérésein üresen van a relé, az alsó méréseknél folyik a relé pogácsáin is áram, közben mérem rajta az átmeneti ellenállást (4 vezetékes műszerrel, közben az egész asztalt nem piszkáltam csak a labortápot tekergettem szóval pontos a mérés). Amikor folyik áram a relé pogácsáin akkor 11,75-től 2,65V-ig gyakorlatilag 10uΩ-on belül van az átmeneti ellenállás amit nyugodtan vehetünk mérési hibának is. - Harmadik. Nekem nincs Burgumom így nem tudom kipróbálni, csak szimulátorban néztem meg még néhány hete. Kíváncsi lennék rá hogy mit történne vele (hangilag) ha kivennéd belőle a HEC-et? A szimulátorban a torzítás ekkor nőtt kb. egy nagyságrendet, gondolom a valóságban is nőne, na de vajon rosszabbul szólna-e vagy sem?
Igazándiból nem személyeskedésnek szántam, de lehet az volt. Elnézést kérek mindkettőtöktől.
Nem tudom létezik-e olyan fogalom, hogy egyéni ízlés. Aki hallott már élőzenét, vagy élő beszéd/énekhangot, ezt tekinti viszonyítási alapnak. A szubjektivitás része az a tényező, hogy mennyire hízlalja a gazda füle a jószágot. Rövid távon ez a "most nagyon jól szól" működik, de hosszútávon szerintem nem fog menni senkinél az önámítás. A mindennél jobb hangnál is van még jobb. Ezért próbálkozunk újra és újra valami mással, ami még jobban szól az előzőnél. Nekem elképzelésem sincs arról hogyan szólhat nálatok a zene (jó lenne egyszer meghallgatni) és ez visszafelé is igaz. Messze nem vagyok elégedett a rendszerem hangjával és soha nem is leszek elégedett, csak annyit tudok a mostani hangképemről (szubjektíve) megállapítani, hogy mostanában - több hónapja - van kedvem zenét hallgatni rajta. Régebben ez nem így volt. Néhány héten belül elmúlt az újdonság varázsa, leülepedett bennem a sikerélmény és a zene eleinte egyre halkabban szólt, később pedig már alig kapcsoltam be az erősítőim. Nem tudom ez nagy általánosságban kinél, hogy működik. Mindig azt szoktam mondani ha megkérdezik, hogy én nem szeretem a zenét (nem is értek hozzá)... én a zene hangjait szeretem. Ha ezek a hangok nem szerethetőek, minek kínozzam magam velük. Engem - most hirtelen, egy-két nap hallgatózás után - nem idegesítenek a Yageo ellenállások hangjai. De írtam, hogy félkészek a jobb alkatrészekkel beültetett panelek (mutattam is) és majd meg fogom mondani ha ezeket bedugdostam a helyükre, hogy mekkora változást fogok tapasztalni ezzel a rossz fülemmel. Az is előfordulhat, hogy a láncom minősége annyira gyenge, hogy nálam nem okoz falrengető különbséget ha egy 8 Ft-os ellenállást kicserélek egy 150 forintosra. Az is lehet, hogy felesleges a sötétítőt este elhúznom az ablak elől, mert nem látok ki jobban rajta. De azt is írtam, hogy némely lemez mintha torzabban szólna a mostani deszkamodellen, mint a másikon. Nekem hosszabb időre van szükségem ahhoz, hogy megmondjam tetszik-e nekem valami, vagy sem. Idézet: „Nekem ezek ritkán jönnek be, de nyilván ki lehet találni olyan magyarázatokat, amelyek megnyugtatóak az adott személynek...” Szeretném megkérdezni tőled milyen hátrányokkal járhat az, ha kiiktatom az aluláteresztőt a bemeneti fokozatból... ha mérve semmilyennel, csupán a törésponti frekvenciák tolódnak magasabbra? És miért számít önbecsapásnak az ha az így kiiktatott aluláteresztő szűrő nélküli - tehát az SMD kondik nélküli - hangot jobbnak hallom?
Úgy fest a dolog, hogy a mai napom a tévedések napja : ) Ki sem teszem az újabb szimulációt a reléről. Majd holnap.
- A kézzel festett nyák az első kísérlet, ami gyorsan kihullott a rostán. A zöld nyák az utolsó változat ami még nem hullott ki a rostán (és ezt tartom most a legjobb hangúnak).
- Köszönjük ezt a méréssorozatot. Az tűnt logikusnak, hogy nem változhat az átmeneti ellenállás a relé húzóerejétől függően és gyakorlatilag ezt igazolod a mérésekkel. Ha még nem pakoltál el mindent az asztalodról - és ha már így benne vagy - megmérnéd még azt, hogy változik-e az átmeneti ellenállás ha többször egymás után ki-be kapcsolod a relét? Esetleg egy használt - de nem beégett - relével vajon ez, hogy alakul? - Ez túl nagy kérés, hogy szedjem ki a Burgumból a HEC-et. Ehhez ízekre kellene szednem az egészet. Ez az egész HEC kísérlet szerintem évekig el fog húzódni... majd kipróbálok többféle változatot. Nem tervezek már ebben az életemben újabb erősítőket kifejleszteni. 65 éves vagyok mindjárt, ezekkel még szórakozom egy ideig, aztán majd lesz valami. Unatkozni soha nem fogok, csak ennyit tudok biztosan... már én is azt mondom amit a régi öregek, hogy egészség legyen, a többi nem számít Idézet: „megmérnéd még azt, hogy változik-e az átmeneti ellenállás ha többször egymás után ki-be kapcsolod a relét? Esetleg egy használt - de nem beégett - relével vajon ez, hogy alakul?” Én ezt is teszteltem. Majdnem 1 óra hosszat kapcsolgatott a relé, 12V/5A DC-t 0.5Hz körüli ütemben és utána sem változott az átmeneti ellenállása.
Áhhh... mégis kiteszem ha már lerajzoltam.
Így kb. tízszer gyorsabban enged el a relé és vázlatosan valami hasonló lesz a vezérlése a gyakorlatban (talán újabb optocsatolóval).
Három nap alatt megszültem a lágyindítót. Nem az volt a cél, hogy ne hasonlítson semmilyen más lágyindítóra hanem, hogy azt "csinálja" amit elvárok tőle.
Az alapelv változatlan. - Bekapcsolom... "relé1" 100R/10W-os soros ellenállással korlátozza a primer áramot. Annyiban különbözik a "megszokottól", hogy időzítése van a lágyindításnak. Láttam már vörösen izzani ilyen ellenállást. Tehát ha zárlat van a szekunder körben, 2 sec után lekapcsol a lágyindító. A 100 Ohm-os ellenálláson eső feszültség nem engedi feléledni a segédtrafó áramköreit sem (leejtve a segédtrafó primer feszültségét). - Ha minden rendben működik, az optocsatolók engedélyezik "relé2" behúzó feszültségét és "relé2" áthidalja a lágyindító ellenállást (ahogy ez lenni szokott). Az egész játék arra ment ki, ha a crowbar letiltja a végfetek tápfeszültségét, akkor a lehető legrövidebb időn - és végérvényesen - lekapcsolódjanak a trafók a hálózati feszültségről. Ha a túláram/rövidzár védelem tiltott le, akkor a végfokot újra lehet indítani (egy ki- és bekapcsolással)... meghibásodás esetén az újraindítással hiába kísérletezünk. A kevés alkatrész ellenére nem könnyű átlátni a működését - akinek kedve van átrágja a szimuláció tranziens analízisién. A legfontosabb feszültségek és áramok időzítését/kialakulását igyekeztem szemléltetni.
Lemaradt és már nem enged módosítani.
Bekapcsoláskor három kattanást fogunk hallani. - "r1" relé behúz. - kb. 1 másodperc múlva "r2" relé is behúz. - 2 másodperc után "r1" relé elenged. Ezek a relé kattogások (számomra) megnyugtató hangok a mostani Burgumban is, a sorrendből fülre meg tudom állapítani, hogy minden rendben működik-e. Szolgáltatásként, a végfokot az előerősítő távirányítójával is ki-be lehet kapcsolni, egyetlen gombnyomással a kettőt egyszerre. Idézet: Dehogynem....Ha különböző berendezések/akusztika együttesek "hangjáról" kérdezel, akár feketeöves hifistákat is, mind másképp fogja értékelni, "hallani" ezeket a hangláncokat. Nagyjából hasonló ízlésű csoportok elképzelhetőek, de alapvetően mindenki az otthon már kidekázott, beivódott hang-ideálját fogja keresni, viszonyítási alapnak használni.„Nem tudom létezik-e olyan fogalom, hogy egyéni ízlés. Aki hallott már élőzenét, vagy élő beszéd/énekhangot, ezt tekinti viszonyítási alapnak. A szubjektivitás része az a tényező, hogy mennyire hízlalja a gazda füle a jószágot. Rövid távon ez a "most nagyon jól szól" működik, de hosszútávon szerintem nem fog menni senkinél az önámítás.” Az otthoni zenehallgatás nem élőzene hallgatása. Ez egy másik "üzemmód" az agynak. Olyannyira, hogy egészen érdekes korrekciókat is be tud vetni a hallásunk ilyenkor: pl. a képes ellensúlyozni a gyatra akusztika-, nagymértékű frekvenciamenet ingadozás-,rossz tónus-balansz ( lineáris torzítások ), stb. hatását ( valamilyen szinten ). Azután, ha valaki más ül be ugyanebbe a környezetbe, akkor csak vakargatja fejét, vagy menekül. Nincs abszolút "jó hang", csak egyéni preferenciák, egyéni megközelítései a fejben levő tapasztatalt, elhalványult, megszépült, átalakult hangi referenciáknak, független elképzeléseknek. Olyan viszont, hogy pontos-, forráshű hangvisszadás, olyan létezik. Ilyenre képes berendezés/akusztika esetén megtudhatjuk, hogy milyen hanganyagot, művészi megformálást-, hangzásbeli megközelítést hozott létre a hangfelvételt készítő csapat. A hozzászólás módosítva: Jan 12, 2024
Én nem vagyok egy hifi fülü, nem is érdekel annyira a minőség, sokkal jobban élvezem magát a zenét. ( persze nem a kazettás magnóra gondolok ) Ha még video is van hozzá, akkor teljes az élvezet.
Egyszer voltunk a KFC autós kiszolgálásnál. Sor, mi következünk, amikor egy férfi beszólt az balakon( ? ), aki a rendelést vette fel. Olyan tökéletes volt a minőség, annyira élethű volt a hangja, hogy teljesen azt hittem, valaki közvetlenül mellettünk szól. Egyetlen egy dologban különbözött, sokkal hangosabb volt, mint ha két ember egymás mellett beszélget. A hang valami oszlopból jött és dermesztően élethű volt. Az, hogy hangosabb, csak azután tűnt fel, hogy ledermedtem a valósághű hangzáson. Egyébként, hogy a hangmérnökök milyen munkát tudnak végezni, az elképesztő, még a filmiparban is. Ülök egyedül a monitor előtt, nézek valami filmet és azt hallom, hogy valami a hátam mögötti ajtón be akar jönni. Hát mondom ez egy pofátlan betörő. Felugrottam, a fejhallgató leszakadt a fejemről és már fordulok is meg. Persze, nincs ott senki, de olyan tökéletes volt az ajtónyitás hangja, hogy mint a valóság. És ez csak egy fejhallgató volt, semmi különösebb márka nem volt. A hozzászólás módosítva: Jan 12, 2024
Idézet: Hogy ne lenne, úgy hívják hogy élő zene. Függetlenül attól hogy az éppen milyen, nem attól "jó" hanem attól hogy nincs szétkenve, eredeti, olyan ahogy az az adott hangszerből kijön. „Nincs abszolút "jó hang"” Idézet: Na olyan viszont valóban nincs, törekedni lehet rá, de olyan láncot szerintem a világon még senki nem hallott, amire azt tudta volna mondani, hogy ha becsukja a szemét akkor nem tudja megmondani hogy a zenekar zenél ott élőben vagy csak a dobozokból jön.„Olyan viszont, hogy pontos-, forráshű hangvisszadás, olyan létezik.” Ilyet (közelítőleg) egyedül a Krizsi Ongaku koppintásából hallottam eddig, na az sem egészében volt olyan, csak itt ott néhány hangot illetően, de így is brutális jelenlétérzettel szólalt meg. Félvezetős láncból én ilyet még megközelítőleg sem hallottam, pedig hát azok aztán hiper-szuperek minden tekintetben, 0,0002% THD meg egyebek. És most nem egyéni ízlésről beszéltem ugye, hanem arról, hogy mi hogy hasonlít vagy nem hasonlít az élő zenéhez.
Az hozzaszolasod (amivel amugy majd 100% egyetertek) erosen megkerdojelezi a legtobb "ennek-annak a hatasa a hangra" topic letjogosultsagat, es gyakorlatilag lenullazza az olyan kerdeseket, mint pl a bejaratas.
De ez egy hosszabb beszelgetes temaja lehetne. A hozzászólás módosítva: Jan 12, 2024
Néhány mondat erejéig szóba került közöttünk "mcc"-vel a DC szervó. Sose értettem a működését, de szerintem mások sem - pl. átnézve néhány Gryphon kapcsolását - szerintem vannak benne bakik a DC szervót illetően (már ha nem veszi ezt személyeskedésnek Amundzen (vagy, hogy hívják)).
Az ideális integrátor működése nyilvánvalóan egyszerű. Az erősítése DC-n végtelen, végtelen frekvencián nulla... a fázistolása konstans: -90 fok. A nem ideális integrátor működése már nem annyira egyszerű, mert sem a nyílthurkú erősítése, sem a határfrekvenciája nem végtelen. Van offset driftje, van bemeneti árama, van CMRR-je, PSRR-je... mindene van ami nem kéne, hogy legyen. Nekünk meg csak két elvárásunk van vele szemben: - Minél rövidebb időn belül nullázza ki a kimenetet - Ne korlátozza a mély átvitelt - Ne rontsa le a tranzienseket - Tehát a hangfrekvenciás sávban viselkedjen úgy mintha ott sem lenne. Nagyjából ez a négy. Aztán elkezdtem nyomkodni a a szimulátort - már csak megszokásból is -, hogy melyik opamp "mit csinál" ha DC szervóként használnánk. Most persze csak integrátorként vizsgálgattam meg, sokkal többet, mint ahány szimulációt mutatok. Az egységerősítési frekvenciát önkényesen 1 Hz-re választottam, a sávszélességet 1uHz-100MHz-re. Azt látjuk, hogy van egy "átfogási tartomány". Ilyen paraméter ugyan nem létezik, de most már igen, mert leírtam. 0Hz-en akkorát kellene erősítenie mindegyiknek, mint amekkora a nyílthurkú erősítése. De valamiért nem mindegyik teszi ezt meg. Most vagy rosszul paraméterezve az opamp a CM-ben, vagy más oka van ennek... itt még nem tartok. Végtelen frekvencián a nem-ideáis opampnak megint csak nem lesz nulla az erősítése több okból, de én még nem értem mindegyik okot. Az egyik ok, hogy van bemeneti impedanciája... a másik, hogy van határfrekvenciája, a harmadik, hogy van fázistartaléka... és még sorolhatnám, ha egy adatlap összes diagramját fel akarnám sorolni. Annyi biztos, hogy FET bemenetűnek kell lennie (talán később majd megmutatom, hogy mi az oka ennek) és még annyi biztos, hogy a TL071 szinte ugyanúgy viselkedik, mint az LF411, de nagyfrekvenciásan meg az AD711 a legjobb. Talán még majd molyolok ezzel. Hogy a magam malmára hajtsam a vizet... szerencsére nem tévedtem nagyot amikor amikor az előerősítőbe hosszas tanakodás után végül a TL071 mellett döntöttem. (De ezt csak zárójelben jegyzem meg, mert még maradt egy kis hely a lap alján.)
Miközben ezzel játszottam felmerült bennem az "ötlet", hogy vajon mi van ha diszkrét kapcsolásokat alakítok át integrátorrá. Mennyire maradnak stabilak az egyes kapcsolások ilyenkor - mert hát elég nagy kihívás nekik "integrátorkodni", mivel nem lettek tervezve - de nyilvánvalóan akkor lennének ezek nagyon jó erősítők, ha ideális integrátorként viselkednének. Most persze csak játszom ezzel a gondolattal, mert miért ne? De mivel hajnali egykor keltem, már kezdek elálmosodni... meg az agyam sem fog már egyáltalán. Meg nem is tudom mire akarok még kilyukadni ezzel az egésszel... majd ha aludtam rá egyet tovább gondolom.
Az elmúlt hónapok során kipróbáltam az előerősítőben néhány különböző DC szervó beállítást. Azt már tudjuk, hogy a hallás szubjektív is meg rendszerfüggő is (... akik szerint). Fülre az jött ki, hogy a "D" változat (a 300k/470nF) mutatja a legsemlegesebb hangzást. Most meg leszimuláltam és mintha tényleg...
Folytatva a monológomat...
Ahol lehet, invertáló erősítőket használok, mert: - a visszacsatolókörnek egyetlen összegzőpontja van - az invertáló bemeneten - ahol a hibajel kivonódik a bemeneti jelből - ebből következik, hogy az első (a bemeneti fokozat) is benne lesz a visszacsatolókörben - nincs közösmódusú vezérlésből származó hiba, mivel az összegzőpont gyakorlatilag feszültségmentes - a visszacsatolókör hibaárama nem a földvezetéken folyik, hanem az előző fokozatot terheli... így zavarjelek sem keletkeznek a referenciaponton. Egyetlen hátránya a kis bemeneti impedancia. Tehát egy impedanciaillesztővel kell kezdődnie akár a vég- akár az előfoknak. Újra előadom azt a mondókamat amit a múltkor olyan szerencsétlenül/pontatlanul/félreérthetően fogalmaztam meg. Azt tapasztaltam, (nem először és nem csak az előfoknál) hogy mintha ez az impedanciaillesztő határozná meg az egész erősítő hangzását. Szerintem ez a fokozat sokkal fontosabb az összes többi utána következőnél. Az előerősítő kérdést is eszerint ítélem meg. Gyakran és sokan megkérdőjelezik, hogy szükség van-e egyáltalán előerősítőre. Szerintem az egész előerősítő a végfok impedanciaillesztését végzi. Ez a feladata. Nálam az jött ki, hogy a végfok egyszerűen "meghal" jó előfok nélkül. Természetesen most ez az én saját szubjektív véleményem és a tévedés jogát is fenntartom, ha valaki bebizonyítja nekem ennek az ellenkezőjét. Tehát most csak a saját láncomra tudok hivatkozni, mert itt tapasztaltam nem egyszer ezt a "jelenséget". De azt feltételezem, hogy szerintem csak egyféle fizika létezik. Vagy mondjuk azt, hogy ne kerekedjen ebből újabb vita, hogy ez nálam már hit kérdése és ez saját (hit)vallásom. Tehát amikor a múltkor azt írtam, hogy: "...most figyeljen minden shany és mcc..." azt nem személyeskedésnek szántam, csak e befejezetlen mondat után után elkalandoztak a gondolataim más irányba. Tulajdonképpen csak arra szerettem volna felhívni a figyelmet, hogy szerintem minden végfok meghálálja ezt a bemeneti impedanciaillesztőt. A neminvertáló erősítők ugyanennyire érzékenyek (szerintem) a meghajtás minőségére/milyenségére, tehát aki komolyan venné azt amit itt leírok... akár ki is próbálhatná milyen irányba mozdul el végerősítőjének a hangja akkor - ha mondjuk közvetlenül a bemenetén van egy jól megtervezett - mondjuk jFET-es illesztő fokozat. Persze nem muszáj ezt komolyan venni, mondjuk azt, hogy fecsegek össze-vissza hülyeségeket, mert unatkozom éppen. Persze nem unatkozom, merthátírok : )
Ez akár még igaz is lehet, sok végfok kezdődik OPA-val ami tulajdonképpen impedanciaillesztő ha nem másra van felhasználva, illetve sok végfokot alakítanak át utólag csöves bemenetűre szintén az impedanciaillesztés okán, meg a Purifi elé is tesznek néhányan csöves illesztést mert hogy úgy jobban szól. Ki kellett volna próbálnom régebben valami egyszerűbb végfokon mint pl. a HTA.
Én általában gyári erősítőkben is inkább csak hagyományos előfokkal találkoztam, azok kiemelése a láncból mindig javulást hozott inkább. Most hogy mondod, életem első erősítője egy Orister volt, ahhoz valamelyik RT újságban volt egy átalakítás leközölve, tulajdonképpen ki lett iktatva az előfok része és egy szimpla egy tranyós emitterkövető került a helyére, na az pozitív változást hozott, de annak a gyári előfoka eleve zajos és vacak volt.
" Ahol lehet, invertáló erősítőket használok, mert:
- a visszacsatolókörnek egyetlen összegzőpontja van - az invertáló bemeneten - ahol a hibajel kivonódik a bemeneti jelből - ebből következik, hogy az első (a bemeneti fokozat) is benne lesz a visszacsatolókörben - nincs közösmódusú vezérlésből származó hiba, mivel az összegzőpont gyakorlatilag feszültségmentes - a visszacsatolókör hibaárama nem a földvezetéken folyik, hanem az előző fokozatot terheli... így zavarjelek sem keletkeznek a referenciaponton. Egyetlen hátránya a kis bemeneti impedancia. Tehát egy impedanciaillesztővel kell kezdődnie akár a vég- akár az előfoknak. " Szép lassan rájössz mindenre, amiket régen megpróbáltam neked elmagyarázni... Tóth Bélának is elküldtem egy ide vonatkozó irka-firkát, még csak nem is válaszolt... Meg azt is írta, hogy régebben meg tudta ítélni a hangja alapján, hogy invertáló, vagy nem invertáló bemenetű e a végfok. De igaz, hogy az a legjobb, ha magadtól jössz rá a fizikai valóságra. Csak minden újból kitalálni, nem túl hatékony... Ahogy mondod, a fizikából csak egyféle létezik. Ezt viszont célszerű felhasználni. Bízom benne, hogy rájössz, mit kell tenni, hogy a végfok alacsony bemeneti ellenállása ne legyen olyan nagy probléma. ( De már erről is írtam neked privátban. )
Ha megnézed a V4 bemenetét, mivel is kezdődik?
Nem akartam hivatkozni rád, mert az személyeskedés lett volna : )
Mellesleg a Burgumot 2016 márciusában terveztem és már akkor is invertáló volt a VAS. A bemeneti impedanciaillesztőt nem teszem ki tizennyolcadjára, mert ha eddig nem nézted meg ezután sem fogod.
Teljesen igazad van, bocsi, nem is figyeltem... : )
Gyakran megesik velem, hogy félrebeszélek, jobb is ha ilyenkor nem figyeltek rám : )
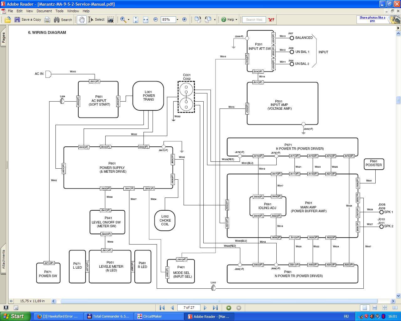
Nézd csak meg a "nagy" Marantz-ot, hogy egy impedanciaillesztővel kezdődik... pl.
Biztos lehetsz benne, hogy minden eddig kitett rajzodat, eredményedet megnéztem. De nagyon kevés tetszett belőle... tudod, én nem értek hozzá.
Igazad van. Ezt a VAS-t még nagyon régen leszimuláltam. Elég csalafintán van megoldva.
Két HDMA modul differenciál erősítőként működik, a harmadik impedanciaillesztő és köztük van a VAS. Tehát a V4 erősen leegyszerűsített változata ennek. Nem is kell kipróbálni amit írtam... csak vicceltem. A hozzászólás módosítva: Jan 13, 2024
|
Bejelentkezés
Hirdetés |
































