Fórum témák
» Több friss téma |
Mielőtt kérdezel, a következő két dolgot ellenőrizd!
I. A helyes tápfeszültségek megléte.
II. A kimeneten van-e egyenfeszültség.
Élesztés.
Kábeleket összest át mértem mind jó.
Keverő fülessel jó azon nem hallatszik ez a zaj. Most ki vettem a crossovert a láncból meg a másik végfokot. Most csak a mélynek használt végfok kap jelet és azon is hallatszik. Keverő egyből végfok.
Nem az külön van.
Majd megpróbálom hogy ki szedem a rack-ből őket és egyesével.
Sziasztok!
Nem ismerős valakinek ez a végfok panel? Jó lenne hozzá rajz hogy mi alapján készülhetett.
Helló!
Nekem igen,kèszítettem ilyen modult jópár darabot.
Sziasztok!
Segítséget kérek az alábbi probléma megoldására. A rajzon látható végfokot már többször megépítettem minden gond nélkül. Most 2x 45V pufferfeszültségre szeretném összerakni, de a végtranyókat elfüstöli. Élesztés, kimeneti egyenfeszültség, nyugalmi áram beállítása után, 1kHz bemeneti jellel műterhelésen szkóppal figyelve gerjedés nincs, de kb. 40V amplitúdónál elkezdi vágni a kimeneti jelet. Mit kell módosítani a kapcsolásban, hogy működjön a pirossal jelölt tranyókkal ?
Szerintem engedd el, kár lenne még kitakarítani is.
Egy ismerősöm vette alkatrésznek,de ha talál hozzá valami rajzot akkor el barkácsolna vele tanulás céljából.
Igazi amator csemege. Egyebkent rossz?
Akkor hamisak a tranyok. Ha 30 voltrol megy es 45 nel elfustol, valami ipari eredeti tranyot keress bele. Egyebkent aram vedelem nincs benne, szoval azzal is kellene valamit kezdeni.
A hozzászólás módosítva: Jan 22, 2024
Igen jelenleg halott mind2 panel. A hűtőbordát már le adták a méh telepre
A hozzászólás módosítva: Jan 22, 2024
Szia! A 45 V-os tápnál a 40 V-os kivezérelhetőség rendben lévő a tranzisztorok maradék feszültsége miatt. Az 100 W-ot jelent 8 Ω-os terhelésen. A választott végtranzisztorok adatlapja 45-50 W terhelésre ajánlja ezeket a félvezetőket, gondolom nem véletlenül.
En nem latom halottnak ezt a konstrukciot. Erdemes lenne teljesen szetszedni. Lefesteni a dobozt es hasznalni a trafot. Nem valoszunu hogy foglalkoznek a panelekkel. Minden javithato, de jobban jarnal, ha valami egyszeru kitet beledobnal ebay-rol. Ha ezeket akarod javitani, akkor vedd ki az osszes felvezetot ami gyanus, merd ki oket es ossze kell allitani ujra. Eros a nyanum, hogy a nyak nem fogja tulelni.
Ha a tanulás a célja, akkor első körben vissza is rajzolhatná a kapcsolást.
Nem egy bonyolult jószág, kis odafigyeléssel simán menne. Aztán ha megvan a rajz, akkor már tudná méricskélni is. Ennél jobb, gyakorlás nem nagyon van.
Kapcsolási rajzod esetleg volna hozzá?
Én is kínáltam neki másik modul párt bele,de szeretné megpróbálni ezt megmenteni.
A képen látható master blaster audio modulokat mondtam hogy dobja bele.
Sziasztok Szakik!
Van egy Fisher erősítő CA-866 nem jön ki belőle hang. A végok tranyók ellenőrizve, meghajtók ellenőrizve, hol keressem szerintetek a hibát! A tranyók 2sa1302, illetve 2sc3281-el vannak megoldva. Köszönöm előre a segítségeteket.
Szia! Főtáp, segédtáp, kimeneti egyenfeszültség, semmi különös, csak a szokásos rutinvizsgálatok.
Elektrotanyán van rajz, berajzolt jelúttal.
Üdv
Nekem vannak a dobozba eredeti d voice moduljaim
Utólag előkerült egy hiba. Az egyenirányító híd egyik bemenő lába el volt törve/vágva, és megforrasztva, de inkább csak taknyolva. Némi melegedés után bizonytalan lehetett az érintkezés, ami okozhatott érdekes anomáliákat. (Ez egy Onkyo erősítő, amit egy közeli ismerősöm hozott hiányzó végfokkal, hogy némi életet leheljek bele.) Most jónak tűnik.
Sziasztok!
Adott egy TDA2007-el meghajtott Genius PC hangfalszett, ami a tulaj elmondása szerint 3 órányi használat után elkezd búgni. Azonos konnektorban van a PC-vel. Próbáltam üresen, 3 óra után nem búgott. Próbáltam hajtani másik PC-ről, melegíteni, nekem nem búgott. Inkább gondolnék a PC-re, mint hibaforrás. De vajon mi? Azt kipróbálnám, ha nálam lenne a PC is, hogy ilyenkor Jack ki-be és vajon marad-e a hang. Táp elvételtől marad a búgás állítólag.
600-asból van nekem ilyen D Voice kettő is!
Egyik átalakul, a másik többé kevésbé eredeti formájában lesz helyreállítva. Ezekbe legalább a trafó nagyjából elegendő teljesítményű! Van még Castone, meg Kiso is, de mindkét erő tápja nevetségesen gyengusz.
De miért csak 3 óra elteltével jelentkezik?
Neked nem bugott. Mas gepen nem bug. Uresen nem bug. Kontaktos valami. Nincs osszefugges az idobelyeg es a hiba kozott.
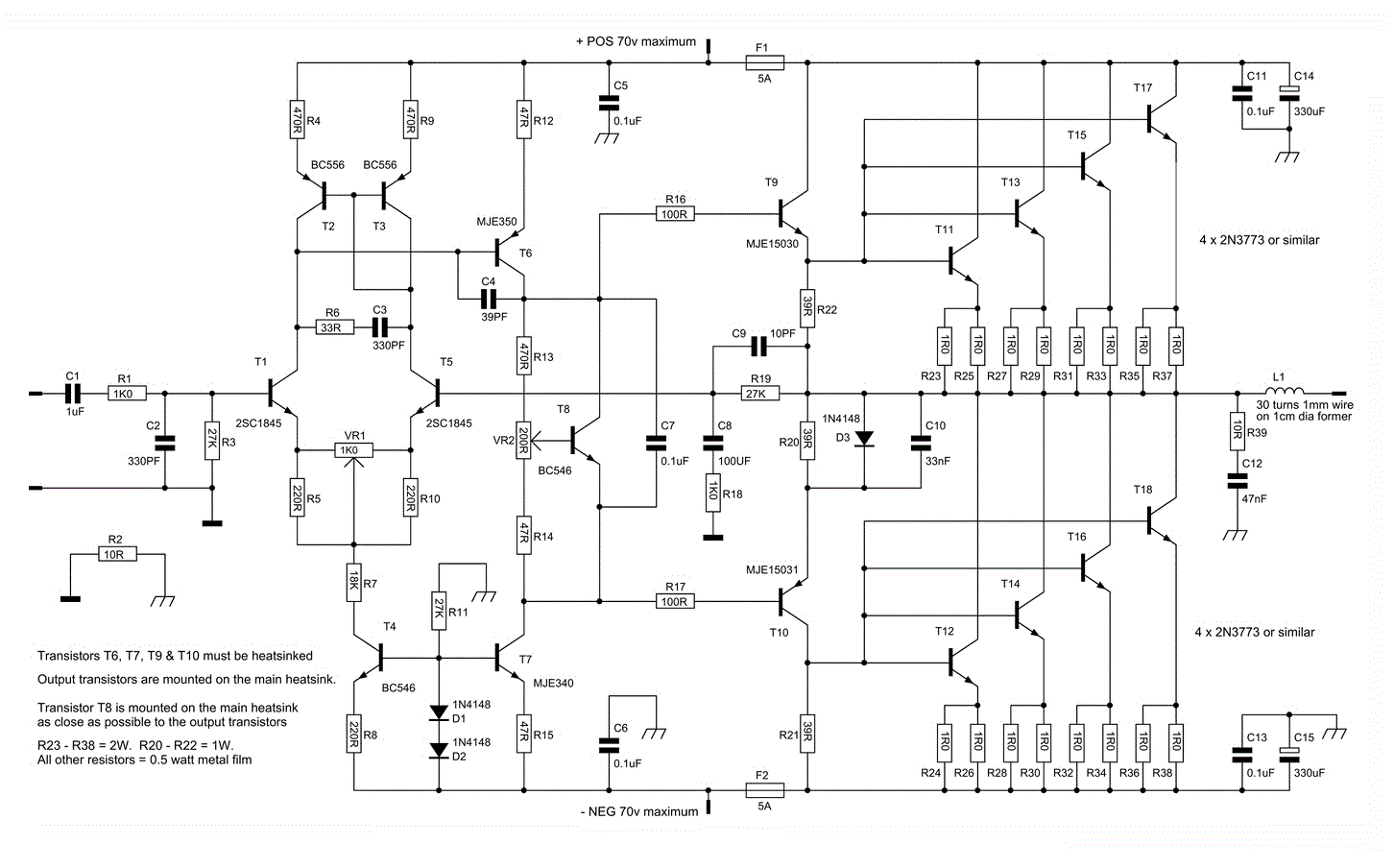
Sziasztok! Egy kis segítségért fordulok hozzátok. Szeretnék építeni egy 2 csatornas erősítőt, a táp trafó és egyenirányitás, szűrés adott. Toroid 2x60Vac es 2x2db párhuzamos 10.000µF 100V kondenzátor pakk. Védelem is már készvan, a cikkek közt fellelhető kapcs.rajz. Sőt a végtranzisztorok is adottak, MJ21194, van belőlük egy jópár, pontosabban 12 darab, ami oldalanként 3-3pár tranzisztort jelent. Kapcsolási rajzot keresek/kérnék szépen, ami kvázi-komplementeres. Ugye a táp kb +-85V pufferek után, van nekem megépítve a jòl ismert super ocl 500 meghajtó panel, vagy őt kellene átalakitani, hogy fogadjon kvazikomplementer kimenetet, vagy valami bevált kapcsolásra lenne szükségem. Mellékelem a kapcsolasi rajzot, és, hogy állok eddig az erősítővel.
Szia! A tápfeszültség miatt az 500 W-os kategóriában érdemes keresgélned. Ha feleled a csatolt képhez tartozó eredeti cikket, akkor valószínűleg építési tanácshoz is juthatsz.
Nagy gondot nem látok ezzel a rajzzal. A T2-t után kéne azért számolni, mert szemre olyan mintha telítés határán lenne a munkapontja és természetesen VR2 csúszka legyen összekötve R13-mal.
Köszönöm szépen, neki is allok berajzolni eagle be, azert be mellekelnek meg egy olasz kapcsolasi rajzot amit találtam. Hianyosabb mint amit mellékeltel, ugyhogy nem kérdés melyiknek fogok nekiallni. 3 par ilyen MJ21194 ilyen tápfesz mellett még elketyeg 4 ohmon is.
Amit mellekeltel sokkal letisztultabbnak is tunik. Igen ertem a szituaciot a VR2 vel, ez igy kicsit veszélyes. Kifejtenéd számomra mire gondolsz a T2 vel kapcsolatosan? A hozzászólás módosítva: Jan 24, 2024
|
Bejelentkezés
Hirdetés |

















