Fórum témák
» Több friss téma |
Szerencsére egyiket sem kell megépítened... én meg azt csinálok amit akarok.
Nem véletlenül hagytam el a HDAM-SA1-et a V4-ből. Ha a visszacsatoló hálózat kellően alacsony impedanciájú, akkor nincs rá szükség. Nem hoz be torzítást, és késleltetést sem...
Értem. Az egyszerűsítések járnak előnyökkel és hátrányokkal is. Nem fogjuk (fogod) megtudni, hogy szólna jobban. A teljes kapcsolást nyilván elég nagy kihívás lenne lekoppintani és ki tudja milyen lenne a végeredmény.
Érdekes, hogy magában a szigorúan vett végfokban a Marantz sem használja...
Más: Onkyo M5000-et ismered?
Az M5000R szervízkönyve van meg. Két invertáló fokozatot hajt meg egy opamp(?) - (még nem néztem meg az adatlapját, hogy csak analóg kapcsoló-e, vagy opamp is). Erre gondolsz?
Igen. Az invertáló megoldás miatt gondoltam, hogy érdekes lehet neked.
Nekem a teljes híd miatt elég lesz egy invertáló VAS.
A Burgumban is ki fogom próbálni a DC szervót. Most van kb. 50 mV drift a kimeneten, ami nem zavaró, de ne legyen. De majd letesztelem, hogy ront-e a hangján. Kihúzom a foglalatból az IC-t: nincs DC szervó, bedugom: van DC szervó.
Nem volt egyszerű menet megtalálni azt a beállítást ami nekem a legjobban tetszik (oszt ha mégsem ez lesz a legjobb, még mindig lehet piszkálni rajta utólag). Mutatom a szimulácókat. 1. - feltételezek egy időben változó feszültség driftet a kimeneten 2. - ha a szervó időállandóját túlzottan kicsire választom, több kárt csinál, mint hasznot. 0.016 Hz-es időállandóval soha nem fogja kinullázni a kimenetet. A kimeneti fesz folyamatosan lengeni fog. Akkor sem lesz 0V DC a kimeneten ha szervó nélkül egyébként az lenne. 3,4. - Csökkentem az idő állandót 0,16/1,6 Hz-re. Az 1.6 Hz kezd az instabil állapot irányába menni. Ennél jóval kisebb időállandónál pozitív visszacsatolás keletkezik (a kettős integrátor miatt). 5. - 0,05 Hz adja a leggyorsabb beállási időt és a belengéstől mentes driftet. 6. - A Bode alacsony frekvenciás fázismenete szerintem kiváló. A 40 dB/dekád meredekségű integrátor a középtartományban olyan, mintha ott sem lenne (elvileg). 7. - C3 csatolókondi töréspontja 0.16 Hz (-3dB). Az 1 Hz-es kimeneti jel beállási idejére nincs hatással a DC szervó (itt még olyan, mintha ott sem lenne). Az utolsó szimuláción bemeneti koppanásgátló (némító) és a DC szervó kölcsönhatása. A szervó "beáll" mire a némító relé elenged. A hozzászólás módosítva: Jan 15, 2024
Biztosan kell a másodrendű szűrő? Nem lenne elég az első rendű?
Akkor nem lenne stabilitási probléma.
Nem kell, de vagy kétszer invertálok, vagy azt a megoldást választom amit sokan, hogy két azonos időállandójú tagot teszek bele.... az egyik integrátor, a másik ugyanekkora időállandójú aluláteresztő a neminvertáló bemeneten. Ez nekem valamiért kevésbé szimpatikus.
Nincsenek stabilitási problémák. A kimeneti jelszintet leosztom 0 dB-re, a második fokozat egységnyi erősítésű, tehát a két opamp virtuális erősítése 0 dB. A túllövés mértéke nő, ha a két időállandó közel kerül egymáshoz. Ez beállítás kérdése. Egyelőre tetszik ez a megoldás, aztán még az is lehet, hogy alszom rá néhányat és mégis másként lesz. De tanulságos, hogy minden szervó úgy viselkedik túlzottan nagy időállandót választva ahogy a szimulációk mutatják... még akkor is ha Krell van az előlapra gravírozva/marva/ragasztva.
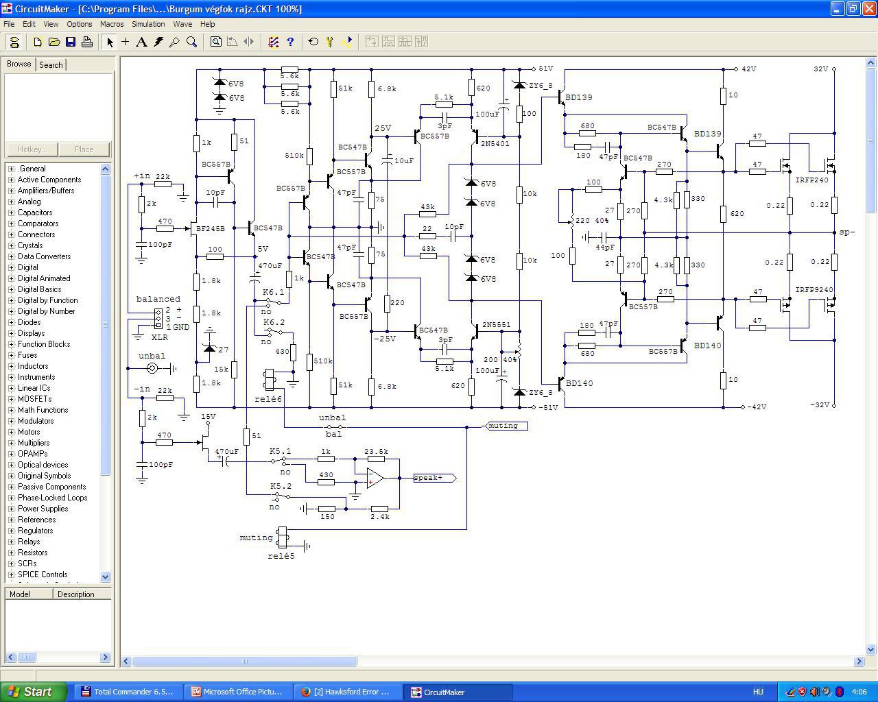
Kezd összeállni az új Burgum. Még nincs rajta a rajzon a hangszóró védelem, a tápegység és néhány apróság... ami még nincs teljesen kitisztulva a fejemben. Eddig nem is olyan bonyolult, rosszabbra számítottam... ami magyarul azt jelenti, hogy azt hittem még én sem fogom átlátni a működését : )
Most már nem csinálok mást amíg az új Burgum meg nem szólal. Bevallom, azért kicsit izgulok. Elég komolynak tűnő egyszemélyes projekt lesz ez, hasonló bonyolultságú mint az előerősítő volt: az "Irgum". Ez lesz az irgum-burgum projekt : ) Régi álmom válik most valóra, vagy foszlik köddé - ha készen lesz. Sok idő, sok pénz, sok munka. Aztán úgy fog szólni... ahogy. Eddig még jól alakultak dolgok, ahogy most szól az még nekem is tetszik, de nem minden tetszik benne. A jó felvételek mocsok jól szólnak, de a "rosszak" még nem az igaziak. Szerintem vannak ebben a végfokban még tartalékok. Próbálom nagyon átgondolni a kapcsolást, mielőtt elkezdem a nyákokat tervezni. Ez lesz a hattyúdalom. Nem fogok nekikezdeni többé ekkora bonyolultságú erősítőnek. Isten bizony : )
Ami a régi Burgumban tetszik, azt meghagyom. Ez megérzésre megy. Nem mindenre találok műszaki magyarázatot, hogy az miért jó úgy ahogy van. Azért mert én azt mondom. Költői szabadság. Amin lehet javítani és ez ésszerűnek tűnik, azt megmódosítom. A védelmek kellenek bele. Sokat kell majd mérni és tesztelni. Egy csatornát megépítek "gubancban" és azt agyon kínozom. Aztán következik a deszkamodell. Aztán a végleges Burgum. Idő van. Első körben össze kell rajzolnom a teljes hidat, mert nem mindenből kell bele kettő. Rendes rajz nélkül nem fogom tudni átlátni a kapcsolást, mert már hülyülök. 20 éve még fejből le tudtam volna rajzolni az egészet, ma már nem. Még a szimulációk között is alig igazodom el és közben új dolgok is jutnak eszembe, meg van amit már most másképp látok mint eredetileg gondoltam. Egy ideig még elszórakozok a szimulátorral, de már látom az alagút végét. Idézet: „Biztos lehetsz benne, hogy minden eddig kitett rajzodat, eredményedet megnéztem. De nagyon kevés tetszett belőle... tudod, én nem értek hozzá.” Biztosan nem láttad a "Ki mit épített?"-ben az "Irgum"-ot. Legalább egy "diszlájkot" nyomj rá, mert nekem számít : ) A hozzászólás módosítva: Jan 22, 2024
Nagyon szépen dolgozol. Mindig csodálom a munkád és az energiád. Csak nem tudom már követni, mert gyorsabban építed, mint ahogy én megrágom. De majd csak a végére érek. Szerencse, hogy a részleteket folyamatosan felteszed, így most nagy elmaradásom nincs.
Voltak gondolataim, amit szerettem volna megosztani még a védelem tervezésének idején, de lemaradtam róla. Nem baj, mert lehet hogy nem jó úton jártam. De azért felületesen megemlítem. Alapvetően csupa lopott részletekből áll, csak egyben nem találkoztam még vele. Hifi láncot nem szoktak üzem közben szét és összedugdosni, tehát a bekapcsolási pillanatában minden a helyén van. A lánc valamelyik elemének a meghibásodása két részre bontható. Első a bekapcsolási pillanatban vagy előtte történő anomáliák miatt, második az üzem közbeni túlterhelés okozta tönkremenetel. A második csoportba tartozó üzem közbeni meghibásodás nem elhanyagolható része betudható az öregedésnek, vagyis előre figyelmeztető jeleket találnánk, ha bekapcsolási előtt végigtesztelnénk az erősítőt. Ilyen például egy régen nem használt erősítő pufferkondijainak állapota. Vagy a hangsugárzó impedanciamenetének megváltozása, ami szintén valamit szeretne mutatni. Tegyük fel, hogy minden le van csekkolva, minden jó. Ekkor elvileg nem lehetne baj. Vagyis de, mert én hiába hallgatom évek óta 200W-os erősítőn a 40W-os hangsugárzót hiba nélkül, ha amikor nem vagyok otthon, valaki döngeti rajta a hülye zenét. Ez valós probléma, legtöbbször így szokott tönkremenni valami. Ha a hangerő gomb maximális helyzetét be is határolnánk, lehet olyan hanganyagot átküldeni a rendszeren, hogy az belepusztuljon. Például 0dB szintű 5kHz jelet 5 percig. Persze nem vagyunk ilyen hülyék, mert tudjuk, hogy a magas belehalna. Aztán lehet, hogy vinné magával a védelem nélküli végfokot. De említettem, hogy nem vagyunk otthon. De valaki ott lehet. Erre született egy gondolat. Ha a hangsugárzó terhelhetőségét le tudjuk modellezni, kaphatunk egy olyan idő/teljesítmény/frekvencia diagram formulát, amin belül maradva biztonságosan hajtható a hangsugárzónk. Igazából nem a villamos teljesítmény teszi tönkre a sugárzót, hanem az időegységen belül bepumpált energia. Van a lengő rendszernek valamennyi hőkapacitása, tehát valamennyi energiát el tud nyelni, amíg az nem melegíti túl szegényt. A tárolt hőmennyiség az folyamatosan távozik egy véges értékkel, és ameddig a mérleg nem billen át, nincs baj. Tehát ha egy hangsugárzóra szabott formulát vennénk mint limit értékét, akár döngeti is lehetne a rendszert mindenféle károsodás nélkül. Az összetaposott hangsugárzó kábelt most nem említem, mert az is probléma. De akkor már ott van az erősítőbe öntött sör. De ezek már a vandalizmus jelei, ezek ellen nincs orvosság. Baltával is bele lehet vágni a hangsugárzóba. Az ellen se véd semmi. Visszatérek az első csoportba tartozó meghibásodásokhoz. A pufferkondikat fel lehet tölteni kis árammal is, közben tesztelhető, mind a maximális feszültség, mind a töltési idő. Ha valami nem százas, a bekapcsolási folyamat nem fut le. Ha a kimeneti fokozat nem kap előfeszítést, a rá kapcsolt hangsugárzót egy kis értékű teszt jellel le lehet monitorozni. Ha az impedancia görbe azt mutatja hogy sem szakadás, sem zárlat nincs a kimeneten, a bekapcsolási procedúra tovább lép. Ha nincs gond, megkaphatja a puffer a nagyáramú trafót, valamint a kimeneti nyugalmi áram beállhat a névleges értékre. Lehet még a bemenetek én lévő szinteket is csekkolni, meg hogy a szomszédasszony felvette e a bugyogóját. Ha minden rendben van, a némítás megszüntethető, szólhat a zene. Ez az egész 10 másodperc alatt lefuttatható, nem egy nagy időkiesés. Nem kell mindent komolyan venni, ez amolyan gumikacsa. Ha túl hosszúra sikeredett, el se kell olvasni.
A rajz bal alsó részén látszik, hogy 39 lépésben változtatható az erősítés. Ennek a megvalósítása hogy van megoldva, ellenállásokat kapcsolgatsz relékkel, vagy félvezetőkkel, esetleg céláramkört használsz? A vezérlés + kijelzés ügyes megoldás, de - és semmiképpen sem akarom leszólni - manapság az ehhez tartozó nagy maréknyi alkatrész egyetlen MCU-val könnyedén kiváltható lenne (és akkor már rá lehetne bízni pár további funkciót is).
Köszönöm az elismerést - ugyan nem (csak) erre ment ki a játék, hogy maga-mutogassam itt magam - inkább a nyomorúságosan megszerzett tapasztalatim szeretném megosztani azokkal akiket ez érdekel és használni tudják valamire... vagy ennek az ellenkezője is igaz, amennyiben elrettentő példákat mutatok be akaratom ellenére. Mint például: miért ne vágjunk bele 200 tranzisztoros kapcsolások megépítésébe : ) Compozitnak is köszönöm a mancsot, amit annak ellenére is mancsnak számítok, hogy én kényszerítettem ki.
Érdekes amiket írsz a védelmekről, de nálam más gyakorlati szempontok kerültek az előtérbe. Mutatok is egy fotót arról, hogy szoktak-e hifisek üzem közben csatlakozókat ki/bedugdosni. A Burgum meg pont az ilyen "kibedugdosások" miatt került vissza hozzám, oszt itt ragadt. Ebből a végfokból három darabot fogok legyártani. Egyet annak a Bélának akinek az előerősítő is készült, egyet magamnak és egyet annak a Balogh Gézának akitől ezt visszaoroztam, mert hát még kölcsönbe se adtam neki, csak ott volt nála hat évig, hogy majd cserébe épít nekem egy hangdobozt, én meg neki egy rendes erősítőt. De hangdobozom még mindig nincs, neki meg erősítője már nincs (ugyan van egy Marantz-a amit nagyon szeret, nekem meg van hangdobozom amit szeretek, de egy sokkal jobbat még jobban szeretnék). Tehát az övé lesz a harmadik Burgum - az után ha már itt fogok dicsekedni az új hangsugárzómmal. Mindezt azért írtam le látszólag feleslegesen, hogy demonstráljam, hogy ezzel a végfokkal nem fog előfordulni a második eset, hogy 40 W-os hangszórók lesznek rákötve. A harmadik eset meg már nem annyira érdekel, hogy mikor fognak kiszáradni a pufferkondik, mert akkorra én már rég alulról fogom szagolni az ibolyát, oszt vagy majd valaki kicseréli benne, vagy kidobja az egész Burgumot a szemétbe. Enrico hangdoboza pontosan így került ide hozzám, hogy a lánya ki akarta rakni a kuka mellé, mert túl sok helyet foglalt a lakásban. Ugye, a pesszimista = tapasztalt optimista. Meg még van egy "trükk" az előerősítőben, mert én is gondoltam erre a "nagyon túlvezérlésre". A +16 dB-es osztó foglalatban van. Át lehet "jumperolni" az erősítést. A CD játszó 2V-os kimeneti jelszintje éppen klippelésig vezérli ki a végfokot. Ha kicsi ez a jelszint valami miatt arrébb kell dugni két lyukkal az optocsatolót és van még 16 dB plusz erősítés. Ennyi jutott eszembe most hirtelen...
A komolyabb erősítőkben van MCU ill. DSP. Ezekkel a dolgokkal, szerintem nyitott kapukat döngetsz, mert van ahol ez már meg van valósítva. Tehát a DSP tud(hat)ja, hogy a frekvencia függvényében mekkora RMS-t visel el a hangsugárzó, és nem enged rá többet. Azért frekvenciafüggően, mert amelyik frekvencián nagyobb a membránkitérés, ott jobban hűl a legőcséve, mint ahol szinte meg sem moccan a membrán (ez a doboz akusztikus ellenállásásnak is a függvénye).
Ezt továbbgondolva egyébként elvileg folyamatosan monitorozható lehetne a terhelő impedancia is, és ebből is tudható, hogy kb. mennyire forró a legőcséve a hangszóróban. Bár ezeknek a dolgoknak inkább hangosítási célú erősítők esetében van nagyobb jelentősége, de tagadhatatlan, hogy egy hifi erősítő esetében sem baj ha "bolondbiztos" amennyire csak lehet. Ügyes limitereket lehet készíteni MCU és DSP nélkül is, olyat is ami az ésszerű tartományban nem visz be észrevehető torzítást, és felette is csak keveset, de az előbbiekkel szerintem jobbat lehet csinálni. A hozzászólás módosítva: Jan 22, 2024
A kapcsolási rajzon minden ott van. Előre-hátra számláló kapcsolgat CMOS kapcsolókat optocsatolók közbeiktatásával.
Ezt az MCU/PIC kérdést már többen felvetették, de még senki nem tudott felcsigázni vele. Kiváltanék vele 5 db 80 Ft-os CMOS IC-t, megtakarítanék 20 cm2 nyákot, cserében ott ketyegne egy kvarc, amit nem akarok. A második ok, hogy nem tudok mikrovezérlőt programozni és nem is akarom megtanulni. Idézet: „cserében ott ketyegne egy kvarc, amit nem akarok.” Használhatsz belső órajelet és már nem is kell kvarc. Egyre közelebb kerülsz a programozáshoz...
Komoly erősítőhöz már installációs szakemberek jönnek házhoz, akik össze is rakják a rendszert. De ez már nem a hobbi zenekedvelők táborához tartozik.
A bolondbiztos védelem minden kategóriában fontos lehet ahol legalább egy gyerek, vagy gazdagéknál mondjuk a zenekedvelő takarítónő megfordul ellenőrizetlenül.
Nem, én komoly erősítőről beszéltem, de nem milliókba kerülő és audiofil megnevezéssel eladott cuccról. Ezt a sima hangosítási célú, ill. monitor aktív hangsugárzók egy része már tudja.
Ja hogy azok a kapcsolók - ha jól látom - EPR211 felirattal... Egyébként erre (EPR211) nem ad értelmes találatot a google. A CMOS kapcsolók által bevitt torzítás amúgy nem gond? Nemrég szembesültem vele, igaz A/D konverter témában, hogy számottevő linearitáshibát tudnak bevinni, ugyanis pl. feszültségfüggő a kapcsolók ellenállása.
Talán éppen ezért nem találkoztam velük, mert nem kell őket javítani. Ha mégis, az komoly szakműhelyet igényel.
Ez azért valahogy nagy szakadékot fog teremteni a magamfajta hobbi szerelgető, valamint a profi gyártók között. Amíg 1-2 évtizede még nem volt nagy a szakadék, mára már számomra átláthatatlan a technológiai. Egy mennyezeti lámpában is mikrovezérlő van, de még a bringalámpámban is. Mire elérem majd a nyugdíjas kort tíz év múlva, nem lesz értelme elektronikával foglalkozni. Jobban járok, ha inkább zenélek. Az talán még nem veszti értelmét néhány évtizedig.
Úgy tudom, hogy a fotovoltaikus és a cmos kapcsoló között van különbség. A cmos kapcsolókban az UGS változik annak függvényében, hogy éppen milyen potenciálon van a Source. Ez okozza az RDS on változását. A gate elektródok ugyanis a cmos kapcsoló tápfeszéhez képest állandó feszültségen vannak. Az átkapcsolás viszont gyors lehet.
A fotovoltaikus kapcsolóknál egy ledből érkező fotonáram hozza létre a Mosfetek gate elektródján azt a töltésmennyiséget, amitől a fet vezetni fog. Mivel ez az UGS feszültség nem változik, az RDS on sem fog. Persze semmi sincs ingyen, a kapcsolási sebesség kész jóval lassabb.
Ebben igazad van,de van még pár további tulajdonsága is. Az utóbbi nem csak lassúbb, hanem nagyobb a kapacitása is. Bekapcsolt állapotban az ellenállása jóval stabilabb, de amúgy ez az átfolyó áramtól is függ - bár talán kevésbé mint a CMOS kapcsoló esetében. Egy időben lehetett kapni JFET kimenetű optocsatolót (lehet, hogy most is, nem tudom, de nem volt belőle nagy választék), az is ügyes dolog, mert gyors, és rel. keveset is torzít - de az is torzít.
Annak idején bemenetválasztóba akartam elektronikus kapcsolókat építeni. Az első QUAD405 erősítőmben JFET kapcsolókat használtam - a 80-as években. Aztán amit kicsivel később építettem, abba már kicsi, légmentesen zárt relék kerültek - némi digitális IC-vel vezérelve. Ezekből a csúcs akkoriban a prellmentes, higany nedvesítésű érintkezőkel ellátott relék voltak - na az enyémben nem olyan volt, de attól még egész jól működ(ött)ik (Bővebben: Link)
Igen, ez ügyes cucc. Karesz ilyesmit használ?
1...2Ω ellenállás (azért ezt csak egyetlen munkapontban adja meg az adalap - nincs grafikon) 130pF kapacitás - nem sok, de nem is kevés. Még kezelhető, csak tudni kell, hogy van. A kapcsolási idő sem vészesen sok, kb. mint egy reed relé. Mérési célra használtam már hasonlót csak 400V-os verzióban. Egy MCU kapcsolgatta ilyenekkel a különböző mérendő feszültségeket az A/D konverterre.
Megvan, kb. 11 éve, AQW214-et használtam Bővebben: Link
Ennek az adatlapján van pár grafikon is. Kisebb feszültség esetén lineárisnak tűnik, de persze torzítást nem specifikálnak. A mérőáramkörnek nem kellett kimagaslóan pontosnak lennie, így nem derült ki, hogy okoz-e a mérésben linearitás hibát - ill. a szükséges mérési pontosságnál kisebb hibát okozhatott csak. A hozzászólás módosítva: Jan 22, 2024
A higannyal nevesített reed relé az ma is ott lehetne a csúcson, mert ott valójában az összeforrasztott vezetékekkel megegyező kontaktust biztosít. De ha már ez felmerült, lehetne használni ilyet hangsugárzó védelemhez is. Persze valami nagyobb áramút.
Amúgy ez az epr211 sorozatú szilárdtest relé elég széles skálán elérhető. Van 0,5 Ohmos is 400pF párhuzamos parazita kapacitással, meg 25 Ohmos 30pF kapacitással. A mosfet az mosfet. Ki kell választani az optimális át a sorozatból. Én fotoellenállásokból próbáltam csatornaválasztót csinálni, de ezek 100 Ohm nagyságrendűek és nagyon lassúak. De ez még nem is lenne gond. Sehol nem találtam adatot az U/R linearitásra. Gitárerősítőben csatornaváltásra megfelel, sőt a lassúsága kimondottan kellemes átmenetet visz be. Hifihez megfelelő műszerezetség hiányában (inkább lustaság, mert van jó hangkártyám és viszonylag jó szinusz generátorom) nem tudtam még megmérni milyen hibát okoz, ha beteszem a jelúlba.
Ennek sorozatnak is van elég széles palettája. A párhuzamos kapacitást viszont nem találtam, vagy nem specifikálták.
Ha mondjuk egy ilyen foto-mos kapcsoló bekapcsolt ellenállása 1 Ohm, és egy 1kOhmos ellenállást kapcsol 1V pp jelszinten, akkor a kapcsolóra 1mVpp jut. Ilyen kis feszültségen vélhetően nem lehet nagy az ellenállás változás. Sőt visszakanyarodva a cmos kapcsolókhoz, ha olyan áramköri környezetben alkalmazzuk ahol például nem 1Vpp szintű hangfrekis jelet kapcsolunk vale, hanem egy invertáló erősítő bemeneti ellenállása után közvetlenül az invertáló bemenethez tesszük, akkor ott nagyon kicsi értékű hangfrekis feszültség lesz csak jelen. Gyakorlatilag virtuális GND-n kell kapcsolnia. Befejezem, készülök dolgozni. |
Bejelentkezés
Hirdetés |
























