Fórum témák
» Több friss téma |
Ez csak rajtad, és az órán múlik. Volt hogy szét lehetett szedni a kijelzőjét, nem volt kiöntve, és kicseréltem benne a ledet. Hogy a tiédben lehet e, egyáltalán akarsz e vele foglalkozni, az más kérdés.
Szia!
Köszönöm a gyors választ. Akkor egy próbát teszek vele, hátha. A hátlap 4 db csavarral rögzített, így az könnyen bontható. Utána majd kiderül, hogy bent mi a helyzet és lehet-e még óra belőle. Üdv.
Gyorsan belelestem, hogy milyen a helyzet.
A 4 csavar az 5 db, mert az elemtartó alatt is volt egy. Viszont a kijelző 12 db műanyag "tüske" ráolvasztásával lett a nyákra rögzítve bent, így ahhoz a dremel kell majd, hogy óvatosan szétválasztható legyen. Csak utána lesz hozzáférhető a belső rész.
Annyiból szerencséd van, hogy az a kijelző igazábol nem kijelző, csak egy maszk (műanyag lap, mindenféle kivágással). Alatta lesznek az SMD LED-ek is. Ha csak azok romlottak el, cserélehtőek. Érdemes az összeset cserélni, hogy a fényerő egyenletes legyen.
Szia!
Köszönöm a segítséget, akkor lehet még belőle rendesen működő óra, csak kétévente ledeket kell cserélnem benne. ![]() Üdv.
Ismerős. Amit én néztem, abban körömmel lekapartam az összes pöcköt, de ha nem megy egy szike biztosan viszi. A dremmellel lecsiszolod az egészet, de lehet élg csak körbe megpiszkálni. Akkor még esetleg marad egy kis csap is, amivel később is rögzíthető. ( bár annyira nem kritikus.)
A hozzászólás módosítva: Aug 29, 2020
Egy régebbi óránk "turbó" változata
A hozzászólás módosítva: Dec 27, 2021
Sziasztok!
Építettem egy Vicsys tollából származó 7 szegmenses kijelzésű órát. Szeretném megoldani, hogy a mostanában egyre sűrűbb áramszünetek miatt ne kelljen mindig újra beállítani. Milyen módon lehetne elérni, hogy pl egy elemmel vagy akkuval megtartsa az időt? Az nem lenne fontos, hogy amikor nem kap áramot, legyen kijelzés, csak ne felejtse el az időt.
Szia!
Köszönöm!
Helló
Ugyan ezzel az órával adódott, ugyan ez a hibám! egy kis segítséget kérnék, milyen ledet is rendeljek bele? Ha jól nézem 0603-mas méretű kék smd led van benne, nyomógombal állítható a fényereje 3 lépcsőben, amiből 1.ső a kikapcsolva a 2.on 2,6V ot kap, 3.on 2,7V, viszon mikor ráteszem a mérőcúcsot a ledre minimálisan megnő, vagy éppen csökken a fényerő és így max 2,8V mértem 1 leden. Ebből ki lehet valahogy deríteni melyik led lenne jó hozzá? Ahogy néztem van 0603 bol van 2,6 - 3,8V is.. A hozzászólás módosítva: Jún 22, 2022
Hello! Egy Led nyitófeszültség mérésével, nem jutsz sok információhoz.
Mindössze annyi a tanulság, hogy a tápláló áramkörnek nagyobbnak kell lenni mint a szükséges nyitófeszültség. Az pedig leginkább a Led színétől (és típusától) fog függni. Ha megnézed ezt a karakterisztikát, láthatod hogy a Led nyitóáram változásától, az általad mért nyitófeszültség csak kismértékben változik és messze nem lineáris a görbe. Tehát alapban bármely Led jó bele, aminek nyitófeszültsége kissebb mint az áramköröd tápfeszültsége. A Led fényereje a típusától és a nyitóáramától függ, ezt egyszerű esetben egy ellenállás korlátozza, vagy áramgenerátor mint ahogy a karakterisztikát felvettem de az ritka, viszont digitális dolgokban e fényerőt leginkább impulzusszélesség változtatásával szabályozzák. (Ki-be kapcsolgatják, csak gyorsan hogy ne érzékeld hogy villog.) Tehát nagy valószínűséggel bármely Led jó lesz bele, de hogy fényességben számodra mi a megfelelő, azt csak próbával tudod megállapítani. Mérni pedig az áramot célszerű, nem a feszültséget, mert ez nem izzó.
Cseréld le az összes ledet akkor egyforma lesz.
Sziasztok!
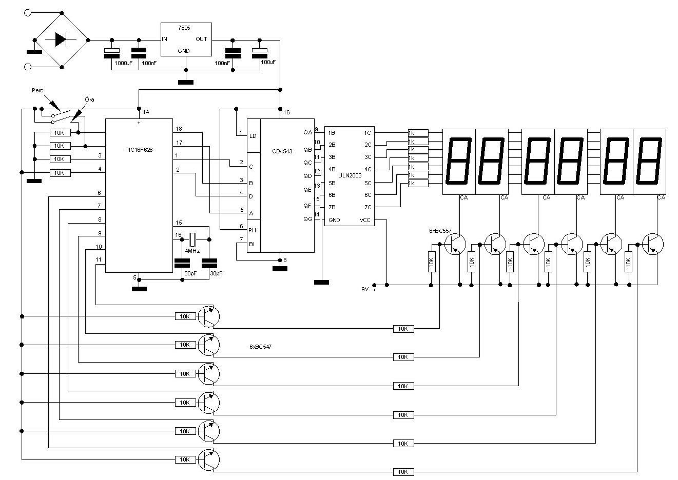
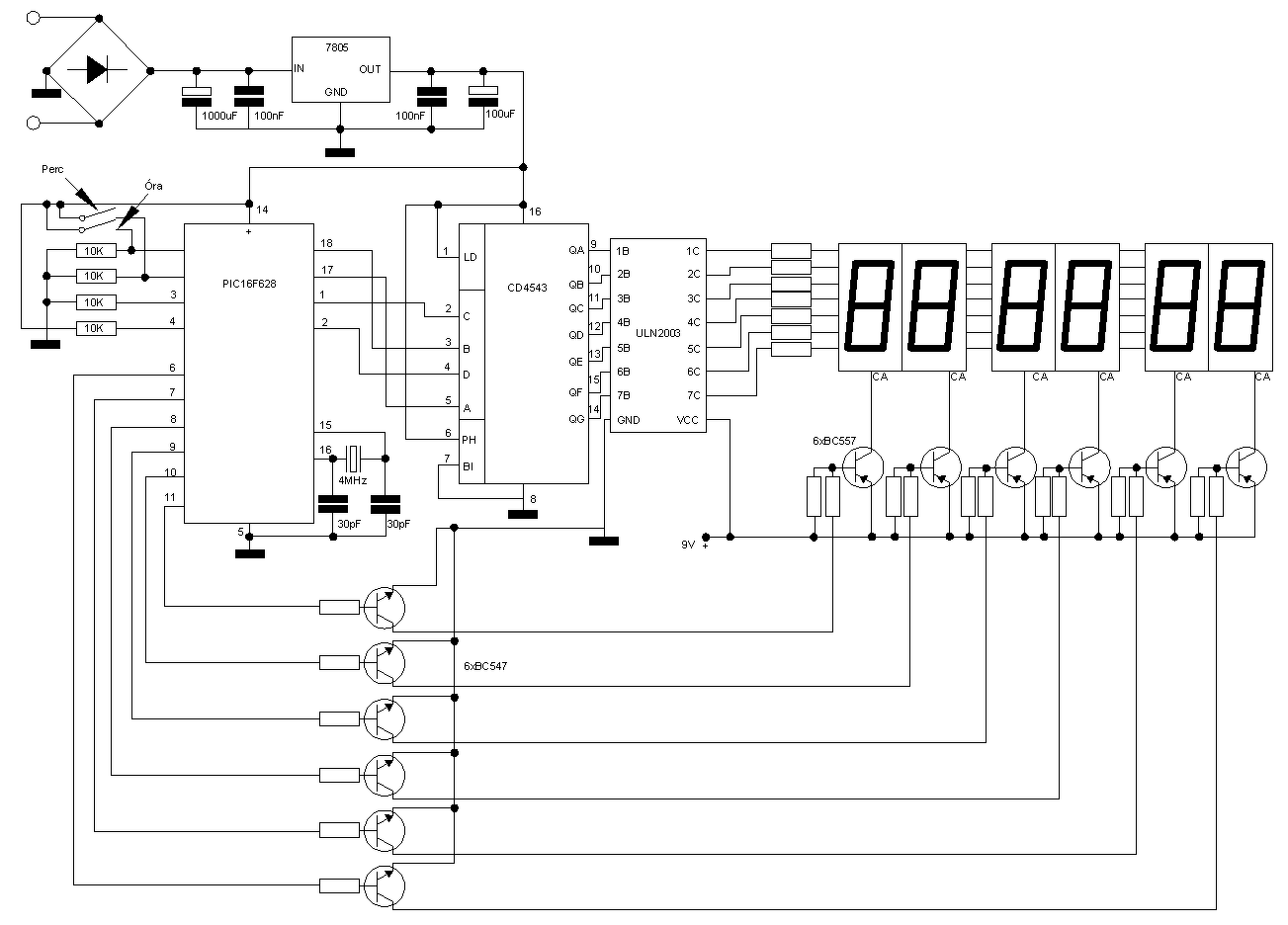
Volt már szó a csatolt Vicsys-féle óráról. Régen már megépítettem, de most szeretném nagy kijelzőkkel újra elkészíteni. Visszaolvastam és megpróbáltam értelmezni az ott leírtakat, ez alapján átrajzoltam, ezt szeretném leellenőriztetni veletek. A kijelző 6,6V 2mA-en /szegmens világít rendesen, 9V táppal működtetném külön megtáplálva. Ezt ugyebár az 5V-os tápfesz nem bírja. Köszönöm előre is.
Hello!
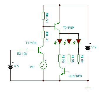
Így nem jó.. - A PNP tranyók mindig nyitva lennének. - Vagy így kell megoldani, vagy van az ULN-ek között felsőoldali meghajtó. - A korlátozó ellenállás nem lehet az anódba. Minden katódba kell egy-egy. - Nem 2mA-re kell méretezni, mert az MPX 6 felé kapcsolja az áramot. - A Led-ek nyitófeszültségét le kell vonni.
Köszönöm a válaszokat, akkor újratervezem.
Sziasztok!
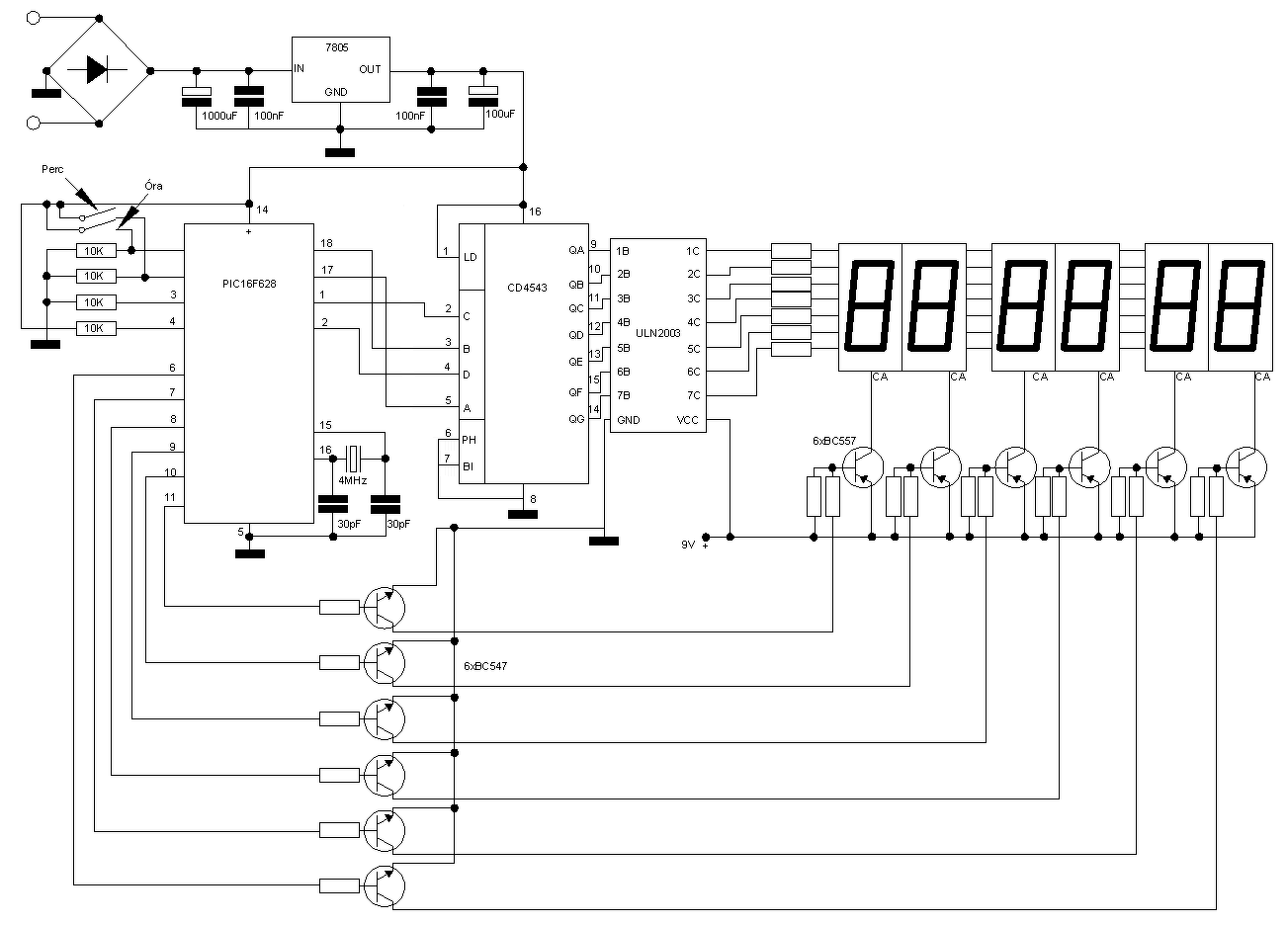
Átrajzoltam, szeretnék egy ellenőrzést kérni rá. Köszönöm.
Így jó, de megjegyzem én nem ezt rajzoltam. De a különbség annyi, hogy amit rajzoltam, ott az anód akkor kap feszültséget, mikor a PIC kimenete alacsony szinten van. Amit Te, az akkor mikor a PIC porta magas szintű. Ezt figyelembe kell venni, hogy a programban mi van írva, vagy tudod-e a programot módosítani ha kell.
Köszönöm, akkor nekiugrok mégegyszer, mert a programot nem tudom módosítani. Most megpróbálom szigorúan a rajzodat követni. Ha késznek gondolom, elküldöm újra.
Az eredeti rajzot azért meg kellene tekinteni, hogy a vezérlés biztos ez legyen.
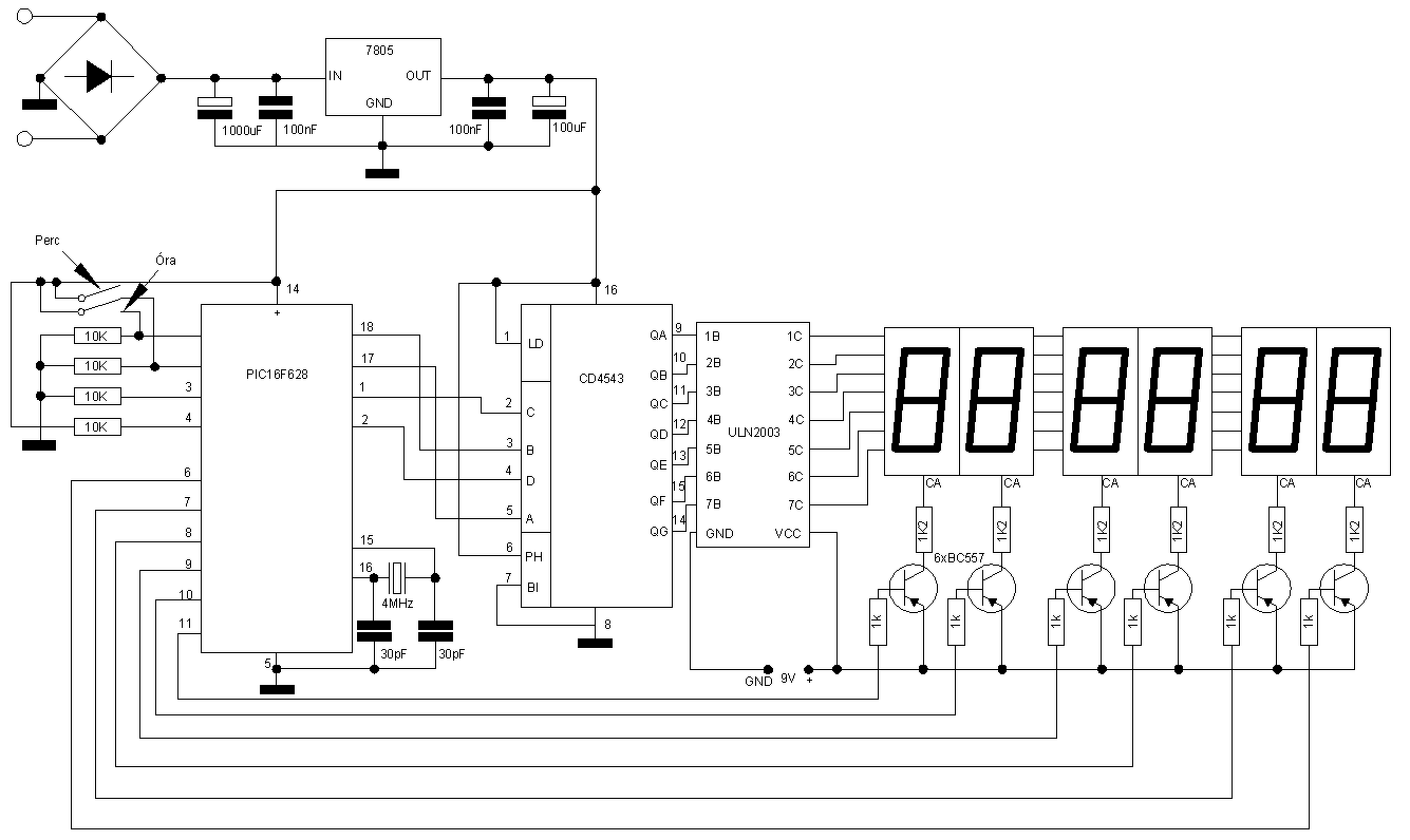
Ez az eredeti, csatolom.
Nos, itt látszik hogy közös anódos a 7szegmens kijelző, így a Te változatod a helytálló.
Én meg közben átrajzoltam. Akkor az előző a jó?
Tehát akkor küldeném a végleges verziót megtekintésre. Jó így?
automata fényerőÜdvözlet.Egy ilyen ledes órának hogyan lehetne megoldani az automata fényerő állítását?Tehát hogy ha erősen süt a nap akkor erős legyen,ha sötét van akkor halvány legyen? :https://www.daraz.com.bd/products/hey-my-homehigh-c51-bits-electronic-clock-electronic-production-suite-diy-kits-c51-clock-i356539763.html
Szerintem ez a processzor van benne: W79E2051
Jó lenne látni a panel alsó oldalát (fénykép ugye), mert szemlátomást eléggé tele van, gyaníthatóan 8 szegmens és 4 láb az már 12 a húszból, kettő kvarc és kettő a táp, az már 16. Zümmer, nyomógombok... Nagy mázli lenne ha maradék lábak közül az egyik fel lenne programozva fényérzékelőnek, vagy DCF bemenetnek. Mert különben bele kell nyúlni a programba is (szerencsére írható), ki szerencsével van a neten hozzá hekkelés is... Az ugyan gányolás, de adatlap szerint 2.5 V-ról is elmegy a processzor. Próbáld meg csökkenteni a tápfeszültséget, ha halványul, de még működik minden, akkor szinte nyert ügy.
A panelen 89c2051 van szitázva.....Ami átlagos eszközökkel nem nagyon írható. (Párhuzamos, és 12,5V égető feszültség). A fényerőre szerintem is a táp modulálása marad. ( bár azt eléggé ingoványos talajnak érzem. 2 gomb, 1 zümmer, 1 reset és már nincs is több láb.)
A hozzászólás módosítva: Nov 18, 2024
|
Bejelentkezés
Hirdetés |


















