Fórum témák
» Több friss téma |
Fórum » Crystal radio - detektoros rádió
Rádióhullámból csinál áramot es annyira novelia feszöltséget hogya led világítson. De kell neki minimum ö.6V hogy beinduljon. Egy fajta energiavámípr.
Atis57 nem a működésére, a funkciójára volt kíváncsi!
Egyébként hogy ez mire való, az számomra erősen kérdéses...talán egyfajta vihardetektor, kb akkor csinál valamit, ha igencsak komoly feszültség halmozódik fel az antennán. Az egyenirányító diódák is 1kV-osak, és alacsonyfrekisek. Ez tuti nem rádióhullámokkal operál... De maga a kapcsolás is fura, itt a tranzisztor csak akkor nyit, mikor a D1 már letörés közelébe ér(az is 1kV-os)...
Szia!
Ezen az oldalon van pár érdekes kapcsolás; http://qrp.ru/forum/17-%D0%9F%D1%80%D0%BE%D1%81%D1%82%D1%8B%D0%B5-%.../12853 Pl ilyen; A hozzászólás módosítva: Márc 28, 2024
Működhetnek, bár legalább kettőben a háromból vannak kétségeim, hogy tudta-e az alkotó hogy mit akart.
Nézd, én már meglehetősen régen cca (65 éve) kinőttem a detektoros korból.
Kétségtelen vannak előnyei, mert egyszerűen összerakható feltalált anyagokból, ami egy vészhelyzet (soha ne legyen ilyen) igen nagy előny. Ezért működik még roppant gazdaságtalanul a solti adó. Nálam a csúcs, ami hálózati zsinórból krumpliból, ceruzabélből összerakható. A többi habosított dolog, nem igazán érdekel, ha hallgatni akarnék műsort, akkor olcsón lehet kapni kész rádiót, de ha mégis készíthetnék rámjönne, akkor seperc összeütnék a fiókomból származó alkatrészekből egy audiont, és hangosan, jó érzékenységgel tudnék hallgatózni.
Még mindig a detektoros a kedvenc
ha csöves visszacsatolt audion, ha tanzisztoros reflex vagy reflex + audion. Nekem az audion mar középiskolától nagy kedvenc. Miért? Ne tudom talán mert egyszerűsége mellet kivállóan máködik. De valamiért itt vana szombámba 2 deteketoros abból 1 keretantennás Az FM korszak miatt kisérletezek FM el másoknál megy nálam csak 1 kapcsolás, azt durva nehéz kezelni, cserebe 90km is fog jelet es 20km ról szül a 0.3kW ladó. Talán azért a detektoros a kedvenc mert az az alap. A 90 es években jó szolgálatot is tett nálunk.
Detektoros?
Hát én úgy 1960-ban csináltam kristállyal. Forgókondim nem volt, a hanglás úgy nézett ki, hogy. Egy nagyobb és egy kisebb átmérőjű papírcsőből készült. A nagyobbik a VIMes dobozból a kisebbikre nem emlékszem. Kellett még 2 banánhüvely és banándugó. Ezek kötötték össze forgathatóan és áramvezetően a két papírhengert, amelyen a hangolótekercs volt. Ha a tekercsirányok megegyeztek, akkor volt maximális, ha ellentétesek, akkor minimális az induktivitás. Már csak fix értékű kondenzátort kellett hozzá találni, az azért volt. Könnyebb dolgom lett volna GDO-val, ha egyáltalán tudtam volna mi az. Solti nagyadó: Te biztos jobban tudod mikor, valamikor az 1990-es években átálltak a modulációs mélységtől függő adóteljesítmény szabályozásra, na azóta ugráltak a varázsszemes kijelzők, ha jól emlékszem. Üdv:StMiklos
Hát az a modulációs tényezőtől függő átállás jól megszívatott minket az ellátottsági méréseknél.
Hiába mondtam, hogy így az egész egy nagy marhaság, mármint a mérés, mert ha állandóan változik az adóteljesítmény, akkor mi is lesz az, amit térerősségnek mérünk. Aztán kidolgoztunk egy mérési módszert, de hát az így kapott adatok egészen más volt, mint amiket addig mértünk.
Való igaz, az energia takarékosság jegyében.
Aztán le lett cserélve félvezetősre, az enegiatakarékosság jegyében. Ami fix teljesítménnyel megy, ha kell, ha nem. ![]() Amúgy voltunk ott, nemcsak netről ollózott tudás. A hozzászólás módosítva: Márc 30, 2024
Jut eszembe, mint érdekesség:
Valamikor ebben az időben álltak át Solton az 540kHz-re a korábbi 539-ről, mert este elérkezvén időnként interferencia jelentkezett egy közel -Keleten sugárzó 540 kHz-es adó miatt. Talán nemzetközi egyeztetés/frekvencia újraosztás volt akkor. Üdv: StMiklos
Hello! De azt is tedd hozzá, hogy baromi rosszul sikerült, mert sokan nem foglalkoztak vele. Így azt sem tudtuk meg, hogy egyáltalán jobb lett volna vagy sem..
Ja, teve reklám.
![]() Amúgy már nincsen interferencia, már az is csoda, ha találsz adást valahol...
Persze, mert a közel kelet (Kuwait 5 MW) 2 -es körzet, mi pedig 1 -es körzet, így nincs egyeztetési kötelezettség. A másik pedig, hogy addig nem volt általánosan használt a 9 kHz -es raszter, és nem volt kötelező a szomszédcsatornás sugárzás elnyomás sem. Ezért aztán a detektoros hangminősége megütötte a gramafon lemezek hangminőségét.
Sziasztok!
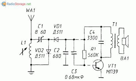
Régebben beraktam ezt a kapcsolást.--megépitettem. egészen jó,bár nem tudtam 2kOhmnál nagyobb fejhalgatót rátenni.(szükséges lenne a 4-8kOhm ? ) A Másik épitet már valaki hasonlót?
Érdekes elképzelés,még meg lehet próbálni. Ez valojaban sima deketoros egy kis erősítővel.
Szia!
S akkor ezek? Csak azért ,hogy bővüljön a látóterünk....
Kossuth adótornyától 2-5 km távban egy keretantennából készült párhuzamos rezgőkörön kb 100mV peak to peak csúcsot detektáltam 540kHz frekvenciájú jelből.
A keretantenna kb 42*42 cm volt és 18 menetes. Lehet longwire és földelő rúddal több feszültséget is kinyerhetsz.
Szia!
De ez hangfrekis jel volt? A vivőból adódó egyen mennyi volt?
Szia!
"Lehet long wire és földelő rúddal több feszültséget is kinyerhetsz." Biztosan , 33m magas "csőantennám van"(központi fűtés cső, alsóvégén földelt ) Ehhez a 7. emeleten egy kissé emelkedő vizszintes huzal antenna is csatlakozik kb 27-30m.(a közeli fa tartja a végét) A 220V-s izzóból álló"túlfeszültség levezető" szépen villog vihar esetén.(kiégett izzó ) Ezzel azért jelentős feszültségek adódnak ; Dc 10V üresen kb2 mA nél esik be 5V alá. hangfrekis jelekből is összejön a 2mW./2kOhm.
Na megpróbáltama masodik detektoros rajzot az AC tranzisztorral de nem lett hangosabb sőt még egy hasonlót de az sem, de mind a 2 működik, igaz nem ferrit antenáaval hanem a meglévő rádiómra építettem rá a dolgot.
Szia!
Mennyire közeli a "helyi adó" ? Mert nálam is csak a 10 km -en belüli ami hangos. A távoliak meg inkább rosszabbak/csillapitottak. Azért egy voltmérővel nézd meg a DC szintet.
Helyi ado nincs. A Kossuth rádió 100km r evan az eleg hangos, de egyforma a hangerő és a 140km re levő temesvári rádiónál is Szóval működnek de nem hangossabb mint ha csak diódával szólna.
Próbátlam még egy ilyet de még hallkabb is volt a többitől
Szia!
A rezgökört nagyon leterheli a "tápfesz dióda " --azt is egy leágazáshoz,(az antenna ? ) v. másik rezgőkörhöz kellene kapcsolni. S ilyen kapcsolásban a 2kOhmos fejhalgató v, illesztő trafó (akár hálózati is 230/9-12V ) szükséges. Mindig megszoktam nézni a rezgökörön mérhető DC-t meg a hangfrekit is . (néha mV mérő szükséges) A 3-10V DC már jó/ritka eredmény, ---meg a 20-100mV hangfreki is.
A dióda kivezetésen van. Ezen a rádión tesztelgettem, de nem mértem, csak hallésra mentem. Bővebben: Link
Szia!
Akkor ezt próbáld ki ---távoli Lengyel adó is jön vele.
Érdekes kapcsolás...és tök félrevezető rajzolási technika is egyben! )
Egyébként értelmetlen a második dióda csatlakozási pontja, mert így kétszer akkora antennajel szükséges ahhoz, hogy ugyanaz a DC feszültség kialakuljon a tranzisztor számára! Közös katóddal szerintem lényegesen jobb működést eredményezne... |
Bejelentkezés
Hirdetés |







ha csöves visszacsatolt audion, ha tanzisztoros reflex vagy reflex + audion. Nekem az audion mar középiskolától nagy kedvenc. Miért? Ne tudom 







