Fórum témák

» Több friss téma
Fórum » Kapcsolási rajzot keresek
 
Témaindító: Kallai Csaba, idő: Márc 11, 2006
Témakörök:
Lapozás: OK   380 / 386
(#) uniman válasza Gafly hozzászólására (») Jún 21, 2025 /
 
AI-nél azért okosabbak vagyunk: https://www.hobbielektronika.hu/apro/apro_170268.html
(De sajnos a jobb fotók alapján sem ismeri fel a gugli képalapú keresője.
A hozzászólás módosítva: Jún 21, 2025
(#) proli007 válasza uniman hozzászólására (») Jún 21, 2025 / 7
 
Azért van a mesterséges intelligencia, mert a természetes már elfogyott..
(#) Hx-2 hozzászólása Jún 23, 2025 /
 

Hang modul

Helló Mindenki!!
Orion modul rendszerű TV-kben használt hang modulátor kapcsolási rajzát keresem.
Ha jól emlékszem TBA120S és a TBA810AS van együtt!

Köszönöm!!
(#) tki válasza Hx-2 hozzászólására (») Jún 23, 2025 /
 
Talán az Elektrotanyán, az Orion TV-k szervízdoksijai közt, amikből sok van ott, egy kis letöltögetéssel és keresgéléssel.
(#) majkimester válasza Hx-2 hozzászólására (») Jún 23, 2025 / 1
 
RTEK 1998-235
(#) david87 válasza orcika70 hozzászólására (») Jún 23, 2025 /
 
Szia meg leltem a panelt a neten.
IIbiza Sound SUB 18A nak a végfok panelja.
Így már könyeb lesz service manualt találni.
(#) Hx-2 válasza majkimester hozzászólására (») Jún 23, 2025 /
 
Ez az!!! Nagyon köszönöm!!!
(#) klimás56 hozzászólása Júl 5, 2025 /
 

kijelző panel

Tiszteletem a Hozzáértőknek!
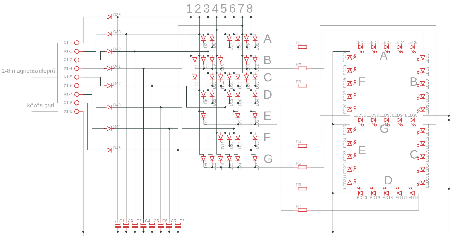
Azt találtam ki, hogy a 8 körös locsoló vezérlő kimeneteire , a segítségetekkel, csinálnék egy nagyobb méretű LED-s kijelzőt.
A vezérlő mágnes szelep kimeneteire 24V AC jön ki egy közös "0"-val. Arra gondoltam, a kijelző szegmenseit 5mm-s vagy nagyobb, 10mm-s, esetleg smd LED-ből építeném fel. A kijelző külső méretét sacc/kb 10x20 cm-ben gondoltam.
A kijelző meghajtásához kellene áramkör , valami nagyon egyszerű, ami nem haladja meg az én
nullához közeli tudásomat. Köszönöm előre is.
(#) proli007 válasza klimás56 hozzászólására (») Júl 5, 2025 /
 
Hello! Tisztázni kellene, hogy ezek szerint 8 kimeneten egyenként jelenik meg a 24Vac és ebből szeretnéd kijelezni, egy nagyméretű hétszegmenses kijelzőn, hogy az 1..8 szám jelenjen meg. Attól függően, hogy melyik locsolókörön jelenik meg a 24V? És ebből is táplálnád?
És ezek szerint a hétszegmenses kijelzőt is Led-ekből építenéd meg, 20cm-es méretben?
(#) wbt válasza klimás56 hozzászólására (») Júl 5, 2025 / 1
 
Szia! Van 74147 tip. prioritás enkóder IC (ha még lehet kapni, CMOS verzió most nem ugrik be), annek BCD kimenete meg megy egy 7447-re. Az enkóder bemeneteire meg tegyél optocsatolókat (AC opto ajánlott) persze soros 3.3K ellenállással. A BCD-dekóder kimeneteit meg ha nagy teljesítmény kell, úgy is tranzisztorozni kell a nagyobb áramok miatt. Más nem nagyon kell (-het), maximum 100Hz-el villogni fog a kijelződ (mert az enkóder csupa 1-szintnél 1111-et ad ki, arra meg a dekóder üreset jelenít meg emlékeim szerint, de ennek utána kellene nézni. Így nincs benne uC, 2db TTL...talán megfelel.
(#) zamatőr válasza klimás56 hozzászólására (») Júl 5, 2025 / 2
 
Így is megoldható (elméleti rajz) az ellenállásokat méretezni kel a ledekhez.
A hozzászólás módosítva: Júl 5, 2025

8 szám.png
    
(#) kokozo válasza zamatőr hozzászólására (») Júl 5, 2025 /
 
Szia! Ezt még erősen lehet optimalizálni, pl a 7 az az 1-es +1 szegmens, a 6 az 5+1, a 8 az meg a 6+1, stb így jelentősen csökkenthető lenne a diódaszám.
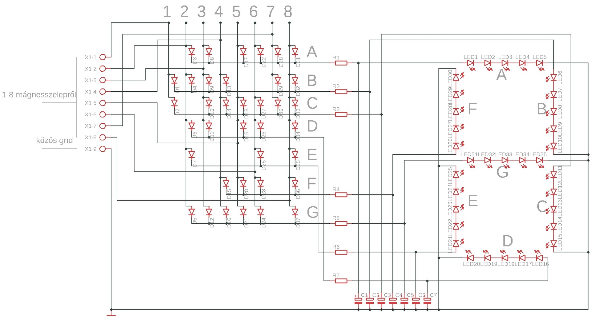
(#) zamatőr válasza kokozo hozzászólására (») Júl 5, 2025 /
 
Tessék, lehet módosítani.

untitled.sch
    
(#) proli007 válasza zamatőr hozzászólására (») Júl 5, 2025 /
 
Hello! A szegmenseket kell szűrni, nem a 8 bemenetet. Ez azt jelenti, hogy csak 7 kondi kell és minden kondi csak egy szegmens áramot szűr.
Valamint a D38..D45-ig diódákra nincs szükség.
(#) zamatőr válasza klimás56 hozzászólására (») Júl 5, 2025 /
 
Proli007 javító javaslatával így néz ki .(Nagyon sokszor kaptam már tőle segítséget, ezúton is köszönöm.)
(#) proli007 válasza zamatőr hozzászólására (») Júl 5, 2025 /
 
Ne az ellenállás után szűrj, hanem előtte. Egy-egy 100µF/50V megfelelő.
(Mert a Led karakterisztikája miatt, nehéz szűrni. Kicsit esik a feszültség, sokat esik az áram.)
(#) kokozo válasza zamatőr hozzászólására (») Júl 5, 2025 /
 
Szia! Nem bántásból írtam, ha annak vetted, teljesen jó amit csináltál, de mindent meg lehet csinálni több módon. Én teljesen máshogy állnék neki egy ilyen feladatnak. Először megnézném melyik szegmensek vannak legtöbbet használva a legtöbb kijelezendő számban (2,3,5,6,8), és ez a 3 vízszintes szegmens, ebből csinálnék 1 csoportot, a következő az 1-es szám, mivel ez szerepel az 1,3,4,7,8,-as számban is. tehát az 1-es 2 dióda, a következő egyszerű szám a 7-es ami tartalmazza az 1-est +1 szegmens. már 2 szám megvan jöjjön a következő könnyű szám a 3-as, ez az 1-es és az összes vízszintesből kirakható 2 diódával. Ennél egy szegmenssel több a 9. és így tovább.
(#) pipi válasza kokozo hozzászólására (») Júl 5, 2025 /
 
Ha a szégmens feszültsêg közeli a tápfeszhez, akkor a soros több dióda nem szerencsés, változó fényerőt okoz
(#) kokozo válasza pipi hozzászólására (») Júl 5, 2025 / 2
 
24v-ról volt szó eddig
(#) klimás56 válasza proli007 hozzászólására (») Júl 6, 2025 /
 
Hello!
Igen, egyenként (és mindig csak egy) jelenik meg a 24V AC, attól függ melyik zóna működik éppen. A kijelzőn is 1-8-ig jelennének meg az aktuális zónához tartozó számok.
Az aktuális szám kijelzését is a zónáról táplálnám meg. A méretet úgy képzeltem., hogy egy egy szegmens sorba kötött 5-8 LED-ből állna.
(#) proli007 válasza klimás56 hozzászólására (») Júl 6, 2025 / 1
 
Lassan azért már látható mit kell tenni.
(#) klimás56 válasza proli007 hozzászólására (») Júl 6, 2025 /
 
Bocs hogy az első bejegyzésem kurtára sikerült, a háttérben noszogattak.....sietnem kellett


Köszönöm szépen a gyors reagálásokat és rajzokat, ezek segítségével meg tudom oldani a feladatomat.
A hozzászólás módosítva: Júl 6, 2025
(#) kaqkk válasza klimás56 hozzászólására (») Júl 6, 2025 /
 
1-8 led "ellenőrzése?" Mi így oldottuk meg egy pic és kész ...
(#) klimás56 válasza kaqkk hozzászólására (») Júl 7, 2025 /
 
Bocs, nekem nem világos, hogy mire is írtad?
(#) kaqkk válasza klimás56 hozzászólására (») Júl 7, 2025 /
 
8 ledet akarsz egy számmal kijeleztetni ... Mi a 8 ledet 3 betűvel "írtuk ki" a (hét napjai + az eda)
De ha mikrokontrollert használsz bármi megvalósítható . PL : lcd kijelzőn kiíratod 1 zóna -2 zóna -stb ....
A hozzászólás módosítva: Júl 7, 2025
(#) klimás56 válasza kaqkk hozzászólására (») Júl 7, 2025 /
 
Húúúú! Magas ez nekem...
A célom hogy a garázs falára egy jól látható jelző kerüljön és ez mutassa sötétben az aktuálisam működő zónát 1-től 8-ig számmal. Ja és én is meg tudjam csinálni ...
(#) somitomi hozzászólása Júl 10, 2025 /
 

ST-6 tápegység

Üdv!
Mechlabor ST-6 labortápegységhez keresnék egy kapcsolási rajzot, a linken említett Texas könyvben ugyanis valójában nincs benne, az enyémbe meg már valaki belematatott.
(#) kaqkk válasza klimás56 hozzászólására (») Júl 11, 2025 /
 
akkor a 7447 vagy a 4511 es ic lesz a nyerő számodra . A 8 bemenet sokkal egyszerűbben kikapuzható BCDre mint 7szegmensre . 8 db dióda elég hozzá (És 7 db előtét ellenállás a meghajtóic és a kijelző szegmensei közé)
A hozzászólás módosítva: Júl 11, 2025
(#) műszerész szki válasza Hx-2 hozzászólására (») Júl 23, 2025 /
 
üdv. hang demodulátor modul' volt a neve, nekem van itthon egy példány.
TBA 120S', vagyis nem táv irányítós Tv.ből származik.
(#) tiborati hozzászólása Aug 19, 2025 /
 

Csöves oszcilloszkóp TR4302

Hali, restaurálni szeretnék egy nagyon leharcolt állapotú TR-4302 ( 1581/S) oszcilloszkópot.
Sajnos ennek a változatnak sehol nem találtam rajzát. Sok változat létezett belőle.Többféle rajzot találtam, de ezt sajnos nem.
Ez a műszer az alábbi csövezéssel készült:

4x ECC85, 3x EF80, 2xEL84, 3KP1
Segítségetket előre is megköszönve,
Attila
Következő: »»   380 / 386
Bejelentkezés

Belépés

Hirdetés
XDT.hu
Az oldalon sütiket használunk a helyes működéshez. Bővebb információt az adatvédelmi szabályzatban olvashatsz. Megértettem