Fórum témák
» Több friss téma |
Fórum » Akkumulátor töltő
Hello!
Megnéztem az adatlapot. Ezek szerint, az egész kapcsolást le lehetne váltani ezzel az elemmel? És mex által javasolt kondicserével javulna valamit a helyzet? Másrészről, van egy aksitöltőm, amit én raktam össze, de az csak sima trafóból és diódahídból áll. Erre szerettem volna egy áramszabályzó kapcsolást, ugyanis szabályzás nélkül, kapásból 10A körüli árammal kezd el tölteni.
Üdv!
Köszönöm a válaszod, pont erről érdeklődtem az előbb.
Hali!
Még annyit akarok kérdezni ,hogy ha a kondit 10µF-ra cserélem, úgy működhetne vagy csak 1µF körülire?
Köszönöm a válaszokat, majd már csak holnap kerül kipróbálásra a dolog, jelezni fogom, hogy jó-e vagy sem.
Jó estét kívánok mindenkinek!
Sziasztok!
Hétvégén nagykínomban terveztem egy fordított polaritás ellen védő áramkört. TINAPro-val ellenőriztem, de szeretném ha ellenőrizné valaki! A tervező a buktatókat nem látja alapon.... Felteszem .jpg-ben is, meg TINA-ban is! Ha valakinek van kedve akkor átfuttathatná egy diagnosztikán, hátha kibukikvalami! A 14,5V maga a töltő, a feszgenerátor meg az aksi. Látható hogy 10V-os aksifesznél 4,5A áram folyik a töltőkörben, amit mérés is igazolt. A Led a hibát jelzi, pl azt hogy nincs aksi a töltökörben, vagy fordított a polaritás.
Hello!
Nincs itt semmi gond, csak néhány dolgot át kell gondolni. - Nincs feltüntetve a relé tekercs ellenállása. Így nem számolható, hogy a Led árama miatt esetleg a relé elejt, vagy sem. - A Tekercs ellenállásának hiányában nem számolható, hogy a tranyó bázisosztó, biztosít-e elég bázisáramot. - Ha az R1-el sorba még egy zénert is kötsz, akkor egyben megakadályozható, hogy 6V-os aksit tegyenek a 12V-os töltőre. - Az áram számításának nincs értelme, mert ahhoz szimulálni kellene az aksi és a töltő belsőellenállását, és mint tudjuk, az első a töltés folyamán változik. üdv! proli007
Jó estét mindenkinek!
Tegnap este "beszélgettünk" a fórumtársakkal a töltőről amit csinálgatok. Mex javaslatára kicseréltem a két kondit 10µF- ra de így sem működik. Namármost érdemes ezt még tovább kínozni vagy hagyjam a francba?Ha nem érdemes akkor ha valaki tudna egy hasonló /szabályozás szempontjából/ rajzot azt meg köszönném.
Helló! Én R5-t beraknám R6 helyére, R4kivesz és a kondik a rajzon megadott értékel, próba. Üdv.: VIM
Helló!
Köszönöm.Kipróbálom eredmény csak holnap. Ma már nagyon zsibbad a fejem. Jó éjszakát mindenkinek.
Szia!
Köszi az észrevételeket! Nos a tekercs Ohmos ellenállása 160 Ohm, de szerintem a Tinában ezt beírtam. A Zener dióda jó ötlet. Az aksi töltőárama a szimuláció szerint jó, persze ahogy növekszik az aksifesz úgy csökken az áram. A töltőt úgy konstruáltam meg hogy puffer kondival mérve 14,7V a max kimenő feszültség. 100Ah-ás aksival kipróbálva a kimenő áram 14,20V-nál 1A és ez folyamatosan. Gondolom ez az aksi belső ellenállása miatt van. Kisebb aksival nem próbáltam, de szerintem annál lecsökkenhet az áram a csepptöltési szintre. Azért méreteztem a töltőt ilyen feszre hogy ne kelljen kikapcsoló automatikát tervezni, így nyugodtan rajta maradhat az aksi, akkor sem tölt túl. A töltés a gyakorlati próba során 10-14 óra 100Ah-ás akkunál ami 9,7-10V-ra van lemerítve. Kipróbáltam egy 7V-ra lemerített aksival is de azzal annyi gond volt hogy nem tartotta a töltést. Szerintem az már tönkre ment.... Most egy feszültség figyelő áramkörön dolgozom, ami figyeli a töltöttségi szintet és lekapcsol. Ez azért kell ha valaki nagyobb feszültségű trafót tud csak szerezni. Három megoldást akarok kipróbálni. Digitális (&), analóg IC-s (komparátor), tranzisztoros. Sajnos csak hétvégén van időm ezzel foglalkozni, de mindig van nállam papír toll ha beugrana valami! Üdv:bgsf
Hello!
Én csak figyelem felhívásból írtam, mert természetesen a Tinába nem láttam milyen paramétert írtál be. (mert csak a képet néztem) - A töltésvégfeszültség elmélet azért sánta, mert a hálózati feszültség változhat. Így vagy túltölt, vagy a töltés elhúzódhat a "végtelenig". (Tudom nem olyan forrón... de elvekről beszélünk) - Puffer elkó használatára nincs szükség, gyakorlatilag semmi haszna. Az aksi nem engedi magasabbra a töltőfeszültséget, mint saját pillanatnyi feszültsége, így a puffer csúcsfeszültsége is ezen a szinten lesz. Akkor mikor fog áram folyni a pufferből az aksi felé, ha a kettő feszültsége gyakorlatilag egyenlő? - Ha egyszerű figyelőt szeretnél építeni ajánlom figyelmedbe a kapcsolást amit feltette. Ha nem építed meg akkor is érdemes talán elméleti okokból áttekinteni. (A rajzon a KR11 6/7 kontaktus nem jó helyen van, a feszültség figyelő, közvetlen az aksira csatlakozik, tehát a kontaktus a híd és a töltő "kimenete" között van.) ACCU-GRD üdv! proli007
Szia!
Köszi az észrevételeket, figyelembe fogom venni. A pufferkondit csak a kimenőfesz miatt raktam be hogy tudjam mire számíthatok. A trafó egy 190-440V/24V-os trafó, úgy hogy 440-re van kötve (230V-os fesznél) a primer, és a szekunder egyenirányítás és a kondival adja ki a 14,7V-ot. Mivel a trafónak van egy 26V-os kimenete (ami ebben a bekötésben nem annyi), így a kimenő áramot lehet növelni, bár ezzel együtt jár a kimenőfesz növekedés. Ezért gondoltam egy feszültségfigyelő automatikára. Biztosítéknak egy 6A-es kismegszakítót raktam be, így bármilyen gubanc esetén nem kell biztosítékot cserélni hanem csak vissza kell kapcsolni azt. Nem a legelegánsabb megoldás, de nagyon jól működik!
Jó estét mindenkinek!
Most tudok megint foglalkozni a töltővel és azt kérdezném az R5 R6 csere után az R5 értéke az marad ugyan az.Vagy azR6 kerüljön át.
Hello!
Összedugdostam ezt a töltőt, mert bosszantott a dolog. Hát nekem sem működött. - A kondenzátorral nem lehet tisztességesen megoldani a szinteltolást, mert az 50Hz mindig rángatja. Így a gyújtófeszültség nem tudja áttörni a dióda és a Gate nyitófeszültségét. - A PUT helyettesítő áramkörrel gyakorlatilag nincs baj. Viszont egy kis impulzus trafóval simán ment. Szerintem egy kis 8m-es (vagy amilyen van) fazékmagra 1:1:1 menetszám alkalmazása mellett működni fog. Én nem tekertem semmit, de egy ADSL szűrőből kivett kis trafóval ment, sőt egy rossz kompakt fénycsőben lévő kis gyűrűmaggal is működött. Itt a kb 10 menetet kötöttem a PUT áramkörhöz, és kb.2* 5 menetes tekercseket a tirisztorhoz. (Az egész mag kb 8*3mm) - A tekercsek menetiránya fontos, a menetszáma, huzalátmérő szinte mindegy. A rajzon kis pöttyel jelöltem a tekercs kezdeteket. - Remélem a trafód olyan 2*12..V-os mint amilyen a rajzon van, mert eredetileg egy hídról beszéltél. A kapcsolásban a D1 felesleges, viszont a D6-D7 helyett 1N4001..4003-at alkalmaznák. Remélem így már fog működni, mert így legalább valami tisztességes képet mutat a vezérlés. (Bár én csak egy triac-kal tudtam kipróbálni.) üdv! proli007
Szép napot!
Köszönöm szépen a rajzot és a számomra is érthető magyarázatot.A trafó az 2*12 250VA biztonsági tr.A hidat azt úgy értettem hogy a diódák graetzbe kötve. Kompakt cső is van rossz csak ki kell kukáznom mert asszonykám kidobta.Az éppen bosszantó, hogy vadi új volt fél év garival csak a gyerek egy napon belül összetörte. Ja azt majdnem elfelejtettem hogy közben elfüstöltettem az egyik tirisztort várnom kell még beszerzek belőlük addig is átalakítom a panelt meg megbütykölöm a magot. Addig is még össze nem tudom rakni a kütyüt mindenkinek megköszönöm az építő jellegű segítséget. További szép napot fater .
Hello!
Tovább vizslattam a dolgot, mert a rajzot tanulmányozva, annak működnie kellett volna. És sajnálattal meg kell állapítanom, hogy az eredeti felállás is működőképes. Nem volt kedvem kotorni a tirisztorokat, a triac-ot meg fordítva kötöttem be. Már mint a Gate-katód-ot. (Csak a triac más világ, az gyújt negatív Gate feszültségre is...) Lehet ezt a hibát követted el Te is a TO220-as tokkal, mert "rendes" tirisztornál ez a hiba elég látványos lenne. Szóval a lényeg: - A PUT kapcsolásnál mikor a C1 feszültsége (T1 emittere) magasabb lesz, mint a T1 bázis feszültsége, a C1 kondit a tranyók kisüti az R7 ellenállásra. Így azon kb. 1..2usec hosszú, R4-R6 feszültségosztó által meghatározott nagyságú tűimpulzus keletkezik. - Ezt az impulzust differenciálja a C2-R8 tag. A kondi töltési idejét alapvetően az R10 határozza meg (Put-dióda-tirisztort elhanyagolva), ez kb. 22usec. Tehát az 1-2usec impulzust simán átviszi. A kondi kisütési idejét az R8 határozza meg, mely 150usec alatt végbemehet. Ez bőven elegendő a 10msec félperiódus legkisebb gyújtásszögéhez mérten is. Szóval a 100nF kapacitásával nincs baj. - A kapcsolás leglényegesebb része, a D4..D7 dióda. Alapvetően a D6/D7 egyenirányítja a PUT áramkör részére a váltófeszültséget, így a zéner dióda kétutas jelet kap. Viszont ezek a diódák, nem csak egyenirányítanak, hanem "kommutálják" is a tirisztor vezérlését. Egy tirisztor, csak akkor vezethet, ha az anód feszültsége pozitív. Ilyenkor kell a pozitív gyújtóimpulzust, a Gate-re vezetni. Amikor a TI1 tirisztor anódja pozitív akkor a hozzátartozó katód negatív (V1). Így a D6 vezetni fog és az áramkör GND pontja ennél csak 700mV-al magasabb lesz mint a tirisztor katódja. Tekintve, hogy a gyújtóimpulzus a GND ponthoz mérten állítjuk elő, és ennek feszültsége pozitív, a D5 diódán keresztül a gyújtóimpulzus a Gate-ra kerülhet. Közben a TI2 tirisztor katódja (V2) plusz periódusban van, így a D7 dióda zárva van. Mivel a TI2 Gate is ezen a plusz potenciálon van, a D4 dióda szintén ez idő alatt zárva van. Így a gyújtóimpulzus, nem kerül ki a TI2 Gate-re. A működést így megértve, látható, hogy a differenciáló tagokra semmi szükség, ezek nélkül is működik az áramkör vidáman, mint ahogy a próba is igazolta. (rajz mellékelve) A lényeg, a diódák kommutációja. A 100ohm itt, csak korlátozza a PUT felől érkező gyújtóáram nagyságát. Mind ez mellett fenntartom a véleményem, hogy a trafós megoldás a legtisztességesebb. Így nem kell kommutálni, és a PUT áramkör is olyan feszültségszinthez csatlakozik amilyenre csak akar, mert a trafó biztosítja a kellő galvanikus elválasztást. üdv! proli007
Szép napot!
Hát a füstölésnél én voltam a hunyó mert rövidre zártam az anódot és a gate-et. Szó ami szó elég látványos is volt szép nagy füst még ki is gyulladt úgy kellet elfújkálni. A bekötés biztos jó mert az adatlapot megnézve kötöttem be. Na akkor most ez szerint fogom meg csinálni ha meglesz a tirisztorom. Még egyszer köszönöm az elmepallérozást az ember mindig tanul. További szép napot fater.
Hello!
Amíg nem működik, nem érdemes az aksit rátenni. Elég egy izzó is, akkor talán kibírta volna. Amúgy a Gate-Anód próbánál, mindig egy 22..100ohm-os soros ellenállással érdemes próbálni. Ja, és fél tirisztorral is ki lehet próbálni. üdv! proli007
Sziasztok !
És ehhez a kapcsoláshoz mit szóltok ? proli007 elsősorban Rád gondoltam - de másoknak is szabad - hogy szakmailag nézd meg légyszi' hogy érdemes-e hozzáfogni ? És talán a trafót is ki lehetne váltani egy PC tápegységgel - annak kismértékű módosításával. Ha netán nem látszana jól, vagy valakinek megvan jobb minőségben: RT ÉK 1993 230. oldal. Köszi !!!
Hello!
- Működő képesnek tűnik a dolog, bár az U/I szabályozása elég összetett. Vannak benne szellemes megoldások is. Minden esetre a töltés karakterisztikáját megnézném. (Miért nem vágjátok le a képről a felesleges dolgokat? Szinte nem látható a rajz, a szöveg, meg ahogyan kisilabizálom, nem is ide tartozik.) - A PC tápot el lehet felejteni! Ez egy tirisztoros vezérelt egyenirányító, ami 50Hz-et kíván a trafóról! A PC táp frekvenciáján "érdekes dolgokat" művelne. (Úgy látom, vagy nem nézted meg, vagy nem érted ezek működését, mert akkor ilyen kérdést nem tettél volna fel.) üdv! proli007
Bocs, máris fölteszem sallang nélkül....
....igen azért is kérdezem, mert nem tudtam, hogy egy ilyen jellegű szabályozás nem bír el 50 Hz-nél nagyobb frekit. Igen be kell vallanom, hogy ebben a témában az elméleti jellegű tudásom eléggé hiányos....
Jó estét!
Most tudtam összedobni az áramkört.Szépen működik fajintosan szabályozza az égőt. Mértem az áramot is 2,5A alatt már vibrált az égő.Rámértem a feszre és durván 5V kevesebbet mértem mint ami a trafóról le jön. Ez lehet a tirisztor gate feszültsége mármint az 5V? Választ köszi. Üdv! fater.
Hello!
- Ezzel az egyszerű kapcsolással, nem lehet a gyújtásszöget túl nagy tartományban szabályozni. De nincs is rá szükség, mert a valóságban az áramkör azért nem úgy működik, mint egy izzóval. Tekintve, hogy a tirisztor csak akkor gyújt, ha az anódfeszültsége nagyobb mint a katód. Ez csak akkor valósul meg, ha a szinusz pillanatnyi feszültsége 1-2V-al magasabb, mint az aksi feszültsége. Töltőáram csak ebben az időben folyhat. Pont ezért az átlagáramhoz képest (amit a műszer mutatna) a csúcsáramok sokkal nagyobb értékűek. Egyszóval, hogy a töltő mit csinál kis áramok esetén, mikor izzó van rajta, nem mérvadó. - Az 5V-ot én úgy értettem, hogy az izzón mérted. De annak a tirisztor Gate feszültségéhez szinte semmi köze. Azt egyébként sem tudod mérni, mert az csak 1..2us idejű impulzus, 10ms ismétlődési idővel (még a szkópnak is keserves a fényerő miatt). Aminek amplitúdója a PUT billenési feszültsége lenne (osztóellenállás és Zéner függvénye). De mivel azt az impulzust a Gate-katód nyeli le, ami itt egy nyitott diódának felel meg, így csak kb. 1V csúcsértékű. - De hogy a műszered 5V mellett mit mér, az sem mérvadó. Eredetileg átlagértéket méri de a jel nem egyenáram, hanem lüktető negyed-félperiódus, így a jel formatényező korrekcióját a mérés elvégezni nem képes. Analóg Deprez műszer jobban megközelíti a valóságot. De hogy egy digit mit mér, azt általában sűrű homály fedi, kivétel ha True RMS műszer ami valóban a négyzetes középértéket képes mérni. De ezt sem feszültségként lehet értelmezni, hanem inkább a jel munkavégző képességével egyenértékű egyenfeszültségnek. Na, bocs! Úgy látszik nem vagyok képes egyszerűen fogalmazni. üdv! proli007
Helló!
Köszönöm a választ.Azért most már nem annyira bonyolult mint a legelején kezdem kapisgálni a tirisztor működését.De professzor sosem leszek belőle.A True RMS műszerekről már olvasgattam hogy mi a különbség a digit és ezek között. Na még egyszer köszönöm a segitséget.Majd holnap feldobom az akksira és meglátom mit alkot. Addig is nyugodalmas jóéjszakát. Üdv! fater.
Sziasztok!
Modellezéssel kezdtem el foglalkozni és a robbanómotorokhoz be kellett szereznem egy startpadot, amit akksival kell működtetni. A modellboltban nem vettem meg arany árban a szükséges akksikat. Fórumokon olvastam, hogy a szünetmentes táp akksija is megfelel hozzá. 12 V 7A a villanymotor igénye. A szünetmentes táp 7A 12 voltos. A töltésével lenne gondom. Hogy lehet feltölteni? Szeretném az autó akksitöltőjével feltölteni, az elvileg automata, lehet rajta választani mit akarok feltölteni, és a motorakksi töltőfunkció kb. megfelelne. Vagy egy 350 mA-es töltővel 20 óráig töltsem? Mi a szabálya a töltésnek? Kis töltöárammal sokáig? üdv A.
Álltalában az Ah egy tizedével töltünk. Tehát 7Ah-ás akkumulátort 700mA-rel.
Az öregek szerin a legegyszerübb töltő 230V után egy dióda, aztán egy 230V-os izzó sorosan, és megy az akkura.A dióda miatt csak a poz félhullámok jutnak az akkura.Izzó teljesítménye korlátozza a töltőáramot.Mi a véleményetek?Elvileg az akku nem megy tönkre...?
hegusp
Nem megy tönkre, mert kicsi az áram, de a kis áram miatt sokáig is tart, mire feltöltődik. 200W-os izzóval az áram kb. fél amper, ezzel egy 55Ah-s akku kb. 110 óra alatt töltődik fel, ami közel öt nap. A lassú és lüktető áramú töltés valószínűleg jót tesz az akkunak, de akkor már vegyünk egy trafót, és töltsük azon keresztül, az legalább nem annyira veszélyes.
A nagyobb gond az vele, hogy nincs a hálózatról galvanikusan leválasztva, ezért életveszélyes.
Sziasztok!
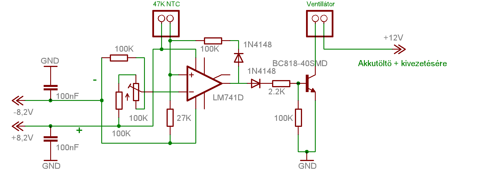
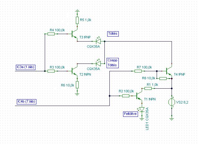
A Ki, mit épített? topicban bemutatott készülékhez itt írnám le az utánépítéshez szükséges információkat. Először is tisztáznám hogy a kapcsolás nem az én szellemi termékem. Az eredeti rajz megtalálható a Rádiótechnika 2008/1-es számában. Éppen ezért nem szeretném itt egy az egyben leközölni. Viszont az általam végzett változtatásokat és a nyáktervet, mely szintén saját, szívesen megosztom. Az egyik lényeges kiegészítés egy ledes visszajelző a töltés állapotáról, melynek elvi rajzát mellékelem. A rajzon feliratoztam hogy hol kapcsolódik az eredeti áramkörhöz. A másik lényeges változtatás a trafó. ETD39 helyett a Lomexben viszonylag olcsón beszerezhető ETD34-es magra készült. A következőképpen: Primer tekercs: 44 menet 0,5mm átmérőjű zománcozott rézhuzalból. Ebből 22 menet a szekunder alatt 22 menet pedig fölötte. Szekunder tekercs: 2x5 menet 2x10x0,3mm-es zománcozott rézhuzalból. A2x10x0,3mm azt jelenti hogy 0,3mm átmérőjű huzalból 10 szál összesodorva és ebből a sodratból 2db párhuzamosan tekerve adja az egyik 5 menetes szekundert. A másik 5 menet ugyanígy, tehát összesen 40 szál a 2x5 menetes szekundernek. Azért nem sodortam össze a 20 szálat, mert túl vastag lett volna és nem fért volna el a rendelkezésre álló ablakban. A trafó légrése pedig 0,07mm (egy réteg lyukacsos szélű számlapapír volt amit beraktam), így a primer tekercs induktivitása 1,37mH lett. Ezenkívűl a trafó az eredeti kapcsolásban 50KHz-en járt, én ezt megemeltem 70KHz-re. Ezért az eredeti rajzon szereplő R8 11K ellenállás helyett 8,2K ellenállás kell. Valamint beépítettem egy ventillátor vezérlőt melynek érzékelője a trafó hőmérsékletét figyeli, és ennek függvényében kapcsolgatja a ventillátort. Felhívnám a figyelmet hogy a Rádiótechnika 2008 Januári számában közölt elvi és nyákrajzhoz megjelent egy javítás a februári számban mely szintén hibás! A szekunder tekercs közös pontja mindkét esetben a szekunder oldali GND-vel össze van kötve ami nem jó! A szekuder tekercs közös pontja csak! az R32, R33, R34, R39 közös pontjával kötendő össze, a szkunder oldali GND pedig az R33, R34 akku-minusz felöli oldala. A nyáktervemen néhány alkatrész telefóliás GND-re történő csatlakozása nincs feltüntetve, ezeket a kitöltés után rajzoltam be, valamint több helyen össze van kötve a nyáklap felső és alsó oldali GND-je melyek szintén nem szerepelnek a rajzon. Ezekért elnézést kérek, nem gondoltam a tervezéskor hogy nyilvánosságra kerül a nyáktervem és ezáltal a hanyagságom. Ha valaki szeretné utánépíteni és bármilyen kérdése van szivesen válaszolok. |
Bejelentkezés
Hirdetés |
















