Fórum témák
» Több friss téma |
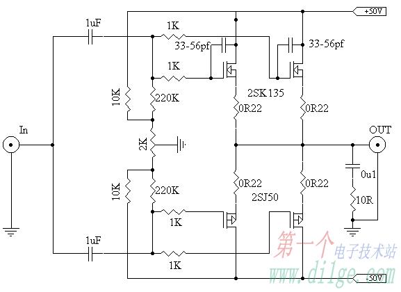
Az 220k, ne forrald a hangulatot...
Na ne viccelj ... epp azert irtam az utso mondatot, hogy ne legyen felreertes.
Forralni majd az A osztalyu erositod fog ... jo sok vizet ha megepited Szerk.: megneztem a tobbi K betut a rajzon. Elnezest .. elneztem, de en R-nek olvastam. Bocsanat, az elso kerdesem torolve! A masodik azonban ervenyes
Na es megvalami: kotozkodes sztem akkor lenne ez a dolog ha azt kifogasolnam hogy milyen betu all a rajzon az ohmos v. kiloohmos ellenallasoknal. Ugyanis ilyen kezzel rajzolt esetekben celszeru vagy az ohm jelet odabiggyeszteni az ohmos ellenallasok utan vagy semmilyen jelet (betut) sem kell odairni es akkor egyertelmu, hogy ohm-rol van szo. A kiloohmnal pedig okes a K betu. Nem kezzel rajzolt abrak eseten egyertelmuen megkulonboztetheto az R es a K betu ha normalis fontokat hasznal az ember.
Igazad van, nem a legszebb az írásom, a bemeneten 220K-s ellenállás van.
Hogy miért a nagyfrekis FET a bemeneten, a mindenható isten (és a tervező) tudja, agyaltam rajta már én is, de nem tudom. De biztos van aki tudja rá a választ. Nem vettem kötözködésnek amit írtál, Lamalas!
Nekem is lenne egy kérdésem, hogy most akkor tulajdonképpen ez kinek a tervezése? Írtad, hogy le van védve egy márka által, esetleg lehetne utalni rá mely cég ez? Csak a tudományos kíváncsiság miatt.
Üdv.
Az úriember aki tervezte, a kilencvenes évek elején, már nem él.
Lehet hogy a cég sincs már meg olyan formában amikor ezt gyártották, mindenesetre arra emlékszem hogy levédett kapcsolásról van szó. A cégnevet megint ne kérdezd, hiányos a tudásom.
Arra csak emlékszel milyen gyártmány volt ez? Pl : Sony, Philips, ijesmi.
Sajnos nem egy nagy, ismert márka gyártotta.
Így nem tudom megmondani, de utána tudok kérdezni. Időbe telik. Ha tényleg érdekel.
Áh, annyira nem fontos, csak kíváncsi lettem volna mely gyártó terméke.
Itt egy nagyon hasonló végfok, csak ez +- tápos és 2 pár fettel. És talán nem A-osztályú beállításban.
Szia!
Igen, nem A ostály és egyszeres a feszültség erősítése, csöves hibridek végére szoktak ilyet tenni. De ez már igazán hasonlít: The Complementary Zen Itt nyákterv is található hozzá itt: Kompelenter ZEN PCB Ez tényleg korekten méretezett kapcsolás, ha már egy-két félvezetővel akar erősítő építeni az ember.
A FET-es is korrekten méretezett, és csak hasonlít.
Ha konkrétan két (egy "N" és egy "P" csatornás) félvezetővel akarsz végerősítőt csinálni, az egyik legjobb, szerintem. Az egyik havernak van egy ilyen komplementer Zen végerősítője, kipróbáljuk szerintem a FET-eshez tervezett előfokkal meghajtani, aszt' meglátjuk mi van.
Én 12V-os táppal szeretném ezt megépíteni a hétvégén.
egy 4ohmos 20w-os hangfallal történő játszadozásra. Ekkor annak a 47 ohmos ellenállásnak hány wattosnak kell lennie?
Nekem is 12V-tal megy, de vigyázz, dupla táppal kell tápolni, vagyis 2*12V ! Én 2db 9V-os 12W-os trafót használtam ehhez. Amúgy 5W-os ellenállás elegendő. Forró volt de nem vészes.
Persze-persze tunning ATX tápot gondoltam, de hirtelen jobban megtetszett a másik kapcsolásod IC nélkül.
Amúgy IC-ből az OPA552 szimpi, de nincs vele tapasztalatom. tudom. olvastam a cikkedet, és pont az alapján "került látótérbe" az opa.
Ahogy gondolod. Világmegváltást azért ne várj egy IC-től. Véleményem szerint jobb mint a 150Ft-os IC-k, de közel 10X annyiba kerül.
A kép címe és a skiccen is JPF van.
ennek viszont van honlapja is.
http://www.jpfamps.com/about.html
de szerintem ez nem az... ez egy gitárerősítőket javító cég, az meg elvileg egy audiofil erősítőket építő...
Jah, ez nem az....
Építsed inkább meg az erősítőt.....
Ja ezt találtam én is a betűk alapján.
Én biztos meg fogom építeni, amint összeszedtem a cuccot hozzá.
Mindegy milyen Zenert teszek a tápba?
Nyitófeszültsége 3-4V-tal magasabb legyen mint a kívánt tápfesz.
Amúgy mindegy mert nem megy rajta nagy áram...
Lassan beindul a FET-es projekt, tegnap megjött a trafó. (2*24V, 400VA) Remélhetően a csomagom is kész lesz a HE-storenél.
Addig is aggódom a tápban lévő 2N3771 hűtése miatt. Fogalmam sincs, mennyire melegszik. Egy ilyen hűtőbordám van. Ez vajon elég hozzá?
A tápban lévő áteresztő melegedése arányos a rajta átfolyó árammal, és a rajta eső feszültséggel. Az általad belinkelt hűtőborda nevetségesen kevés, oda valami hasonló méretű kell, mint a FET-eknek, gondolván, hogy mindkét csatornát ez a tranzisztor látja el. Az pedig 4-5A minimum.
Szerk: Ha a szobádban 24 fok van, a tranzisztoron meg esik 25W teljesítmény, ez a borda 6x25+24=174 fokra melegszik fel. A tranzisztor lapkája ettől még melegebb lesz, amit nem sokáig visel el. Szétégetné a panelt is, és jól meg is sütne.
Külön táp lesz a két csatornának.
Nekem is kicsinek tűnik a borda.... Na majd lecserélem jól.
Ha külön tápja lesz, akkor is kicsi. Ettől jóval nagyobb kell.
|
Bejelentkezés
Hirdetés |





tudom. olvastam a cikkedet, és pont az alapján "került látótérbe" az opa.




