Fórum témák

» Több friss téma
Fórum » Elektronikában kezdők kérdései
- Ez a felület kizárólag, az elektronikában kezdők kérdéseinek van fenntartva és nem elfelejtve, hogy hobbielektronika a fórumunk!
- Ami tehát azt jelenti, hogy a nagymama bevásárlását nem itt beszéljük meg, ill. ez nem üzenőfal!
- Kerülendő az olyan kérdés, amit egy másik meglévő (több mint 17000 van), témában kellene kitárgyalni!
- És végül büntetés terhe mellett kerülendő az MSN és egyéb szleng, a magyar helyesírás mellőzése, beleértve a mondateleji nagybetűket is!
Lapozás: OK   707 / 4047
(#) vgerp válasza (Felhasználó 13571) hozzászólására (») Nov 27, 2009 /
 
Az alap kérdés az volt hgy az dugvillát lecserélhetem-e normális európai szabványra?
Lehet én nagyon nem értek a dologhoz de nem értem ezt amit leírtál hogy lehetne megcsinálni
(#) vgerp hozzászólása Nov 27, 2009 /
 
Oks értem megpróbálom megcsinálni köszi a segítséget.
(#) lori78 hozzászólása Nov 27, 2009 /
 
Sziasztok!
Csak most kezdem tanulgatni ezt a területet és érdekelne, hogy egy transzformátort hogyan mérünk be multiméterrel. Mindkét oldalán mérünk feszkót és ellenállást? És a primernél és szekundernél is a kapcsoló AC állásával mérünk?
(#) elektroszabo hozzászólása Nov 27, 2009 /
 
Szép estét!

Megnéznétek nekem ezt a kapcs rajzot hogy jól csináltam e meg a nyák rajzát.
(#) lori78 válasza (Felhasználó 13571) hozzászólására (») Nov 27, 2009 /
 
Köszönöm,
tényleg sokat segített, de valahogy csak nem sikerült kiszűrnöm a választ a kérdéseimre belőle...
(#) saraha válasza lori78 hozzászólására (») Nov 27, 2009 /
 
Azt,hogy jó-e a trafó csupán úgy,hogy megméred multiméterrel a tekercsek egyenáramú ellenállását, nem lehet megállapítani (csak ha nagyon profi vagy)és ismered az egyéb paramétereit, mert lehet pl: menetzárlatos is.
Természetesen váltakozófesz. van a pr. ill. a szek. tekercsen is.
Olvasgass még a témában mert az ilyen kérdésektől az ember a falra mászik.
(#) lori78 válasza saraha hozzászólására (») Nov 27, 2009 /
 
Majd igyekszem!
És köszi!
(#) elektroszabo hozzászólása Nov 28, 2009 /
 
Sziasztok!

A BF961 mivel helyetesíthető?
(#) elektroszabo válasza (Felhasználó 13571) hozzászólására (») Nov 28, 2009 /
 
KöszI
(#) Mtt591 hozzászólása Nov 28, 2009 /
 
én szeretnék egy 4 gombos távirányítót készíteni
(#) Rainbow15 hozzászólása Nov 28, 2009 /
 
Sziasztok!
Olyan kérdésem lenne, hogy egy sima fejhallgatós mikrofon mikrofonja milyen mikrofon? Kristálymikrofonra lenne szükségem, ez az lehet?
Ha nem, kapok ilyet elektro boltban?
(#) Medve válasza Rainbow15 hozzászólására (») Nov 28, 2009 /
 
Nagy valószínűséggel elektret mikrofon lesz. Hogy kristálymikrofont kapjál...ahhoz szerintem kell némi szerencse, inkább egy elektret miki impedanciáját kellene transzformálni, hogy a kapcsolásod kristálynak lássa.
(#) Rainbow15 válasza Medve hozzászólására (») Nov 28, 2009 /
 
Ezt szeretném megépíteni, nem tudom, mennyire fontos, hogy kristály mikrofon legyen.
(#) kadarist válasza Rainbow15 hozzászólására (») Nov 28, 2009 /
 
Szia!

Csináld meg így a bemenetet, mint ahogy ennél az áramkörnél van, és akkor elektret mikrofonnal lehet elkészíteniBővebben: Link De ennek min. 3V kell.
(#) Hujikolp hozzászólása Nov 28, 2009 /
 
Üdv!

Van egy motor, amit be kellene üzemelnem. 2 pólusra. Ha jól értelmezem az ábrát, akkor a 230-at az 5-ös és 6-os csatlakozóra kell tenni. A fázisjavító kondit, pedig a 2-5-re.
Viszont hogyan kössem be a 12 pólust? Megy a hatosra a fázis egyik része, és ha a 4-esre kötöm a másikat, akkor csillagban lesz, ha pedig az 1-re, akkor deltában? És akkor ott a kondenzátort hogyan kellene?

Illetve, melyik kondenzátort javasoljátok, hogy betegyem?
(#) kadarist válasza Hujikolp hozzászólására (») Nov 28, 2009 /
 
Szia!

A rajz magáért beszél. A kapcsoló a forgásirányváltás miatt van ott. Simán kösd be 12 pólusra, és menni fog lassú fordulaton.

motor.JPG
    
(#) Rainbow15 válasza kadarist hozzászólására (») Nov 28, 2009 /
 
Köszönöm!
(#) Hujikolp válasza kadarist hozzászólására (») Nov 28, 2009 /
 
És a kondenzátort hogyan kellene bekötni ott?

2 pólusnál melyik kondenzátort tegyem be? A műanyagos nekem jobban tetszik
(#) kadarist válasza Hujikolp hozzászólására (») Nov 28, 2009 /
 
Mindkettő tökéletes. Úgy látom egyformák a paramétereik.
(#) cszotyi válasza kadarist hozzászólására (») Nov 28, 2009 /
 
Helló!
A két kondenzátor nem egyforma kapacitású, az egyik 6 a másik pedig 16 mikrofarados. A motor adattábláján pedig az írja, hogy mindkét sebességre 11 mikrofarados kondenzátor kell.
(#) moltam hozzászólása Nov 28, 2009 /
 
Hellosztok.
Sikerült 15V ról beindítanom egy színes monitorképcsövet már csak a vízszintes eltérítést kellene megoldani. Szerintetek hogy csináljam meg az eltéritő áramkört?
(#) kadarist válasza cszotyi hozzászólására (») Nov 28, 2009 /
 
Igen, az egyest elnéztem. A 16-ost próbáld ki a motorral.
(#) kadarist válasza moltam hozzászólására (») Nov 28, 2009 /
 
Szia!

Kukázz egy Orion Uranus, vagy Mátra függőleges eltérítő modult. Azon minden rajta van, könnyű boldogulni vele.
(#) moltam válasza kadarist hozzászólására (») Nov 28, 2009 /
 
TDA1170 es panelt? Mátrám van de az működik nemrég cseréltem benne sorkimenőt. Azt szétszedni nem fogom. Van egy VT panelem megpróbálom megcsinálni azzal.
(#) Hujikolp válasza kadarist hozzászólására (») Nov 28, 2009 /
 
Köszi, működik rendesen!
(#) kadarist válasza moltam hozzászólására (») Nov 28, 2009 /
 
VT-vel komplikáltabb, mert a képméret és linearitás poti nincs a panelen. Kis kiegészítéssel teljesen jó az is.
(#) gkari válasza cszotyi hozzászólására (») Nov 28, 2009 /
 
Lehet, hogy mégis az adattábla igaz.Az IMI jónéhány pólusváltós motort gyártott, ezek között volt olyan, melynek csak egyféle segédfáziskondija volt - pl. konkrétan - az ERKEL magnó kétfordulatsz. motorjához csak egy 6µF-os. Ki lehet próbálni, ha forog, és nem melegszik terhelés nélkül, akkor biztosan jó.
Üdv!
(#) dtomi86 hozzászólása Nov 28, 2009 /
 
sziasztok!
pic-ekkel kapcsolatban szeretném kérdezni, hogy az órajel kristályukhoz képest milyen gyorsan tudnak elvégezni egy-egy műveletet? egy propeller 'display'-t szeretnék készíteni, hasonlóan az órához, de nem után építeni szeretnék.
a 16f628as pic 20Mhz kristállyal is működik, azonban ha a piccel egyetlen ledet szeretnék villogtatni, annak körülbelül mekkora lehetne a maximum frekvenciája?
jó lenne ha a 100 kHz-re is képes lenne, hiszen a propelleren nagyon rövidre kell időzíteni egy-egy led felvillanását, ezenfelül ugye számolgatnia is kell.
tudtok esetleg egy propeller clock leírást, ahol részletesebben le van dokumentálva az építés?
köszönöm előre is a választ/okat
(#) Hp41C válasza dtomi86 hozzászólására (») Nov 28, 2009 /
 
Szia!

A 20 Mhz-es 16Fxx 5000000 utasításciklust tud végrehajtani 1 másodperc alatt. Minden utasítás 1 ciklus alatt végrehajtódik, kivéve a 2 ciklusú ugrásokat / szubrutin hívásokat. Egy ledet 3 utasítás cikus alatt lefutó programmal is lehet villogtatni, ami 5/3 MHz-t jelent.
A cikkek között van egy a Propeller óráról, a fórumon külön 270 oldalas topik foglalkozik vele.
Több kontrollerrel megépítettük már: 16F628 és 16F648A -tal 17 leddel, 16F876 és 16F886 tal 20 leddel...

Szia
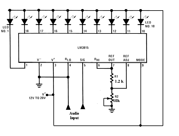
(#) jdani hozzászólása Nov 29, 2009 /
 
Hali. Van ez a kivezérlésjelző. Már jó pár éve megvan. A gond az vele, hogy mostanság a LED-ek (mindegyik) halványan világítanak, még akkor is, ha nincs bemenő jel. Mi a gond, mit cseréljek? Tranyókat, ill. egyet már kicseréltem, de ugyanaz volt a gond.

Link javítva. Légy szíves, kicsit jobban figyelj! Nem olyan bonyolult.
Kösz: Frankye
Következő: »»   707 / 4047
Bejelentkezés

Belépés

Hirdetés
XDT.hu
Az oldalon sütiket használunk a helyes működéshez. Bővebb információt az adatvédelmi szabályzatban olvashatsz. Megértettem