Fórum témák
» Több friss téma |
Fórum » NYÁK-lap készítés kérdések
A témában nincs helye a nem szakmai indíttatású vitáknak, ezért a szabályszegést elkövetők azonnali figyelmeztetés nélküli kitiltásban, vagy némításban részesülnek. Ugyan így járunk el azokkal szemben, akik "blog"-nak nézik a fórumot. Ezt mindenki tartsa szem előtt!
Üdv mindenkinek!
Keresek hozzáértőt egy tönkretett fényképezőgéphez. Szétszedés alkalmával eltört egy hajlékony vezető sor, ez olyan ami egy nyákot és egy gombok panelját összeköti.
Akkor irány tesztelni egyet, előmaratásos módszerrel!
Szó szerint a henger van belülről fűtve ?Érdekes megoldás de biztos hogy ideálisan meleg mindenhol. Na mindegy a lehetőség és a kreativitás majd behatárolja,az én megoldásomat meg az amatőr leleményesség. Minden esetre köszönöm az infót .
üdv zombre
ÍÍÍ az eléggé nehéz dió lesz.
Tudsz róla képet föl tenni, hogy néz ki? Tudodm, hogy a fényképeződ ment tönkre de hátha.
A 3000 Ft-os Tesco-sban így van.
De meggyőződésem, hogy az általad rajzolt a jó. Annyira így gondolom, hogy én már két napja hozzá is kezdtem az átalakításhoz. Az hátráltat, hogy össze kell raknom a lemezhajlítómat, mert az 1mm lemezt nem tudom máshogy normálisan meghajlítani. (De az is lehet, hogy csinálok inkább egy másik maszkot, vékonyabb lemezből.) Tehát a magasabb hőfok érdekében, inkább közelebb teszem a hőforrást !
Nem a hengerben van a fűtés a laminálókban, csak a hengerhez közel, de mindkettőnél van egy, igen.
Amit rajzoltál, az pont így van a gyáriakban. Vagy pont azt akartad megmutatni?
A gyári toner biztosan jobb lenne, de olyan drága, hogy annyiért kapsz egy akciós HP-t, vagy Samsungot.
Valószínű igazad van !Csak ezek az akciósokban is csak annyi por van mint a szememben .Aztán kezdődik elölről a dilemma .Az én OKI-B4100 -at 25ezerért vettem akciósan kb 50 oldalra elegendő porral .Aztán vettem után töltő port
Aztán vettem után gyártott komplett tonert Aztán hogy jól jöjjek ki a netes csomag küldéssel mindjárt többet vettem Igaz papírra nyom valami szürkét . De én pontosan azért vettem a printert is hogy nyákot csináljak magamnak .Ez a hobbim de többé nem veszek sz@Azért írtam le hogy a kispénzű amatőr társak óvatosabbak legyenek mint én voltam
Én is így jártam, látod. Valószínű ha kifogy, másik nyomtatót veszek(nekem "csak" 16e-ben van).
Még annyit, hogy próbáld meg beállítani az Átviteli beállításoknál és a tónusnál az értékeket, hátha jobb lesz. (Start menü OKidata/StatusMonitor ott a Nyomtató beállításai/Végrehajtás majd Karbantartás menü. Próbálj minden mást is sötétre állítani és jó minőségűre állítsd a felbontást.
Sziasztok!
Egész jó a téma 3000ft-s laminálónak: Mekkora az áttétel, a motor és a gumihengerek között? Valamint, mennyi a legkisebb nyáklaminálási sebesség? ![]()
Sajna a laminálás alapja a jó printer!
De az az érdekes hogy a tied eredeti toner fullon van és mégse igazi a fedése .Akkor hiába küszködnék ezzel a megoldással ezzel a printerrel nem lesz jó nekem se eredeti toner vásárlása esetén sem .Lenyelem a békát megint és használom valami alantas papír printelésre . És kell nézni egy másik printert ami tuti jól fed ha filmre vagy műnyomóra printelek .Szóval
Az áttételt nem tudom, de a gyári sebesség a gazdaságosabbnál 300mm/perc körüli és nem állítható. A vezérlő áramkörrel 10mm/percre is le lehet vinni.
Tőkéletes, számolásom alapján 1:1-ben hajt a motor (300mm/percnél) Köszi!
Szia, próbálkozom:
Azt hittem sima egyenes, de ez speckó. Nem hiszem, hogy tudod helyettesíteni mással. Nekem van egy kipurcant gépem, holnap bele nézek, van-e benne szalagkábel. Ez amúgy milyen gép?
Szia
Ezt javítani nem tudod, csak cserélni. Ez már nem is szalag kábel, hanem fólia kábel. Más, esetleg nagyobb vezeték meg nem fér el. Szerviz. Nekem a Fuji7000-em járt így 4 éve De ha esetleg nikon, akkor lehet van az egyik általam ismert kupacban. Idézet: „számolásom alapján 1:1-ben hajt a motor (300mm/percnél)” Ezt nem hiszem, mert a motornak nézett egység, egyben egy hajtómű is. Egyébként nagyobb rajta a fogaskerék, mint a hajtott tengelyen, így a hajtómű tengely még lassabb is... Ha nem erre a motora gondoltál, jelezd!
Idézet: „Amit rajzoltál, az pont így van a gyáriakban.” Igen.
A motor hajtásán lévő fogaskerék kicsit nagyobb mint amit hajt a hengerek végén kb 5-6 lehet a fordulat a henger kerülete adja meg a sebességet azt nem mértem meg de olyan 40mm lehet kb ezt megszorzom hattal 200mm körül megy percenként a lamináló eredeti állapotában! Ezt minimum huszadára de az én tesztjeim szerint inkább negyvened részére kell csökkenteni 5mm/ perc! Én egy DC motort fabrikálam bele de janocsi nagyon jól megoldotta egy léptetőmotorral eddig az a legtutibb hajtás szerintem!
Valamelyik nyákgyártós cégnél láttam olyat hogy ilyen hajlékony fóliára tudnak vezetékezést felvinni. Keress rá a neten fólia nyák valami hasonló címszavakkal.
Itt kérdezd meg, szerintem horror áron megcsinálják.
Bővebben: Link
Szia!
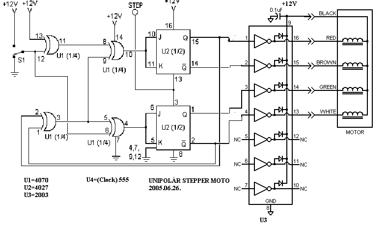
Érdekelne a steppermotor vezérlő kapcsolási rajza, én is azzal szeretném meghajtani a laminálómat. Ha megkérhetlek tedd fel légyszíves.
Szia! Elvégeztem a tesztet a dörzspapíros szálrahúzós módszerrel! El kell mondjam az eredmény a 120 fokos laminálási hőmérsékleten egyenlő a nullával! Annyi a különbség a sima és ez között,hogy ezt úgy kellett lehúzni róla és nem tapadt fel a simára csiszoltnál pedig egyszerűen leesett mikor kitolta a laminátor! Kb 160 fokra felhúztam ott kezd rá tapadni de az eredmény nem 100% ott sem! Viszont az előmart nyákra feltapad a 120 fokos hőmérsékleten és hibátlan ismét három egymás mellett és ezen a kis ic lábai is jók mivel a tervezővel nyomtattam! Egyszerűen nem lehet jobbat csinálni szerintem, a nyomat egy az egyben rákerül a nyákra és semmi folyás stb!
Hogyan lehet kiszedni a papír maradványokat, a vezető sávok közűl? Nem tudom kiszedni, pedig a nyákra jól bele ég a festék.
Szia!
Ezt a rajzot már nagyon régen használtam, de most előkerült ismét. A meghajtó áramköri kapcsolási rajzáról hiányzik az 555-ös órajel generátor, de az egy szokványos kapcsolási rajz, 1M Ohm -os potencióméterrel szabályozva a frekvenciát. Nem kell 12V, elég 8-9V is a stabil működéshez. Megtaláltam a SprintLayout-ban szintén nagyon régen készitett NYÁK tervét is, ezen lehet még javítani tetszés szerint. Más! - A motor nagy fogaskerék átmérő 27mm/25 foggal. A hengerátmérő 13mm-es, a tengelyek végén lévő fogaskerekek 15 fogazással vannak ellátva. Az eredeti szinkronmotor fordulatszáma pólusszám függő. Amit láttam eddig, leggyakrabban 8 pólusú volt, így azok fordulata 60*50/8, vagyis 375 fordulat/perc. Ebből szinte minden adatot ki lehet számítani, ha az szükséges. - Most készítek mégegy ilyen motor átalakítást, de itt egy 20mm széles (Mitsumi) nyomtatóból származó léptetőmotor kerül be a laminátorba. Ez éppen hogy elfér a (3000Ft-os) laminátor erediti motorjának a "hátán". Az eredeti forgómágnes marad, és bent marad a tekercs is az eredeti fogaskerék mechanika alatt Erről is két képet feltőltök.
Tedd ble 10%-os sósavba meg egy kis kefe
Nem hogy vennétek ti is 600Ft-ért egy két irányba forgó motort: Bővebben: Link
|
Bejelentkezés
Hirdetés |




de hátha.
Igaz papírra nyom valami szürkét . De én pontosan azért vettem a printert is hogy nyákot csináljak magamnak .
sz@








