Fórum témák
» Több friss téma |
- Ez a felület kizárólag, az elektronikában kezdők kérdéseinek van fenntartva és nem elfelejtve, hogy hobbielektronika a fórumunk!
- Ami tehát azt jelenti, hogy a nagymama bevásárlását nem itt beszéljük meg, ill. ez nem üzenőfal! - Kerülendő az olyan kérdés, amit egy másik meglévő (több mint 17000 van), témában kellene kitárgyalni! - És végül büntetés terhe mellett kerülendő az MSN és egyéb szleng, a magyar helyesírás mellőzése, beleértve a mondateleji nagybetűket is!
Sziasztok.
Van nekem egy fólia kábelem amihez csatlakozot keresek. 1mm-enként vannak az érintkezök. Hol lehetne venni ilyet és mi a neve mert sehogy nemtalálom.
Sziasztok egy kis egy kis segítség kellene megépítettem a belinkelt forrasztóállomást volt gond a kijelző panellal de megépítettem újra.Az a helyzet most világít a led amikor kell fűt a páka amikor kell szerintem mondhatom hogy a kijelző is működik de még is ezzel lenne most is a gond egy kis segítség kellene.A hiba:bekapcsolom a készüléket világít a kijelző 001 mutat de hiába tekerem a helitrimmert csak 19 ig megy fel.Mi lehet a gond?
Sziasztok építettem egy két ledes villogót fel is tettem a ki mit épített be.egy ideig minden jó volt aztán egyre gyorsambban villogott és már csak világított.Mit cseréljek ki a kondit vagy a tranzisztort?
Sziasztok!
A BC 182-es adatlapjáról hogyan tudom leolvasni, hogy 5Vos CE feszültségnél 90 mA-es kollektoráram mellett merkkora az áramerősítés? Köszönöm szépen!
Ja és a 10K-s Smd ellenállat miért csak 8k?
Gondolom ennél a kapcsolásnál a 10k-s ellenálláson keresztül töltődika kondi ha ezt nagyobbra cserélem növelhető a villogások közti idő? azt tudom h a villanás nem lesz hosszabb a kondi kapacitésa miatt itt a rarjBővebben: Link
Ellenőrizd az elkók polaritását, helyesen vannak.e beültetve az áramkörbe.
Üdv, egy elég egyszerű problémába ütköztem. Annyi segítséget szeretnék kérni, hogy a motormba, ami van CDI gyujtás, ennek a jeladója ad ki 12V körüli feszültséget. Ezt szeretném felhasználni, de úgy kellene, hogy csak minden második jelet adjon ki. Tehát mint ahogy a motorok gyujtása működik. Minden második jelre ad szikrát. És ha ezt meglehet oldani, akkor még a végére kellene egy kapcsoló tranzisztor, ami egy mágnesszelepet kapcsol az akkumulátorról. De még úgy is jó, hogy ami a CDI vezérlőből jön ki 100valahány volt a gyujtótrafóba, ezt leválasztani valahogyan és akkor egy kapcsolással vezérelni a kapcsoló tranyót. Reméllem érthető voltam.
Sziasztok!
Van nekem egy KENWOOD KRF-V5050D házimozi erősítőm. csak az a gondom, hogy az egyik oldala kihalt (gondolom végfok) meg is találtam benn két ic-t STK-413020A, STK-412020A Az lenne a kérdésem, hogy honnét tudnék szedni leírást a végfokokrol? És ki tudnám e mérni, hogy a 2 alkatrészből melyik halt meg? Az alkatrészek adtlapjainak a likjeit megköszönöm és a trovábbi segítséget is. űdv szabii
Sziasztok!
Azt szeretném kérdezni, hogy egy MAXIM 232 cpe+ feszültségduplázójához és inverteréhez milyen típusú kondi(1 µF ) kell: kerámia, fólia, elko?
Hali
Jo az elko csak a polaritasra es a feszre figyelj. A 232A-nal sima keramia 100 nF. Udv Vili
Köszönöm a választ.
Az elko jó vagy az A jó?
Nekem ilyenem van: link.
Szerinted ez melyik?
Ez sima MAX 232. A CPE a 0-70 C° es DIP tok-ot jelenti. a MAX232ACPE az A-s ami 100nF kondikkal mukodik.
Udv Vili
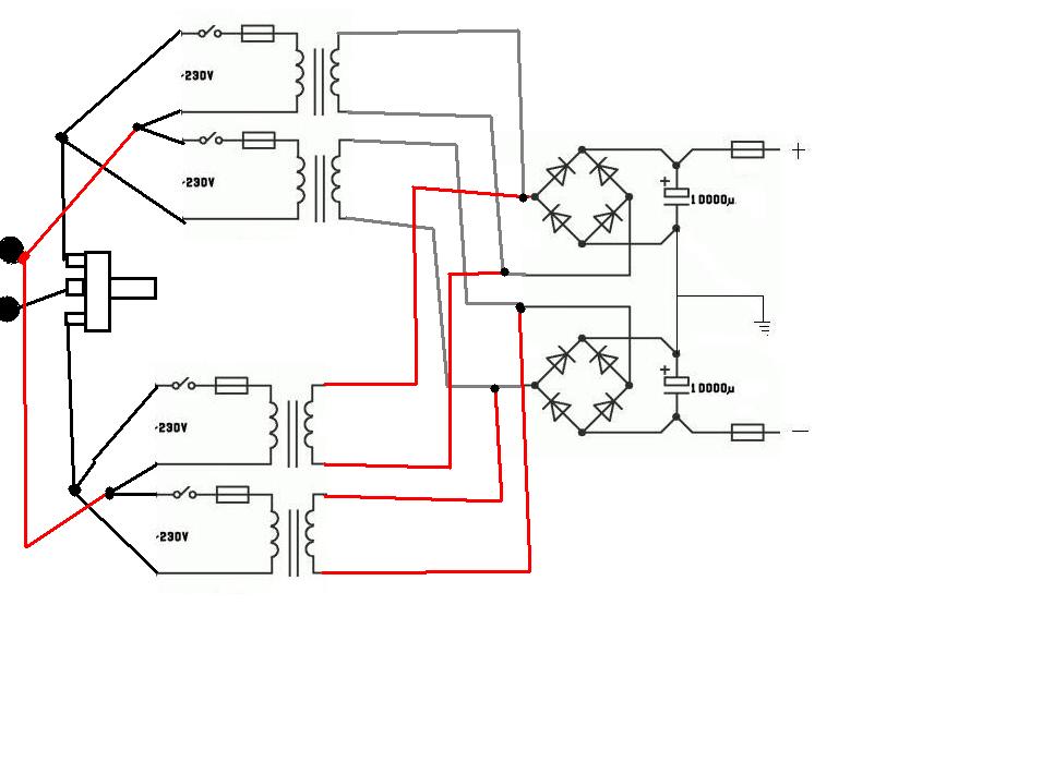
Hello.Jól túlbonyolítottam.Ez így működne olyan képpen hogy más a trafók kimenő feszültsége és így változtassam az erősítő 4 illetve 8 ohm-on való üzemeltetését?Egy 3 állású kapcsolóval lehetne választani hogy melyik trafó(kon) legyen a fesz.Elvileg nem 4 trafó hanem 2 2sec.tekercses trafó lesz.
A bisztik előtti kapcsolók nem lennének.
Sziasztok!
Lehet, hogy nem pont ebbe a fórumba való a kérdés, de a tagok szakértelmében bízva felteszem. Mi az összefüggés televízió vagy monitor esetében a felbontás és az aspect ratio között? Eddig senki nem tudta értelmesen elmagyarázni nekem.
Oks bocsi az enterért de ha csak az ellenállások értékét változtatom akkor csak a villanások közti idő lesz hosszabb maga a villanás nem mivel azt a kondi értéke határozza meg.Jól mondom?
Ja és a villogó megjavult reggel nem akart sehogyse működni és most megint szépen működik.Ezt nem értrem
Az aspect ratio a képoldalak egymáshoz mért arányát adja meg.
Aspect ratio (image)
Ezt értem, de miért van az, hogy pl. az SVCD formátumnál a sorok száma jóval több, mint az oszlopoké, mégis jól jelenik meg a képernyőn.
Konkrétam most azért kérdeztem ezt, mert set top boxszal vettem föl az M1-ről HD adást. A fájl tulajdonságaiban 1440:1080 szerepel, ami megfelel a 4:3-nak, de a kép mégis szélesvásznú, vagyis nem 4:3-os.
Üdv!
Azt én is megtaláltam sőt a diagramját is De ott 10 volt CE fesz.-re olvasható le az adat én pedig 5V-al szeretném használni. A 100mA-re vonatkozó bétát is megtaláltam de úgy tudom a kollektoráram változásával változik a béta is így nyilván nem ugyanannyi 90mA-re mint 100-ra. Az érdekelne engem, hogy honnan tudhatom meg 90-mA-re. (Vagy akár 75-re, 50, 42-re stb...)Köszönöm!
Egyszeru a dolog. Maga a film szelesvasznu (aspect ratio= 16:9) viszont az adas normal 4:3. Az adasban a aljan es a tetejen fekete savot tesznek bele, igy megmarad a 4:3.
Udv Vili
Sziasztok.
Még új vagyok itt(tetszik az oldal),na meg kezdő is. Kérdésem lenne,hogy van egy 4,5V-os 500mA os telefontöltő és erre szeretnék kötni egy Bővebben: Link ilyen ledet úgy tudom hogy 3,5V-os és 20mA os. Az a kérdés hogy mekkora ellenállást kéne rakni neki? Most egy 51 ohmosat raktam rá.Az jó így? Előre is köszöntem a választ.
Szia. Itt megtudod, hogy jó-e.
Üdv.Roland0327
Szia!
Igen, megfelelő az ellenállás értéke.
Jóestét, Valaki tudna segíteni, hogy 100V körüli feszt hogyan tundék el választani galvanikusan? Optocsatolónak sok a fesz. esetleg előtét ellenállással, vagy fesz. stab. IC vel lehetséges, hogy jólegyen az optocsatolónak?
Ezt a falba verőst( nem akartam) :worship:
Ez egyenfeszültség? Vezérlést kellene átvinned ezzel a feszültséggel?
|
Bejelentkezés
Hirdetés |






De ott 10 volt CE fesz.-re olvasható le az adat én pedig 5V-al szeretném használni. A 100mA-re vonatkozó bétát is megtaláltam de úgy tudom a kollektoráram változásával változik a béta is így nyilván nem ugyanannyi 90mA-re mint 100-ra. Az érdekelne engem, hogy honnan tudhatom meg 90-mA-re. (Vagy akár 75-re, 50, 42-re stb...)




