Fórum témák
» Több friss téma |
- Ez a felület kizárólag, az elektronikában kezdők kérdéseinek van fenntartva és nem elfelejtve, hogy hobbielektronika a fórumunk!
- Ami tehát azt jelenti, hogy a nagymama bevásárlását nem itt beszéljük meg, ill. ez nem üzenőfal! - Kerülendő az olyan kérdés, amit egy másik meglévő (több mint 17000 van), témában kellene kitárgyalni! - És végül büntetés terhe mellett kerülendő az MSN és egyéb szleng, a magyar helyesírás mellőzése, beleértve a mondateleji nagybetűket is!
Bipoláris tranzisztorok esetében az áramerősítési tényezőnek szórása van, amely a gyártás tökéletlenségéből adódik. Ez az 1/10- es szabály egy ökölszabály, ekkor bizonyosan telítésbe megy a tranzisztor, azaz teljesen kinyit. De ez nem azt jelenti, hogy pontosan fél amper fog rajta folyni, hanem azt, hogy legalább ekkora áramot még telítésben képes vezetni.
Egyébként nagyobb áramok esetén szokásos megoldás a Darlington kapcsolás. Talán célszerű lenne azt használnod, mert így kisebb áramerősséggel vezérelhető a tranzisztor, így a bázisáram-korlátozó ellenálláson is jóval kevesebb teljesítmény disszipálódik.
Így már világos, vagyis ha én adok neki 50 mA-t, akkor tuti h átenged 500-at, de nem biztos hogy pont annyit, ezért kell az ellenállás a LED-ek elé. A Darlington dolgot nagyjából tudom, utánajárok a szakirodalomban. Köszönöm a segítséget!
Hello!
"..így a bázisáram-korlátozó ellenálláson is jóval kevesebb teljesítmény disszipálódik." Ez így van csak a darlington tranyón meg több. De azért ma már 20..50-as béta elvárható egy tranyótól. Ha meg nem, nagyobb teljesítményűt kell használni. De nem került szóba, milyen tranyót használ. Pedig az is érdekes lett volna.. üdv! proli007 Idézet: „de nem biztos hogy pont annyit” Inkább ezt úgy mondanám, hogy biztos, hogy nem annyit. A ledek szintén különleges jószágok, náluk is gyártási szórásos a nyitófeszültség értéke. Emiatt minden párhuzamosan kapcsolt LED áramát korlátozni kell egy ellenállással, mert ha ezt nem tennénk meg, akkor a legalacsonyabb nyitófeszültségű LED megvilágosodna, míg a többi kivilágítatlanul maradna.
A típus 2 N 5551 . 20 db nagyfényerejű LED-et kapcsolna egy LED-es stroboszkópban. Az áramkör 12 V-os. Egy 555-ös IC kimenetéről kap áramot a tranzisztor. Az egész még csak elméletben létezik.
Itt az oldalon olvastam róla az egyik topicban, és ihletet kaptam, megpróbálok tervezni egyet én magam.
Hello!
Egy 600mA-es tranzisztort, nem illik 500mA-el terhelni. Inkább válassz egy kis BD-t pld BD139-et. Így aztán Pinyo-nak tényleg igaza lesz, mert a béta 10 alá esik.. De ha megnézed a MOTOROLA adatlapjának első ábráját, akkor láthatod, hogy a 600mA-hez képest a karakterisztikáknak 100..200mA-nál végük van.. üdv! proli007
Ha nem bánod megpróbálom összegezni, hogy mit tanultam ma tőletek.
Szóval: Mindig méretezzem túl a tranzisztort kicsit. Hogy ne a maximumai közelében dolgozzon. Valamint, ha kapcsolónak kell akkor általában beválik az 1/10-es szabály. Egyébként mennyire méretezzem túl? Jó sok kérdésem van, bocsesz. :hide:
Hello!
Mindig nézd meg az adatlapon a "hFE DC Current Gain- IC COLLECTOR CURRENT" (béta függése a kollektor áramtól..) karakterisztikát, abból láthatod, hogy adott kollektor áram mellett, mekkora lesz az erősítés. És akkor el tudod dönteni, hogy alkalmas-e vagy sem számodra a tranyó.. üdv! proli007
Nah erre voltam kíváncsi! Hogy mit kell nézni. Elolvastam pár írást tranzisztorokról, de sehol sem említették mi alapján tudok választani. Hálás köszönetem proli007! Ha elkészül a teljes rajz, akkor majd feldobom valahová véleményezésre. További szép estét!
Sziasztok!
Olyat szeretnék kérdezni hogy csináltam egy spektrum analizátort és azt szeretném rákötni gépre hogy usb-n keresztül kapja tápot. Ez megoldható lenne? Úgy tudom hogy az usb az stabil 5V ot tud. A kapcsolás 130mA nél nem vesz fel több áramot. Esetleg kell valami védelem a gép részére? A segítséget előre is köszönöm! üdv. szaky27
Szerintem nyugodtan rákötheted védelem nélkül
Köszi a gyors választ!
Csak azért gondoltam hogy kéne védelem esetleg működés közben piszkálnám v. valami nehogy rövid zárat csináljak mert az nem tenne jót a laptopnak szerintem.
Sziasztok, szeretnék csinálni egy szűrőt, 300 és 2400Hz között engedjen csak át. Alapszintű jelről van szó. A kérdés az lenne, hogyan valósíthatom meg ? Előre is köszönöm.
Hali!
Találtam az interneten egy kapcsolási rajzot "dupla villogó" név alatt. A hsz-emhez feltöltött 2 kép közül az 2-ról van szó. Ezen én kicsit változtattam és az 1. képen levő verzió jött ki belőle. Két kérdésem lenne: 1. - A működési feszültség elvileg 5-15V közötti. Mivel személyautó elektromos rendszerébe lesz kötve a cucc, ezért beiktattam egy 7809-es stabilizátort. Elég ez a folyamatos 9V-os táplálás biztosításához, vagy kell még hozzá más is? 2. - Az eredeti kapcsoláson is látszik, hogy a kapcsolás eredetileg 2 LED-et hajtott meg. Ezt módosítottam úgy, hogy a 2 LED helyén 5-5 magasfényű LED van. Az lenne a kérdésem, hogy szükséges e a T1 és T2 jelű tranzisztor, vagy anélkül is elbírja az IC a 8-cal több LED-et? Ha kell a tranyó oda, akkor tudnátok egy típusszámot mondani, hogy mégis milyen lenne jó oda? Előre is thx a választ. UI: ami hiányzik a rajzról, az a LED-ek előtétellenállása, de most tegyük fel, hogy azok is ott vannak.
Szia! A 7809 az ok, bár én tennék a kimenet és a föld közé egy 100nF kerámia kondit. Viszont a ledek áramát korlátozni kellene egy ellenállással, valamint nem párhuzamosan kötni, hanem sorba, és persze tranyó is kell. Van ledes topik, ott találsz rajzokat, hogy kell bekötni. És a tranyónak is kell bázisellnállás.
Ja, jó, valahogy nem vettem észre amit a ledek ellenállásáról írtál
Köszi a gyors választ. Annyi kérdésem lenne még, hogyha ezekszerint kell a két tranyó, akkor pontosan milyen típusúak lennének jók? Típusszámot kellene modnanom a boltban, anélkül nem tudnak segíteni.
A másik: miért jobb, ha sorba kötöm a LED-eket mintha párhuzamosan? Úgy nem esne le a feszültségük a feszültségosztó miatt?
Tehát: a lednek mondjuk kell 20mA, és ekkor esik rajta 2V (Led függő), van 9V tápod, amiből lejön úgy 0,4V ami a tranzisztoron esik, tehát az ellenállásnak el kell fűteni 6,6V*0,02A teljesítményt, és persze ezt 5ször, valamint a tranisztoron fog folyni 5*20mA, ha sorba kötsz 3 ledet, és a maradék kettőt,és ezt párhuzamosan, akkor a tranzisztoron fog 40mA folyni, az ellenállásokon pedig egyszer 2,6*0,02A, a másikon pedig 4,6*0,02A teljesítmény disszipálódik el. Egy ellenállást pedig nem tehetsz a párhuzamosan kapcsolt ledekhez, mert nem egyforma a nyitófeszültségük, ezért csak egy fog világítani. Remélem érthetően írtam, nem vagyok egy nagy magyarázós
![]() Tranyónak jó lesz egy BC337. És ehhez a tranyóhoz 0,7V feszültségeséssel számolj, ne 0,4-el, a ledek áramát is a ledjeidhez igazítsd, meg a feszültséget is.
Hát, ezt elég elolvasni is és még az értelmezésről nem is beszéltem.
Tehát akkor sorba kössem a LED-eket, és eléjük kössek be egy "1 LED előtétellenállás * 5" értékű ellenállást? Így akkor egyforma fényerővel fognak világítani?
Hello!
Elmagyarázná nekem valaki, hogy hogyan kell ellenállást számolni a tranzisztor bázisára?
Már megtaláltam, de nem értem miért nem lehet nyilvánosabb helyen is közzé tenni.
Pl. ha már vki elmagyarázza a tranzisztor működését egy cikkben akkor ezt a lényeges dolgot miért nem említik, vagy mutatnak rá? Na szóval így kell bázis ellenállst számolni: Bővebben: Link
Udvozlet!
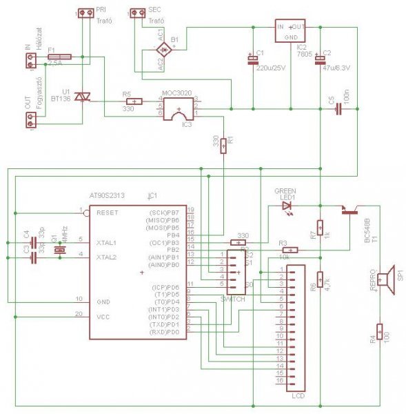
Gabi20 mutatott egy kapcs rajzot, egy kerdesemre az AVR topikban( csatolva ). AVR-el 230 fogyaszto vezerlese. Kerdesem az lenne, hogy a triac gate-jere meno agon, az ellenallasnak hany wattosnak kellene lennie? Megfelel oda 360 , 0.4W?volt egy masik kapcsolas is, ott 390 , 0,5W volt, viszont az RC taghoz 2W-osat ajanlottak. Nem lesz keves a 0,5-0,4W gatehez? ![]() Tisztelet: atYa
Ha beírod, hogy "o h m", akkor átalakítja a fórum ohm jellé.
Sziasztok
Hall érzékelő kellene nekem, olyan ami nagyon kis tápfeszültséggel is képes működni kb 2-3,3V között A Farnell oldalán taltam egy ilyet valami hasonló kellene nekem Bővebben: Link Itthon (Budapesten) hol kaphatok ilyesmit?
sziasztok ezt a kapcsolást építettem meg,de valamiért a bc 238c tranzisztor folyamatosan nyitva van
szerk:nem villog a led
Köszi.
Tehát akkor 2 előtétellenállás kell, az egyik 3X, a másik meg 2X akkora értékű legyen, mint 1 LED-re számolva?
Szia!
Hány V-ról táplálod? Az alábbi bázisellenállásból ítélve 6V körüli tápfeszültséget válassz! A másik lehetőség, hogy rossz a tranzisztor . Mérj rá szakadásvizsgálóval a Collector-Emitter lábra.Dávid
szia 5v-ról táplálom és a collector-emitter lábnál nem sípol a multi
Bocs mindenkinek , hogy ilyen hülyeséggel zaklatlak titeket de még nagyon kezdő vagyok. Azt szeretném kérdezni hogy sok kapcsolásba ott van a kondiknál hogy mekkora a kapacítása meg hogy hány volt. Pl: 100nF 25v.
De valahol nincs feszültség odaírva Pl: 100nF Azt nem tudom akkor, ide mekkora kell?
Általában a polarizált kondenzátorok esetében van a feszültség meghatározva. Ahol ez nincs (kisebb kapacitású kondenzátorok, melyek "unipolárisak"), ott az általános célúak megfelelnek.
|
Bejelentkezés
Hirdetés |






Tehát akkor sorba kössem a LED-eket, és eléjük kössek be egy "1 LED előtétellenállás * 5" értékű ellenállást? Így akkor egyforma fényerővel fognak világítani?
, 0.4W?






