Fórum témák
» Több friss téma |
Mielőtt kérdezel, a következő két dolgot ellenőrizd!
I. A helyes tápfeszültségek megléte.
II. A kimeneten van-e egyenfeszültség.
Élesztés.
Szia, nem hagytalak itt, de ugye nem haragszol, hogy estefelé már mással is foglalkozom. A képeket láttam igen. Az az igazság, hogy nem tudom egyáltalán érdemes e ezzel verejtékezni, lehet, hogy nem jó környezetbe került a TDA, mivel ez egy D2030A környezete. Az csak egy dolog, hogy a lábkiosztása ugyanaz. Meg kellene próbálni, hogy egyáltalán élnek e még azok a TDA-k, ehhet persze próbakapcsolás kell, mivel említetted, hogy veri a biztosítékot, szóval ez már valaminek a halálára utal. Ezért írom, negy nem tudom érdemes e vesződni vele. Meg azért, hogy ha 5db IC cseréje ilyen csúfos véget ért, gerjedés, biztiverés, búgás, akkor nem tudom van e értelme nekiállni javítani, szakmai tapasztalat nélkül, szóval nehéz dolog ez így távolról. Remélem nem veszed magadra, nem rosszindulatból írtam.
Üdvözlet!
Lenne egy olyan kérdésem, hogy van egy 1558q-ból épített erősítőm, most fogok építeni még egyet, meg egy lm1036os hangszínszabályzót. Az lenne a kérdésem, hogy a hangszínből kijövő hangot milyen módon illeszem a két erősítőre, mert egyszerre mind a négy hangfalam meg szeretném hajtani. (Tudom hogy a 1558q tud négy csatornát, de én hídba kötve szeretném használni) Köszönöm
Ha valóban bele akarsz vágni a modifikált Quadba, akkor azóta egy nagyon picit változott a nyák, illetva ha nem akarsz vele bajlódni, tőlem is elérhető a panel.
Az Mj15003 "több mint" jó bele. Az egy nagyon bika kis félvezető, csak az ára is illik a qvalitásaihoz.
Tudom, nem írunk két témába is ugyan azt, de rájöttem, hogy inkább itt kéne feltennem ezt a kérdést:
Ezen kapcsolás szerint 50K-s potenciométert javasolnak a bemenetre. Tervezem egy alps poti vásárlását, viszont nem szeretnék rossz értékűt venni. Annyi még a dologhoz, hogy a külső DAC-om (ami meghajtja a végfokot) kimeneti impedanciája a gyártó szerint 10K. Inkább ahhoz igazodjak, és vegyek 10k-s potit, vagy az erősítőhöz, és egy 50k-sat? Köszi!
Az Onsemi MJ és MJL tranyók kicsit drágábbak a BD-nél de egyetértek abban, hogy elég bitangok, és minőségi tranzisztorok. Azokból lehet jó, nyúzható erősítőt építeni.
Ha az a nyák, amit lapose mutatott teljesen jó, akkor nekem az is megfelel. Mindenképp én szeretném megépíteni. Esetleg ha publikus az általadd említett nyákterv, akkor szívesen fogadom természetesen azt is. Az MJ tranzisztorokkal kapcsolatba pedig tudom, hogy nem a legolcsóbb, de még mindig jobb, mint olcsóbb félvezetőket megdögleszteni, és utána megvenni az MJ-t. Én is ezt a fajtát részesítem előnyben.
Sziasztok!
Valaki tudna nekem segíteni a következő problémában? .. autóra felszerelhető antennát készítek egy szélessávú dipólt horizontális polarizációval dvb-t( földfelszíni digitális adás vételére igazából mind1 hogy analóg vagy digitál ) adás vételére. Viszont az alacsony jelszint miatt kellene egy erősítő , mivel TV csatornákat szeretnék vele erősíteni UHF sávban 470től 870 MHZ-et kellene erősítenie mikrovoltból egy vevőkészülék által érzékelhető jelszintre. minnél kisebb jelzajszinttel rendelkezzen. A problémám ott kezdődik hogy nem építettem még erősítőt és szükségem lenne egy egyszerű erősítő kapcsolásra. A legnagyobb gondom hogy megígértem a sulimban hogy ezt megépítem és beszerelem egy mozgó autóba és környékemen mérést végzek az adó hálózat állapotáról és ehhez a legjobban illeszkedő antennát választom ki ezért sürgős lenne mert már időben megvagyok csúszva. Nagyon megköszönném a segítséget ha tudnátok egy erre használatos kapcsolást mutatni. Láttam neten lehet rendelni ilyen magasfrekvenciás erősítőket , csak az erősítő megépítését is magamra vállaltam. Várom válaszotokat
A kérdés nem éppen ide illő, de tessék ezt egy ismerőstől kaptam, a gyári szélessávú "lepkékben" van ilyen, a kondik értéke sajnos nem lett megmérve.
Nem voltam egyértelmű. Nem a megépített, kész panelre gondoltam, csak nyáklemezre. Ezt ajánlottam fel. De akár a komplett panel is megoldható.
Ezen kívül tápmodul tervem is van, védelemmel együtt, kimondottan a Quadhoz. Ilyen.
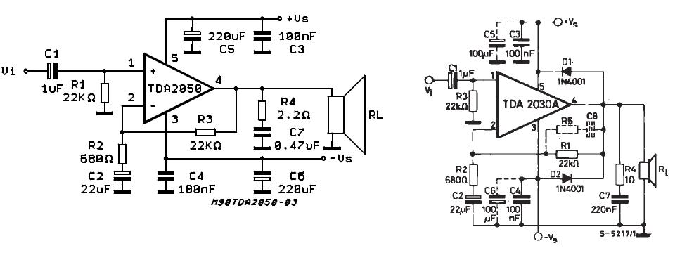
Nem csak a lábkiosztás, hanem a gyári ajánlott kapcsolás is egyezik, tehát nem ez az oka amiért zúg. A külső elemek funkcióban, és értékben is egyezőek a védődiódák kivételével, de ez, ez esetben elhanyagolható eltérés, mivel a panelon sem szerepelnek. Itt vagy elkötési, tokszigetelési, huzalozási hiba lesz, vagy az előerősítő résznél lesz gond. De ezt Tihanyiféle távgyógyászattal nem lehet orvosolni.
Noss kicseréltem vissza majdnem az összes ic-t kivéve 2-őt ami ugye hídba van a sub hoz. De sajnos még mindég búg. De olyan mintha nem is szinuszos jel lenne amit kiad hanem négyszög 100Hz-n vagy 150-en.
De így viszont a 6-ból csak a sub búg a többinek nincs hangja. A panel eredeti és most kicsit hosszabb ideig volt bedugva és néha változott a búgás.
Idézet: „De ezt Tihanyiféle távgyógyászattal nem lehet orvosolni” Ha nem látam volna, hogy te írtad, akkor is tudtam volna, második tippem Zoli lett volna. . Az erősítővel kapcsolatban, azért fordult meg a fejembe, hogy talán nem illik oda, mert én nézegettem TDA2050-es és D2030A kapcsolásokat, több dologban más volt a kettő kapcsolása. Bár nem gyári bekötések voltak ezek szerint. De ha azt mondod, hogy ez alaján van kötve a tárgyalt erősítő, akkor igazad van, ez nem lehet gond. Amit viszont nem tudunk, hogy mi volt a konkrét ok, amiért cserélni kellett a D2030A-kat, talán elszálltak e. Jelen pillanatban hogy áll a készülék, mert említette, hogy verdesi a biztosítékot, arra gondolok, hogy stabil, mérhető állapotban van e. Ha szkóp hiánya a gond, ezen lehet segíteni PC szkóppal, hibakeresésre jó lehet az is, egy bemeneti osztóval és zeneres védelemmel, kondis csatolással. De jó lenne egy kapcsolási rajz róla.
Nem te nem voltál egyértelmű. Értettem hogy mit akartál, csak én nem fogalmaztam pontosan.Nálam a megépítésbe beletartozik a nyák legyártása is. Köszönöm az ajánlatot, de szerintem nem variálok rajta. Azt építem meg, ami be lett linkelve. Még az se kizárt hogy egy saját panelt tervezek hozzá.
A védelemmel kapcsolatos felajánlást is köszönöm, de ahhoz is van megfelelő kapcsolásom.
Ezek a monolitok egyszerűek mint a raklap, külső alkatrészek szempontjából. Meg kellene nézni hogy rövidre zárt bemenetnél is búg-e a végfok. Mivel ahogy nézem úgy tűnik valami tranyó (FET) is van a bemeneteknél talán némításként, vagy lehet szabályzóelemként. A biztiverés lehet egyszerűen csak a kicsi 35VA-es táp miatt, ami egy piszkálgatás-matatás, vagy egy érintkezési tranziens hatására kiolvadt.
Most úgy próbáltam ki hogy mi közbe szól a zene és szenvedett az egész mert szólt a Sub de viszont zúgott ugyan úgy és hol lelassult a zúgás hol felgyorsult. A biztosíték azért olvadt ki mert butaságból 250mA biztosíték helyett 200mA-es van benne és ugye mikor feszültség alá helyezem sokkal nagyobb áramot vesz fel. Az ic-ket azért kellet cserélni mert el szálltak pattogott a mély egy bizonyos hangerőnél elég durván ilyen tompa koppanást lehetett hallani.
Közbe megtaláltam a védelemmel egybeépített tápod kapcsolási rajzát, meg paneltervét.
Jaa, így azért más, szóval lényegében működik csak brummos, azt hittem azért verte a biztit, mert valami eldurrant benne. Akkor ha jól látom / értem minden csatorna megy, csak a sub "röfög" ami hídban van ? Ha így áll, meg kellene szüntetni a hidat és külön külön ellenőrizni a TDA-kat. Esetleg meg lehetne próbálni amit mondtál, hogy rövidre zárni a bemenetet, ekkor mi a tünet.
Ja és még annyi, hogy a védelemmel kapcsolatba mit kell változtatni? Úgy értem, hogy ugye hídba kapcsolható lesz, és ilyenkor az egyik + kimenet - ágba fog dolgozni. Vagy az mind1 a védelemnek, mivel gyakorlatilag csak az egyenfeszt figyeli a kimeneten?
A többi hangszóró azért nem búg mert azokba a régi ic-k vannak. De viszont azok is búgnak ha TDA van benne. De melyik bemenetet zárjam rövidre?
Akkor próbáld meg a sub bemenetet rövidre zárni, de látod ezt mondom én, valami nem kóser, mert ha ott, ahol D2030 van nem búg, teljesen jól működik, beteszel TDA-t és zúg, akkor csak itt lesz a kutya elásva, nem tetszik a TDA-nak a környezet, én nem tudok másra gondolni. Na, nembaj, próbálkozni kell, szóval csak a sub zúg, azt tessék rövidre zárni. (A bemenetet)
Nézd csak szamóca, Bővebben: Link ez is D2030A kapcsolás, nem így van kötve véletlen, és ezt nem csípi a TDA?
Van a SUB bemenet, csatlakozó, RCA, teccikérteni? Ezt zárd rövidre és mond mit tapasztalsz.
Semmi változást nem lehet észlelni ugyan az a hang.
Ez biztos valami gerjedés lesz, brumm vagy ilyesmi. A többi akkor zúg ha TDA van benne, és ha D2030 akkor nem. Nem tudsz bele szerezni D2030A-t? Ez lenne a leg egyszerűbb. Így nehéz megoldani ez a gondot. Esetleg, ha van kedved még annyit megcsinálhatsz, hogy kiveszel kettő működő D2030A-t, és beteszed a SUB részbe a TDA-k helyett, ha ezzel rendesen megy a SUB akkor kell szerezni D2030A-kat és készen is vagy. Mondjuk ez nagyon érdekes, mert HQ azt mondja, hogy a D2030A helyettesítője a TDA2030.
Sajnos nem nagyon kapni nagyon nehéz ilyet találni külföldön láttam még csak se Hestore-n se itt Miskolcon nincs.
De mivel nem tudom leírni milyen a hangja itt letudod tölteni és meg hallgatni nem tudom menyire hallani. Simán Media Player el meglehet nyitni. http://94.199.182.10/emailkuldo/images/05.%20hangf%c3%a1jl.amr
Fentebb írtam még. A hang nem brumm, ez valami gerjedés lesz szerintem. Érdekes, ilyet nem hallottam még.
|
Bejelentkezés
Hirdetés |







Ha nem látam volna, hogy te írtad, akkor is tudtam volna, második tippem Zoli lett volna. 




