Fórum témák
» Több friss téma |
- Ez a felület kizárólag, az elektronikában kezdők kérdéseinek van fenntartva és nem elfelejtve, hogy hobbielektronika a fórumunk!
- Ami tehát azt jelenti, hogy a nagymama bevásárlását nem itt beszéljük meg, ill. ez nem üzenőfal! - Kerülendő az olyan kérdés, amit egy másik meglévő (több mint 17000 van), témában kellene kitárgyalni! - És végül büntetés terhe mellett kerülendő az MSN és egyéb szleng, a magyar helyesírás mellőzése, beleértve a mondateleji nagybetűket is!
Az éppen akad, csak ez még deszka modell, nem dobozoltam be. De akkor mégis csak ez a verzió fog maradni....
Sziasztok!
Az lenne a kérdésem, hogy hogyan lehet forrasztópákával kiszedni egy alaplapból az IC-ket? ![]() A felesleges szövegformázás helyett a helyesírásra figyelj! Frankye
Hali!
Attól függ,hogy smd vagy furatszerelt az IC.De a kiforrasztóharisnya mindig beválik. Máté.
Az a baj hogy nincs forrasztóharisnyám :S és aszt hogy lehet meg állapítani hogy smd vagy furatszerelt?
Ezt most komolyan kérdezed?!
A furatszereltnek "lábai" vannak, amelyek egy furaton át vannak fűzve, és a NYÁK lemez túloldalán kialakított szigethez vannak forrasztva. Az SMD technológiánál nincsenek furatok, klasszikus értelemben vett "lábak", az alkatrész felületén/oldalán vannak forrasztható felületek, ezek a NYÁK lemez forrasztási oldaláról vannak a kialakított szigetekhez forrasztva. Forrasztó harisnya nélkül felesleges próbálkoznod, ezek az adatlapok furatgalvanizáltak, és a furatba is bement az ón. Azt harisnya nélkül ki nem szeded. Még azzal is nehezen...
Egy olcsó_ÓN_szippantó_ is nagyon megkönnyítheti az alkatrészek fájdalommentes kiforrasztását.
![]() A furatfémezett nyákhoz azért kell egy kis gyakorlás. De bele lehet jönni... :yes:
Ebben a kapcsolásban hány Ohmos hangszóró kell illetve betehetek helyére egy jack csatlakozót?
Ha 9 v helyett pl 18 v ot kap a cucc akkor nagyobb teljesítményre számíthatok?
Van egy RFT SK 3000 tipusú magnódeckem a problémám a következő: Lejatszásnál minden rendben, de amikor felvételt akarok vele készíteni kazettára, a felvételi szintet 0 dB-re állítom ami a 3.sárga LED-ig van. De amikor visszajátszom, akkor valahol -10 dB alatt kapom vissa a felvételt robajjal együtt, pedig magnófejet és törlőfejet már cseréltem a készüléken. Mi a hiba megoldása?
Kép a készülékről: http://www.radiomuseum.org/r/stern_sonn_sk3000sk_300.html
Sok minden okozhatja. Beállítási gondok, előmágnesezés, kazetta hiba. Nehéz így látatlanba kitalálni.
Itt érdeklődj:
Üdv mindenkinek
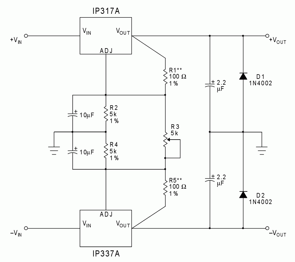
olyan problémám lenne hogy van egy 17V 3A tápom és amihez kéne az 15V a max fesz amivel mehet, hogyan tudnám 2-3V feszültség esést elérni?
Szia! Itt van pát megoldás.
Szia! Attól függ. Ha a táp terheletlenül 17V-ot ad le, 12V-os stab ic-vel. Kérdés mekkora áramot vesz fel a terhelő áramkör. Ha megközelíti a 3A-t, akkor a tápodon esik akkora feszültség, hogy kb. 15V lesz belőle a terhelt.
0.5A és az sem állandó terhelés, terheletlenül 17V.
2.5-3 A nál 16V az esés megnéztem.
Komolyan gondolod az egypotis tápegységet?
Ebből nagy durr lesz ha megépíti.
Magnódeck előmágnesezést hol tudok állítani, ha csak egy FE és CR kazettatipus kapcsoló van és a törlőfej intenzitását? Egy 1988-ban vásárolt készülékről van szó, az elektrolit kondenzátorok kiszáradása okozhat felvételi problémákat?
Sziasztok!
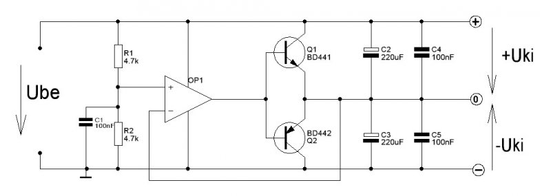
Egy kis segítséget kérnék. Adott nekem egy szabályzó jel, ami 2-12V-ig állítható. Nekem ebből kellene előállítani 0-3V-ig terjegyő jelet. Tehát az un. "konverter" bemenetén ha 2V van akkor a kimenetén 0V, ha a bemenetén 12V akkor a kimenetén 3V. Ezt egy pic-el gondoltam megoldani, nemtudom jó ötlet-e. Analóg bemeneten figyeli a bejövő feszültséget, és a pwm kimenet egy tranzisztor bázisát vezérli. Na a lényeg hogy nem vált be a tranzisztoros része, mert egy bizonyos terheléshez ha jól vezérel, akkor nagyobb terheléssel leesik a feszültség és már nem jó az egész. Valahogyan terheléstől függetlenül kellene a kimenő jelet előállítanom.
Ezek típus függő dolgok. Ezért is javasoltam, hogy a magnódeckes topicban kérdezősködj. Az elko kiszáradás is lehet probléma, nem mai darab ez, és a szocialista ipar nem volt sosem a csúcson.
Szia! A neten találtam a kapcsolást. Bár nem építettem meg, szerintem robbanni nem fog
. Az IC-k hő és rövidzárvédettek, minden alkatrész a kimenetre van kötve. Max. a 100 ohmos ellenállásokat kell nagyobbra cserélni, de akkor nem lehet annyira leszabályozni. Kérdés mekkora kimenő feszültség kell.
Szia! 17 voltra nem jók a 15V-os stab IC-k, mert minimum 3 volt plusz feszültség kell nekik a szabályozáshoz, tehát alsó hangon 18 volt. 15 volthoz csak low-dropos IC-k jöhetnének számításba.
Látom, csak nem értem.
![]() Persze, ha, a számot is néztem volna,(IP 337) akkor nem írok hülyeséget..
2n3055-ből kell kettő és lehet egy 100W-os végfokot.
2x40v kell neki.
Sziasztok!
Lenne egy kérdésem találtam egy komplett nyákra tervezett valamit nemudom mi lehet szerintem hőmérő lehet 7 szegmenses kijelzővel van benne 1 ICL 7107 es IC meg 1 HCF 4049 Ic nemtudom biztosra hogy az az lenne a lgjobb ha hasonló kapcs. rajzott tudnátok adni mert hőmérőt szeretnék csinálni !Köszönöm előre is..
Hello. 67V ra akarok kötni egy 12V-os 0.10A-es ventilátort, mekkora ellenállás fog kelleni?
Szia!
Ohm bácsi segítségével kb. 550 ohm -os ellenállás kell. És minimum 5W-os legyen mert lesz amit elfűteni ott.
Szia!
Én azért nem táplálnám 18 voltról; nem lehetetlen, de akkor egy kicsit át kéne számolgatni a dolgokat. Ha teljesítménynövelést szeretnél, akkor arra a tápfesz növelése csak legutolsó sorban lehet megoldás.
Szia!
Köszönöm; a műveleti erősítős megoldások különösen tetszenek!
Ok. Mit ajánlanál eben a kapcsolásban akkor teljesítmény növelésre tranzisztor pár cserét?
Ja, akkor mindegy mit kötök a kimenetre mármint mehet a jack csati ugye? |
Bejelentkezés
Hirdetés |








. Az IC-k hő és rövidzárvédettek, minden alkatrész a kimenetre van kötve. Max. a 100 ohmos ellenállásokat kell nagyobbra cserélni, de akkor nem lehet annyira leszabályozni. Kérdés mekkora kimenő feszültség kell. 









