Fórum témák
» Több friss téma |
Fórum » Elektroncső
Sziasztok!
Van elfekvőben pár darab EZ10A dekatikus csövem. Úgy néz ki, talán sikerül összehoznom egy kis 4W-os 'A' osztályú csöves erősítőt, és -hamár homár legyen kövér- az jutott eszembe, hogy az EZ10A -kal nem lehetne egy kis 10 szegmenses kivezérlésjelzőt fabrikálni? A meghajtást sima LM3915-tel gondoltam, ( persze tranzisztorokkal a ledek helyén ). A problémám (már ha egyáltalán így működhet a dolog), hogy nem teljesen értem az EZ10A adatlapját, mert csak német nyelvűt találtam (ennyi erővel mozambik is lehetne...), de még ez is ok, nem lényeg a szöveg, de a bekötését se értem így a csőnek. Eddig én abban a tévhitben éltem, hogy a Nixicsövek (merthát ez is az lenne) úgy működnek mint a glimmlámpák (a végletekig leegyszerűsítve), de ennél van két kapu elektróda vagy mifene. Valaki ki tudna okosítani ez ügyben?
Sz a baj, hogy ez nem teljesen így működik… Én is csináltam volna egy prototipust OG4-gyel, de még nem jutottam odáig. Szóval a dekatronok úgy működnek, hogy egy adott frekvenciát adsz neki jelnek, és ennek a nagysága határozza meg, milyen gyorsan szaladgáljon körbe a dolog. Az iránya attól függ, hogy felfelé vagy lefelé futó a vezérlő négyszögjel. Kivitelezni úgy lehetne, hogy egy neked tetsző frekvenciát választasz meghajtani, és a zene ütemére kiszalad a csík, majd egyből vissza is húzza az elektronika. Nekem még nincs elképzelésem róla, hogy lehetne megoldani ezt
Akkor ebből valószínűleg nem lesz semmi. :no: Kár, pedig már úgy beleéltem magam. Én azt hittem, hogy az elektródák között simán csak a feszültség hatására keletkezik a 'fény'. Attól függően melyik elektródára adom a feszültséget, ott fog világítani. De ezek szerint nem teljesen így működik. Ha kihagynám a két vezérlőelektródát (vagy mit) ? Az adatlapról kiollóztam egy példát, és ott valami kapcsolóval állítja a katódot. Vagy itt ez egyfajta johnson-számláló lenne, és a számlálási értéket állítja be vele? Ha igen, akkor gondolom az 5Kohm -os ellenállások azért kellenek hogy áram biztosan meginduljon. Visszatérve az eredeti kérdéshez, sima nixie kijelzőnek, vagy mondjam azt hogy glimmlámpának, nem tudom használni, ha a megfelelő katódokra a testet kapcsolom? Nem fognak azok világítani? Mindenképpen csak egy szegmens működhet egyszerre?
Glimmlámpának szerintem be lehet üzelni (bár szerintem kár érte).
PIC-el megfejelve lehet vele csinálni kijelzőt (bár ugye ehhez meg kell irni a programot (van itt ember aki képes rá ).Alapvetően a gond már ott kezdődik hogy van-e hozzá foglalat? Ő, tarhálni esetleg lehet belőlük?
Szerintem elbeszélünk egymás mellett. Vagy legalábbis nem értem, minek kellene mikrovezérlő , egy 10 szegmenses (részes) kivezérlésjelzőhöz?
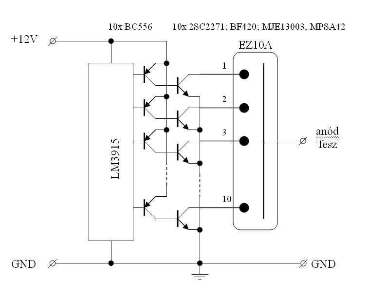
Kb úgy képzeltem el, ahogy a mellékletben lerajzoltam az áramkört (persze ez hiányos, a bázisellenállások nincsenek benne). Az anódfeszültségre az adatlapján 580V -ot látok, de ha jól sejtem, és csak lámpának akarom használni, nem mint kapcsoló-vezérlő eszközt, akkor kisebb (300V) is elegendő lehet neki. /persze lehet hogy nem.../
Én arra gondoltam, hogy számláló csőként használva a egy PIC szépen be tudná léptetni a kijelzendő értéket...
Te meg szerintem úgy akarod használni mint külön vezérelhető "glimmeket". Ez akár működhet is, de azt nem tudom hogy a segédkatódokat hová kellene kötni. Ha nekem kellene kisérletezni én egy 100K/22K osztóra tenném, vagy mégkinkább egy trimmerre és meglátnám hogyan működik... Gyanítom a segédkatódok csak a tervezett számlálási üzemmódhoz kellenek, "glimmként" nagyjából annyira hasznosak mint halnak a bicikli ![]() Katódként ellenállással anódfeszre kötve szerintem senkit nem zavarnak... Ezt a nem tervezett üzemmódot egyébként tulajdonképpen pár csipesszel ki is tudod próbálni (csak ésszel, meg ne rázzon!). Az (eléggé nagy) ellenállások (remélhetőleg) megvédik a csövet... Szerintem ebben a (nem tervezett) üzemmódban nem csak egy (aza több) szegmens világíthat egyszerre... A foglalat kérdését azért megkerülted. Van rá tippem miért ![]() Ő, ha sok van belőle akkor lehet belőle kapni?
A foglalat kérdését sajnos okkal kerültem, jól látod (közben csináltam értelmesebb képet is mert az előző csak a telóval volt), de azért 1 db porcelát foglalatom van hozzá...még jó hogy 2 kellene...
Mindegy, marad a forrasztás+zsugorcsövezés. Közben melóhelyen (ahol ezeket is guberáltam) előkapartam egy régi precíziós állítható 0...1200V DC tápegységet, ha minden igaz még működik. Szóval azon majd fokozatosan növelve az anódfeszt kipróbálgatom (erre legalább jó lesz az az egy árva foglalat. Hogy sok van-e belőle, az relatív: 5 db (nekem nem tűnik túl soknak...)
Kis szerencsével törelhető IC foglalt + zsugorcső + hajlékony vezeték segítségével kiváltható a foglalat (és nem mellesleg nem rongálod a csöveket, amit gondolom nem is akartál volna közvetlenül a csőlábra forrasztással...).
Ültess nyákba egy novál csőfoglaltot úgy hogy ki van fúrva a közepe. Így csak 3 lábat kellene megoldani. Vagy nem novál az alja?
Tördelhető ICfoglalat? Ammi?
Lemezesről, és precíziósról már halottam, de tördelhetőről még nem. Most belepróbáltam a lemezesbe egy lábát, hááát, necces. Éppenhogycsak belefér, de ezt meg feldarabolni... szóval érdekes lenne/lesz. Amúgy mi a gond a lábra forrasztással? Nem 2,5mm2 kábelt akarok ráforrasztani, hanem vékony kis drótot, a lábak végére. Milyen problémát okozna ennek a túlbonyolított glimlámpának?
A lábak osztóköre megfelel a 9pólusú noválnak, csak itt 10 láb van körben, nem 9 . Tehát még csak a 9es novált se tudom neki átalakítani, mert 1 láb kivételével az összes furat rossz helyen van.
A fehér a saját porcelán aljzata, jobbra mellette pedig a normál 9es novalok. A porcelán 5 belső furatából csak 3ban van érintkező, a bal felső, és a jobb alsó üres.
Sziasztok!
Lenne egy kérdésem, mia különbség az AZ1, AZ2 és AZ12 között? Lehet-e őket egymással helyettesíteni?
Nekem sok találatot adott a google arra hogy "tördelhető IC foglalat", Bővebben: Link
Ok-ok, bevallom bűnömet, rá sem kerestem a guglival (mondjuk nem is ezt mondtam...)
De, amit linkeltél, az lehet hogy tördelhető, de ugyan olyan a foglalat része mint a precíziósnak, és mint említettem, a sima lemezes IC foglalatba is alig megy bele, a kisebb átmérőjű prec.-ba esélytelen. Egyébként, ha jobban megnézed, az a "sok találat", az kb 3-4 bolt, a találatok fele az Elektro-expresszre mutat... De mindegy, mert nem fér bele.
Van ennek a típusú foglalatnak rendes neve? Ebayen csak lehet kapni...
Szevasz!
AZ1 max.60, AZ2 nem tudom, AZ12 120mA max. áram, többi adat nagyjából azonos, kevéssé fontos. Üdv: StMiklos
Nem tudom, biztos van, de annyira még nem vagy mélyen/régen az elektroncsövek birodalmában, hogy ilyesmit tudjak.
Próbáltam rákeresni,, hogy noval 10pólus, 15pólus, de még csak hasonlót se dobott. :no:
Megnéztem, de még hírből sincs. Ez valami nagyon egyedi cucc. Mindenképpen az egyesével rádugható megoldást kell keresni, valamely csalakozó szétszedésével.
Nagyon egyszerűen lehet ilyen foglalatokat csinálni egyedileg olyan csövekhez mint ez is főleg a hideg katódos csövekhez .
Nem oly rég én is elkövettem hasonlót egy nixie csőhöz egy darab nyáklemez , kibelezett D-sub csatlakozó tüskéi és máris kész az egyedi foglalat . Bővebben: Link
Tetszik az ötlet, nekem az előbb a tus alatt (mert hát hol máshol) hasonló jutott eszembe: nyákba forrasztható tüskére való forrpapucs, 1mmes, és így már a kábelezés megoldható lett volna.
De a Te ötleted mérföldekkel jobb, D-subjaim is vannak itthon. Ezer köszönet, és hála!
Fejlemény EZ10A ügyben:
Próbapanelra összeraktam, és labortáppal meghajtva tesztelgettem. Felemás eredmény született. Anódellenállás nélkül már 300V-ról szépen világít, az egész sort beüzemelve elég látványos. Viszont az áramkorlátozás hiánya miatt 10-15mA-t is zabál (~4W), de ugye, nem erre van tervezve a kis cső, tehát melegszik mint az állat (valószínűleg gyors halál lenne az eredmény hosszabb távon). Ellenállással már jobb a helyzet, 1 - 1,2mA -rel megelégszik, viszont kell neki 550-580V, és így már csak 1 szegmens működik egyszerre. Természetesen ez nem kizáró ok egy kiv.jelzőnél, de nem is olyan látványos mint a sávos. Úgyhogy, most megy az agyalás, hogy mit is kezdjek vele
Ellenállás nélkül soha...
Segédkatódok hová voltak kötve? Egy ellenállás volt és a katódokat párhuzamosan kötötted? Ha igen akkor próbáld meg minden katódra külön ellenállással.
A segédkatódok összekötve, de ha üresen hagyom akkor nem szól bele, ha 50kohmmal lehúzom, akkor memóriaként működik a cső (az egyes katódokra elég egy impulzus, és 'ott marad' a kijelzés, más katódra érkező impulzusig).
Sziasztok.
Találtam itthon egy EM 11-es csövet,hogyan tudnám működésbe hozni. Annó egy régi rádióból szedtem ki és akkor még működött.(a rádióban) Köszi.
Köszönöm.
Átböngészem. Az egyik videomegosztó oldalon találtam róla videót ahol vu-méter-nek haszálják,jópofa.
Ez egy varázsszem. Nincs köze a gáztöltésű csövekhez, de az elektroncso.hu-n van egy oldal, ami ezzel foglalkozik. Igen, használható kivezérlésmérőnek is. A csöves topicban van a meghajtásához kapcsolás BF245-ös FETel. A tápja meg 250Vdc-t igényel.
Akkor pld.egy erősítőre csatlakoztatva jellel vezérelve nem igazán működne,külön kapcsolás kellene hozzá?
Ezt nem tudom ,nem próbáltam még. Ezek negatív feszültséggel működnek, van egy tartomány, ami teljesen kivilágítja. Meg kell adatlapon nézni. Ha jól emlékszem ezek olyan 0-tól -10. -20V ig vezérelhetők. Van talán olyan kapcsolás is, ami a hangfalkimenetre köti őket. Szerintem az erősítő végén csak úgy simán tönkremennek, nem is jó (egyenfeszültség vezérli őket). A bemenete az erősítőnek meg nem ad elég kakaót, ugye 1V körüliek szoktak lenni. Vonalszintről nem működik. Olvasd el a cikket, abban jól le van írva. Itt az oldalon a kapcsolások között is van. Nem pont ezzel a típussal (talán EM84-el), de az ott leírtak jók kb. ehhez is szerintem, bár ez nem egy tömegcikk lehet.
|
Bejelentkezés
Hirdetés |





).










