Fórum témák
» Több friss téma |
Mielőtt kérdezel, a következő két dolgot ellenőrizd!
I. A helyes tápfeszültségek megléte.
II. A kimeneten van-e egyenfeszültség.
Élesztés.
Van benne egy pár szokatlan megoldás...
Konkrétan: három. ...amit nem értek. De majd kiderül, miért lett olyan, amilyen.
Nem beforraasztva mértem.Az a baj hogy a környékén más rendelleneset nem látok.Kiforrasztom és megmérem úgy is aztán meglátjuk.
Értelek, alacsony költségvetésű építésnél egyértelmű a trafó meghatározó szerepe. Írtad a Texas kapcsolásnak nem vagy barátja, azért az egynél nagyobb erősítésű teljesítmény fokozat nem ördögtől való
Ha ez az erősítés csak 2-3 szoros (Texas 11 szeres) egész jó eredményt lehet elérni. A mellékelt kapcsolás amellett, hogy 3 szoros erősítésű teljesítményfokozatot tartalmaz, még sok érdekességet vonultat fel.
Az IC körével van gond szerintem, nem fogja bírni kihajtani a végfokot.
Nem találtam katalógusban adatot, de számolj utána... Az IC kimenete +-40V irányában meg van fogva 2kOhm -okkal, arra is kell dolgoznia az ic-nek, meg a meghajtókra is. Szerintem a TL kimenő árama nem lesz elég hozzá, főleg úgy, hogy a tápfeszt 2kOhm -on és 23V -os zéneren keresztül kapja mindkét ágban. Mire kinyögné magából a meghajtóáramot, elfogy a tápfeszültsége. Szerintem hagyd ki a 2kOhmos soros ellenállásokat. A másik nagyobb gond a nyugalmiáram állító trimmernél van. Ha kontakt hibás lesz a trimmered, vagy esetleg megszakad, elhaláloznak a végtranyóid. Van ettől jobb megoldás, aminél a trimmer hibája esetén nem nő meg az egekbe a nyugalmi áram. A harmadik nagy gond vele az, hogy invertáló erősítő lett a végfok, amit kis impedanciával kellene meghajtanod. Ellenkező esetben a meghajtó impedanciától fog függeni az erősítése a végfoknak (potméter kizárva a bemeneten). Meg -ha már a bemenő résznél tartunk- jó lenne az ic bemenő differenciál fokozatának azonos áramot biztosítani, ami jót tenne az erősítőnek.
TDA7293 vagy TDA 7294-es icvel és csöves előerősítővel egy hibrid erősítőt. Érdemese rá beruházni van-e valakinek tapasztalata? Táp minden van hozzá csak maga az egységcsomagot nem vettem meg mert agyaltam ezen az egészen... Mármint hibrid erősítőkel kapcsolatban
Szerintem ennek semmi értelme, nem lesz csöves hangja.
Itt érdeklődj.
Pedig nem rossz ám...
Bár én is csak brahiból alakítottam át és a sima műveleti erősítős sem szólt rosszul.
Szia! Gitárosunk épitett ecc83 előfokos stk végű gitár erősítőt Nem volt rossz hangja, tetszett!!Tényleg jó kis erősítő lett!!
De ha klaszikus csöves hangzást akar az ember akkor csöves elő- vég fok és kimenő trafó!! Ez bebizonyosodott.
Csöves hangzás már van otthon.Próbálgatok mi a tökéletes mi az igazi stúdióra. És nem érdekelnek a hőzöngős dumák. Quad 405, tda 2009, Yamaha ax-500, Ecl 86, Unitra szobai 2x40 wattos, "sharp noname" beállt a sorban. Nagy teszt még nem volt de lesz és láthatatlanban. Még szerintem lesz ott füles erősítő is bár nem egy kategória meg szerintem full a osztályos tranzisztoros kapcsolások is és még talán d osztályos is.
Nekem nagyon tetszik
Köszi
Egyébként sokat kisérleteztem a hangjával.Jelenleg a bemenő buffer egy 5532 (Philips) a cső az 6N23P-EV, kimeneti buffer pedig NJM 2043DD (JRC). Számomra ez a nyerő kombináció, ha valaki megépítené érdemes kipróbálni.
Erdekes megkozelites es hasonlat a csoves hangzas magyarazatara. En egy dologgal kiegeszitenem: pszichologia. A peldam erre az amit parszor mar leirtam itt-ott, de azt hiszem nem ez lesz az utolso eset
Ket eve a WestEnd Hiltonban tartott HiFi Shown tortent, hogy epp az altalam epitett full tranzisztoros B5 erosito szolt (az asztal alatt nem lathato helyen) es a bemutato vegen odajottek gratulalni, hogy milyen szepen szol a csoves erosito ami az asztal tetejen volt. Az igazi telt, eros csoves hangzas miatt gratulaltak! Akkor esett le az alluk amikor mondtam, hogy egy full tranyos erosito szolt az asztal alol es megmutattam nekik a B5-ot Szoval a csoves hangzas nem csak az alkatreszekben rejlik hanem az ember fejeben/tudataban is. Ha olyat akar hallani vagy ugy véli, hogy olyat hall akkor azt is hallja.
Meg szerintem a környezet is beleszól a dologba egy - egy erősítő meghallgatásakor. Milyen a "terem", milyenek a hangfalak, milyen a hangforrás, milyen zene szól, stb... Ha meg valaki ismer már egy zeneművet, akkor biztos, hogy még beleképzel olyan dolgokat, amik nem úgy vannak a valóságban. Ahogy mondtad, pszichológia.
Mondjuk az én fantáziámat az birizgálja, hogy két high-end kategóriás erősítőt képes-e bárki megkülönböztetni? Pl ahogy Te is írtad, hogy a B5 végfokodra azt hitték, hogy csöves végfok. Tehát csak a szubjektív szempont döntött "A" vagy "B" erősítő esetében. Vagy nem? Vannak dolgok amiket lehet mérni, ezt olvastam. Viszont van számtalan olyan dolog, amit nem lehet mérni, vagy csak nagyon nehezen. De most végülis melyik erősítő a legjobb? Az, ami tökéletes jelalakkal rendelkezik, amelyik nem tűzdeli meg a zenét mindenféle felharmónikussal? Vagy az, ami "kiszínezi" a zenét?
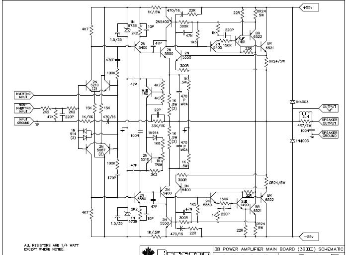
Hali! Amit belinkeltem arra később már írták hogy nem úgy kell megcsinálni (a zénereket nem sorba kell tenni, a poti közepe ne menjen közvetlen a tranyó bázisára). Mellékelem a rajzot jelenleg ez van megépítve ma fogom csinálni az első tesztet is.
Kapcsold ki a ventilátort ha nem autómata és ha úgy is melegszik hangszóró nélkül ,akkor lehet hogy valahol gerjed vagy hibás alkatrész, ellenállás van. Mérd meg a hangszórókimenetet és azt is hogy a +-33V egyforma-e.
Udv,
En ezen az erositon meg valtoztatnek tobb dolgot is. Egyreszt a 4.7k-s bemeno ellenallashoz keves a 680nF-os csatolo kondi. Masreszt a 200k/4.7k altal meghatarozott erosites szerintem feleslegesen nagy. En megnovelnem a bemeno ellenallast mondjuk 10k-ra, a visszacsatolo ellenallast pedig kb. 330k-ra igy a teljes erosites 330k/10k = 33 lesz ami boven elegendo. A 10k-s bemeno ellenallashoz meg mindig karcsunak tunik a 680nF, ahhoz inkabb 2µF-ot javasolnek. A visszacsatolasban levo 33p is kicsit soknak tunik, le kellene csokkenteni kb. 10p-ra. Tovabba a zenerekkel parhuzamosan nem artana 1-1 100nF-os hidegito kondi. A darlington vegtranyok helyett sima vegtranzisztorokat hasznalnek. Felesleges az oriasi aramerosites oda, gerjedekenyebb, instabilabb lehet tole az erosito. A kimeno fokozatanak az erositeset is lecsokkentenem kisebbre. Ehhez az R3 es R4 ellenallasokat kellene lecsokkenteni mondjuk 100ohm-ra. Elso ranezesre ennyi ... sok sikert a probahoz!
Nálam a 400K / 22K okozhatott olyan hallhatatlan és eszközeim számára mérhetetlen gerjedést, hogy kinyírta a végtranyóimat. Akármit próbáltam összehozni és mérni, erre a következtetésre jutottam.
Jelenleg 100K / 1K-t használok, ahogy belinkeltem egy rajzot. Ez megfelelően stabil és jól is szól. A Texas-hoz hasonló véget igyekszem hétvégén megalkotni.
Jelenleg az egész erősítő már nyákon van, a zénerekkel tettem párhuzamosan 100-100nF-ot, a bemenő kondi 1uF, az ellenállásokat majd cserélem, délutánra szerintem meg lesz a teszt is. Sajnos 10pF kondim nincs itthon.
Egyszerűbb lett volna a Texas erősítőt megcsinálni, az kiforrott, kipróbált, jó.
Úgyis arról van koppintva.
Az igaz, hogy a darlingtonnal gerjedékenyebb, de sima végtranzisztorral meg 4 Ohmra nem lehet kihajtani a végfokot, mert nincs elég árama. Csak olyan végtranzisztorokkal lehetne 4 Ohmra használni, amiknek közel 1000 a bétája.
A Texas erősítőmmel így jártam, annak idején ezt Bassmesterrel és még másokkal eléggé kiveséztük. A Texas 16 Ohmra készült. 8 Ohmra még elmuzsikál, de 4 Ohmon már gondja van. Ez is a Texas kapcsolás, amit doomkiller csinált. Csak +/-40V a tápja. Max. kivezérlésnél 4 Ohmra a csúcsáram 9A. Egy sima végtranzisztor bétája 8-10A körül már csak 10 körül van, így a meghajtónak 800mA -t kell leadnia. A BD135-136 -nak legrosszabb esetben 40 körül van a bétája, ami alapján az ic -nek kb 20-25mA -t kellene leadnia. Annyit meg nem tud az ic.
Minek neked a 100-szoros erősítés? Mikrofonhoz használod?
Dehogy... Viszont elírtam. Nem 1K-t használok, 4,7-et. Viszont így is rohadt módon érzékeny még. Tesztelgetéshez kell amúgy, hogy érzékeny legyen, mert néha a laptopomat nem rángatom ki a forrasztós asztalhoz, a telefonom jelszintje meg nagyon alacsony.
Én ezt csak tanulóerősítőnek szántam, ha szép lesz a hangja megtartom ha nem akkor meg újrahasznosítom, meg ha netán eldurrannak a tranyók kidobtam egy kevés tanulópénzt.
Milyen végfokot javasolnátok 2*70V , 600W táphoz ? Modernet, egyszerűt. Lehetőleg csak 1 pár végtranyóval.
Köszi! Idézet: „Az igaz, hogy a darlingtonnal gerjedékenyebb, de sima végtranzisztorral meg 4 Ωra nem lehet kihajtani a végfokot, mert nincs elég árama.” Igazad van, nekem a +-40V-os tapfesz el is kerulte a figyelmem. A Texas kb. +-25V-os tapja volt a fejemben Illetve 4ohmos terhelessel sem szamoltam, nem emlekeztem ra.Ezesetben en kisebb tapfeszt adnek az egesz kapcsolasnak (max. +-25-30V) es inkabb BD135-136-16-os tranyokat (vagy jobb, MJE tranyokat) hasznalnek. A darlingtonokat tovabbra sem forsziroznam, helyettuk jobb vegtranyokat hasznalnek (valamelyik MJL komplementer par).
Hátőőő... Egy Mayan féle végfokot.
2 x 70V-ra esetleg egy nagyon átalakított Quad405-öt. Az enyém 2 x 64V-ról üzemel.
Idézet: „Én ezt csak tanulóerősítőnek szántam...” Azert a tanuloerositot is erdemes ugy megtervezni es elkesziteni, hogy az ne alapveto hibakon verezzen el
Megcsináltam a tesztüzemet +- 18Vról, de nagyon gerjedt 5.6A vett fel és nem is lehetett rajta állítani a hangszóróból meg furcsa sípolás-búgás hallatszott. Úgy látszik újrahasznosítás lesz belőle, inkább próbálkozok én is a ThomAce féle verzióval.
Arra vigyázz, hogy nagyon könnyen begerjed az erősítő nagyobb tápfeszültségen és kinyírja a végtranyókat. Én is így jártam vele. Azért variálom a félvezetőket. 2 x 16 - 2 x 18V között teljesen stabil az erősítő amit csináltam.
|
Bejelentkezés
Hirdetés |











