Fórum témák
» Több friss téma |
Fórum » Tranzisztorok helyettesítése
2SA1024 és 2SC3206 néven keress rájuk, kb. komplementer NPN/PNP páros, 150V max. feszültség, 50mA max. áram, 120MHz sávszélesség, az Y jelölés miatt pedig hFE=120..240.
Sziasztok!
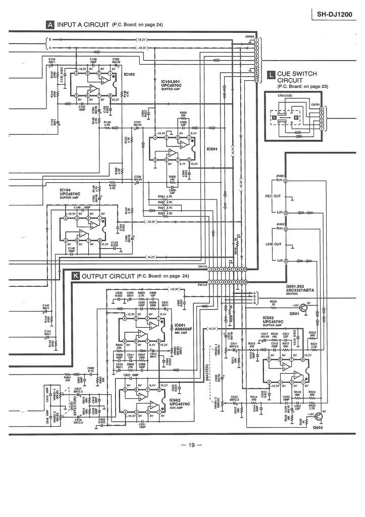
Szeretném megépíteni a Technics SH-DJ1200 mixert a szervízkönyv után.A panelokat már majdnem átrajzoltam az eredeti után.De a benne lévő tranzisztorok-at nemtudom honnan lehetne beszerezni.Esetleg helyettesíteném valami más tipusokkal. 2SC3327ABTA 2SD2144STA UN4115TA Köszi előre is Szép napot
Sziasztok kiderítettem milyen ic ment tönkre SBT100-16LS 160V 10A ezt milyen másik IC vel tudnám helyettesíteni amit itthon is kapni???
köszönöm szépen
nézzétek el nekem csak hobbi szinten csinálom csak.
Sziasztok!
S9013 S9014 TCD8050D Helyettesítőt keresnék, jó lenne ha ugyanezt tudná mint az eredeti, scak jó lenne ha nagyobb áramerősséget képes lenne elviselni egy 12V-os szerkezetbe kellene ami körülbelül 10db ledet villogtat (kék). Előre is köszönöm!
UN4115TA: Adatai alapján "általános" kisjelű PNP tranzisztornak néz ki, amely tokon belül tartalmaz egy bázisával sorba kötött 10 kOhm-os ellenállást. BC széria valamely PNP-je egy bázisára kötött 10kOhm-al kiválthatja.
2SD2144STA: NPN, Vceo:20V, Ic:0,5A, 0,3W, ft:350MHz. Az extrém magas béta értéket (1200) leszámítva különleges tulajdonságát nem látok. Ha nincs jelen nagy frekvencia (f<1Mhz) és szükséges a magas béta, akkor darlingtonnal is kiválthatod. 2SC3327ABTA: Eleve spéci felhasználásra szánja a gyártó: for muting and switching, ha a kapcsolásban ilyen módon van a hangfrekis jel útjában, akkor csak a karakterisztikák összevetésével tudod kiváltani. Bár a görbék alakja nem tűnik szokatlannak, össze kell vetni más kisjelű tranzisztorokéval. Van egy paraméter, amit ált. nem szoktak megadni, de itt a felhasználás miatt fontos lehet: reverse hfe:150... Nem egyszerű eset, de nem is megoldhatatlan (olyan nincs...).
Halihó!
Felraktam a kapcsolás azon részét, amibe vannak a tranyók.Lehet, hogy így könnyebb helyettesítőt keresni.
Így már összejött.Eddig nem tudtam, hogyan kellett helyettesítőt keresni azon az oldalon.
Szép estét
Félig ON, félig OFF...
Amit az a kereső eredményként kidob, az kellő biztonsággal csak DC-n felel meg helyettesítőként... Annyi paraméter alapján, amit az a kereső használ, pl. a kért 2SC3327 abszolút nem helyettesíthető, olyan paraméternek kell megfelelnie (inverz üzemre megadott hfe), amit általános tranzisztoroknál még a részletes adatlapok sem közölnek (jó példa ezen erősítő bemenete, ami több oldalon át tartó vitákat váltott ki). Kering fenn a neten sok keresztreferencia táblázat, amely más gyártó egy az egyben megfelelő típusát tartalmazza, csak az a gond, hogy a Google itt sokat nem tud segíteni, mivel ezek többsége szkennelt kép, így jön a tűt a szénakazalban effektus. Az egyik ilyen táblázatban megtaláltam ugyan a keresett típust, de az funkcionális helyettesítőt nem ad meg. DC helyettesítő természetesen van kilóra... Illetve van (szerintem) licencgyártmány, ami KTD1303 néven fut, de a hazai kereskedők fiókjai nem azzal vannak kitömve... A sikerre vezető út az ilyen spéci tranzisztoroknál szerintem az lehet, hogy funkcióra keresünk (alldatasheet.com: sok találat), a DC paramétereket a kapcsolás alapján ellenőrizzük. Audio kapcsoló és némító célokra gyártott / válogatott tranzisztorokat kell keresni, majd a beszerezhetők közül olyat választani, ami az adott kapcsolásban DC-re is megfelel. A fenti sárga linken elérhető kereső sok olyan típust kiejt, ami megfelelne ugyan a feladatra, de pl. a max. Ic nem 300mA vagy több, hanem mondjuk csak 100mA. Hol érdekli ez magát az áramkört, ha abban csak pl. 10mA Ic mellett üzemel???
Sajnos a rengeteg kiadott helyettesítőből alig lehet valamit beszerezni, vagy más tokozása van.A HQ VIDEO oldalán szinte mindenre amit beírtam azt dobta ki, hogy kifutó tétel.Vagy egyátalán nem rendelhető.
Szia!
Itt is kereshetsz helyettesítőket.
Üdv!
Itt pontosan melyik oszlopot kell nézni?(Replace part, Product summary)
Valóban ez az egyetlen vásárolható meg a 3-ból.
![]() Halihó
Ez előbb-utóbb elérhető lesz.
A bázis-előtét ellenállásos tranzisztort, pedig elkészítheted külön 10k-val, általános célú BC tranzisztorból.
Sziasztok!
Igaz ez nem tranzisztor de lehet hogy valakinek van valami ötlete hogy, egy stk 4040X mivel lehet helyettesíteni.
hFE-szerinti válogatás után: veszel 20-at, és megméred, hogy melyik elég jó hozzá. Az 5088 garantált minimum hFE-je magasabb, a 3904-ből nem mindegyik fogja ezt tudni; ha az áramkörben kihasználták ezt (valószínű, különben nem ilyet raktak volna bele), akkor válogatni kell.
Köszi mindkettőtöknek, akkor másképp teszem fel a kérdést, hogy biztos lehessek a dolgomban.
Ehhez a kapcsoláshoz milyen tranzisztorokat használhatnék a 2N5088 helyett? Tudom, hogy ahhoz is hozzá lehet jutni, de a Hestore-nál rendelnék sok egyébbel együtt, náluk ez nincs.
Szia!
Az itt felsoroltak közül akármelyik jó az eredeti helyett.
Sziasztok! Az lenne a kérdésem, hogy a Db238 helyet jó-e a mje243. A válaszokat előre is köszönöm.
helló sziasztok!
tranzisztort keresek vagy helyettesítőt,tudtok mondani valamit ? 2sa1065 és 2sc2489 ?
Szia!
Helyettesítő-keresés
Sziasztok. Érdeklődnék egy C1815-ös tranzisztorról hogy mivel tudnám helyettesíteni? Előre is köszönöm.
|
Bejelentkezés
Hirdetés |




nézzétek el nekem csak hobbi szinten csinálom csak. 






