Fórum témák
» Több friss téma |
Sziasztok. szretnék épiteni egy Rc autóbol egy Wifi routeral vezérelt autót kb ilyetmint ez : http://www.jbprojects.net/projects/wifirobot/
nem tud valaki olyan oldalat még ahol ilyennel foglalkoznak jolenne magyar ..előre is köszönöm..
Ugyanaz csak lefordítva:
kattints ide
de nekem valami részletesebb leirás kellene meg ha levan forditva eleg sok mondat értelmetlen.. esetleg valami olyan oldal ahol a dolgok részletesebben levannak irva olyat nemtudtok ? mar nagoyn sokat kerestem google ban.. de hát nemsok oldalat találtam ami ilyesmivel foglalkozik ..
Nem hajt a tatár! Nyugodtan leírhatod rendesen is, úgy érthetőbb lesz. szamóca
Úgy gondolod vagy is olyan szinten, hogy ezt teljes mértékben kivitelezd?
Az írásodból következtetve, bocsáss meg de nem hiszem.
Szia lehet hogy ez segít!
Jéé ugyan ilyen távirányítós autóm van!
Üdv!
Érdekes dolog, és nem olcsó! Aki csinálta sokat költött: 296 CAD, ami kb 62500 HUF Magyarországon: IP kamera: 20 ezer Router: 14 ezer Olcsó kínai RC autó: 1-2 ezer Aksik: sok (ha nincs otthon) egyéb alkatrészek: hát.. Nincs igyen + alkatrészek szállítása fél tucat üzletből Talán én is megcsinálom
Szia Az akku kb.: 5000ft Én a 10.-re gondoltam
+Router: Ez szerepel a cikkben is. +Ip kamera: Link +Rc autó:Link
Hmm...
Az aksi jól hangzik. De ha túl nehéz...
Kell még egy 9V-os elem is.
A 9v-os elemert szerintem lehet helyettesíteni egy feszültségszabályzóval 7809 vagy egy ellenállásal.
Az akku szerintem nem olyan nehész mert a képen elég vékonynak tőnik.Majd rakok fel az áramellátásról kapcs rajzot.+Melléklet bevásárlólista.
Én tudok Neked szerezni WiFi-s IP kamerát. Ami a jó benne, hogy forgatható és dönthető. Nem tudom, biztos meglehetne oldani azt, hogy ne a kamera motorjait vezérelje hanem optocsatolón keresztül a távirányítós autó motorjait.
Olcsóbb és egyszerűbb a 9 voltos elem.
Szerintem érdemes lenne a routerrel kezdeni, az nem olyan bonyolult. Összerakni.
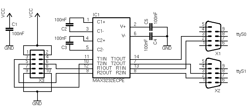
A hestore-ból melyik rs-232 buszmeghajtó lenne jó? Az összes kondenzátor 1 µF-os ?
Itt vagy lorant? Nagyon csendes vagy.
Én csak a routerre gondoltam. A C1 uF, de a C2, C3 C4 és C5 nincs megadva.
Igen ittvagyok..olvasom amit irtok..várom hogy meghozzák a routert ..aztán megcsinálom rá ezt a modot : http://www.jbprojects.net/articles/wrt54gl_mods/ es ha fog menni ugy ahogyell akkor majd elkezdek gondolkodnia többin..csak ottvagyok most hogy nemtudom hogy a routerbe az a uj softwaret amita cikkben irnak hogy fogom beletenni..
Ez a szöveg is piros lesz. Szerintem tényleg írd meg rendesen, mert bünti lesz. Én többször átnézem.
Én is a routerrel fogom kezdeni, de előtte kell találnom egy Pic égetőt, mert nincs nekem. Mindent a Hestore-ból akarok megrendelni. (Kivéve kocsi és hasonlók.) Elkezdtem tanulmányozni a routerrel kapcsolatos dolgokat. Majd ha tudok biztosat, akkor írok. Megnéztem a MAX232 adatlapját, 1µF-os kondenzátorok kellenek. Az autóhoz RSR232A kéne, de az nincs a Hestore-ban. Szerintem lehet helyettesíteni az előbbivel, de akkor a kondenzátorait ki kell cserélni megfelelőre. Érdemes lenne a memóriakártyát egy foglalatba tenni, így bármikor kiveheted.
Szerintetek a WRT54G router is jó?
Van egy talán túl zseniális ötletem.
Néhány infra leddel lehetne éjjellátó kamerát készíteni.
Nem akarlak elkeseríteni... de ezt már kitalálták egy páran.
Bővebben: Link
Tudom. Innen van az ötlet. Akkor jutott az eszembe, amikor a ledeket néztem.
Üdv!
Leírom a frissítés menetét: 1. Csatlakozz a routerhez (kábellel) 2. Firefox nyit (vagy más internetböngésző) 3. Írd be a címsorba a router IP címét (alap: 192.168.0.1) 4. Kéri a felhasználónevet és a jelszót (nem tudom mi) ![]() 5. Administration/Firmware upgrade 6. Browse: keresd meg a letöltött .bin fájlt 7. Upgrade És legyél vallásos a frissítés előtt/alatt.
A soros port GND-t hová kössem az autóban?
A többihez, ugye? Nem szeretném megsütni a routert.
Felhasználónév:root
Jelszó: azt hiszem neked kell megadni egyet első indításnál (érdemes resetelni a routert) Ezt kell feltenned Ezek közül kell valamelyik router, a megfelelő verzióval: Linksys WRT54G 1.0/1.1/2.0/2.2/3.0/3.1/4.0 Linksys WRT54GL 1.0/1.1
Sziasztok!
Azt akorom megkérdezni hogy tik a routerbe megcsináljátok az sd kártya módot
Valószínűleg igen, de a memóriakártya foglalatot biztosan beleteszem.
|
Bejelentkezés
Hirdetés |







Néhány infra leddel lehetne éjjellátó kamerát készíteni.

A többihez, ugye? Nem szeretném megsütni a routert. 




