Fórum témák
» Több friss téma |
Ez amellett hogy fogja a mágnes meg hamar el is veszíti a mágnesességet.
Kevésbé mágnesezhető a lágyvashoz képest. Ráadásul ezért könnyen is gerjed a galvó és két mágnesem el is vesztette az erejét félig. A ferrit porvasmag ami konyhanyelven műanyag molekulákat is tartalmaz a fém atomok közt ezért is nagyobb ellenállású nincs akkora vezetőképessége sem. csakis lágyvas holnapra kész lessz a másik motor is lágyvassal simán ki lehet vele hozni a 30 K-t ha jól csináljuk.
A MediaLas-nak van egy ferrites galvója, ugynevezett: Catweazle scanner Bővebben: Link
Ezt a típust pár éve láttam működni is, egyik ismerősömnél volt egy ilyen lézer kölcsönbe, akkor hamar szét is szedtük, lefotóztuk. Kör alakú ferrit van benne, egy sorban van rá tekerve a vezeték, menet-menet mellé. A csapágyazása tűcsapágy. A ferrit egy helyen el van vágva, és ott van benne a mágnes. Már korábban tettem ide ebbe a topicba egy képet róla. Üdv!
lehet hogy működik a dolog bár így nem hogy sima kör és benne a mágnes és nem úgy hogy meg van vágva.
Nem kizárt más módon való működés. Viszont tudnál linket küldeni vagy mégegyszer feltenni a fotókat amit csináltál róla ?
Bővebben: Link
Az a gond hogy a feritet nem egyszerű megmunkálni, pedig lehet ezen az úton kellene elindulni.
Ígértél valami képeket is, meg videót, az általad készített dolgokról
Idézet: „Az a gond hogy a feritet nem egyszerű megmunkálni” Még a reszelő is viszi...
Konkrétan, egy gyűrű alakú feritet, ami pl: kábeleken van zavarszürőnek, 4mm-es furatot kellene rá készíteni, és utána kettévágni, mint a linkelt képen van. Szerinted megoldható?
Még nem próbáltam fúrni, de a kicsi vágókorong, amit a nagyfordulató kisfúrókra lehet kapni, az viszi, tehát elvágni el lehet.
Fúrni azért nem próbáltam még, mert nem kaptam gyémánt bevonatú csembe fúrót. Azt gondolom, az viszi. Igaz a furat méretét úgy kell kiművészkedni, mert ezeknek a feje kb. 3..3,5mm(amit én láttam legalább is).
Kiváncsiskodó tagod kedvéért, furni is lehet, nem szenved vele a fúrószár, de ha pontozzátok, akkor óvatosan.
Idézet: Itt óvatosan, mert a vágókorong könnyen törik, nem árt védőszemüveg, mert nekem már repült szét a korong. Egyetlen szépséghibája van, a korong gyorsan kopik, ha odanyomod neki, a vágásnál csak érintőlegesen kell. Azaz a koronggal csak koptatod az anyagot, és nem nekinyomod. A sima mezei fúrószár is viszi nem kell hozzá különleges. „nagyfordulató kisfúrókra lehet kapni, az viszi, tehát elvágni el lehet”
Meg arra sem árt vigyázni, hogy a ferrit nem szereti a hirtelen hőváltozást, mert elpattan.
Kenés nélkül próbáltam egy E magot fúrni keményfémfúróval, valamennyire vitte, de kopik az él,és el is pattant a ferrit. Lasú fordulaton jobban haladt a dolog.
Egyszerűbb, ha először előfúrod, utánna mész bele a nagyobb fúróval, nekem 3assal simán ment.
Egy fényképet tudsz feltenni?
2mm-el fúrtam elő, vadi új fúróval....
Estefelé megpróbálok, de csak próbából furtam.
Biztosan, de nem a csigafúróra fúróra gondoltam hűtés szempontból, mert nem lehet csigafúróval fúrni a ferritet, mert rideg, eltörik.
A hűtést a kisflexre írtam, mert az nagyon tud melegedni, szintén törés lesz a vége. Meg lehet próbálni vízzel is, esetleg emulzióval ha valakinek van. Amit én említettem fúrásra, az nem csigafúró, hanem gyémántszemcsés tömör "fúró". Viszi a csempét, mint a vajat, lehet lyukakat, mintákat vágni bele. Ezzel szerintem tutitra meg lehet munkálni a ferritet, vagy akár egy mágnest is(persze nem a neot, mert az más tészta...). Találtam is, a gyémántosok között nézzétek(de lehet, hogy a csampemarók is megfelelnének): Bővebben: Link Ez is jó doksi, leírás is van az anyagokhoz: Bővebben: Link
Le tudnád rajzolni hogyan volt összeszerelve? Mert nem látom magam előtt az egészet. A kép sem sokat mond. Megtennéd? Köszi!
A vágással nincs gondom, gyémántszemcsés tárcsával mint a vajat, úgy viszi. a fúrást kell még körbejárnom.
Megvallom őszintén, a gyémántporos megoldás nem tetszik, szerintem közel sem lesz olyan méretpontos és alakhű, mint kellene.
Az biztos, hogy nem, de a fúró sem viszi ki soha pontosan szerintem. Meg lehet próbálni a Volfrám-karbid marófejekkel esetleg...
A fúróm is wolfrámkarbid anyagú...
Ha két lépcsőben sikerül fúrni, akkor az pontos lessz. Úgy meg félő, hogy kipattogzik.
Helló Mindenki!!
Többen érdeklődtek, hogy megjöttek-e már a mágnesek. Sajnos nem! (pedig már itt kellene lennie) A hétvégén megfogalmazok egy levelet (amit lefordíttatok egyik ismerősömmel). Szóval megérdeklődöm, hogy lehet-e valamit tenni, vagy megtudni a csomag hollétéről. Elég mélyen érintene, ha ezt a 13ezer forintot kidobtam az ablakon... (Ha valakinek vannak paranormális képességei kérem vesse be, hátha hamarabb ideér, ha nem lopták el...) A karbon rúd (tengelynek való) viszont már itt van. Szomorúan konstatáltam, hogy az 1mm-es átmérő csak 0.9-es, illetve hosszabb darab (3centi) már könnyebben hajlik. De elvileg oldalirányú erők nem hatnak a tengelyre, ezért a hajlékonyság nem okoz gondot. Az átmérő miatt elkezdtem gondolkodni más tengelynek való anyagokon. Beötlött az injekciós tű..... persze véletlenül sincs belőle kerek 1.00mm átmérőjű. De van belőle 1.10 átmérőben 40, 50mm hosszban. Az 1.10-est szerintem le lehetne csiszolni 1.00-ra, és mágneshez pedig jól illeszkedne az eredeti mérete. Injekciós tű katalógus. Csapágy: ma beszaladtam, hogy vegyek pár 1es csapágyat....eladó mondta hogy csak 1db van raktáron, mondom elviszem azt az 1-et, hogy "ismerkedjek vele"... persze azt 1et sem találta meg... Elkérte a telefonszámomat, hogy értesítsen a fejleményekről.
Előre kellett fizetni? Ezt nem is gondoltam volna! Remélem nem lesz gond!
Webshop-okban ált. előre kell fizetni...
Vagy lehetséges még az utánvétel is csak az drágább főleg kölföldről
Én ugyan igy jártam,külföldről rendeltem lézert,elvileg feladták a csomagküldő szolgálatnak,de ott nemlehet rákeresni a szám alapján.
Már meg kellett volna érkeznie,irtam nekik levelet,azt irták utánanéznek... később irták hogy semmi probléma,de még a szállítónál is megérdeklődik. Azota semmi hir a cuccrol és 26 ezer FT om van ott
Hali!
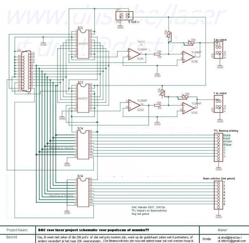
Feltudna engem valaki világosítani azzal kapcsolatban hogy ezeknél a DAC PID.... felépítésű szkennereknél a lézert hova kell kötni? Itt most nem arra gondolok hogy honnan akasszak le neki tápot hanem, hogy az honnan kapja a vezérlés? Vagy mi kell hozzá hogy legyen kioltás? Mert az LPT-s DAC-on én nem látok a lézernek semmi kimentet. Bővebben: Link
ott van TTL blanking....
Még a színeket is odaírták..
Szia!
Van valami jó híred?
Írtam egy levet már nekik, amit olvastak is.. de még válasz nem érkezett..
|
Bejelentkezés
Hirdetés |





