Fórum témák
» Több friss téma |
Hello!
Az ellenállás és poti értékeket is megírhattad volna, mert kissé eltérnek az értékek attól amit számítottam. De nem olyanok az értékek, mint ha nem működne. Pld. számításaim szerint most ha bontanád a 30-31-et, akkor -11.4°C-t kellene mutatnia a DVM-nek. (vagy a hibás referencia miatt, kb. a felét) Az UA741 mintha működne, mert a 2-es és 3-as lábán azonos feszültség van, a kimenet, pedig ettől 618mV-137mV=481mV van a diódán. De a 4,7kohm-os ellenálláson (BE+), nem az általam számított 482mV van, tehát a dióda árama is kisebb, ettől a nyitófeszültsége is alacsonyabb lett. Viszont ha azt szeretnéd, hogy a kijelző most +17°C-t mutasson, akkor a 0°C-os poti közepén, kb. 618mV+(2mV*17°C)=652mV-ot kellene beállítani. De ehhez a referencia feszültségnek is más értéknek kellene lenni. Hiszen azt szeretnénk, hogy 2mV feszültség növekedésre a műszer 1,0°C- mutasson. A DVM 100mV referencia esetén, 200mV-ig mér, vagyis az alsó digit, 0,1mV értékű. Nekünk meg 0,2mV érték kell, hogy 2mV-ra 10-et (1,0°C) mutasson. Ehhez kb. 200mV referencia feszültség kell. De jelenleg, a 100°C poti közepén, (ami maga a referencia) most 424mV van. (Számításaim szerint itt is a poti tetején nem 428mV, hanem 775mV-nak kellene lenni.) üdv! proli007
Helló!
Jah, ahogy írod is, a műszer -10 körüli értéket ír ki. És a potik ellenállások értékei is azok amiket te szimuláltál (mármint poti 22K, ellenállások pedig 120K,20K, és 4,7Kohm) De akárhogy tekergettem a potikat, nem tudok beállítani a tiéddel azonos feszültségeket. A potik régi trimmerek de az ellenállásuk megfelelő, az ellenállásuk pedig kék, 1% pontosságú ellenállások. Esetleg vmelyiket módosítsam?
Hello!
Nem tudom. Most vagy a 741 bemeneti árama magas, vagy számításaim szerint az áramkörben a 4,7kohm fel van cserélve a 2,7kohm-al. Valamint a 100°C-os poti felett nem 120kohm van, hanem 220kohm. Mert akkor a feszültség értékek hasonlítanak arra, amit leírtál.. üdv! proli007
Nincs igazán 5 volt.Mert 4.85 van meg.A 741-es IC 3 és 4-es lábánál mértem
A GND-hez képest kellene nézni a 4-es és 7-es lábán a feszt.
A GND-hez képest 4.76 volt a 7-es lábon.4.66 volt a 4-es lábon.
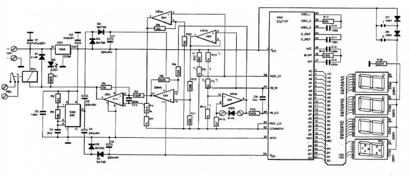
Nincs véletlen valakinek nyákrajza az alábbi hőmérőhöz?
Már többször fent van.Bővebben: Link
Végre eljutottam odáig hogy megkukkantsam a hibát.Egy átkötés nem volt rendesen leforrasztva.És a trimmerrel is kellett egy kicsit játszani,mert mindkettő le volt tekerve balra. Most már tökéletes.
Köszönöm a segítséget.
HEllo.EGy olyan 7 szegmens hőmérőt akarok csinálni ami 0tól 150C-ig tud mérni.És csak a számokat jelzi ki.Nem kel 0C kijelzés.Csak a számok.
Akkor azt nem kell beépíteni,ilyen egyszerű.
Esetleg egy ilyen rajzot tudsz mutatni?
Tele van a háló ilyen rajzokkal,többek között a HE is.
Pl:itt is De azért tüzetesen hasonlítsd össze a kapcsi rajzal.
Ez a rajz jó lenn nekem?Bővebben: Link
Persze hogy olvasom.Kössz a helpet.Csak rosszalkodik a Layoutom.
Sziasztok . Van valakinek rajza egy olyan hőmérőhöz ,amit rá tudok kapcsolni egy DMM-re? DMM-em van 3 db ,de hőmérsékletet nem tud mérni egyik sem. Ezért most nem vennék egyet.
Tessék:Bővebben: Link
200mV os állásban kellene jol mérnie.
Köszi szépen , valami ilyesmire gondoltam.
Sziasztok!
A kérdésem a következő szeretnék építeni egy hőmérőt ami 500C-ig mér de legalább(400C-ig),átnéztem a fórumokat de erre a kérdésemre nem találtam megfelelő kapcsolást vagy hozzászólást.Tudom lehetne vásrólni olyan multimétert ami tudja mérni a fent emlitett hőfokot de most nem ez a célom hanem épiteni szeretnék és ehez kérném a segítségeteket.Van egy kis 200mV-os alapműszerem és ehez szeretnék valamilyen kiegéstzitőt épeteni ami alkalmassá teszi az adott hőfok mérésére. Minden segitséget és hozzászólást előre is köszönök! Ha átsiklottam volna egy ehez a kérdéshez tartozó hozzászólást akkor elnézést kérek mindenkitől. Bővebben: Link
Hello!
Ekkora hőmérsékletet, már csak platina ellenállás-hőérzékelővel, vagy hőelemmel lehet mérni. Először az érzékelőt kell megválasztani (venni). Az után (vagy ezzel egyidőben) kell gondolkodni az áramköri megoldáson. De előbb tisztázni kell a beépítést, szükséges pontosságot és egyéb tényezőt. üdv! proli007
Szia!
A beépítés egy különálló doboz lenne,a mi a felhasználás a vagy a mérés helyétől függetlenül bárhova rakható szinte. A pontosság kérdése tekintetében azt mondanám, hogy elég 1C-fok pontossággal mér.Vagyis tömören az lenne a lényeg, hogy ez egy teljesen különálló mérőegység lenne ami nem állandóan mérne hanem csak alkalomszerűen.
Köszönöm a tanácsot.
üdv! pl.istvan
Sziasztok!
Közben utána néztem mármint akinek építeném a hőmérőt és bőven elég neki a max 300C-ig mér .Bármilyen megoldás jó neki.
Megépítettem az általam belinkelt kapcsolást, elég még csak szobahőmérsékletre állítottam volna be de elég nehéz a potit tekergetve.
1n4007 -el már a poti kicserélve 1k-ra mert kb 5-600ohm közt kell állítani.
Sziasztok!
Megépítettem a többek által is elkészített 741-el mőködő hőmérőt.Van viszont olyan gondom, amivel még nem találkoztam a topicban. Tehát, érdekes feszültségeket mérek a 741-en -4-es láb:-3,4V -7-es láb:5V eddig ok -2-3-as láb:2,4V -6-os láb:4,5V -7107 32láb:2,5V Végig mértem mindent, az alkatrészek megfelelőek, nincs zárlat vagy szakadás.Ha nincs benne a 741, vagy a 32 lábat lekötöm,akkor is ugyanez. Ha valaki tud segíteni, kérem legyen szíves Üdv: Csupasz |
Bejelentkezés
Hirdetés |









