Fórum témák
» Több friss téma |
Én nem fúrnám ki...
Tudom, hogy kapható méretre vágható/állítható ajtókapcsoló motortérhez, de ott sem fúrnék, ha nem muszáj...dupla lemez az orr résznél... inkább rakok egy mágnest és egy reed patront... Nem akarok hálátlannak tűnni, de lehetne a képet nagyobb felbontásban, de kisebb méretben? (pl. jpg) Esetleg több képet, ahol a számokhoz tartozó leíró táblázat is látható... Kössz! Üdv Inhouse
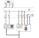
Megprobálom. Adj egy évjáratot, hátha találok megfelelöbb rajzot.
2004-2008.
Ennél jobb minöséget nem tudtam csinálni. Egyben nem igazán olvashato, csak igy 2 darabban.
Ezeket is köszönöm, megkérdezem az évjáratot, holnap...
Aludjunk! ![]() Üdv Inhouse
Sziasztok, kérdésem lenne..
Bekötöttem a riasztót a kocsimba, aztán rákötöttem a központi zárat is, vezérelte, fúúú dejóóó ![]() Ezután ha bekapcsoltam azt jelezte hogy nyitva van valamelyik ajtó, lekötöttem a nyitásérzékelő kék vezetékét, reakció ugyanez maradt, lekötöttem a kp.zárat is, jelenég maradt... Na ilyenkor mi lehet? Megfeszült a riasztóm agya? Köszi a választ előre is.
Az autó 2006-os, 1.9 SDI, Skoda Fabia Praktik
Üdv Inhouse
A nyitás érzékelőt ha testre kötöd, akkor jelzi azt, hogy nyitva van az ajtó.
Vagy letestelted véletlenül valahol, vagy késleltetett az utastér világítás kikapcsolása és trükközni kell... Üdv Inhouse
szia, ez a rajz az, csak kp vezérlő nélkül...
Hogyan jelzi, hogy nyitva van valami? Nem adtak hozzá, csak ilyen kézzel készült rajzot? A kéket ha testre húzza az ajtókapcsoló, akkor kell ajtónyitást érzékelnie...
Mivel Fordod van, meg kellene nézni, hogy neked nem pluszt kapcsol-e az ajtókapcsolód, sőt, hogy nem pozitív testelésű-e a rendszered... A sárga-narancs-fehér, valamint ugyanez fekete csíkkal, az 2db relé váltóérintkezői, az A jelű részt ritkán kell használni, elég ha testet kapcsol vagy ide, vagy oda, így nyit és zár. A piros-fekete csomagtartó nyitás nem egyértelmű, hogy bemenet, vagy kimenet... A sárga és a fehér szintén nem 100-as, nem hinném, hogy test lenne, inkább kapcsolt test a relének, az acc, az pedig kell a riasztónak, ilyenkor tudja, hogy gyújtás (vagy 1-el előtte) van, nem kapcsolhat be, és resetel is... Mi ennek a riasztónak a neve, típusa? Üdv Inhouse
Az én problémám 2 megoldás felé kezd hajlani:
1. Ha létezne 27eFt körül olyan Can-busos riasztó, aminek 2db saját távirányítója van, akkor azt vennék, eddig nem láttam ilyet... 2. Kell egy Can-bus->analóg átalakító és egy Spal AS90 (a 2 együtt kb. 27eFt) és így be tudom kötni... Az ajtókapcsolót úgy tudom talán megoldani, hogy kell 2 db mikrokapcsoló a 2 hátsó ajtóhoz és azokat a jobb elsőre kötöm, ha zárást érzékel, akkor párhuzamosan, ha nyitást, akkor sorba... A motortér mágnes és reed lesz szerintem, és szintén a jobb elsőre kötöm. A bal első külön van, és a csomagtartó is. A többi adott...bár a gyújtást nem tudom, hogy lesz-e, de csak... Van valaki, aki Can-bus-os cuccokban otthon van és esetleg Fabiaban? Üdv Inhouse
Thunder c103 riasztó rajza, igaz sok mindent nem látni belőle...
A rajz szerint a riasztohoz szükséges pontokat nem érinti a Can-bus (csak a motorvezérlést, ABS-t, SRS-t), ugyhogy szerintem a normál riaszto tökéletesen megfelel.
Jogos...
Az ajtókapcsolók is testet kapcsolnak, csak a késleltetés miatt kell majd vele vacakolni... Akkor marad egy sima Spal AS90! Kössz! Üdv Inhouse
Sziasztok! Nemrég vettem egy univerzális bicskakulcsos Kp. zárat és nem igazán találom hogy melyik vezetékeken adja a nyitási és zárási jelet! ha tud valaki legyen szives segíteni! Amugy egy 2000 ezres évjáratú octavia-ba akarom bekötni, a központi már gyárilag benne van. Előre is köszi a segítséget:
Esetleg a leírás...
Üdv Inhouse
Kedves Inhouse küldeném a leírást: 6 db vezeték sárga -sárga fekete ,fehér-fehér fekete, narancs-narancs fekete. meg valami pozitív trigger negatív trigger (piros fekete, rózsaszín) de viszont a központ nem csak a zárat vezérli hanem a belső világítást is.
Nem tudom ezzel mit lehet kezdeni. Segítséget előre is köszi. Üdv.: balázs
Balázs! Én is olyat vettem és én is szenvedtem a bekötéssel, szintén Inhouse-nak köszönhetem a segítséget. A mellékelt ábrák közül a D ábra működik ha elektromos, és a F ábra ha pneumatikus. Meg kell nézned hogy milyen rendszered van és ha elektromos akkor hány vezetékesek a záró-nyitó szervomotrok! A (+) és a (- ) trigger a csomagtartó zárása-nyitása központilag!
-- Dadom
dadom köszi a segítséget elektromos a zár és két vezetékes a motor legalábbis a hátsó ajtóé az elsőhöz nyolc vezeték megy de gondolom azért mert ez vezérli a többi ajtót is.
Még annyit kérdeznék hogy a narancs és sárga vezetékeket pozitívra és negatívra kell kötni mert én valami ilyesmit vettem ki a rajzból.
Ha az utastérvilágitás késleltetésére gondolsz, azzal se lehet gond, ha nem az utastérlámpára kötsz, hanem az ajtokapcsolo kapcsolt testjére (tehát még a késleltetö elektronika elé).
Ki kell probálnod, hogy a központi zárad pozitiv, vagy negativ vezérlésre müködik (általában negativ szokott). Megkeresed a B.E. ajtobol jövö köteget, egy probalámpa csipeszét testre teszed, és a hegyével végigtapogatod a vezetékeket. Egyre csuknia, egy másikra nyitnia kell (ha negativ vezérlésü) Ebben az esetben 1-1 vezeték kell innen a vezérlöhöz, másik kettöt letesteled (a rajz alapján kiválasztod a megfelelö szinüt).
Nálam narancs és fehér/fekete (-) azaz testelve van a sárga és sárga/fekete (+) 12 Volton van, a fehér/fekete nyit és a fehér zár. Maradt még egy vastag a testnek és egy a betáp +12Voltnak. 2 barna pedik jobb és bal irányjelzők.
Köszönöm a segítséget ha megcsináltam jelzek!
Sziasztok megtaláltam a zárási és nyitási jelet a bicskakulcs központjában már csak azzal van egy kis bajom hogy a bal első ajtóba megy nyolc vezeték amiben háromban +12 volt van a negyedikben nincs áram de ha rákötöm a bicskakulcs központját és azzal akarom nyitni kinyomja a bicskakulcs vezetéken a biztit.
Ha kinyomta a biztit akkor ne is próbálkozz azzal tovább, mert csak rövidre zárod! 8 nyolc vezeték közül csak 2 vagy 5 vezeték szükséges. Csak azokkal foglalkozz, amik a nyitó-záró motorhoz csatlakoznak. VAGY 2, VAGY 5 VEZETÉK! Ha 2 vezetékes a motorod akkor egyszerű, vagy nyit, vagy zár. Csak rá kell kötnöd a vezérlő két vezetékét, amit írtál is,hogy megvan. Ha fordítva kötnéd rá, ellentétes polaritással, akkor ellentétesen mozog. Ha öt vezetékes akkor szintén 2 a motor szála, a másik 3 szál egy mikrokapcsoló váltóérintkezője.
De az a legegyszerűbb, ha megkeresed a kocsid gyári vezérlőjét és megnézed, hogy van-e rajta még csatlakozási lehetőség a bicskakulcs vezérlő számára és a gyári vezérlőre csak rá kell kötnöd a bicskakulcs vezérlőjét és gyorsan meg is vagy!
Igen a késleltetés miatt gondoltam, jártam már úgy, hogy mindig jelzett, mivel nem plusz (az izzón keresztül) és test között váltott, hanem csukott ajtónál is kevesebb volt a feszültség és erre már harapott a riasztó...
Kössz! Üdv Inhouse
Kerestem egy kapcsolási rajzot. Hát, ez Can-bus-os, már nem a hagyományos. Egy lehetöséget látok, a belsö kapcsolora (74) rákötni a bicskamodult. Ehhez szét kell szedni a kapcsolot, mert csak egy szál megy a vezérlöbe (fehér-kék) és a kapcsolo testet, vagy egy ellenállással
csökkentet testet kapcsol. Csinálni kell a kapcsolobol egy plusz kivezetést az ellenállástol.
Sziasztok! Segítséget szeretnék kérni autóriasztó központi zár vezérlése ügyben. Van egy swift 2005-ös autóm fapados változat. Tavaly segítséggel kicseréltük a padlóbeli kábelkötegeket fejlettebb verziójúra, ami elviekben képes a kp zár és az elektromos ablak vezérlésére. Az ablakok hibátlanul működnek, viszont a zár azóta sem. A ajtókban szintén ki lettek cserélve a zárak gyáriakra. A szerelő szerint a computer miatt nem működik a kpzár. A lényeg, h vettem egy bicskakulcsos riasztót, h ezzel megoldjam a kp zár vezérlést és most ezt szeretném bekötni. A riasztó oldala már bekötve, most a kp zár és az ablak modul része jönne. A riasztón 6 vezeték van a kp zárnak (narancs; fehér; sárga; narancs/fekete; fehér/fekete; sárga/fekete) Ezeket kellene valahogyan a kpzár vezérléshez kötnöm, h végre működésre bírjam. Ezen felül a hátsó ajtó működtetés is hiányzik. Vagyis most már ezt is a kp zár vezérelné, de kívülről van rajta 2 nyomógomb. Azt szeretném, ha nyitom az autót, akkor a gomb megnyomásával nyíljon a hátsó ajtó is, viszont ha belülről lezárom a kp zárat, akkor ne működhessen. Egyenlőre ennyi elég, a többit majd később! Huhh, remélem érthetően írtam! Előre is köszönöm a segítséget!
Attol tartok, hogy a riasztod nem oldja meg a központi zár vezérlését, csak zár saját vezérlöjének a vezérlését.
Tehát elöször müködjön normálisan kulcsrol a központi zár, aztán mehet a távirányitás. |
Bejelentkezés
Hirdetés |




















