Fórum témák
» Több friss téma |
Sziasztok Teszterépítők!
Régóta szeretném én is megépíteni a műszert. Már vettem hozzá atmega8a-t. Kettőt, ha az egyiket elszúrnám, legyen még egy. Eddig pic-ekkel foglalkoztam azokkal nem volt a kezdeti nehézségeken kívűl semmi gond. Viszont az avr-rek égetése körül annyi misztikus rémhírt olvastam a neten különböző fórumokon, hogy bizonytalanná lettem. Annyiféle programozó szoftver, meg annyiféle programozó létezik, hogy szegény kezdő avr-es csak a fejét kapkodja, a fuse bitekről nem is beszélve, amiknek véletlen elírása akár végzetes is lehet. A pic-ekkel ilyen gond nem volt. Van a kedves mindig mosolygós pickitt2, beolvasom az elkészített hex fájlt, elindítom az írást még hátra se tudok dőlni már kész. Olvastam többek között Bővebben: Link, hogy pickitt2-vel is lehet avr-t programozni. Valaki írt már fel avr-t pickit2-vel? Jól esne egy kis bíztatás.
Kedves Teszterépítők!
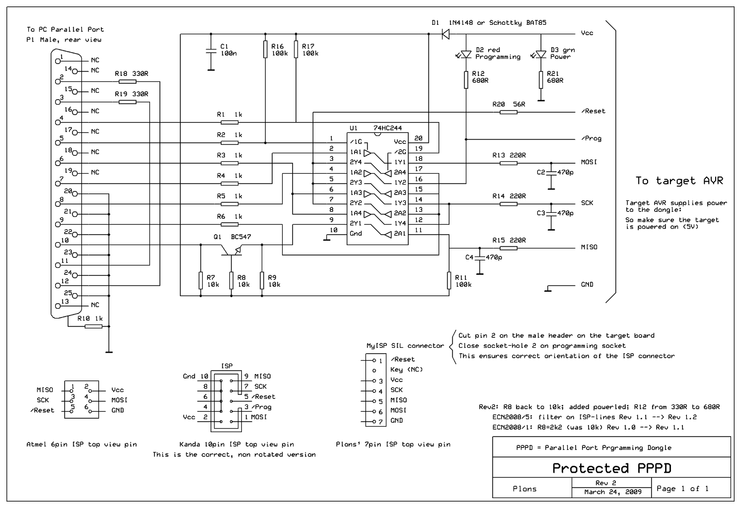
Megépítettem a lancos féle lpt programozót. Tesztelve a bemenet és kimenetek állapotait helyesen működik. A BASCOM szoftver és ezen programozóval megírhatom az AVR-t hiba nélkül?. Mármint ha az un. fuse bitek beállítása helyes? Esetleg ezzel az eszközzel való programozást valaki le tudná írni "szájbarágósan". A megtisztelő figyelmet és segítséget előre is köszönöm. A hozzászólás módosítva: Aug 16, 2013
A képek minőségéért elnézést kérek, azért a lényeg kihámozható.
Bármilyen programozóval megírhatod, amelyik bizonyítottan működik. A BASOM-al is állíthatod a fuse biteket. Egyre viszont ügyelj, ha regisztrált BASCOM verziód van, akkor minden rendben. Ha demó verziód van, úgy tudom benne van egy 4k-s korlát és akkor nem jó. A 4k a compiler-re vonatkozik csak és kész hex fájlt hagy-e égetni, azt nem tudom.
Szia pluto!
Köszi a választ. Te milyen szoftverrel írnád fel ami bizonyítottan jól működik?
Szia!
Itt valami félreértés van. A hardware-e gondoltam, hogy bizonyítottan működik (mivel saját építés). Egyébként software oldalról bármi, ami kezeli az stk200/300 típust. Például: BASCOM.
Üdv!
A hestore ból rendeltem egy égetőt aminek a beüzemelését ez alapján végeztem. http://www.hobbielektronika.hu/cikkek/avr-doper_usb-s_isp_programozo.html A probléma ott van hogy a program nem találja az eszközt, az (win7) eszközkezelőben viszont megvan. Tudna valaki mondani megoldást erre?
A win aláírásellenőrzést ki kell kapcsolni.
Ha nem megy, akkor az alábbi kiegészítést kell elolvasni és végigcsinálni:
Bővebben: Link Ezt még valaki ugyanitt írta, de nincs kedvem megkeresni. Akkor kimásoltam, azóta megvan. A hozzászólás módosítva: Szept 5, 2013
Ez sem segített, a programot lefordítja, connect-re kattintok, kiválasztom a com portot is aztán semmi.
USB-Serial chip van benne, a PC oldalon ezert latszik a COMx.
Már bocs, de én csak egy Mega8-at látok benne + egy 74hc126-ot...
Szoftver emulált USB, Ennek megfelelő erőforrás igénnyel és bizonytalan működéssel. Miközben majd' ugyanennyiért már _működőképes_ STK500-at kapnál
.Itt a szoftver jelentkezik vissza USB-Soros eszközként.
Sziasztok. Van egy ilyen programozóm de valahogy nem sikerült beüzemelnem. A csatolt képen levő hibaüzenetet kapom. Valaki legyen szives segíteni! Köszönöm!
Betömörített bmp képet kivettem. Legközelebb légy olyan kedves jpg formátumban feltenni a képeket! Köszönöm! -moderátor- A hozzászólás módosítva: Szept 28, 2013
És a programozód az milyen is ?
A hozzászólás módosítva: Szept 28, 2013
Belinkeltem az előbb de akkor mégegyszer: Bővebben: Link
Szerintem ezzel AVR studio alatt nem fogsz programozni.
Felismeri. (AVRISP MKII) De lehet neked van igazad. Véleményed szerint akkor melyik programmal tudnék programozni?
Az a baj hiába ismeri fel MKII nek .Valószínű semmi köze hozzá.
Vagy esetleg próbáld beállítani AVR ISP lehetőséget.És ha egy valamilyen avr tulajdonságait felismeri , akkor van esélyed.
Csak az AVRISP MKII beállítással tudok csatlakozni a programozóhoz. Viszont az avr-t nem tudja olvasni.
Igen támogatja 4.12-ig. Ami nekem van az 4.15 lehet ez a gond ezt már orvoslom is. A külső kristályra van állítva az mit takar? Bocsi de kezdő vagyok még.
Az leírásban lehet , de találkoztunk már olyan példával is , hogy bizony mégsem.
Különben feltételeztem , hogy mindent átnézett , és úgy próbálta , e lehet , hogy mégsem ?
AVR-Studio-4.19 a legutolsó verzió a 4.x sorozatból.
MKII támogatott mindben. Néhány AVR tipp a biztosítékbitekről: http://www.tavir.hu/bascom-programozo-biztositekbit http://www.tavir.hu/tanfolyam-trukkok
Tápot kap, igaz csak 2.89V. Holnap meg átnézem a bekötéseket újból. Köszönöm a segítséget!
5V környékén kéne lennie nem? Miért lehet csak ilyen kevés? Rossz lenne a gép usb-je?
|
Bejelentkezés
Hirdetés |







.





