Fórum témák
» Több friss téma |
- Ez a felület kizárólag, az elektronikában kezdők kérdéseinek van fenntartva és nem elfelejtve, hogy hobbielektronika a fórumunk!
- Ami tehát azt jelenti, hogy a nagymama bevásárlását nem itt beszéljük meg, ill. ez nem üzenőfal! - Kerülendő az olyan kérdés, amit egy másik meglévő (több mint 17000 van), témában kellene kitárgyalni! - És végül büntetés terhe mellett kerülendő az MSN és egyéb szleng, a magyar helyesírás mellőzése, beleértve a mondateleji nagybetűket is!
Gyors egy kérdés: Megcsináltam a Joule thiefet. Műödik, csak annyi a kérdésem, hogy 0.6 V is kell hogy működjön? Fizikára vinnem citrommal.
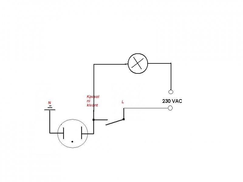
Sziasztok!
Egy 230VAC világítos glimm kapcsoló bekötésével nem tudok zöldágra vergődni. Nem pont ilyen, de nagyon hasonló: kapcsoló A fórum segítségével (Világítós kapcsoló bekötése 230 V AC) már eljutottam addig hogy 2 lábbal szépen tudom kapcsolni a 220V-ot, a harmadikat pedig a nullára kötve szép pirosan világít, vagy épp nem világít a kapcsoló állásától függően. Röviden: tök jól működik. De csak addig amíg a villásdugót meg nem fordítom az aljzatban Ez viszont így nem egy szépségdíjas megoldás, én olyan eszközt még nem láttam, aminek működése attól függött volna, hogy hogyan dugom be a konnektorba. A kérdésem, hogy van valami egyszerű (vagy jobb híjján bonyolult) megoldás, hogy attól függettlenül épp hogy sikerül bedugni a konnektorba, mindíg jól működjön a kapcsolóm? Köszi előre is!
Miért nem megy gyümölcsel? Polarizált helyesen kötöm össze, de nem működik... 1.27 V jön a gyümimből.
Gyengébbek kedvéért (én...) kicsit kiegészítettem a rajzot. Így gondoltad?
Biztos én csináltam rosszul valamit, de szándékom szerint így akartam bekötni, ahogy a rajzon van. Megnéztem melyik 2 láb között szakad meg/záródik az áramkör, amikor kapcsolgatom, arra két lábra kötöttem a 220V-ot. A maradék harmadikra pedig a nullát. Van ötlet, hogy mi lehet a hiba? Mit csinálhattam rosszul? Mit kellne még kipróbálnom, hogy rájöjjek mi a hiba?
Sziasztok!
Ne a védővezetőre (földelésre) kösd a glimm lábát. A glimm legyen párhuzamosan kötve a fogyasztóval, és kész. Vagyis ami a Te rajzodon a kapcsoló bal lábát kösd a rajzbéli dugvilla felső ágához.
Akkor így, ha jól értettem. Köszi, este kipróbálom.
Hol van ezen a rajzon a FET? Vagy a TL071-re gondolsz? Mert ha igen, nos az nem az.
Nem egészen. Szerintem ezt a a megoldást keresed.
Hello!
Egy-áramkörös kapcsolót, csak fix hálózati beépítésnél alkalmazhatunk. Tehát, csak abban az esetben használhatjuk ha tudjuk, hogy a kapcsoló biztosan a fázist szakítsa meg. Mivel neked ez villásdugóra megy, ami megfordítható, nem alkalmazhatsz csak két-áramkörös kapcsolót! Hiszen ha kikapcsolod a kapcsolót, és az úgy van bedugva, hogy a kapcsoló pont a nullát bontja, akkor a készülékben mindenhol a fázis marad meg.. üdv! proli007
eszembe jutott hogy kéne csinálni egy olyat hogy ha a gépnek mondom pl kapcsolja ki a mikrót és ő meg kikapcsolná..
ezt hogyan lehetne megoldani vagy van valami hasonló hülyeség a lustáknak?
Hang vezérelt géped van? Vagy megírod hozzá a programot? Vagy gépen keresztül akarod programozni a mikrót? Miért pont a mikrót? Az kikapcsol, ha lejár az idő.
Az biztos, hogy lusta vagy még a keresőt is használni. Készíts egy relékártyát amit a számítógép soros portján keresztül vezérelsz egy egyszerű kis programmal. 1000 ilyen kapcsolást találnál, ha nem lennél lusta még keresni is.
programot még talán haver meg is tudná írni de viszont én nem csak a mikrót hanem szinte mindent vezérelni akarok.. és persze hangra..
Sziasztok!
Lenne egy kérdésem, mégpedig: a csatolt kapcsolási rajzon a 4017 es IC 13-as, ill. 14-es, az 555-ös IC 4 es lábánál kis kör található meg. Ez mit jelent, miben befolyásolja az összerakást? Üdv
Tudom. Az eredmény ugyanaz, amit Te írtál/rajzoltál. Én csak nagygabor679 első kiegészítését javítottam.
Hello!
Összerakást semmiben. Ez annyit jelent, hogy a láb funkciója nem magas logikai szintre aktív, hanem alacsonyra. Szóval invertált (negátolt) a logikai bemenet. üdv! proli007
Pedig sokszor alkalmaznak egy-áramkörös kapcsolókat így. Pontosabban úgy, ahogy köbzoli rajzolta. Viszont ott gondoskodnak afelől, hogy ne legyen hozzáférhető egyetlen feszültség alatt lévő rész sem.
Azt viszont nem tudom, hogy ezt érintésvédelmileg hogyan nevezik. Ez a kettős szigetelés? :nemtudom:
Üdv!
Kapcsolási rajzot találni/alkotni nem nehéz, de kéne tudni, hogy mik az elvárásaid a hangszínszabályzóval szemben. Pl.: elég lenne-e basszus/magas-hang szabályozás, vagy több sávra akarod-e szétbontani a tartományt. Milyen feszültség áll rendelkezésre, és mennyit kívánsz rá áldozni (IC-s hangszínszabályzó, ami mondjuk 5 sávos, az lehet, hogy nem épp filléres dolog)
Sziasztok.
Egyszerű kérdéssel fordulok hozzátok. Fényvezérlőbe (dimmer) 100uH-is induktivitás szükségeltetik. Az induktivitást pc tápból kivett sárga ferritgyűrűre szeretném elkészíteni. A kérdésem az, hogy mennyi vajon ezeknek a magoknak az Al értéke? Induktivitásmérőm nincs, ezért nem tudom meghatározni .Valamint ez a képlet helyes-e? L (nH) =n*n*Al?
Igen, helyes a képlet. AL értékről nekem sincs tudomásom. Én pár órával ez előtt tettem fel egy kérdést a tekercs-transzformátor készítés topicba, nem kaptam választ. Egyébként ha van jelgenerátorod (akár számítógépes program formájában), és oszcilloszkópod (vagy valami nagyon profi multimétered), akkor tudsz induktivitást mérni. Persze csak elvben
Valakinek van nyákrajza ehhez : Bővebben: Link Én próbálom, de nem megy nekem megtervezni.
Hja, akkor bocsi.
Mekkora áram kell ennek?
Sziasztok.
Kérlek segítsetek.. Már végignéztem szinte mindent, de nem találok egyértelmű (és magyar) bekötést esetleg rajzzal. Van egy régi videoton tévé,amin 6 pólusú (240-es) DIN bemenet van (VCR) A dekóderen pedig SCART csati. Namármost én ezt szeretném összehozni. Vagyis a SCART az out, és a 6 pólusú DIN az input. A TV-t ha AU-ra kapcsolom, ugyanúgy hangyás a kép, nem kéne feketére váltania? Vagy a Tuchel dugó kapcsolja?
Szia!
Igényli 12V-os kapcsolójelet (AV select). Bővebben: Link
Köszönöm, akkor már kezdem érteni.
De a SCART (vagy RCA) csatiról honnan adjak neki 12V-ot?
A Scart is kiad 12V-ot és van egy állandó 12V is rajta. De a DIN csati 12V-ját is felhasználhatod az átkapcsoláshoz.
Szia az elektrotanyán biztos találsz kapcsolási rajzot.
Üdv!
Mi nem megy a megtervezésen? Hol akadtál el? max 4*4cm -es nyákon vígan meg lehet csinálni. Viszont ha azt szeretnéd, hogy megtervezze neked valaki, akkor ahhoz el kell mondanod, hogy melyik kondenzátornak (mert szíved joga kerámiát, fóliát, olajkondenzátort stb használni, és azok méretben nagy eltérést produkálnak) milyen messze vannak a kivezetései.
Üdv újra!
Megterveztem a NYÁK-ot. A potenciométereket be kell huzalozni, de azért igyekeztem könnyen érthetően elhelyezni a forrszemeket, szépen sorban. Ahogy a potenciométeren is vannak. Jó munkát. Jah és még csak annyit, hogy oda van írva hogy hol van a bemenet, kimenet stb. Természetesen a hidegpontja a bemenetnek, és a kimenetnek is a GND, azaz a föld, avagy másképpen 0V. Ne keveredj bele
Nem kell neki áram, feszültséggel működik.
Na jó, egy kevés áramot azért igényel, de a max 20mA olyan kevés, hogy még 9V-os elemről is sokáig elmehet. |
Bejelentkezés
Hirdetés |








.







