Fórum témák
» Több friss téma |
- Ez a felület kizárólag, az elektronikában kezdők kérdéseinek van fenntartva és nem elfelejtve, hogy hobbielektronika a fórumunk!
- Ami tehát azt jelenti, hogy a nagymama bevásárlását nem itt beszéljük meg, ill. ez nem üzenőfal! - Kerülendő az olyan kérdés, amit egy másik meglévő (több mint 17000 van), témában kellene kitárgyalni! - És végül büntetés terhe mellett kerülendő az MSN és egyéb szleng, a magyar helyesírás mellőzése, beleértve a mondateleji nagybetűket is!
Ha nem tudsz mikrokontrollert programozni, akkor nem fog menni
Szerintem egy USB hosszabbító lenne a legegyszerűbb
Sziasztok.. eléggé kezdő vagyok a "mikro"elektronikába
hisz ezek a dolgok mégis kissebbek mint egy villanykapcsoló.De azért valami sejtésem van a dolgokról plusz olvasgattam jó néhány napon keresztül a fórumot hogy hülyeséget ne kérdezzek és pláne ne az oda nem illő topikba, de még így is lenne néhány kérdésem! Egy alap pic-es áramkört tennék össze és már az elején elakadtam az stabil 5 volt megteremtésénél. 7805 ös icvel gondoltam de a rengeteg kondi jelölés között elkeveredtem!
Hogy keveredtél el?
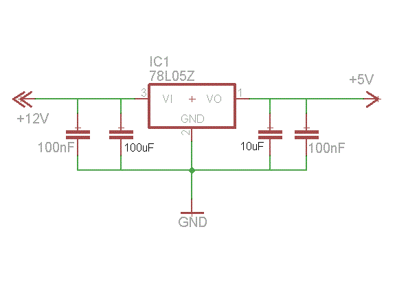
Tegyél a bemenethez egy 100µF-os elektrolit és egy 100nF-os fóliakondenzátort. A 7805-ös kimenetéhez pedig egy 10µF-os elektrolit és egy 100nF-os fóliakondenzátort. Szerintem ez már elég stabil
Ezek a jelölések : nF , ?F csak a teljesétménybeli eltérést jelölik ugye? Az első elvileg a nanofarad a második pedig a mikro farad.
Ezzel gond nem is lenne de mi a különbség a hidegítő puffer és stb-k között. Én elgondolásom szerint a puffer az ugye ahogy a neve is mutatja egy tároló kond, és szerepében is azt játsza, a hidegítő pedig valami zavarszűrő feladatot lát el? Gondolom ez a puffer kondi pl: Bővebben: Link de a hidegítő? Piciny ismeretem alapján én valahogy így képzelem el a feszstab bekötését...
Ha egyenirányítod az 50Hz-es váltóáramot, akkor 100Hz-es lüktető egyenáramot kapsz. Nos ez nem stabil. Ezért kellenek a kondik, hogy kisimuljon az egyenáramod. A µF (microFarad)-os kondenzátorok kisimítják az 5V-odat, a nF (nanoFarad)-os kondik pedig zavarszűrők (ha jól tudom). Lényeg, hogy kell mind a négy kondi.
(Használd a válasz gombot)
De akkor tulajdon képen mind a kettő ugyan olyan típusú elektrolit kondi mint amit linkeltem csak az egyki nanos a másik meg mikros... jól gondolom?
Illetve ezeknek polaritása is van ha jól tudom, és elvileg a bekötésének úgy kell szerepelnie ahogy a képen rajzoltam?? tudom a képről még hibádzik egy előtét ellenállás, de itt most a kondi miatt csináltam ezt. tehát a negatív jelzésű láb néz a plusz 5 felé és a jelzetlen láb pedig a gnd felé...?
100uF, 10uF, 100nF. A-A, nem-nem. A kondi negatív lába az áramforrás negatívjára kell mennyen. Negatív=test=ground=gnd=föld. Amúgy a képen látható áramkörbe ha megfordítod a kondenzátort, akkor ez az áramkör úgy működik, hogy feszt adsz és ameddig feltöltődik a kondenzátor, addig világít a led. Aztán az áramforrás kiiktatásával kisütheted a kondit.
igen.. .rémlett valami hogy valami csavar van a kondi bekötésbe.
Kezdem a lényegét megérteni mármint a kondiknak, tehát az elektro kondi pufferel, "hülye hasonlattal élve" mintha egy pumpálós kúthoz egy tartályt tennék, ugyan annyi víz jön belőle csak nem lüktetve ahogy pumpálom hanem szépen kisimulva egyenletesen. a Fólia kondi zavar szűrését még nem nagyon értem de a google a barátom és akkor ilyen irányba fogok vele kerestetni! Akkor ilyen vagy hasonló de fólia kondit kell tennem a pic betáp lábához minél közelebb hisz ott is azt olvastam hogy zavarszűrés céljából, tehát akkor fólia megy oda is. Ennek van valami törvényszerűsége hogy pl minél nagyobb nanoFarad-os annál jobban "szűr" vagy mi alapján tudom kiszámolni hogy mekkora értékű kell?
Sziasztok!
Valaki meg tudná mondani, hogy a 7805ös IC -nek mekkora legkisebb feszültségkülönbsége amit tolerál a Vin és Vout között? 6V (min5,5) környékéről várhatok tőle stabil(!) 5V ot? Előre is köszönöm a segítséget! Zoltán
Privátba érkezett egy kis tananyag.. köszönöm szépen az értelmezésben és a számolásban sokat segít, bár még nem teljesen 100-as előttem ez a része.. de olvasom!
A két hozzászólás írásom között nem is vettem észre ezt a hsz-edet
csak most láttam... na ha ez olvasom hamarabb akkor nem erőszakoskodok hogy ugyan az a kondi csak más értékkel.. . hisz itt leírtad hogy elektro meg fólia. . .
Ez a kapcsolás megfelelő lenne nekem?
http://www.hobbielektronika.hu/forum/files/e8/e8f0fdf65cd4d62cf12b6...a8.jpg Elvileg fázishasítással szabályoz, csak azt nem tudom nekem ez jó lenne e.
szia!
En ugy tudom, minimum 3V-al magasabb bemeneti feszultseg kell neki, mint a kimeneti oldalon.
Legközelebb légy szíves az adatlapot átolvasni; a fórum nem igazán arra való, hogy a könnyen megszerezhető infókat se kelljen megkeresned.
Sziasztok!
Valahol már olvastam erről itt, de tegnap egész délután kerestem, de hiába nem találom, ezért megkérdezném. Némi problémába ütköztem egy mercury táppal. Terhelés nélkül a következő feszültségeket adja le: +3.3V -> +3.35V +12V -> +11.4V +5V -> +5.3V -12V -> -11.99V -5V -> -5.14V A 12v és az 5v eltér a normálistól. A +5V ágat terhelem egy 12V 0.41A áramfelvételű ventivel, valamint üzemel róla egy dvd-író és egy 500GB-os külső merevlemez. Az 500-as indulásáig a feszültség értékek a következők: +12V -> +12.04V +5V -> +5.03V A többi érték normális. Mikor elindult az 500as ezek a értékek ismét változnak: +12V -> +11.8V +5V -> +5.2V Kérdésem az lenne a ventin kívül mivel terhelhetném a tápot hogy azt a feszültséget adja le amit kellene? Izzót sem szeretnék erre a célra a használni ha van rá más megoldás.
Szerintem használj inkább valami lowdrop 5v feszstabot, azok csak 0.3-0.5volt feszültségsésűek kis áramnál!
(A 7805 már szerintem idejétmult dolog, nem annyira gazdaságos, attól függ hány mA kell neked, lowdropból találsz már olcsókat 800-500mA-ig de vannak még egyszerübbek és olcsóbbak 80-120mA korláttal.) pl. LM2940-él írják, hogy 1ampernél csak 0.5 volt a dropout, de már jósok egyéb (very) low-drop van csak keress rá, némelyik olcsó is nagyon
Hello!
A PC táp egyszerre figyeli és szabályozza a 12V és 5V feszültséget, de úgy, hogy az 5V változását (lévén annak nagyobb a terhelése) súlyozottan veszi figyelembe. A DVD író, valószinűleg jobban terheli a 12V-os részt, mint az 5V-ot ezért a 12V esik, az 5V meg nő, de nem nő tovább a szabályozás miatt. Így alakul ki, hogy a 12V alacsonyabb, az 5V meg magasabb. De nem hinném, hogy a DVD-ben van feszültségmérő, és nem lenne neki megfelelőek ezek az értékek. üdv! proli007
Hello!
Endre! Nem fejezted be a mondatot.. " Ha jó a kondi ESR értéke, akkor vedd ki, és cseréld ki a Fet tranyót..." üdv! proli007
Arra gondolsz, hogy tönkre fog menni a FET?
Bevallom, erre nem gondoltam, de most megnéztem a BUZ11 adatlapját. A drain árama 30A lehet állandóan, impulzusszerűen 120A. Nem számoltam ki, de szerintem egy közönséges (nem low ESR) 47-100 µF-os kondenzátoron nem valószínű, hogy akkora áramok kialakulnának, amelyek tönkretennék a FET-et. Viszont visszanézve a kérdést, lehet, hogy egy ekkora kondenzátor egy gépkocsi fűtőventillátornál nem sokat használna a nagy áram miatt. Sokkal nagyobb kondenzátor pedig már tényleg kinyírhatja esetleg a FET-et. Lehet, hogy inkább a PWM frekvenciáját kellene növelni a hallható határ fölé..
Kellemes estét mindenkinek!
Létezik olyan potencióméter ami nem kopik el egyhamar? A következő a probléma. Egy tengely, motor helyzetét kéne figyeljem. A motor sose tenne meg egy teljes kört ezért a potencióméter forgási intervalluma nekem tökéletesen megfelelne. Tudom van más megoldás is mint pl optó szaggatása (dekóder stb) de nekem ez egyszerűbb lenne. Szóval a potencióméterem csúszkája akár több órán keresztül is folyamatosan forogna. Létezik poti ami ezt elviseli rövid időn belüli károsodás nélkül?
Sziasztok
A kérdésem az lenne, hogy ha van egy egyen irányú motorom és előtte egy graetz híd kondikkal, akkor a két kapcsára köthető egyenáram és váltóáram is?
Igen, a bemenetére egyen és váltóáramot is köthetsz. A graetz után viszont csak egyenáramot, helyes polaritással.
Letezik.
pl az autok gazpedaljara kotott potik. Sokat elvisel. A pillangoszelepen levo potik az autoban szinten. Altalanos jellemzojuk, hogy tobb, parhuzamos erintkezo van rajtuk. Es altalaban van egy ellenpalyas, ami forditva van bekotve, igy az egyik no a masik csokken. Ha barmi gond van az egyikkel, akkor mar nem valtoznak ellenkezo modon es ekkor hibat jelent a rendszer. De letezik specialis, direkt erre a celra gyartott, ahol egy rugalmas gyuru nyomodik neki a palyanak, ez nem mozdul el a palyahoz kepest, hanem efolott van egy forgo nyomopont.
Sziasztok!
Nem találtam megfelelő topikot, ezért itt kérnék segítséget.Két számítógéppel dolgozunk, az enyémen a DipTrace 2004-2011, van, az öcsémén a 2004-2010 változat. Az övében vannak a "normál" alkatrészek,és az ebben tervezett ák. átrakható az enyémbe. Az enyémben vannak az smd-k, viszont amit szerkesztek, az ő gépe ismeretlen formátumként kezeli. Sajnos viszont csak az ő gépéről tudunk nyomtatni. Tudna-e valaki abban segíteni, hogy miért nem kompatibilis a kettő? Választ előre is köszönöm Üdv: Csupasz
Sziasztok új vagyok még és egy olyan tervem van, négy piros szórt fényű ledet szeretnék egymástól eltérő helyre helyezni és nem tudom, hogy kell-e elé ellenállás vagy ilyesmi??
Csáo!
Van nekem egy (piros kombiném) TMP100-as hőmérő senzorom, ám a neten nem találtam semmilyen kapcsolási rajzot, csak 1-et (még a datasheetben sem) de ahhoz valami ritka IC kell, a meghajtáshoz.. Én pedig szeretnék egy egyszeű 3 kijelzős hőmérőt csinálni vele, akár ICL710x-el is.. Valaki tudna segíteni? /az összes hőmérős topik nem adott találatot/
Hello!
Igen létezik 5M élettartamú poti is. Pld. ez. De általában az árukról, és a 340fok (nem 270fok) körülforgási szögükről ismerhetők fel. Van amelyik mechanikusan körbe forgatható, vagy is ugyan átugrik a pályán, viszont nem megy tönkre, ha nem biztosítod a mechanikus végállást. Minden esetre, egy ilyen "drága " eszközt valamilyen kuplungon (v. Hardy-tárcsán ) keresztül illik a meghajtó tengelyhez kapcsolni. üdv! proli007
Hello!
Az adatlap szerint (amit találtam) ez egy I2C buszos hőmérséklet jeladó, aminek értékeit egy procival lehet feldolgozni, nem a 710x-el, mert az analóg jeleket ad. Amúgy gondolom nem "3 kijelzős" hanem három digites kijelzésre gondoltál.. (Az elektronikában, szabatos kifejezéseket kell használni, rövidített, vicces, argó kifejezéseknek itt helye nincs, mert nem lehet érteni mit szeretnél! De ha ez a célod, akkor ám, legyen..) üdv! proli007
Ha hivatalos mindkét verzió, a fejlesztő biztosan szívesen segít.
|
Bejelentkezés
Hirdetés |




Szerintem egy USB hosszabbító lenne a legegyszerűbb
hisz ezek a dolgok mégis kissebbek mint egy villanykapcsoló.
Tegyél a bemenethez egy 100µF-os elektrolit és egy 100nF-os fóliakondenzátort. A 7805-ös kimenetéhez pedig egy 10µF-os elektrolit és egy 100nF-os fóliakondenzátort. Szerintem ez már elég stabil 






