Fórum témák
» Több friss téma |
- Ez a felület kizárólag, az elektronikában kezdők kérdéseinek van fenntartva és nem elfelejtve, hogy hobbielektronika a fórumunk!
- Ami tehát azt jelenti, hogy a nagymama bevásárlását nem itt beszéljük meg, ill. ez nem üzenőfal! - Kerülendő az olyan kérdés, amit egy másik meglévő (több mint 17000 van), témában kellene kitárgyalni! - És végül büntetés terhe mellett kerülendő az MSN és egyéb szleng, a magyar helyesírás mellőzése, beleértve a mondateleji nagybetűket is!
Denaturált szesszel szépen lemosható. Amikor befejezted a méréseket akkor fújd le Akrillánnal. Az jól szigetel és megvédi a nyákot.
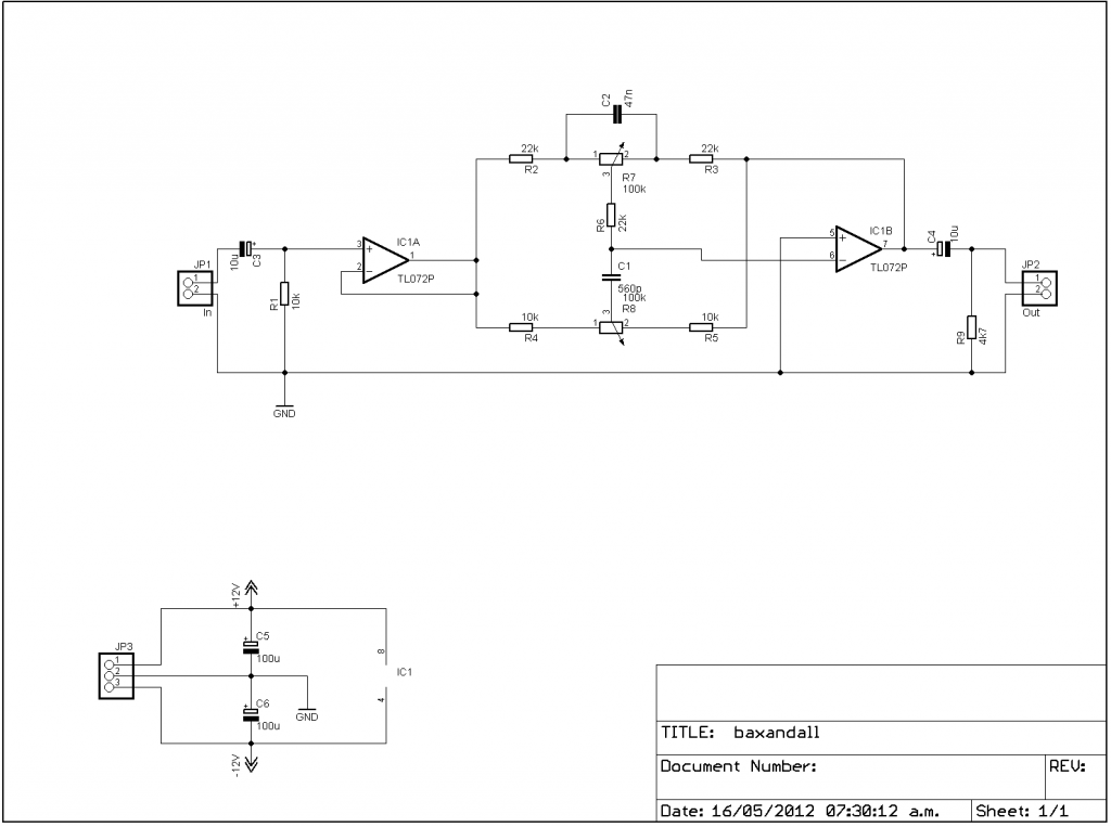
Monó. Csak az egyik erősítője van bekötve.
Akkor a masik felebol csinalhatsz egy koveto erositot hangszinszabalyzo ele.
Hello!
- A K típusú hőelem is feszültséget ad, csak kb. 40,6uV/°C mértékűt. Tehát ide kell leosztani a feszültséget. Az osztó alsó ellenállása kb. 10ohm legyen. - A hidegpont kompenzációt, viszont ki kell kapcsolni, mert meghamisítja a mérést. - A hőelem nem egészen lineáris karakterisztikájú, ezért vélhetően erre a készülékben kompenzáció van. Ettől némileg nemlineáris, vagy is pontatlanabb lesz a mérés. üdv! proli007
Vagyiis akkor van 2 erősítő egy tokba. Az egyik be van kötve ahogy most. A másik + pontjára megy a mostani +(kondik utáni rész) A egyik kimenő pontjára megy a másik +ja(1es láb) De hova kötöm amásik vagyis az első erősítő --át?
Most nem ertem hogy mit akarsz vegulis. Arrol volt szo, hogy elfelejted ezt a kapcsolast, es a helyere csinalsz egy hangszinszabalyzot. Arra mondtam, hogy a hangszinszabalyzo ele illik betenni egy koveto erositot. Ezt a kiemelo kapcsolast ki kellene hagyni teljesen.
[OFF]Azt én is tapasztaltam, hogy elektronikai alkatrészboltban hemzsegnek a noname alkatrészek. Egyszer egy BD139/140 párt vettem.. 139-ből tudtak adni ST-t, annak megfelelőek is voltak a paraméterei.. 140-esből egy olyat adtak, amire az volt rányomva, hogy MEV.. meglepődtem, hogy vannak még raktáron a megboldogult Mikroelektronikai Vállalat termékei, mígnem egyik fórumtárs felvilágosított, hogy nagy valószínűséggel hamisítvány. Csakugyan, 20-at alig érte el a bétája, és melegedett. Van pár eredeti, apámtól örökölt MEV tranzisztorom, IC-m, és azokkal soha nem volt ilyen gond.
A mostani BC készletem nagyrészt ON-Semiconductor gyártmány (rendeltem), azokkal nem szokott baj lenni.
Szia proli007!
Sajnos a Videoton-al nem jutottam előrébb. Tudnál ajánlani esetleg egy IC-t 2x30W végfokhoz? Létezik olyan, amit esetleg USB 5V-ról vagy telefon töltő 3,7V-járól táplálhatok? A hangfalak: Nennbelastbarkeit 30W, musikbelastbarkeit 45W, ezek mit jelentene, melyikhez kell méreteznem? Köszi a segítséget!
Sziasztok, már régebben felvetettem, de senki sem tudta, hogy hol kaphatnék BB109 Varicap -ot?
KÖSZI!
Sziasztok!
Meg tudná nekem valaki mondani, hogy az IRF730-nak mennyi a maximális gate-source feszültsége? Adatlapot néztem, de nem tudtam eligazodni.
Van hangszínszabályzóm. Magas mély közép szabályzással. Igaz ugyan arról az oldalról van....
így hogy van ez a kiemelő és utána a hangszín elég elfogadható a hangzás. És nem is zúg.
Köszi a okítást!
Nagon jó, ezekszerint lehetne fesz figyelőnek használni..szuper.. max fesz amit kapna az dc450v ..de ez csak pillanat alatt max 0,5s..és ezt mérnie sem kell,,. Amit figyelnie kellene az olyan dc60-160v között lenne. Erre milyen kiegészítés kellene hogy ezt a tartományt lehessen használni,és a készülék se hibásodjon meg? Értem ezen hogy,milyen áramkör? Vagy csupán egy elleneálás?
Hello!
Én nem fogok IC-t ajánlani, mert erősítővel vagy 25 éve nem építettem erősítőt. (De nem is nagyon izgat fel.) De ott tobzódnak az erősítős topikban a kollégák. Viszont a teljesítményt-feszültséget-áramot-ellenállást át kellene gondolnod. 2*30W, meg 5V táp? Vicces lenne. Nem beszélve, hogy az USB meddig terhelhető. Telefon töltő 3,7V? Az is kapufa. Kicsit számoljál mekkora áram tartozik egy ilyen teljesítményhez, mekkora feszültség kell a hangszóró ellenállásához.. P=U*I és P=Unégyzet/R üdv! proli007 Idézet: „Sziasztok, már régebben felvetettem, de senki sem tudta, hogy hol kaphatnék BB109 Varicap -ot? KÖSZI!” Valaki kérem segítsen.
Hello!
Egy feszültségosztóba két ellenállás kell. A megoldás, hogy 160V-ra, "160fokot" mutasson. 40,6uV/°C együttható mellett, ez 160*40,6*10e-6=6,5mV Ez arányban 160V/6,5*10e-3=24615-öt jelent. Vagy is az osztó felső tagja ennyiszer nagyobb, mint az alsó. Ha az alsó 10ohm, akkor a felső 246kohm. Azt azért nézd meg, hogy nem gond-e ha a műszer galvanikusan össze lesz kapcsolva a mért feszültséggel. üdv! proli007
Sziasztok!
Tudna-e valaki segíteni az alábbi problémában? Van 2 ,10Hz frekvenciájú jelem, amelyek egymáshoz képest néhány mikrosecundummal el vannak tolva.A két jel 2 különböző pontra megy, és 1másodpercenként meg kellene fordítani őket. Tudom hogy relével megoldható, de az nem tudom meddig bírná. Létezik-e olyan IC,amivel egyszerűen megoldható? Köszönöm a segítséget Üdv: Csupasz
Egy dekatroncső két vezérlőjét kellene felcserélnem, a forgásirány váltáshoz.A 4066-ot használtam már, az maradhat?
Sziasztok,
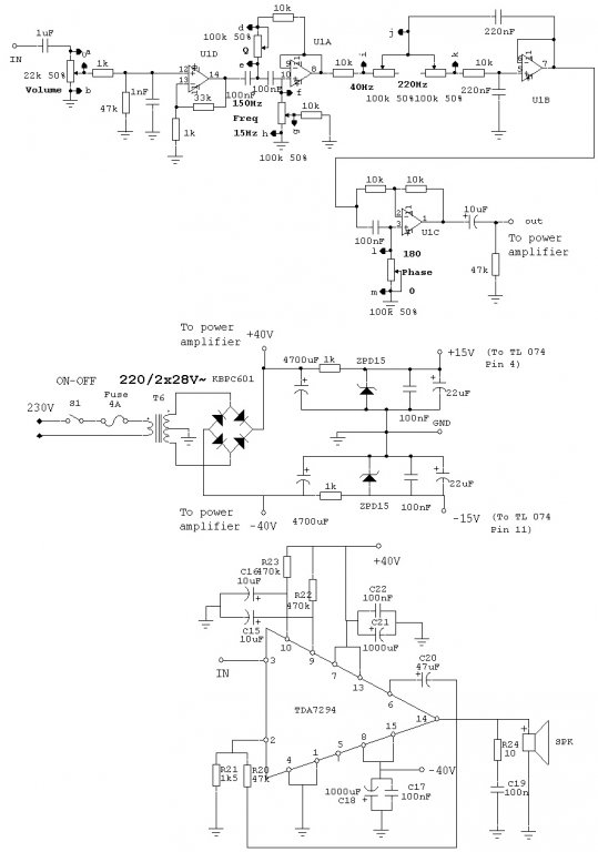
Mi a véleményetek erről a trafóról? Bővebben: Link Bővebben: Link A képen lévő erősítőbe lenne. Érdemes megvenni? Jó pár ezer forinttal olcsóbb lenne, mint egy új, de nincs is olyan állapotban mint egy szép új toroid.
Hello!
10Hz-es jel periódus ideje 100ms. Néhány mikró eltolás? Igen precíz szerkezetből származhat a jel.. Mire a drót végére ér meg lesz a néhány mikro.. üdv! proli007
Szia
Egy PIC adja a vezérlőjelet, de igazából most számolom, hogy milyen freki kell neki egy körbeforduláshoz...De első ránézésre ennyi. Melyik kapcsolót javaslod? Üdv: Csupasz :yes:
Egyébként Ő lenne az...
BB222 nem lenne jó helyette?Nem értek hozzá,csak kérdezem.Mennyi kellene?
Sziasztok. Mik azok a pontok ? Miért hasznos, hogy lehet adni, kapni stb ?
Hello!
A 4053-at mint Vilmos, vagy a 4066-ot. De leginkább a mikrokontrolleret, ha már az vezérli, nincs szükség külső elemre.. üdv! proli007 |
Bejelentkezés
Hirdetés |












