Fórum témák
» Több friss téma |
- Ez a felület kizárólag, az elektronikában kezdők kérdéseinek van fenntartva és nem elfelejtve, hogy hobbielektronika a fórumunk!
- Ami tehát azt jelenti, hogy a nagymama bevásárlását nem itt beszéljük meg, ill. ez nem üzenőfal! - Kerülendő az olyan kérdés, amit egy másik meglévő (több mint 17000 van), témában kellene kitárgyalni! - És végül büntetés terhe mellett kerülendő az MSN és egyéb szleng, a magyar helyesírás mellőzése, beleértve a mondateleji nagybetűket is!
DC. 20V ideális esetben, de mivel a valóság nem ideális ezért sok mindentől függ: pufferkondi, dióda, terhelés.
nekem azt mondták nem függ a pufferkondi értékétől! ez igaz?
Addig amíg nincs terhelés, ha van akkor a csúcs feszültség nem változik, viszont az átlag (amitől az áram által végzett munka) az csökkenni fog, hiszen amikor csökken a feszültség akkor a kondinak kell a tárolt töltésből fedeznie. Hu, remélem érthető volt, nem nagyon tudok én magyarázni.
Hello!
A terhelőáram, a pufferkondi és az egyenirányító fajtája (egy v. kétutas) között van összefüggés. De ez talán segít a megértésben. üdv! proli007
esetleg képlet a pufferelt fesz-re?
Hello!
Nem igazán lehet korrekt képleteket mondani, mert trafó egyenirányító veszteségei jelentősen befolyásolják azt. Valamint milyen feszültséget szeretne az ember kiszámítani, és annak mennyi értelme lesz a terhelés és hálózat változás miatt. Általában csak ökölszabályokkal szokták számolni. De valóságot legfőképpen szkópos méréssel tudhatod meg. Nem követsz el nagy hibát, ha a trafó adott terhelésén mért effektív értéket megszorzod a gyök kettővel, és levonod a diódák veszteségét. Vagy általános értékű tápfeszek esetében egyszerűen 1,3-al szorzol. üdv! proli007
Sziasztok!
Nem találtam alkalmasabb topikot, úgyhogy itt tenném fel a kérdést: A CD-s-rádiós magnókban lévő hangerőszabályzó potenciométerekről lenne szó: A "gömb" alakra hajazó változatoknál ha oldalt van a hangerőállító (a forgató részből egy kicsi szelet lóg ki), akkor az milyen kivitelű szokott lenni? Úgy álltalában mekkora értékűek a hangerőszabályzó potenciométerek?
Most nézem hogy földre húztam a vissza csatolást meg a referenciát is.
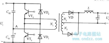
Ez így talán értelmesebb lett. Furcsa lehet hogy miért próbálok mindent fixre kötni, de azt szeretném ha egy fix frekvencián üzemelne és nincs szükség a szekunder oldal feszültségének szabályozására sem. Mostmár az egyetlen dolog ami kétes az az hogy le kéne-e választani a tranyókat vagy sem.
Üdv! Ezt egy kicsit át kéne gondolni!
Az egyik hibajel erősítő bemenete lóg a levegőben (szemet szúr!). A 7805-ös eddig tisztázatlan körülmények miatt teng-leng a kapcsolásban (teljesen felesleges). Az IC tápellátását nem tüntetted fel. A visszacsatolás is hibás. Ha mindenkép fix kitöltést akarsz, akkor vezéreld meg a hibajelerősítők inv. bemenetét, a nem invertlót pedig földeld. Ekkor a DT lábra adott feszültséggel (amit érdemes potenciométerrel, mint változtatható fesz. osztó) tudod állítani a kitöltési tényezőt. Viszont nem értem, hogy miért nem akarsz rendes visszacsatolást. Egy optoizolátor lenne az egész, és akkor nem feltétlenül szükséges leválasztani a primer tranzisztorokat. De én még mindig a galvanikus leválasztást + visszacsatolást ajánlom! Nélküle nagy lesz a tápod "drop"-ja. Nem mellesleg a jobb oldali tranzisztor helytelenül van bekötve (szerintem)
Szia!
A tranzisztoros végfoknak valahogy így kellene kinéznie.
Igen, viszont így bonyolultabb a "felső" tranzisztor vezérlése, mint ha PNP lenne.
A hozzászólás módosítva: Jan 3, 2013
Hello!
Ennek így semmi értelme. Ez az IC végül is azonos a TL494-el. Számtalan PC táp rajz van, válasszál onnan egyet, ami szimpatikus. Szucsip: Végül is tök mindegy, ilyen a két végtranyó, a vezérlését úgy is meg kel oldani korrekt módon. Amúgy a rajzon mind kettő PNP, ha jó a szemem. De ez még elvi vázlatnak sem jó, nem kapcsolási rajznak. Eddig az egész vezérlő IC a két tranyó bázisán lóg a "levegőbe".. üdv! proli007 A hozzászólás módosítva: Jan 3, 2013
Sziasztok.
Egy általános kérdésem lenne az ellenütemű végfokokról. Egy ilyen kapcsolás végén a két 'nagy' komplementer tranzisztor emitterkörében lévő, jellemzően 0.22 - 0.45 ohmos ellenállást, ha 1 - 1.5ohm-ra emelünk az milyen hatással lesz a végfokok munkapontjára,áramára ?
Szia! Egy rajzot linkelnél hozzá? Az ellenütemű kifejezés nem biztos, hogy azt takarja amire gondoltál. Tudni kéne a végtranzisztor földelt emitteres, vagy emitterkövető alapkapcsolásban dolgozik.
Bővebben: Link
Tehát pl. az ilyen felépítésű erősítőkre gondolok. R17 / R18 ellenállásokról beszéltem az előbb. Mi a szerepük ezeknek az apró ellenállásoknak, és ha mondjuk az értékét 4x nagyobbra veszem,mi történik?
Így már világos a kérdés. Az ellenállások növelésétől csökken a nyugalmi áram, de semmi gond, VR1-gyel utána tudsz állítani, nem feltétlen nő meg a keresztezési torzítás.
A nagyobb ellenállás értéktől hőre stabilabb lesz a kapcsolás. Valamelyes csökken a kivezérelhetőség az ellenálláson eső nagyobb feszültség miatt. Sajnos ennyivel nem úszod meg a linkben szereplő kapcsolásnál, mert ott az áramkorlátozó épp ezeken az ellenállásokon eső feszültségből észleli a túlterhelést. Nagyobb ellenállás = kisebb áramnál korlátozás. A pozitív tápoldalt példának véve: az R15/R11 osztót át kell méretezni.
Megnő a kimeneti impedanciája a végfoknak, csökken a hatásfok, és talán a felső határfrekvencia is lentebb tevődik. Miért szeretnéd megnövelni az ellenállások értékét?
Köszönöm a válaszokat! Nem szeretném növelni, csupán elvi kérdés. Tranzisztorokról néhány könyvet olvastam már, mint elmélet, de mindhiába, gyakorlatba nem tudom átültetni, és érdekelt, hogy pl. ebben a esetben mi történik...
Tehát a nyugalmi áram itt azért fontos, hogy ne a munkaegyenes nemlineáris aljáról induljon az erősítés?
Kedves fórumozók !
Aki tud segítsen már nekem egy fejhallgató jack dugó bekötésen, mert elakadtam. Amit erről találtam itt a fórumon az 3 vezetékes ha jól látom. Nekem a levágott jack dugóba 2x2 szál vezeték ment. Mivel a levágott jack dugó öntött volt és hiába szedtem szét nem tudtam megállapítani melyik vezeték hova volt kötve. Az egyik szálnál az érvezeték piros és sima rézsodrat, a másik szálnál pedig az zöld és kék az érvezeték. Ezt a négy szálat hogy kössem be a jack dugó 3 kivezetésére ?(1 db érintkezőcsúcs rövid, 1db érintkezőcsúcs hosszú, 1 db dugasztest ami található a vezeték bekötésre a jack dugón) Előre is nagyon köszönöm a segítséget.
Szia, a sima réz drótot forraszd össze a zölddel. Ez lesz a test, a másik 2 szál pedig a jobb és bal oldal.
A két szál két-két vezetéke, csak a fülekben lévő hangszórókba megy bele két-két oldalról. Földnek be a rézsodrat, és "legyenmondjuk" a zöld (ezen a szálon tökmindegy) összetekerve, összeónozva. Jobbnak be a jobb fül/szál felőli másik vezeték, balnak a bal fül/szál felőli másik vezeték. Ha a jack közepétől haladsz kifelé akkor a sorrend, FÖLD-JOBB-BAL.
Sziasztok!
Segítséget szeretnék kérni abban, hogy egy EM401 diódát mivel tudnám helyettesíteni? Azért kellene a helyettesítés, mert sem a hestore.hu-n sem a hqelektronika oldalán nem találtam az alkatrészt. Ha nem lehet helyettesíteni, akkor valaki tudna küldeni egy 12V ból 9V konverter kapcsolást, ami biztosan működik? Előre köszönöm a segítséget!
Szia!
Az EM401 egy általános 600V,1A-es egyenirányító. Milyen kapcsolásról van szó?
És miért nem ide tetted fel? Ha később másnak is kellene akkor hol találja meg? Másrészt, használd a válasz gombot, hogy tudjuk kinek írsz.
A hozzászólás módosítva: Jan 4, 2013
Ahogy az elötem szólók írták, 2vezetéket majd közösítened kell, az a közös föld.
A javasolt színeket már megírták, remélem az a nyerő amúgy meg működnek a kis hangszórók "fordított polaritással" bekötve is csak nem tesz jót neki meg a hangjának azt hallottam, de még nem tapasztaltam, nekem mindig működtek ezek...Itt egy kép hogy a bolti jack forassztandó oldalán hova kell kötni mit, persze a vezetékek színe más: Bővebben: Link Itt láthatod hogy ami a közösített 2 vezeték az a GR-el jelölt a másik kettő a bal és a jobb, azt majd kitalálod melyik melyik, egy sztereo teszt hanggal letesztelheted, hogy nem-e fordítva kötötted be a jobb és balt. Ha neked színezett a vezetéked a fejhallgatóhoz az azért van mert van rajta festék ami szigeteli, illetve ez a vezeték vékony sodrott, hogyne törjönmeg a huzigálástól és ne is legyen zárlatos könnyen, viszont nehezen forrasztható. Amíg nem kaparod le óvatosan a színes védő lakkot róla nem nagyon tudod majd megcinezni. Elvileg gyufával is lelehet égetni ezt a bevonatot, csak néha jól meggyullad és ráég a műanyag szál amit meg közé tekernek és akkor meg azért nem tudod forrasztani. Sok szerencsét a kaparászáshoz és forrasztgatáshoz, remélem sikerül! A hozzászólás módosítva: Jan 4, 2013
Szia!
Egy egyszerű 12V-ból 9V-os átalakítóban van. Szerinted használható ez a kapcsolás? |
Bejelentkezés
Hirdetés |




Ez így talán értelmesebb lett. Furcsa lehet hogy miért próbálok mindent fixre kötni, de azt szeretném ha egy fix frekvencián üzemelne és nincs szükség a szekunder oldal feszültségének szabályozására sem. Mostmár az egyetlen dolog ami kétes az az hogy le kéne-e választani a tranyókat vagy sem. 
amúgy meg működnek a kis hangszórók "fordított polaritással" bekötve is csak nem tesz jót neki meg a hangjának azt hallottam, de még nem tapasztaltam, nekem mindig működtek ezek...




