Fórum témák
» Több friss téma |
- Ez a felület kizárólag, az elektronikában kezdők kérdéseinek van fenntartva és nem elfelejtve, hogy hobbielektronika a fórumunk!
- Ami tehát azt jelenti, hogy a nagymama bevásárlását nem itt beszéljük meg, ill. ez nem üzenőfal! - Kerülendő az olyan kérdés, amit egy másik meglévő (több mint 17000 van), témában kellene kitárgyalni! - És végül büntetés terhe mellett kerülendő az MSN és egyéb szleng, a magyar helyesírás mellőzése, beleértve a mondateleji nagybetűket is!
Sziasztok!
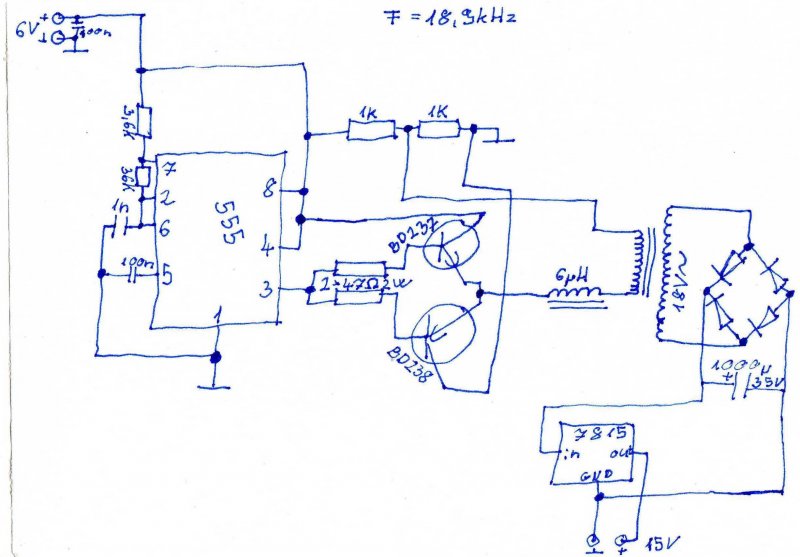
Én megépítettem ezt a fesztöbbszörözőt de nem működik. Tudnátok esetleg segítení mi lehet a gond? Mellékeltem pár képet is. Előre is köszi. ( Bocsi a képminőség miatt)
Üdv!
Találtam itthon egy ilyen RGB Ledet, közös katóddal, csak nem tudom hogyan kell bakötni, és azt se, hogy hány voltos. Tudnátok segíteni, kell hozzá valamilyen vezérlő áramkör? Előre is köszi.
Sziasztok!
szeretnék 8 db ledet meghajtani a kérdésem hogy 3db 1,2v 2200mA elem lenne sorba kötve, a led egyenként 1,1w 700mA és 3,6v on, még meglehet hajtani és jó a 700mA is de gondolom hogy a 820mA is elmegy még. Az a kérdésem hogy ha fog működni és ha igen akkor menyi ideig fog világítani. Köszönettel: GErgő
Kivettem a feszültségosztót. Közvetlen a tápon van a trafó így már megy, de a kimeneten csak 0,13 volt van.
Valaki nem futna át ezen a nyákterven?
Nem tudom, hogy a nyáktervel van-e baj, vagy a többivel Előre is köszi!Üdv!
Szia
2 akku 14,4v 1,5Ah = fúrógép akku egyik akkun 4db led egyenként 3,6 v ha igaz max 700mA az mit írnak másik 4 led ugyanúgy kerékpára lesz, de csak ha szükséges akkor használnám szerinted? igy jó? Kössz a segítséget
hello valaki megtudná mondani nekem hogy? hogy néz ki
10 Kohm ellenállás 100 ohm ellenállás 100Kohm ellenállás 470 ohm ellenállás 100 nF kondenzátor 10 ľF kondenzátor
Végül egy apró motoros kéziszerszám oldotta meg. Nem tudom a nevét, kis gyökköszörű. Az akkumulátorban 5 darab 4/5A méretű NiMH cella volt.
Poweroad motor akkumulátor Y-12N10-3B, M-12N103B 12V 10Ah, Indítóáram: 95A akkor 2x 4sorosan a mások így csak 3 v fog egyre a leírásban meg átlagos 3.2 v
és 350mA van írva
ezt találtam, hűtő bordán van star fajta és sorba kötve,
a nyomtatott áramköri csíkot átlehet vágni úgy látom. nem gondoltam hogy ilyen bonyolult
Szia! Bocs de ha tudod, hogy
Idézet: , akkor a bekötése is adja magát! A Közös katód a LED negatív pontja. S az anódokra kell a +tápfeszültséget egy-egy ellenálláson keresztül kapcsolni. A pontos feszültséget csak az alkatrész adatlapjából lehetne megtudni. De néhány méréssel a LED-ek áramát állítsd be KB 20mA-ra. Számolhatsz 3.2V nyitófeszültséggel is. Mert csak pár mA eltérés lesz az egyes LED-ek között... S bocs hogy nem konkrét kapcsolást mutatok, de nézz szét a FÓRUM KERESŐJE ÁLTAL TALÁLT RGB LED-ES TÉMÁK KÖZÖTT! Biztosan találni fogsz a felkészültségednek megfelelő kapcsolást. „...RGB LED, közös katóddal,...”
találtam azonosítót de nem tudom használni mert hiába nézem mindkét oldalról nem tudom megállapítani melyik milyen(ellenállások)
van egy arany barna fekete narancs 1 barna fekete narancs arany 1 arany sárga fekete barna 1 sárga lila barna arany és 1arany lila fekete barna (lehet hogy mind pont fordított sorrendbe írtam) Help!
na és melyik oldalról nézzem?
mondja már meg valaki konkrétan hogy ezek milyen ellenállások!
Szia!
Én ellenállásmérővel szoktam méricskélni, ha lusta vagyok, vagy nagyon kicsi az ellenállás mérete. A sokgyűrűs, pontos ellenállásokat csak mérem.
Az arany, vagy ezüst gyűrű az utolsó. Négy gyűrűs kivitelnél a harmadik gyűrű a nullák számát adja meg, és így ohm-ban kapod meg az ellenállás értékét
Szia!
arany barna fekete narancs 300 ohm 1 barna fekete narancs arany 10 Kohm 1 arany sárga fekete barna 100 Kohm 1 sárga lila barna arany 470 ohm és 1arany lila fekete barna 10Mohm Az arany szín 5% tűrést jelent. Ahogy kell: Első két jelzés az érték narancs:3 fekete:0 A harmadik a szorzó Szorzó: Barna:1 az az tíz az elsőn:10 Érték:30*10=300 ohm.
Hello!
Megvan valakinek a sprint layout 4 teljes verziója vagy hol tudom letölteni?
De ebbe nem lehet nagyon semmit
nem lehet forrpontokat,vonalakat rakni csak négyzetháló!
demóval eltudnám esetleg valahogy úgy menteni hogy aztán kitudjam nyomtatni?
ezt találtam, hűtő bordán van star fajta és sorba kötve,
a nyomtatott áramköri csíkot átlehet vágni úgy látom. nem gondoltam hogy ilyen bonyolult
Az angol help-et miért tudod nagybetűvel, írásjel használatával írni, míg a magyar mondatokat pedig kisbetűvel, írásjel használata nélkül?
Gergőtől is kérdezném.
Sziasztok!
Nem tud valaki smd méretben nyomáskapcsolóról? Valami olyasmi kéne nekem mint a reed-relé, ha jól tudom a nevét. Mégpedig minél kisebb méretben, nyákra. Sőt, hogy még tovább menjek, teljesen analóg cucc kellene, tehát ami direktben kapcsol bizonyos feszültséget ,akár egy mikrokapcsoló. Már találtam mindenféle fóliás- öntapadós, szuperlapos csodákat, de mindegyik külön áramkört igényelt.
Üdv!
Most felvetődött bennem a kérdés egy másik kérdésre adott válaszom alkalmával. Tegyük fel hogy van három darab aksim ami egyenként 1,2 V és 2200 mA. Namármos ha én ezt szépen sorbakötöm akkor ugye lesz 3,6V 2200 mA. Ha párhuzamosan akkor lesz 1,2V 6600 mA. De mi van akkor, ha párhuzamosan kötök kettőt, és ezzel sorba a harmadikat?
Szóval ha különböző áramerősségű áramforrásokat kötök sorba, akkor a legkisebb lesz a mérvadó? És mi történik a töblettel?
Hali. Egy oszcilloszkóp leírásában ezt olvastam:
-A projekt hardveresen tartalmazza a lehetőséget egy logikai analizátor számára, amely illesztéséről és a PIC számára megfelelő jelszintre hozásáról egy 74HC573 gondoskodik. Ez mit akar jelenteni érthetőbben? |
Bejelentkezés
Hirdetés |









Nem tudom, hogy a nyáktervel van-e baj, vagy a többivel 








