Fórum témák

» Több friss téma
Fórum » Erősítő mindig és mindig
Mielőtt kérdezel, a következő két dolgot ellenőrizd! I. A helyes tápfeszültségek megléte. II. A kimeneten van-e egyenfeszültség. Élesztés.
Lapozás: OK   1328 / 2567
(#) szamóca válasza Koncsar hozzászólására (») Máj 29, 2013 /
 
Majd szép lassan rájössz te is, hogy a különféle erölködők hangszínei bizony önmagukban is eltérőek, s ehhez társul a rendszerszinergia többi kitevője, ami igencsak megváltoztatja ugyanazon komponens hangzását.
A vérhányendfülűeket is simán be lehet csapni.
Ha kiteszel egy szépen világító csöves cuccost az asztalra, alatta meg egy egy egyszerű IC-s cajg hajtja a hangsugárzókat, amiről a jó nép mit sem tud, simán nagyszerűnek hallja a vájatfülűek többsége. Erről Lamalas tudna mesélni.
Bizonyos fokig az erősítők is hanszínszabályoznak, csak nem úgy mint a hangszínszabályzók.
És van akinek ez, van akinek amaz a színezettség jön be, ezen aztán jól össze lehet veszni a fórumokon.
(#) reloop válasza blasz hozzászólására (») Máj 29, 2013 /
 
Szia! A rajz bal alsó fickában lévő 820 ohm-ot változtasd egy picit.
(#) blasz válasza reloop hozzászólására (») Máj 29, 2013 /
 
Köszi de a bal alsó ficakban 270R van,
Bocsi a rajzot nézve a 820R az.
Kicsit bűvészkedtem az ST panellel is jó hangja van.
A hozzászólás módosítva: Máj 29, 2013
(#) reloop válasza blasz hozzászólására (») Máj 29, 2013 /
 
Inkább karikázom.

Offset.GIF
    
(#) blasz válasza reloop hozzászólására (») Máj 29, 2013 /
 
Bocsánat észre vettem csak a ficakot értettem félre
(#) Koncsar válasza szamóca hozzászólására (») Máj 29, 2013 /
 
Köszönöm Szami! Azt hittem, hogy ebből a kis írásomból ejnye bejnye lesz. De úgy látom megúsztam. Biztos azért nem szeretem, mert nem építettem még.
Nem, ez nem jó válasz rá. Nem tudom, miért nem.
(#) blasz válasza reloop hozzászólására (») Máj 29, 2013 /
 
Köszönöm most teljesen jó lett,íme,felül a nyugalmi mA,alul a kimeneti e.fesz

DSCN1604.JPG
    
(#) blasz hozzászólása Máj 29, 2013 /
 
Még egy kérdésem van,a másik oldal azt csinálja ha letekerem a bemeneti potit teljesen akkor szinte cb hangot hallok,a nyugalmi 230mA olyankor a kimeneti egyenfesz pedig 25mV,ha csak egy pict mozditok a potin elmúlik minden baj.Nyilván gerjed de mitől lehet?

Annyit csináltam a bemeneti + szál és a panel közé tettem egy 22R ellent és ettől elmúlt de ennek nem igy kéne működnie szerintem
A hozzászólás módosítva: Máj 29, 2013
(#) reloop válasza blasz hozzászólására (») Máj 29, 2013 /
 
A meghajtó tranzisztorok bázisa és kollektora közé illesztett 100-200pF feltehetően megállítja. Próbáld ki A P-s vagy az N-es tranzisztoron hatékonyabb.
(#) blasz válasza reloop hozzászólására (») Máj 29, 2013 /
 
Oké megpróbálom,de ez csak úgy jött a hiba eddig nem volt, ez ezért fura.

Nem segített,kipróbáltam,csak a sorba kötött ellenállás eddig ami jó.Megbolondulok
A hozzászólás módosítva: Máj 29, 2013
(#) emersys válasza szamóca hozzászólására (») Máj 29, 2013 /
 
Azért aki egy tisztán Ic-s (és nem pl csöves jelkondicionálóval megkörített) valamint egy csöves erősítő közt nem hall illetve nem tud különbséget tenni, ott igen csak nagy gond van... Szintúgy ha egy jelútban részt nem vevő , vagyis csak szimplán "világító" cső látványa így megkeveri.
Nem éppen ilyen személlyel kellene tesztelni mondjuk...
A hozzászólás módosítva: Máj 29, 2013
(#) reloop válasza blasz hozzászólására (») Máj 29, 2013 /
 
Amennyiben friss hiba, akkor a drótokat nézd át!
(#) blasz válasza reloop hozzászólására (») Máj 29, 2013 /
 
Az egészet átnéztem de semmi probléma nincs velük újra kötöttem a potit mindent
(#) Koncsar válasza blasz hozzászólására (») Máj 29, 2013 /
 
Szia! Ez most melyik végfok?
(#) reloop válasza blasz hozzászólására (») Máj 29, 2013 /
 
Akkor marad a sávszűkítő kondenzátor, az majd megfogja.
(#) blasz válasza Koncsar hozzászólására (») Máj 29, 2013 /
 
A 8tranyós
(#) blasz válasza reloop hozzászólására (») Máj 29, 2013 /
 
A bemenet földjét egyből a táp földjére tettem és láss csodát,jó,de a saját földje is kifogástalan.Érthetettlen
(#) Koncsar válasza emersys hozzászólására (») Máj 29, 2013 /
 
Szia! Muszáj volt bevetnem ezt a hangszínszabályzós trükkömet, mert egy szót nem tudtam szólni, mert a barátom a denevérekkel is szót ért x hullámhosszon. Meg csak aranyozott kábelvéggel csatlakozzam rá. Gondolhatod milyen rosszúl érzem magam.
(#) Koncsar válasza blasz hozzászólására (») Máj 29, 2013 /
 
A földhurkot már sokszor mondták páran. Gondolj bele amikor a végfok fém doboza össze van kötve a rendes földdel, az RCA -k a fém dobozban legtöbb helyen a hideg pont a dobozon keresztül földre van húzva. De csúnyán írtam ezt le. Na mindegy.
Mindjárt megmozdul az erősítős fórum.
A hozzászólás módosítva: Máj 29, 2013
(#) voodoo válasza emersys hozzászólására (») Máj 29, 2013 /
 
Adom szamóca véleményét. Részemről a highend inkább a kinézetre fekteti a hangsúlyt. Több zenei stílus, több pozicióba helyezve, hallgatva, több féle hangsugárzókkal oda-vissza jól megkeverve (majd végén szavazat) aztán a nagyon audiofil felhasználóakat is sokszor megdöbbenti a végén eredményhirdetésnél.

ui: egyszer elmennék egy ilyenre... de csak azért, hogy tudjak újat mutatni, és a meghökkenéseket, elmosolyodásokat lefényképezhessem.
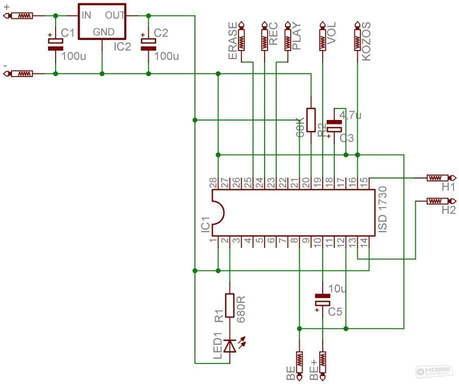
(#) kozso31 hozzászólása Máj 29, 2013 /
 
Sziasztok, láttam egy rajzot és lenne egy kérdésem, amit belinkeltem rajzot ahhoz lehetne e használni mert nekem jó hangos cucc kellene. Van egy dóm hangszóróm tölcséres, szerintetek elbírná ez a kapcsolás? Úgy tudom húsz wattot bír a hangszóró.
A hozzászólás módosítva: Máj 29, 2013
(#) szamóca válasza kozso31 hozzászólására (») Máj 29, 2013 /
 
Lehet, de magasfrekit akarsz csak hallgatni rajta, vagy miért kell a nagyérzékenységű tölcséres dóm magas?
(#) bladzser2 hozzászólása Máj 30, 2013 /
 
Sziasztok!
Röviden leírom:
Idézet:
„(Eleje rizsa végén a lényeg.)”

Van egy Dimarson házimozim aminek csak az aux kimenetét használom, dvd-t nem is nagyon nézek.
Következő sorrendben vannak összekötve a dolgok.
Laptop(HDMIn keresztül) -> TV-be (annak hangkimenetéből RCA-val) -> DVD auxbemenetébe és itt jön a csavar.

Van egy erősítőm, aminek a bemenetét kondival megszűrve bekötöttem a házimoziba. Mert ugye ha csak simán RCA-val dugom össze (házimozi RCA kimenetét Erősítő bemenetével) késik a hang, illetve nem lehet szabályozni a hangerőt, sem némítani.

Nos: Bekötöttem a DVD-be a vezérlő IC után azaz a végfokok elé, oda ahol a digitális hangerő szabályozás megtörténik. De ehhez fel kell venni a külső erősítőn fullra a hangerőt.

Hibajelenség:
Amikor a házimozit leveszem 0-ra, vagy némítom nincs semmi alapzaj, tökéletes csend van. (Ez rendben van)
VISZONT, ha már 1-re teszem a hangerőt, bemeneten jel jelenik meg. Ilyenkor sistergés hallatszik a hangszóróból, ami borzasztóan zavaró. Nagy hangerőnél megszűnik, meg nem zavar. De halkan nyugodt körülmények közt nem lehet zenét hallgatni sem filmezni.

Itt akadtam el a dologgal, nem nagyon találok rá megoldást. Szeretném kikérni a véleményeteket, mit lehetne tenni ilyenkor, hogy a zaj megszűnjön, vagy legalább csendesedjen.

(A hangot úgy kell elképzelni, amikor kint szakad az eső és zárt ablakon keresztül halljuk a szobában)

Várom észrevételeiteket. Köszi

Erről a DVD játékosról van szó
A hozzászólás módosítva: Máj 30, 2013
(#) kozso31 válasza szamóca hozzászólására (») Máj 30, 2013 /
 
Helló:Ez cseresznyésbe kellene seregélyriasztáshoz,a hang az már megvan az isd-re csak frankó erősítőt nem találtam hozzá.
(#) mezei dávid hozzászólása Máj 30, 2013 /
 
Sziasztok!
A képen látható erősítőről kérdezném, hogy a fet kell e bele ,ha nem akarok némítást.
Ez esetben mely alkatrészeket vehetem ki?
űdv:md
(#) kokozo válasza mezei dávid hozzászólására (») Máj 30, 2013 /
 
Szia, nem kell bele és az előtte lévő ellenállás is elhagyható.
(#) kérdező hozzászólása Máj 30, 2013 /
 
Sziasztok!
A Csabai Dániel: Hangtechnika amatőröknek c. könyvben található kapcsolások milyen minőségűek?
A leírásuk általában jó paramétereket ad meg.
Valaki megépített valamilyen benne található kapcsolást?
(#) matyusz hozzászólása Máj 30, 2013 /
 
Üdv mindenkinek.
Egy olyan kérdésem lenne, hogy egy erősítőben a 2 végtranzisztor 2N3773 helyett stabilan használhatok-e vagy helyettesíthető-e 2N3055-el? A táp +-45V és 2db volt benne. (2n3773)
A válaszokat előre is köszönöm.
A hozzászólás módosítva: Máj 30, 2013
(#) Beringer 600 válasza matyusz hozzászólására (») Máj 30, 2013 /
 
Hali! Én nem ajánlom ekkora feszültségről járatni a 2n3055-öt,esetleg +-30-35v.
Hejettesiteni lehet,de kisebb feszről.
A hozzászólás módosítva: Máj 30, 2013
(#) matyusz válasza Beringer 600 hozzászólására (») Máj 30, 2013 /
 
Üdv. Köszönöm a választ. Járt nálam olyan erősítő (valamiféle Quad405) amiben 2db 2N3055 volt és +-55V-ról ment. Igazából szerintem olyan 40V-ig tudom levinni a tápot, mert akkor átkötöm 240V-os részre a primert. (kb.:40-42V lesz szerintem).
Következő: »»   1328 / 2567
Bejelentkezés

Belépés

Hirdetés
XDT.hu
Az oldalon sütiket használunk a helyes működéshez. Bővebb információt az adatvédelmi szabályzatban olvashatsz. Megértettem