Fórum témák
» Több friss téma |
Mielőtt kérdezel, a következő két dolgot ellenőrizd!
I. A helyes tápfeszültségek megléte.
II. A kimeneten van-e egyenfeszültség.
Élesztés.
Hali!
A vonali átvitel technikából származik a 775mV. 600ohm lezáráson ez éppen 1mW teljesítményt ad. Ezért ezt a feszültséget választották 0dBV-nak. (P=U*U/R) üdv! proli007 Idézet: „KD Mester erősítőjén is lehet szabályozni a bemenet érzékenységét.” Igen? Megis melyik erositojen? En nem tudok olyan erositorol KD mester munkai kozul amiben az erzekenyseget lehet allitani.
Dehogynem, a B5-ben.
"A bemeneti érzékenység növelhető a bemeneti fokozat 2,2 kohm-os ellenállásainak csökkentésével. Például ha dupla érzékenységet szeretnénk, akkor két 1 kohm-os ellenállást kell beépíteni ezek helyett."
Ja, kerem szepen! Igy barmelyik erositoben lehet az erzekenyseget valtoztatni
(vagy ugy hogy az atfogo neg. vcs. merteket valtoztatjuk ... felteve ha van az erositoben. Mert a B5-ben nincs)
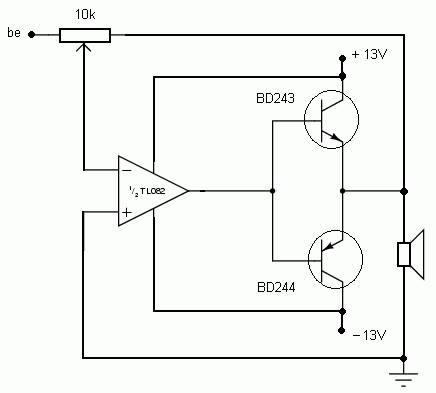
Helló, meghallgattam otthon is a nagy hangfalakon az új erősítőmet és tényleg szépen szól, tisztább és definiáltabb mint a tda-k, és mintha nagyobb lenne a teljesítmény-sávszélesség is. Nagyobb hangerőnél különösen jó ! Most megcsinálom nagyobb tranyókkal, pl. 2n3055 és 2n2955 + nagyobb trafó, nagyobb tápfesz. Valaki kipróbálhaná, tényleg nagyon jó, és hihetetlen egyszerű. 1 opa és 4 tranyó.
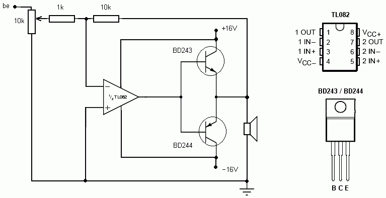
Az eredeti és a kipróbálandó változat... az első sem rossz nagyobb vonalfesznél, pl. cd-lejátszó, de pl. a pc jele kevés volt a normális hangerőszabályzáshoz.
Kipróbáltam a 2. változatot, de így sem jó a hangerőszabályzás, lehalkítva sistergős-recsegős-torz lesz a hang. Az 1. változat a jó, csak normál vonalszint kell neki.
Értem ezt is, akkor mélynél kicsit máshogí van!
Az enyém szépen bírta pedig régen, semmi baja nem volt! De még azt nem értem, hogy elvileg a Számítógépen előállítok 3-4Hz-et és azt leadja a hangfal is. Szépen lassan mozog ki és be. EZ miért van ha az erősítő elvileg csak 10-20Hz vágásig megy a hangfal váltóval eggyütt?
Visszaépítettem az első változatba és most meg jó a hangerőszabályzás pc-n is, és annyira jól szól ! Annyit változtattam hogy a kimenetről a potira visszamenő jelet nem a hangfalcsatlakozóról vettem most hanem a panelről és megjavult a hangerőszabályzás is !
Végleges változat bekötési rajzokkal. Ja és el is neveztem a kis csodaerősítőmet : SHAMAN
Hát erről már az oroszok jutnak eszembe, meg a "fatengelyes" kifejezés. Csak az Ő elnevezéseik a bolygókról, meg a természet dolgairól szólnak. Ezt a sok ökör tervezőt, hogy diplomával a zsebükben, 10 évnyi szakirányú képzés után is 50-100 alkatrészből tudnak csak egy erősítőt megépíteni.
Csipetnyi iróniát vélek felfedezni ebben a véleményben...
de nem kell lebecsülni az egyszerű dolgokat. Azért is sámán a neve: néhány alkatrészből megdöbbentően jó hangot varázsol, ez már-már természetfeletti Idézet: „...megdöbbentően jó hangot varázsol...” Azert tegyuk hozza, hogy a "megdobbentoen jo hang" relativ es rendkivul szubjektiv dolog is egyben
Nem lehetne ezt az erősítőt normális hangerőszabályozással ellátni? Mondjuk valami olyasmivel, mint ami a lentebbi hozzászólásodban a 2-es számú volt.
A gond ugyanis az, hogy ha a potid csúszkája kh-s lesz (amire minden esély megvan a boltokban kapható potikkal), akkor megszűnik a negatív visszacsatolás és az erősítőd kiül valamelyik tápra = hangszóróhalál. A 2-es verzió abban a formában elég gány amúgy, ha teljesen feltekered a hangerőt, akkor elméletileg 0 bemeneti ellenállása lesz az erősítődnek. Az az 1µF az alsó határfreki miatt is kicsinek tűnik. Szóval én azt a korábbi "2-es" verziót csinálnám meg a következőképpen: a bemeneti csatolókondi 4u7, ezzel sorba kötnék egy 1.5k-s ellenállást. A 10k-s poti legyen lineáris(!), hogy miért, azt el lehet olvasni ITT (ő 100k lineárist és 15k ellenállást használ, az arányok a lényegesek).
Sokkal csúnyábbat látna ott, ha szkóppal nézné, nem keresztezési torzítást, hanem midnenféle gerjedést. Rossz helyről jövő visszacsatolás, ráadásul az OPA negatív lába gyakorlatilag földre söntölve, mást nem is lehet várni
Hát azt tudom megy a csajás, de sajnos ez van!
Nem tudom mekkora volt a fesz, de úgyis javíttatni viszem, mert levan esve a tekercs benne. A továbbiakban meg ilyet nem csinálgatok én, marad a zene hallgatás, mert ha már működik és nem is olcsó a javíttatása akkor nem szíven rontok rajta!
Szia!
Ez az erősítő szerinted elmenne akár elemről is? vagy nagy az áramfelvétele?
De gondolom nem akarod szabadalmaztatni SHAMAN név alatt
Amgy ha egy kicsitt jobb erölködőt akarsz építeni, akkor itt van egy kis link-zöme,.. De az "annyira jól szól" meg a "tisztább és definiáltabb mint a tda-k" kifelyezéseket remélem nem kell szószerint vennünk! Ahogy a kollegák írták, még nem mértél rá szkóppal, úgy-hogy, nem tudod milyen a kimeneti jel,..Bővebben: Link1 Bővebben: Link2 Bővebben: Link3
Hát a fülem nem oszcilloszkóp, torzítást mérni nem tudok, de abban biztos vagyok hogy az eddíg elkészített tda-imnál TÉNYLEG jobban szól. Sokkal jobb a sztereó tér, mélysége is van a színpadnak és minden kis hang, szólam, minden pici kis hang kihallatszik, és minden máshol van a térben. A tda-knál ez nem tűnt fel, azok mosottabban, unalmasan szólnak. Ez viszont színes és élénk. Leülök elé és azt mondom hogy wow ! A hangerőszabályzást tényleg meg kell csinálni jobbra, az opa alapkapcsolás szerint, két ellenállás + a poti. Kondi nem is kell.
Nyilván mehetne elemről vagy akksiról is, csak a +- táp miatt valahol kell lenni egy középnullának is. Az áramfelvétel a hangerőtől függ, bemenő jel nélkül a B-osztályú működés miatt a tranyókon egyáltalán nem folyik áram, csak az opa pici áramfelvétele van. Nekem a tranyókon a képen látható pici bordák vannak, és kb. 2*1W -nál éppcsak érezhetően langyos lesz. A kis 5w-os trafó sem melegszik, az is csak kicsit langyos. Szóval eléggé áramtakarékos a kapcsi.
Légy kedves, rakj már be egy párszáz Ohm-ot az emitterek, és a bázisok közé.
Ilyen trafód van? Hát, ezzel a 2W-ot tudsz is talán. Gondolom, többre számítottál.
sziasztok!
Szeretnék építeni egy 2X 8-10W-os végfokot ami 2 db 12W/ 4OHM-os VIDI hangszórót hatana majd + még a magasak (a hangszóró valami atom régi cucc még alu öntvénykosaras, de ma bontottam ki a gyári csomagolásból )Jah és az erősítő ha lehet tranzisztoros legyen és szép hangzású (nem muszály A osztály) az IC -s valamiért nem jön be üdv!
üdv
Tudnátok ajánlani valami frankó kis erősítőt? Monó 150-200W között lenne a jó 4 ohm-on. Mélyládához kellene.Ja és ha lehet akkor eléggé strapabíró kellene.
100W (RMS és nem PMPO) nem elég?
Ha igen akkor ST151... |
Bejelentkezés
Hirdetés |




En nem tudok olyan erositorol KD mester munkai kozul amiben az erzekenyseget lehet allitani.
(vagy ugy hogy az atfogo neg. vcs. merteket valtoztatjuk ... felteve ha van az erositoben. Mert a B5-ben nincs) 








)





