Fórum témák
» Több friss téma |
Mielőtt kérdezel, a következő két dolgot ellenőrizd!
I. A helyes tápfeszültségek megléte.
II. A kimeneten van-e egyenfeszültség.
Élesztés.
A kis 3,3µF-os kondenzátorra gondolsz, amin az IC kapja a bemeneti jelet?
semmit nem segít, halkabb lett és annyi!
Sziasztok! Van egy Fisher erősítőm amiben valószínűleg elhasalt a végfok (a kimeneten bekapcsolás után folyamatos búgás van, bemenő jel nélkül is). STK2025 névre hallgat, külföldről lehetne rendelni de valami olcsóbb és könnyebb megoldás kellene. Van olyan amivel lehet helyettesíteni ezt a típust? Köszi!
Egy kép lehet segítene mindannyiunknak, meg az, hogy egyáltalán hogy kötöd be a potit meg hogy mekkora feszt adsz neki, meg hogy egyáltalán mit hova kötsz neki.
Mióta nincs rajta borda? A tápfeszeket megkapja? Mind a 2 oldal ezt csinálja? A kimeneten van DC? Biztik épek, táp szimmetria megvan az ic-n?
Őszinte részvétem!
A hozzászólás módosítva: Nov 6, 2013
A bordát levettem a szerelés idejére mert eléggé nagy, természetesen borda nélkül nem kapcsoltam be. A+B oldalas, mindkét üzemmódban mindegyik kimenet búg. A kimenetein +-31,9V-ot mértem. Biztik újak és megfelelő értékűek, a feszültség is megjelenik az IC-n.
Őszinte részvétem.
A hozzászólás módosítva: Nov 6, 2013
A hang(falak)sugárzók veszettül búgnak ha rákötöm őket akármelyik kimenetre. A potméterre sem reagál.
Ne falazzunk, hagyjuk meg azt a kőműveseknek. Mod. A hozzászólás módosítva: Nov 6, 2013
Na igen amit "szamóca" is ír azért ez elég érdekes. Tedd A állásba a kimeneti kapcsolót és a multidat állítsd szépen egyenfeszre 200V os határba és a feketét a hangfalcsati negatívjához a pirosat meg a hangfalcsati pozitívjához tedd. Ezt csináld meg a másik oldalnál is és hangfal ne legyen rajta meg semmi. Természetesen ha zárlatos az egyik végtranyó az ic-n belül akkor arra a feszre rá fog ülni, de mivel ha az ráül, azt hirtelen nem tudja átadni ezért dobálgatja a kimenetét, na mindegy, azt csináld amit írtam az elején.
Nos paint-ben lerajzoltam az alapot, hogy mi hogyan is van bekötve, mert nincs egy normális fényképezőm, amivel tudnék egy jó képet csinálni, de tudok egy felülnézeti képet csinálni, amiből kivehető nagyjából! a Rajzon egyedül az aux váltókapcsolót és egyéb ledeket nem rajzoltam be, mert a ledek teljesen függetlenek, mert a kapcsolónak több kivezetései vannak egymástól függetlenül! Az IC lábak azért vannak vezetékkel áthidalva, mert elfelejtettem tükrözni a kapcsolást, így csak akkor működne, ha alulra forrasztanám be az IC-t, DE 100%-os hogy minden jól van a kapcsolási rajz alapján bekötve, miután rájöttem a hibára azonnal végignéztem!
A hozzászólás módosítva: Nov 6, 2013
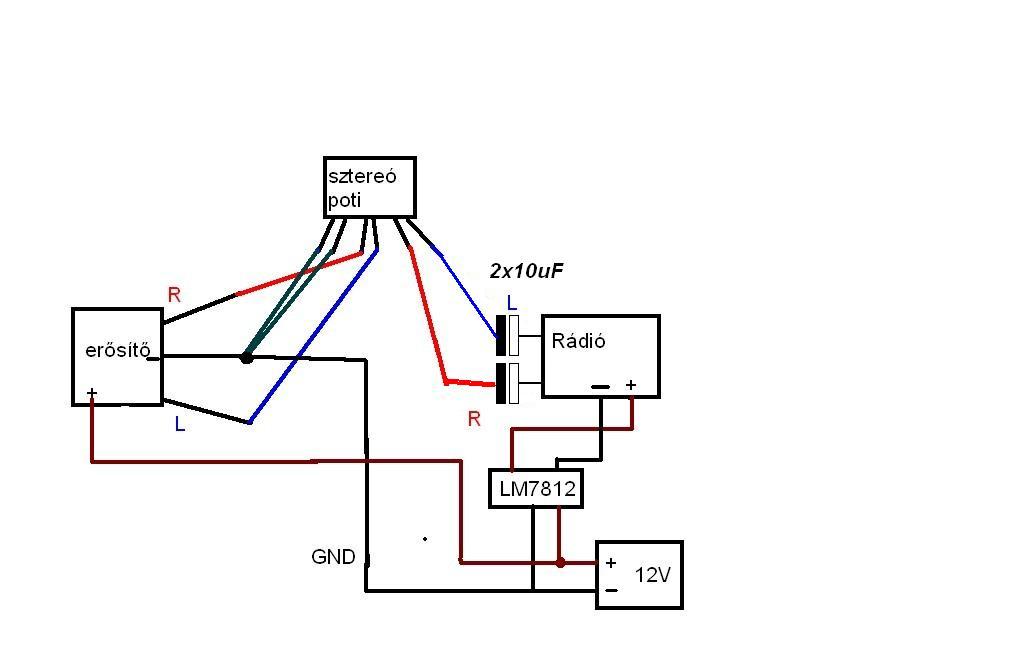
Szia! A rádió kimenetét kondenzátorral kéne leválasztani a jelölt módon.
Őszinte részvétem!
Igen ezt a műveletet én is elkövettem, a képen ahol tartom ezt a cuccot, ott a hosszú kapcsoló elején látszik is, hogy oda van forrasztva a kondi csak fejjel lefelé. Ugyanolyan plaritásban, ahogy ajánlottad, csak annyi a különbség, hogy én oda 1000µF-os kondikat tettem, de ki fogom holnap cserélni 10 µF-osra!
A jel útba 1000µF-et tettél? Nem apróztad el
Ennek a töltődése is okozhatna akár ilyet, de ez lehet hülyeség. A potit nem tudom hogy gondoltad a rajzon da ahogy én értelmezem, úgy teljesen jó, ahogy bekötötted, poti eleje test, közepe erősítő, vége meg a jel (pl ha szemből nézzük)
Azt már mérgemben tettem oda, először direkt kötöttem rá a rádiót, de nem volt jó, akkor tettem oda egy 470-es kondit, azzal nagyon kicsit jobb lett, na mondom akkor egy 1000-res kell ide, úgyhogy odatettem egy 25V-os 1000µF-os kondit, így viszonylag tűrhető, de nem a tűrhetőre akartam menni, de hát egyelőre ezzel kell beérni!
A poti bekötését, még régen tanultam meg, amikor egy nagyon gagyi kis tranyós erősítőt csináltam!
Ha megnézel erősítőket a bemeneti csatoló kondija a legtöbbnek 1uF, 2,2uF, 4,7uF, 10uF. Ezekkel kell általában próbálkozni
Meg ahogy írtad, hogy nagyobb hangerőt adsz akkor elhalkul meg lassan hangosodik, hát szerencsétlen azzal a pár mV-nyi jelével mire feltölt egy 1000µF-es kondit A hozzászólás módosítva: Nov 6, 2013
Van egy 3,3µF-os kondi a panelon belül a kapcsolási rajzon ott van, ezt a nagyot már csak ráadásnak tettem bele, mert szarakszik velem!
Holnap veszek egy másik 2009-es IC-t, De szerintem az már 2009A-lesz amit megveszek, mert az már rövid zár védett, és nincs hatalmas különbség az árában! Szerintem már csak az IC lehet a bűnös!
Én azért még tüzetesen átnézném a helyedben az egészet, mert ha szól rendesen és a tápod is jó hozzá, akkor nem az IC-vel lesz a gond
Esetleg a kapcsirajzot ami alapján csináltad meg nyáktervet felrakhatod hátha találunk benne valamit, meg majd egy jó kép a paneledről.
Hát jó képet a panelemről nem tudok garantálni, de majd megpróbálkozok vele!
De a nyáktervet feltöltöm! kapcsolási rajz A hozzászólás módosítva: Nov 6, 2013
Sajnos .lay-t nem tudok megnyitni, nem tudod esetleg módosítani pdf-re vagy valamire?
Ma már nem sajnos, mert telón vagyok már, de holnap megoldom!
|
Bejelentkezés
Hirdetés |









Ennek a töltődése is okozhatna akár ilyet, de ez lehet hülyeség. A potit nem tudom hogy gondoltad a rajzon da ahogy én értelmezem, úgy teljesen jó, ahogy bekötötted, poti eleje test, közepe erősítő, vége meg a jel (pl ha szemből nézzük)
Esetleg a kapcsirajzot ami alapján csináltad meg nyáktervet felrakhatod hátha találunk benne valamit, meg majd egy jó kép a paneledről. 