Fórum témák
» Több friss téma |
Mielőtt kérdezel, a következő két dolgot ellenőrizd!
I. A helyes tápfeszültségek megléte.
II. A kimeneten van-e egyenfeszültség.
Élesztés.
De igazából jobb lenne neki egy 10-11voltos trafó ekkor a DC lenne 14-16 Volt ezzel egy picikét talánn jobban kihasználod az IC adottságait !De viszont terhelheted a te 9 ohm od al , csak akkor nemfog csak KB olyan 10Wattocskát szólni! 4 ohm ra jobb lenne terhelni !
Az az igazság hogy a hangfalaim csak 8W-ot tudnak ezért választottam ezt az IC-t mert hidalva éppen elég teljesítményt ad neki...
Szóval ha hidalva van és 9 Ohm al van terhelve ugyan akkora táp kell neki mintha 4X 11W ot adna le (2 Ohm)? üdv!
Itt a Piret féle komplementer szimentrikus erősítő teljes doksija, akit érdekel építse meg, elég jó erősítő.
Utánna meg kell csinálni a modot is jarta, amit korábban felraktam, mert az a változat sokkal sokkal jobb! A cikk az RT. 1998 decemberi számában jelent meg, tehát 19 évvel ezelelőtt készítettem az első Quad 405-ös erősítőt meggyalázó kapcsolást. :yes:
Köszönöm Gábor!
Most hogy megláttam, rögtön beugrott! A kimaratott panel már jó pár éve kint fekszik a műhelyben. Csak a relatíve kis teljesítmény miatt nem építettem meg anno.
Nincs mit.
Azt hiszem én kapásból nagyobb feszre építettem ,+-35 V dc-ről ment és legalább 40 W körül adhatott le. Látnék fantáziát ha a 2-2 db BD helyére BDW 93/94 vagy 83/84 (15A) darlington kerülne, még lehet jobban is szólna.
Közben megkerestem a panelt. Hmm.. szóval újra kellene készítenem, mert az akkori alkoholos filces maratási mód, mára már nem megfelelő produktumot eredményezett.
![]() Az eredeti 2x25W egy szobába egyébként elegendő lenne. (most már ) A BD-k szerintem az akkortájt elérhető jobb tranyók között voltak, valószínűleg ezért használták ezeket. Mára már Kánaán van, úgyhogy lehet kísérletezni.
Igen, mára megváltozott a helyzet, minden féle tranyó beszerezhető. Személy szerint én a Sanken és Toshiba tranyokat preferálom, ha nem darligton, de a lényeg, hogy mindet összeválogatom hozzá bétára, kivéve a végtranyot, az egy kicsit drága lenne.
Lehet leporolom ezt a régi kapcsolást és tervezek hozzá új nyákot, dc szervóval , dupla végtranyoval, stb.
Hello all. Nekem az lenne a bajom hogy kimentek az erősítőbe a tranzisztorok még pedig BDW94c fajtájuak és már szétszettem csak alkatrész kell hogy össze rakjam és az lenne a kérdésem hogy betehetek e a helyükre TIP142-es tranyokat ja és az 5. taranyo az valamilyen kisebb fajta volt mint a többi annak a helyére is rakhatom a tip-et előe is köszönöm
A BDW 93 12 A -es a TIP csak 10, ettől eltekintve be lehet rakni helyette. A bétéban tetemes eltérés lehet, ezét vigyázni kell, ha nem automata a terpesztőfeszültség beállítás, akkor össze kell venni, majd beállítani a kellő nyugalmiáramot.
Huh hát ebből nem sokat értettem bocsi. Nagyon kezdő vagyok, de végül is akkor belehet tenni, vagy menjek biztosra, és rendeljem meg az eredetieket? Ja és a legutolsó tranyo az miért kisebb ??? Köszi.
Ebből meg , meghogy kisseb sajnos nem lehet tudni ?hogy neked a legutolsó az kisseb .Ha van rá lehetőséged tegyél föl róla valaminő képet talán ugy tudunk segíteni!Meg aztán azt is kellene ám tudni hogy ez az emlegetett erősítő ,vajon milyen ? értem azt azon hogy egy házilag összehozott vagy netalán gyári ?Szóval az kevés hogy erősítő!
EZ egy gyári Nordmende hifi amplifier Pa 1002-es erősitő sajna képet nem tok felrakni a kisebb tarnyorol meg anyit tudok elolvasni hogy bd c-10 lehet hogy hülyeség de holnpra megnézem jobban mert fogó kell hozzá mert szétment a csavar
Ha kezdő vagy nem egyszerű a dolog. Ahhoz hogy ne csinálj nagyobb bajt, iktass az erősítő hálozati vezetékébe egy 230V / 40W -os soros izzót. Rakd be a TIP tranyót, s ha szerencséd van, hasonló nyugalmiáram folyik kb. (30-100mA) a végtranzisztoron. Általában szokott lenni egy trimmerpoti amivel állíthatod az áramot, ha nincs kicsit bonyolultabb a helyzet.
csak simán egy izzot bele kötök és az világíthat ott magának
? és ugy működhet?
Az izzónak csak pislákolni szabad vezérlés nélkül, ha nagyon világít azt jelzi, túl nagy nyug.áram.
Hát köszi hogy irtál de lehet hogy rakok bele bd-seket és avval nem lehet gond ugye?
még1x köszi
A darlingtonok helyetesítése kicsit koplexebb felatad, mint a sima végtranyoké. A legnagyobb gond, hogy hőfokfüggetlen konstans áramot hozzunk létre, mivel ezek a tranyók könyen "megfutnak". (a hőfok függvényében exponenciálisan nő az áram) Szóval ezt korrektül csak szervó ák.rel lehet megoldani, ezt viszont nagyon kevés kapcsolás használja. Ha az erősítő tápja -+40 V vagy ettől is nagyobb, nem javasolt 30 mA-nál nagyobb I nulla.
A BDW -t ki kell próbálni, az izzó legyen berakva, akkornem lesz nagy hiba.
Sziasztok! Szeretnék erősítőt építeni és ehhez kéne tanács, legfőképp a milyet rész az érdekes.
Az autómba tervezek 5.1-et építeni. minden hangszóróegységnek saját erősítőt szeretnék. lehetőleg a kocsi feszültségén kellene működnie tehát szimplán az akksiról kapjon szuflát. mégegy lényegi apróság, hogy 30-50W zenei teljesítménye legyen. A tippeket előre is köszönöm.
Szerintem akkor TDA-1562Q vel eri meg probalkozni,ez 70 wattot ad hidalva,kulon meg 35-40 wattot oldalankint.Direkt auto audiora van kitalalva,12 voltrol dolgozik es van benne remote vezerlo,igy konnyeden lehet a cd s auto radioval iranyitani a ki be kapcsolasat.
Hidalni nem lehet, mivel maga az ic mono.. és H osztályba 70W
B osztályba csak 20W adatlap...
Szia!
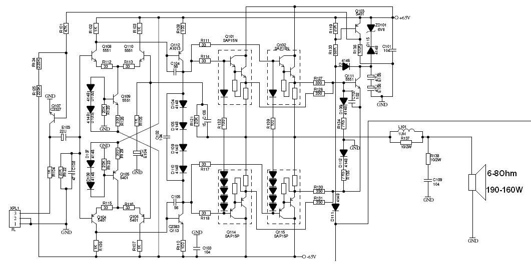
Érdekelne hogy minőségi-stabilitási szempontokból mik a meglátásaid ezzel a kapcsolással. Üdv.
Érdekes megoldás, ilyen speckó tranyokkal még nem dolgoztam. A kapcsolás megoldásai miatt a kipróbálási kategóriába esik bele. Egy dolgot nem látok biztosítottnak, hogyan stabilizálja a 4 db dióda a darligton I 0 áramát. Minimum, hogy terpesztőtranzisztort kell használni a hűtőbordán, de sokszor még ez is kevés, nem is beszélve ekkora tápfeszről. Fennáll a hőmegfutás veszélye, én biztos a diódák helyére tennék egy BD139-et a bordára.
Szinte minden erősítőmet darlingtonokkal építettem eddíg, nyugodtan állítom, ha sikerűl megoldani a végtranyo konstans hőfokfüggetlen áramát, nem lehet gond.
Köszi!
Pár nap múlva többet fogok tudni én is, mert akkor érkezik javításra.
Lehet- e ezekből valamit összeütni
P214B Ge pnp Pc = 11W Uc = 60V Ue = 15V Ic = 5A P217T Ge pnp Pc = 30W Uc = 60V Ue = 15V Ic = 7.5A P302 Si pnp Pc = 7W Uc = 35V Ic = 500 mA 2db ELKO 220 mikroF 350V + 24V trafó A tranyók ruszkik, a jelölés is rajtuk cirill, csak így találtam őket meg a katalóusban. A kondik MM-ek. Mivel minden tranyó pnp, és ráadásul nem egyformák, az ellenütemű gondolom nem jön össze. (Szóljatok ha más se.) Valami nagyon egyszerű végfok kéne belőle (kezdő vagyok), a teljesítmény és a minőség nem számít, alkatrésztemetőnek szánom - ne árválkodjanak. Ha valamit esetlteg kilehet hozni belőle írjatok. Köszi!
Ezekkel a tranyókkal már nem igazán érdemes foglalkozni. A Ge alapú tranzisztorok komoly hátrányokkal rendelkeznek, amely a felhasználhatóságukat erősen korlátozzák, stabil erősítőt nem egyszerű feladat építeni belőlük.
Olvasd el Sipos Gyula: HiFi erősítők építése c. könyvet, ebben az első oldalakon leírja, miért nem jók a céljaidra.Bővebben: Link
Hello!
Van nekem itt ő és kérdésem lenne,hogy hova tegyem be a hangerő potit Bővebben: Link Meg 1 tápot rajzolnátok hozzá?
LM1036-os témával kapcsolatos hsz áthelyezve a megfelelő topikba!
Szia.
A potit kösd a bemenete egyszerűen, a csuszkája megy a BE+ -ra , a poti talpa pedig BE- ra. Ez egyébként egy autoba kifejlesztett ic, tápfesz max 18V, ezért nem ajánlott trafóról járatni, nem lesz optimális a müködése.
Szia: Van erről saját TDA1562 - topik
|
Bejelentkezés
Hirdetés |




A kimaratott panel már jó pár éve kint fekszik a műhelyben. Csak a relatíve kis teljesítmény miatt nem építettem meg anno. 
? és ugy működhet?
B osztályba csak 20W 





