Fórum témák
» Több friss téma |
Fórum » LED asztal készítése
Témaindító: kavicszsolt, idő: Jan 21, 2008
Témakörök:
Csáo
Láttam: http://www.youtube.com/watch?v=IkmpIXd9Q90 ezt a videót és nagyon megtetszett az asztal!!Kicsit kezdő vagyok de tudna valaki segíteni hogy hogyan működik és hogy lehetne megvalósítani egyszerűen?? Előre is köszi a segítséget!!
én csak azt tudom róla hogy árnyék hatására világít, sötétben nagyon jó lehet
Ez nekem is nagyon tetsziik!!!
![]() Szerintem valamilyen fototranzisztorral van megoldva, vagy valami szuper érzékeny alkonykapcsolóval, PIC-ekkel kiegészítve, emiatt villog külömböző alakzatokba (szerintem így működik)
Hi!
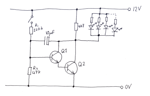
Itt van egy olyan kapcsolás, ami a kapcsoló felkapcsolására lassan, "dimmelve" kapcsolja be a LEDeket, kikapcsoláskor pedig szintén fokozatosan csökken a fényerő. A kapcsoló helyére egy 555-ös astabilt rakva elérhető a hullámzó fényeffekt. A fényérzékelést pedig LDR segítségével lehet megoldani, az LDR-t feszültségosztóként bekötve, műverősítővel az osztott feszültségről lehet hajtani a LEDeket. Másik verzió: fotodióda vagy fototranzisztor és mikrokontroller... Inkább feltöltöm a képet, hogy később is elérhető legyen...
Jól látszik a videón, hogy fényérzékelőből sokkal kevesebb van mint ledből. Egy fényérzékelőhöz tartozik néhány véletlenszerűen elhelyezett led egy négyzet alapú területen. És sok ilyen négyzet van összerakva egymás mellé.
Tehát véleményem szerint ez több ugyan olyan áramkörrel megoldható. Hirtelen ez jutott eszembe: A fényérzékelő fény hatására feszültség vagy áram-változást hoz létre (attól függ mit használunk). Közvetlen vagy közvetve ezt feszültségváltozássá alakítjuk, amit egy feszültségkövetőre kötünk. A feszültségkövető után egy soros dióda, majd egy 10-100µF elkó és egy 22-75k ellenállás párhuzamosan föld fele. Ez után jöhet(nek) tranzisztor(ok), amik a ledeket működtetik. Így már majdnem elértük azt a hatást ami a videón látható, csak nem villódzanak a ledek. Egyszerűbb esetben csak egy 555-el meg lehet szaggatni a ledek áramát. Ha viszont azt akarjuk ami a videón is látszik, hogy a ledek lassú kialvásával együtt a villogási frekvenciájuk is csökkenjen, akkor az imént előállított feszültséggel egy egyszerűbb VCO-t kell vezérelni (feszültségvezérelt oszcillátor). Ezt szerintem egyszerű 555-el meg lehet oldani. Ja igen, a fény pedig azért fog hullámzónak tűnni, mert a VCO-k nincsenek szinkronizálva. Az biztos, hogy a videón látható effekt egyszerűen megoldható mikrokontroller nélkül. Bár ezzel több, előre programozott effektet is be lehetne vinni a rendszerbe.
Köszi szépen mindenkinek aki írt ötletet!!Látom nem csak nekem tetszik a dolog!!Írhattok még!!
Ja még ezt találtam a dologhoz: http://evilmadscience.com/majors/46-tables Hátha ebből még ki tudtok valamit látni és finomítani a dolgon!!Köszke
Lehet, hogy elvetemült ötlet, de én magát a LED-et használnám fényérzékelésre is (időmultiplex vezérléssel).
Szia
A videónál valahol van egy link és ott meglehet nézni a készitést is sőt meg is lehet rendelni ha jól emlékszem. A müködése több egyforma panelböl van felépitve az asztal a vezérlése optokapuval van megoldva azzal a fajtával ameiknél az adó és a vevő egymás mellett van és egy szöget zár be igy egy bizonyos távolságon belül ha tárgy kerül elébe arrol visszaverődik a fény és kapcsol a vezérlő ic mezei lm324 ic panelenként 1db.
hell nekem is tetszik az asztal és sikerült 1-2 dolgot megfigyelnem rajta csak a legfontossabb hiányzik
az ic tipusa vagy hogy mien áramkör pontosan mert tuti hogy nem pic mien icvel lehet meghajtani 8x3 ledet hogy a ényjáték teljes lecsengésekor már nem 8x 3 hanem kevesebb pl2x 3 led villog??? ezt kell csak megoldani az áramkörhöz van 2 kondi ami tuti hogy az erősödést és a lecsengést határozzák meg de ic-nként 2 van valamint a bekapcsolást egy infraled(mint adó) és egy irled(mint vevő) inditják a fényjátékot valamint az sem kizárt hogyí a többi led fényereje miatt van ez az ugymonf fény "vizhang" esetleg az áramkör csinálja. egy áramkörhöz 24 led tartozik szétszorva a panelon 1 panel 4 ic a panel 4 felé van osztva igy a ledek nem mennek át a másik ic hatáskörébe. valamint a képen 14 ellenállást is láttam bár ezek értéke a legkisseb gond. csak a megfelelő ic-t kell megtalálkni vagy valami hasonló müködésü áramkört a videó töbszöri megnézése után azt is megfigyeltem hogy az áramkör területén a bekapcsoláskor minden led felgyul majd utánna kezdődik a hullámzás. de leszedem a videót és kockákra bontom a további megfigyelés végett . egyéb ötlet az áramkörrel kapcsolatban ??????
A szerző cikkeit tekintve meg tuti, hogy vmilyen mikrokontroller-bár ez pusztán csak találgatás...
a panelon nem találtam kristálynak a hejét és megvizsgálva képkockánként felváltva villog áramkörönként 10-10 db led a panelon ák-n ként 24 db van lehet hogy még 4 érzékelő van szétszorva vagy direkt nincs belerakva csak 10-10 led?!??
bár megnézve a fórumot rápillantottam egy fontos ifóra lm324 szerintem csinálok egy szimulációt, a kérdés az hogy az érzéketőt hogyan és hova kell bekötni???
Persze, lehet, hogy LM324 (ekkor van szerencséd), de egy kontrollerhez nem kell feltétlenül kvarc. Mehet az a belső oszciról is.
tegnap este bóklásztam rajzokat kapcsolásokatm keresve a neten és láttam egy lm324el hajtott ehez hasonló kacsolást amicsak 2 müveleti erősitőt használt és 2 tranyóval volt meghajtva 2 led a hatás ugyan az mint a videón csak ami most nekünk kellene az az hogy 2-2 müv.erősitő vezérlésének a bekötése (ezen a téren kezdő vagyok) hogy hova kell az érzékelő és hova az adó???
a videón amikor a macska ül az asztalon az asztal alaphejzetben van és csak a mozgásra reagál..... na akkor hogy is van ez??? terveimbe tartozik későbbiek során egy ojan asztal is ami ha lerakol rá egy poharat vagy bvalamit akkor a pohár hejzetétől hullámok indulnak ki de ez már pices feladat ![]() egyenlőre ez az asztal az "A" terv...
Sziasztok! Szerintem minden led mellé kell kötni egy fotóellenállást vagy egy fotótranzisztort. Ha a fotótranzisztor nem érzékel fényt a LED kigyullad.
(Ha rám hallgatsz fotótranzisztort használsz!) Azt írtad kezdő vagy akkor ezt megcsinálhatod mert nem valami bonyolult.
Egy másik cucc az oldalról: Link
Egy Attiny kontroller van benne, mint ahogyan az asztalban is szerintem. Ha megveszed felprogramozva kapod.
Ez jó kép az alkatrészekről!
LM324, IRled, Fotortanyó Bővebben: Link a linket javítottam. Figyelj a http:// előtagra.--vicsys
most megyek alkatrészekért egy próbaáramkörhöz ha megcsináltam teszek fel képet hogy is néz ki...
Sziasztok!
Tényleg naggggyon jó! Ezen az oldalon részletesen leírja a forgalmazó, hogy egy-egy panelen 4 áramkör vezérel 20-20, tehát összesen 80 LED-et. Sajnos minimálisan 6 darab panelt lehet venni KIT formájában $400-ért. Ez nagyon húzós ár. Az az elvetemült ötletem támadt, hogy mi volna, ha hatan rendelnénk egy KIT-et. De rögtön fejbe is vágtam magam, amikor utánaszámoltam, hogy postázással, vámmal és ÁFÁ-val még így is kb. $80 jut egy főre... Marad a B terv: ki kell találni az áramkör működését és meg kell valósítani házilag. Mostantól eggyel többen gondolkodunk rajta...
hát igen van egy kis ára
megvettem az áramkört desajna nem vagyok othol. amugy már nekiáltam volna a panelnek de holnap reggel munka után az első dolgom lessz összedobni csak azt nem tudom hogy az optot hova és hogyan kössem de ez a legkevesebb ha van rá ötlet irjátok le +rajz... minnél többen gondolkodunk rajta annál hamarabb megvalósul a dolog
Én ITT már leírtam hogy szerintem hogyan működhet.
Természetesen olvastam a felvetésedet, de nekem valami nem stimmel. Lehet, hogy én bonyolítom túl, de azt nem tudom "lefordítani" áramkörre, hogy ez a kapcsolás nem a fényt, hanem a fényerő változását érzékeli és ha bizonyos ideig nincs változás, akkor nyugalmi helyzetbe kerül. Gondoljatok arra a beállításra, amikor az asztal egy részét erős lámpával világították meg, a többi félhomályban volt és mégis minden LED ugyanúgy reagált. Én erre értettem, hogy gondolkodnom kell rajta, amúgy egyetértek a hozzászólásoddal.
Nem. Amit én leírtam elv, az nem (csak) a fényerő változására érzékeny, hahem a fény meglétére.
Sziasztok! Nem tudom, hogy hogyan lehetne egy ilyen asztalt csinálni, max összeforrasztani tudnám, de ha valaki megoldja akkor vevő lennék az ötletre és szívesen megvalósítanám! Nagyon jól nézne ki a nappaliban.....
András
Szerintetek mi pénzből lehetne ezt megcsinálni? 1 panel árára lennék kíváncsi! András
Ledárak! Nem tudom, hogy Ti hol és mennyiért vesztek ledeket, de tudok egy nagykert Szeged mellett Algyőn. Igen jó árakkal tud dolgozni!
www.elektrotech.hu http://www.elektrotech.hu/product_info.php/products_id/883 ha ezt megnézitek 74 Ft ot ír, ezt 42-ért el lehet hozni nagykeráron! Sztem korrekt ár! AndrásLink
Egy "reflexiós" infra-optó 20...40kHz-el hajtott LED-del és megfelelő áramkörrel nem lesz érzékeny a látható fényre. Még előnyös helyzetbe is kerül az áramkör, hiszen amikor egy tárgyat elhúznak előtte, az egyben árnyékolja a megvilágítást
Én is vevő lennék egy ilyen asztal elkészítésére. Ha valaki tud valami okosságot (áramkört) akkor, ossza meg
Kíváncsi vagyok rá ![]() Egy jóbarátomnak csinálnám meg, vendéglátójába, esetleg a pultba beleépítve
Sziasztok! Senkit nem akarok noszogatni, de ez a téma akkor itt meg is halt?
András
Sziasztok ! Én többszörr végignézve a videókat a következőket vettem észre :
1 ) Egy vezérlőhöz jöl körülhatárolható számú és helyzetű LED tartozik 2 ) A LEDek nem össze vissza villognak hanem két csoportra osztva minden négyzetben ( mint egy egyszerű astabil kapcsolásnál ) 3 ) A fényerő változását mindig csak "nagyobb" sötétség esetén érzékeli 4 ) Két felvillanás között az egyes LEDek fényereje a felére csökken 5 ) A 4-es pont nem igaz ha a kitakarás nem változik A következtetésem : PIC vezérli, amiben található egy A/D átalakító. És egy regiszter amiben az előző átalakítás eredményét tárolja és összeveti az aktuálissal. Kb enyire jutottam. Tehát a kapcsolása nem túl bonyolult, a program már érdekesebb kérdés . . . |
Bejelentkezés
Hirdetés |











