Fórum témák
» Több friss téma |
Fórum » SMD LED-es alkalmazások
Témaindító: szuperdurvulas, idő: Nov 7, 2012
Témakörök:
Tiszteletem,
Kerestem a témával kapcsolatban, de nem találtam, igazából még nem is találkoztam ilyennel. Kezdő vagyok, de építeni szeretek. Amit szeretnék készíteni: Szalagban (kb 10 méter) futó, 1 méterenként elhelyezett (11 darab) SMD (kék színű) LED, ami: a., nem teljes fényerővel, de állandóan világít b., nem teljes fényerővel, de folyamatosan lassan villog (2-3 másodperc alatt kialszik, majd 1 másodperc alatt újra felvillan, tartja a fényét, majd a ciklus folytatódik) c., nem teljes fényerővel, de van egy LED, ami állandóan kialszik. (úgymond kúszik a soron egy kialudt szem) A 'B' eset lenne nekem megfelelő. Áramforrás: (erről nem sokat tudok) Ha lehet, akkor USB-ről működtetném. Ha kell, akkor többről is. Azt hiszem, ott van 5V vagy a PC-ből lehet 12 V-ot is szedni. Használat: A fényre természetesen akkor lenne szükségem, ha megy a PC. Viszont ha megoldható valamilyen tápegység beszerzésével, vagy építésével, akkor az is tökéletes, ha ki/be kapcsolható. Amit szeretnék: Egy kapcsolási rajzot; Egy rövid leírást; ÉS a http://www.hestore.hu/ -ról összeállított alkatrész listát. Ha lehetséges: A számítások, az ellenállások méretének a rövid és általános kiszámítását erre a példára, ha esetleg nem 11, hanem 20, vagy csak 5 LED-re. Ha nagyon profi a megoldás, akkor mehet a PC-be egy potméter és ott állítani, meg lekapcsolni, de ez csak hab a tortán. Nagyon megköszönném a segítséget, és kérlek benneteket ne kérdezzetek felesleges dolgokat, nem vagyok otthon a témában, csak szeretném ezt megcsinálni/gyakorolni. Köszönök minden segítséget.
Ha jól értem neked valamiféle futófény vezérlés kellene.A PC USB részét el is felejtheted nem arra a terhelésre tervezték.
Valamilyen Pic es vezérlőt javasolnék , de gondolom most olyat írtam ami , lehet kínai , mert írtad nem vagy otthon a témában . ja és nem biztos , hogy ezért kellett volna egy új topikot nyitni van itt olyan ahol , venni adni rendelni esetleg stb lehet.Hirdetés stb .
helló, hát nem venni adni szeretnék, hanem készíteni.
A vezérlőt meg csak csak értem, de nem tudom kell-e. Legalábbis nem a vezérlés a lényeg. csak a fényhatás. Az áramforrás igazából mindegy, de a PC j lett volna, annak örültem volna... nekem az is megfelel, ha küldesz fórum táma linkeket, de erre az esetre konkrétan nem találtam. De véleményem szerint ez nem egy olyan táma lesz, ami hónapokig megy, csak pár nap, amíg valaki tud segíteni, utána akár törlöm is
Azért írtam a Pic et , mert azzal egyszerűbb lenne igaz ahhoz kell írni egy szofvert amit be is kell égetni a Pic be.
Meglehetne esetleg relékkel építeni amiknek időzítést csinálni stb , de az szerintem bonyolultabb. És a Pic es verziónál is meghajtókat kell csinálni a ledekhez , mert annyi ledet nem bír el. Ja és azért kell programozott vezérlő mivel úgymond egyedi feltételekhez kell neked. A hozzászólás módosítva: Nov 7, 2012
nem kell minden feltétel, elég az egyik. az is megfelel, ha csak folyamatosan világít.
Ha csak folyamatosan világít , akkor az nem lesz látványos , vagy nem is az a lényeg ?
Számít , hogy milyen led hány darab , pontosan hány voltra kell , és utána lehet számolni.illetve párhuzamosan , vagy sorba akarod e kötni sok minden számít egy 10 méteres led világításnál.
hát 11 darab, mint írtam, szerintem sorba és fogalmam sincs, miről menne :S és kék színű SMD ledet szeretnék nem maximális fényerőn. Ez annyi lenne, hogy egy kábel megy a lakásban végig A->B-be és közte 1 méterenként szeretném, ha egy led világítana, vagy villogna, vagy ami egyszerű, igazából semmi bonyi. Vehetek hozzá tápot, vagy PC ről, nem tudom mi mennyi kell
![]()
(Elnézést a kisbetűért!)
Na, ez igen hasznos, nem tudtam, hogy SMD-re is jó ez a számítás! Most én bírtam a paramétereket, de egyben nem vagyok biztos. Itt van ez a led például: Bővebben: Link Ennek a LED-en átfolyó áram erőssége 30 mA???? Vagy ezt a tápegységből/erőforrásból tudom meg? Mert én azért kipróbálnám a PC-ről futtatást. Akár a tápegységből. Annak honnan tudom meg az áram erősségét, ha az kell egyáltalán? A hozzászólás módosítva: Nov 9, 2012
A párhuzamos bekötés nem javasolt, a soros bekötésnél pedig 36V-nál kisebb tápfeszültség szóba sem jöhet, mert ez előtétellenállás és a ledek ellenállása összeadódik, tehát a PC-ről való táplálásról mondjál le, hacsak nem SCSI servertápod van.
Miért nem javasolt a párhuzamos bekötés? Azért mert a ledeken eltérő lehet a nyitó feszültség?
És mi lenne ha csak sima világítás kellene, vennél ilyen öntapasós 12Vos led szallagot?
Igen ez az oka. de ha mindegyikhez külön ellenállást teszel szerintem nem lesz vele gond.
Gabó: abban nem lenne semmi kihívás!
Ráadásul én szeretem az egyedi dolgokat. Szerintem ha sikerül megcsinálni, sokaknak meg fog tetszeni ez a dolog. Főleg, ha teszek fel képeket majd!zolika60: ha mindegyikhez teszek külön ellenállást, akkor miben változik a számítás? Vagy nem változik, csak a bekötésnél kell figyelni? Ugyan akkora ellenállások kellenek minden hova? Úgy értem van egy kábel, és akkor mondjuk 10 centinként kötök egy ellenállást, meg egy LED-et? Majd a végüket egyesítem és úgy vezetem vissza? a mellékelt kép gondolom nem rossz. Viszont akkor egy sorban, csak 1 LED lenne. Ezeket az ellenállásokat hogy számítom? Amennyire felfogtam, akkor a PC 12 V-s csatlakozójára ráköthetek párhuzamosan 10-11 LED-et is, ha a LED-ek elé ellenállásokat teszek úgy, hogy egy-egy ellenállás-led páros sorosan kapcsolva megfeleljen egy sorba kötött LED bekötésének paramétereivel???!!! A hozzászólás módosítva: Nov 9, 2012
Na, valami ilyet tudtam eddig összetenni az ismereteimből.
Jó úton haladok?
Az elv jó, a számítások nem. Tápfeszültségnek felesleges a 12V, mert az ellenállással fűteni felesleges, hacsak nem kötsz sorba két három LED-et és egy ellenállást tartalmazó blokkokat, aminek az előnye, hogy kevesebb vezetékezés kell.
Akkor mehetne az 5 V-ról is?
Mert a kábelen van + 5 V. Átszámoltam: akkor 68 Ohm-os ellenállás elég ügye? A hozzászólás módosítva: Nov 9, 2012
Igen.
A tipikus adatok 3,2V nyitófesz, és 20mA áramnál R=(Ut-ULED)/ILED Vagyis (5V-3,2V)/0,02A=90 Ohm A 91 a szabványérték. A hozzászólás módosítva: Nov 9, 2012
30mA az a max áram, ezzel ne számolj. Zavaró lesz az erős pontszerű fény szerintem így is. Fiatalon azt hittem én is hogy persze, közbe meg dehogy.
Jól van, akkor megfogadva a tanácsod, módosítom az értékeket 91 ohm-ra.
Amúgy ha azt szeretném, hogy ne legyen annyira fényes, mint amennyire fényes lesz, akkor elég ha egy darab ellenállást kötök az egész elejére, ami mindenre kihat? Konkrétan még nem tudom, mennyi fényre van szükségem, de nem a legvilágosabbra, az biztos
A legegyszerűbb, ha fogsz egy 500 ohmos potenciométert, sorbakötsz vele 1 db ledet és meghajtod az általad preferált tápfeszültséggel. A potit szép lassan addig csavarod, amíg a fényerő neked megfelelő, utána leszeded róla a tápot és megméred az ellenállást ohmmérővel.
A hozzászólás módosítva: Nov 9, 2012
Jól van, akkor megfogadva a tanácsod, módosítom az értékeket 91 ohm-ra.
Amúgy ha azt szeretném, hogy ne legyen annyira fényes, mint amennyire fényes lesz, akkor elég ha egy darab ellenállást kötök az egész elejére, ami mindenre kihat? Konkrétan még nem tudom, mennyi. Felvetült így bennem még egy kiegészítő kérdés: Ha maradok a PC-nél és a Molex csatlakozónál, amin van +12 V és +5 V, az 5 V-ra megcsinálom a fent írtak alapján a LED kört, akkor a 12 V-re hogyan lehet olyan, hogy több kört teszek. Ha 3,2 nyitófeszültséggel számolok, akkor ráférne még 3 kör biztosan. Nyilván a 3 kör körönként párhuzamos kötésben lenne, de hogy osztom szét a 12 V-ot 3 fele? Előtét ellenállás minden körre szintén párhuzamosan?
Gondolom a tekerést 500 nál kezdjem el és csökkentsem.
Ha ezt veszem, akkor hova kell a 3 láb? POM16 LIN 500K B Az egyikbe megy a 12 V, a másik kettőre meg az áramkör? Nem, ez így nem lehet jó :S Most ez megint Kínai kicsit. Szóval van egy bemeneti lába, meg egy kimeneti lába és egy föld? A hozzászólás módosítva: Nov 9, 2012
Szia!
Ha jól tudom akkor az első két lábát összekötőd, és így kötöd be a helyére. Még én is kezdő vagyok az elektronikában, ha rosszul írtam akkor majd kijavítanak.
szuperdurvulás, gondolkodj egy kicsit.
A potenciometer - már ha A jelű - lineáris, vagyis egyenes. A ptenciometer fordulata kb. 270 fok, ami azt jelenti 500 ohmos potméternél, hogy fokonként 500/270=1,8518... ohm a változás. Az egyik szélső lábhoz képest ennyivel csökken, a másik szélső lábhoz képest ennyivel nő. Ha a potenciométert pontosan középállásba állítod, akkor a középső láb és bármelyik szélső láb között az ellenállás 250 ohm. Felülről tekints a potenciométerre és kösd össze fixen a bal oldali lábat és a középsőt. Ha a ptenciométer teljesen balra ban csavarva, akkor a középső láb és a jobb szélső láb között 500 ohm mérhető. Nem lesz pontosan annyi, mert +/- eltérés van néhány százalékos. Mondjuk úgy, hogy nagyságrendileg lesz 500 ohm. Ha a pormétert teljesen jobbra csavarod, akkor a középső láb és a jobb szélső láb között 0 ohm-ot mérhetsz. Következésképpen, ha úgy csinálsz mindent, ahogy írtam, akkor a potenciométert maximálisan el kell tekerned balra, hogy az ellenállás értéke a maximum legyen és onnan kell lassan jobb felé tekerni, hogy elérd azt a fényerőt amit szeretnél. Ha elérted, akkor vedd le róla tápfeszültséget, a LED-et és mérd meg az ellenállást multiméterrel a középső és a jobb szélső láb között. Erre az ellenállásra van szükséged.
Amit beírtál potit, az pont egy nagyságrenddel nagyobb... Válaszd ezt , kisebbet nem láttam 1 kohmnál.
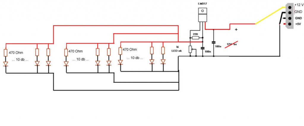
A LED dióda ko.jpg rajzod 12V-ra teljesen jó: 3db LED nyitófesze kb 9,6V, az ellenálláson csak 2,4V-nak kell esnie. (pont így vannak a 12V-os gyári LED szalagok kötve) Ez esetben, ha 4 db soros csoportot képezel, akkor csak 4szeres LED árammal kell számolni (ha egy LED - számodra kedves fényerejéhez - megállapítasz mondjuk 20mA-t, akkor csak 80mA). A szabályzást is meg lehet oldani az alábbi móricka ábra szerint: mivel csak 2,4V-unk van, amit el kell fűteni 80mA-nél, alig kell hűtőfelület az IC-nek. A potméterrel kell majd párhuzamos ellenállás, amivel ki kell kísérletezned, hogy a 270 fokos elfordulás közben a kívánt két szélső érték között változzon a fényerő.
Köszönöm az értékes hozzászólást mind Sebi-nek , mind efraim-nak, hasznos volt. Jövő héten jönnek az alkatrészek. Majd töltök képeket! Szerintem így már képes leszek megcsinálni.
Köszönöm a segítséget mindenkinek.
Szóval sebi azt mondod, hogy ha csinálok 4 csoportot, akkor még a 12 V-hoz be tudom szereli a potméter-t és tudom szabályozni is a fényerőt?
Megpróbálok akkor az eddigi rajzok alapján készíteni egy ábrát, pár alkatrésszel nem vagyok tisztában az ábrádon. De amint megvan, küldöm, és akkor ha nem gond, beleírhatnád ha esetleg hibázik valami. felmerült kérdések a rajzon: a 100n az kondenzátor? hestore-ról tudnál ajánlani. a 220 az gondolom egy ellenállás. és bal alul a kis téglalap gondolom a potméter? A hozzászólás módosítva: Nov 11, 2012
Na, ezt sikerült összehozni.
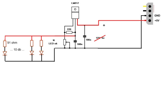
Csak egy sor LED lenne elsőre és csak 5V, így hogy alakulnak az alkatrészek értékei?
Na, ezt sikerült összehozni.
Csak egy sor LED lenne elsőre és csak 5V, így hogy alakulnak az alkatrészek értékei? |
Bejelentkezés
Hirdetés |






Ráadásul én szeretem az egyedi dolgokat. Szerintem ha sikerül megcsinálni, sokaknak meg fog tetszeni ez a dolog. Főleg, ha teszek fel képeket majd!










