Fórum témák
» Több friss téma |
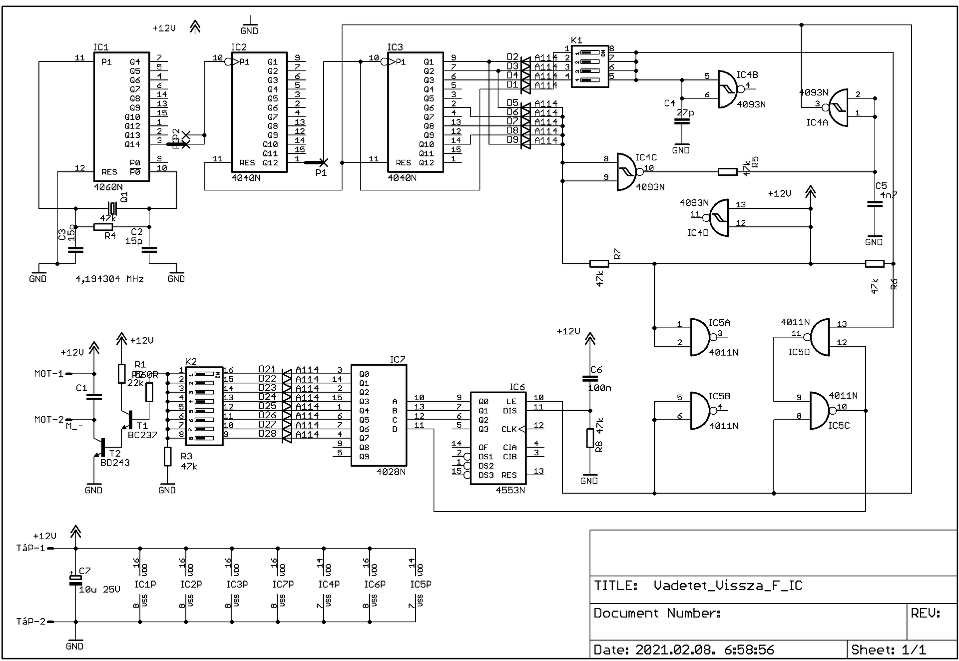
Kipróbáltam, IC4 esetében jó a CD4093, IC5-nél nem. Ha kapok működőképes példányt,
akkor majd abból lekottázom a többit. IC7 jól van visszarajzolva, DIP-kapcsolók felé megy a 8 aktív magas kimenet.
Akkor már csak az IC5 és IC6 kell? Ez egy alkatrész temető, bár akkoriban, amikor készülhetett jó volt. Biztos, hogy megoldható manapság egyszerűbb módon.
Nem gondolkoztál a kiváltásán? Szinte biztos, hogy valamelyik megfelelne a célnak. A hozzászólás módosítva: Jan 28, 2021
Igen, a tulaj már vásárolt néhány digitálisat. Ez egy 20 éves konstrukció, néhány példánynál tranzisztor zárlat és motorleégés történt, egy esetben volt csak digitális hiba, illetve kontakt
hiba a DIP kapcsolóknál.
Az egy eset az nem a mostani? Akkor mi volt a digitális hiba?
IC2 CD4040 CMOS 12-bites binárisszámláló. Most pedig az IC5.
Én sem készítenék ilyen készüléket, de én csak a javításban próbálok segíteni ismerősnek.
Csak azért kérdezem, mert elég sok időt/energiát beleöltél ebbe a hibafeltárásba ahhoz, hogy jobban megérje ezt is kiváltani egy modernebb megoldásra. Persze engem is szokott hajtani a kíváncsiság...
Javításra kértek fel, ezért a kiváltással nem foglalkoztam. Meg persze hajtott a kíváncsiság is,
hátha sikerül felidézni, amit fiatal koromban sem tanultam meg rendesen. Végül sikerült megoldani, Bakman tippje is segített, meg az adatlapok böngészése.
Üdv,4" 7 szegmenses ledkijelzővel szeretnék 3 digites felfele számlálót,reset kell még rá,esetleg tudtok olyan rajzot,ha megépíteném,ezeket a kijelzőket megtudná hajtani?
A hozzászólás módosítva: Jún 23, 2021
SN74143 majdnem jó is lenne, ha nem pont közös katódos kijelzőt kellene használnod...
Sziasztok!
Egy olyan számlálót kellene építenem ami impulzusokra léptet és adott mennyiség után kiad egy impulzust illetve resetleli is magát. Teszem azt 42 impulzus után kiad egy vezérlőimpulzust és kezdi elölről a számolást a következő 42 ig és így tovább. Az impulzusok számát jó lenne változtathatóvá tenni (poti, kapcsoló, jump) minden megoldás érdekel. CMOS ickből szeretném megvalósítani, a 7 szegmenses kijelezhetőség sem fontos szempont. Valaki aki tőlem jártasabb a CMOS ICk világában tudna nekem valamit javasolni erre? Köszönöm!
Több CD4017 felfűzve egymás után. Az állíthatóság se túl bonyolult, csak több alkatrész kell hozzá.
Az első CD4017 Q0-Q9 lábai után raksz 10 darabos DIP kapcsolót, meg lábanként egy diódát, ezt közösítve kötöd rá a következő CD4017-esre, és az első MR lábára. Ezt megint ráfűzheted a következőre és így tovább... A kapcsolókkal tudod utána állítgatni, hogy mennyivel legyen osztva a beérkező impulzusok száma. Például ha így összeraksz három fokozatot és a kapcsolókat mondjuk beállítod, hogy a Q1, Q4, Q0 kimeneteket engedje át (ha az MR lábra is van kötve az adott fokozat kimenete, akkor mindig a legelsőig fog futni, majd kezdi elölről a számolást, erre oda kell figyelni!), akkor 1/2 * 1/5 * 1, azaz minden tizedik impulzusnál ad csak egy kimenő impulzust a legvégén. A kívánt 42 felbontva prímtényezőkre 2*3*7, azaz a Q1, Q2, Q6 lábakat kell bekapcsolnod hozzá. Ezzel a megoldással nem minden értéket fogsz tudni beállítani, csak olyat, amit ki tudsz keverni 1 és 10 közé eső számok szorzatával (a tíznél nagyobb prímszámok kiesnek). A hozzászólás módosítva: Jún 4, 2024
Köszönöm szépen! Ez alapján már el tudok indulni a feladattal. Nem is tűnik nehéznek.
Szia! ...vagy használhatsz 74192-t, akkor BCD kapcsolósor kell a párhuzamos bemenetekre, lefelészámlálás és a BORROW kimeneten kapod nullánál az impulzusod (ha teszel rá dekóderrel kijelzőt, lehet kukkolni is az értéket).
|
Bejelentkezés
Hirdetés |











