Fórum témák
» Több friss téma |
Sziasztok
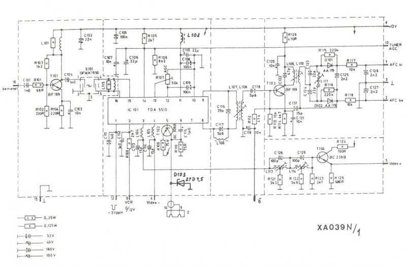
Egy kis segítség kellene mert egy1987-es televízióban találtam egy erősítőt,de nem tudom hogy hova mit kössek,csak annyit tudok hogy a kimenetre a hangszórót,a bemenet meg a 12 zsinórt. Az erősítő egy " SIEMENS TDA5510-2-es ic működteti.
Adatlap!
De ez szerintem video jel erősítő.
Hali!
Én most megfordítanám a kérdést. Tudom, mit keresek, de nem tudom van e ilyen ![]() Nekem valami olyan lapos nyomógomb kéne, ami kb 3 cme sugarú és a körön belül bárhol megnyomom rövidre zárja a két lábát. ja és birjon ki kb 1-2 kg erővel történő megnyomást is Van ilyen cucc? Vagy miből lehetne építeni?Köszi
Szerintem valamilyen kondi.
Azt nem írtad, hogy mekkora elmozduláson...
Első ötlet: mikrokapcsoló, ami előtt van egy megfelelő méretű lap. Ezt a lapot pl. négy ponton megvezetve, bárhol nyomod meg, egyenesen mozdul el. Ha ennél laposabb dologra van szükséged, akkor fólia-érintkező, vagyis: Nyáklap, távtartó, vezető fólia, (külső felület, ami véd, feliratozható, stb...) Régebben kapható volt olyan kis kerek rugólemez, ami nyomásra átpattant. Körben, 3-4 ponton támaszkodott, benyomás után középen is és így zárta az áramkört. Amivel én találkoztam, az kb. 1 cm átmérőjű volt, de talán létezik belőle nagyobb is. Ez, kombinálva a fóliával szép is, és amikor pattan, érezhető a megnyomás, ha szükséges. Ha a nyomás mindenképpen legalább 1-2 kg, akkor két nyáklap egymással szemben, némi távolságra egymástól. Ebben az esetben mindenképpen nagyobb erőre van szükség a megnyomáshoz. A felső, megnyomható nyáklap legyen vékonyabb, hajlékonyabb. Az alsó mögé tegyél támasztéknak pl. alumínium lemezt, hogy bírja a nyomást. Remélem tudtam segíteni.
Én szerintem nemmert a hangszóróba megy.
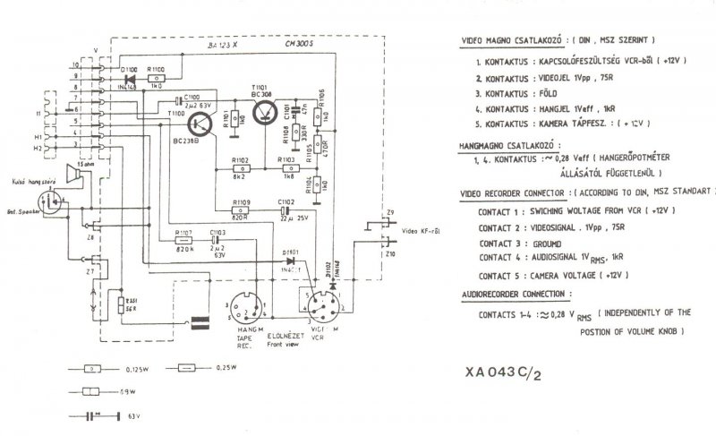
Ez biztos nem hangszóróba megy, mert nincs rajta hangvégfok, de még hang erősítő IC se. Ez a modul, és a benne levő áramkör úgy van kiképezve, hogy külső vídeó jelet is tudjon fogadni, ezért van kivezetve a csatlakozó panelre, ahonnan a külső vídeó jelet kapja, illetve adja ki, egy vídeó magnó számára. Természetesen a hang is ugyanide ki van vezetve, (de az sem a hangszóróról) a vídeó magnó számára, egy 6 pólusú DIN csatlakozóba. A másik csatlakozó valószínűleg a fejhallgató csatlakozó, ide lehet kivezetve a hangszóró is, mert ha bedugod a fejhallgatót, a saját hangszórót le kell választani.
Üdv mindenkinek!
Adott egy Acer laptop, elpukkant az akkutöltő IC , és mellette ez az alkatrész , amiről nem találtam semmit. Kérnék segítséget a beazonosításban. A 3 lábú állat ![]() Előre is köszönöm!
Sziasztok!
Szegény régi-régi porszívónkban (ETA typ 2400) szétpukkant egy TESLA TC290 típusú alkatrész. Ahogy nézem 3kondenzátor, közös tokban. Találtam adatlapot is: Itt van. A kérdésem annyi, hogy miként hívják ezt magyarul? Lehet-e valahol szerezni, vagy kihalt alkatrész?
Parancsolj, lehet hogy a méret nem jó, de elektromosan jó lesz. Egyébként enélkül is működnie kéne.
Köszi, kipróbálom nélküle, ha megy akkor úgy hagyom. Ez már csak a nyúzós porszívó, autót meg ilyesmit takarítunk vele. Havonta egyszer használjuk, arra jó lesz zavarszűrő nélkül is.
Köszönöm a gyors és konstruktív választ.
Ki fogom próbálni. Az elmozdulásnak kb fél centinek kell lennie.
Szia!
Mi ennek az Orion tévének a típusa?
Sajnos a tippelés kevés nekem, szériaproblémáról van szó, zsinórban a 3-4. alaplapot javítom sikeresen, csak a donorpanelek száma is véges, és jó lenne beszerezni pár ilyen tranyót vagy akármi is ez... a többi alkatrésszel nincs gond, az IC-ből is van egy jópár darab raktáron, de enélkül nem megy. Esetleg lehetnek annyira elvetemültek a gyártók hogy az aljára írnak valamit?
Üdv, van egy olyan kérdésem hogy a 7802-t hogy kell bekötni? Köszi előre is a válaszokat.
Sziasztok!
Ez mi lehet? Diódának multiméterrel nem tudtam kimérni, de a tápot 1Vra állítva csak az egyik irányba vezetett, ebből diódára következtetek. Mégis mire/hol használhatták, és milyenek a jellemzői?
Valami ilyesmi lehet. Kapcsolóüzemű tápokban szokták használni például. Speciális dióda.
Azt kétlem hogy az aljan lenne valami, de a lapotop magyar szervizével vedd fel a kapcsolatot, ilyen szervizekben mindig vannak jófajta mutyis kollegák akik hoznak ki neked alkatreszt marék számra. Én is voltam ilyen szervizes...
kadarist
Az orion tv-nek a tipusa 1987-es NÁRCISZ.
Ahogy mondtam. A csatolt rajzokon látszik.
Az "Orion KF" kép a videojel és színcsatorna-áramkört és a video-végfokozatot mutatja, nem a KF-et.
Elnézést, eggyel arrébb. A lényeg amúgy is a hangpanelon van, a csatlakozók bekötése. A hangmodul, a hang KF, és végfok egy külön panelen van, ezt használhatná erősítőnek.
A hangerősítő-panel rajza.
Sziasztok, tudja valaki milyen gyártmányú kondi ez:
CE1204
Elég rossz a fotód, mondhatni semmi sem látszik, de ez hazai gyártmány.
|
Bejelentkezés
Hirdetés |

















