Fórum témák
» Több friss téma |
Fórum » Muzeális készülékek-alkatrészek restaurálása
Témaindító: Kutyuli, idő: Márc 29, 2008
Témakörök:
Szép rádió. Tetszik, én is meg akarom építeni. Persze ilyen szép nem lesz, nekem elég ha szól.
A kapcsolási rajzán az értékeket hogy kell értelmezni? A csövek helyettesíthetők valamilyen modernebb típussal? Talán a végcső lehetne EL84, de a másikra nincs tippem.
Igaz, nekem megvan a saját zsinórja de a megoldásod is jó, elteszem a csontos komputerbe.
A csövek bármilyen hasonlóval helyettesíthetők, nem kritikus a csőtipus. Elsőnek bármilyen ECH jó ( ECH21, ECH81, stb.) A végcsőnek meg bármelyik végpentóda használlható (EL......) A nagyértékek µF ban ill. M- ohm -ban értendők, a kis értékek meg ohm, ill pF. De bármelyik kapcsolási rajzon, ahol hasonló csövek vannak, megtalálod a hasonló értékeket.
Régen csak így lazán jelölgették az értékeket, azt külön imádom, amikor a kapacitást, sőt, az induktivitást is cm-ben (centiméter!) adták meg, pF és (ha jól tudom) uH helyett...
Lehet átszámolgatni... Az ellenállások esetében a 0-val kezdődőek az MOhm-os értékek, tehát a 002 az 0,02 MOhm, azaz 20 kOhm, a 02 az 200 kOhm. Ami nem 0-val kezdődik, az Ohm-ban értendő. Kivéve a katódról a trióda rácsára menőt, mert az 1 MOhm, hiába nem 0-val kezdődik... Kondenzátoroknál a 0-val kezdődőek az µF-ok, tehát a 001 az 0,01 uF, azaz 10nF. Ami nem 0-val kezdődik, az pF. Persze, a nagy szűrőelkók sem 0-val indulnak, ott az is uF. Az első cső lehet ECH81. Persze a munkapontot befolyásoló ellenállásértékeket át kell számolni, megfelelőek-e.
Húú deszép lett...
Nekem a vágyam egy deszkára épített atwater kent szerű rádió replika építése lenne, de ahhoz illő csöveket nagyon nehéz ám találni. Lehet hogy a képeid láttán belefogok én is egy hasonlóba? Ha találok nagyobb bakelitlemezeket, nem lesz megállás Mégegyszer gratula!
Üdv mindenkinek. Kész lettem a 2+1-es hangszórójával is. Egy régi kimustrált banklámpa alját fényesítettem ki, ráment vagy 2 óra, és arra szereltem lefestés után, egy Tesla belsőmágneses hangszórót. Valaha a GZC-NZC lemezjátszók hangszórója volt, onnan bontottam. A többi a képeken.
Sziasztok! Nemrégiben padláson jártam,van egy Videoton th 682 típ.-u tv-m működésképtelen,ha valakit érdekel alkatrésznek,vagy javításra szívesen odaadom neki! A doboza egész szépnek tűnik.
Kösz a segítséget. Neked is, "_BiG_" Az első cső ECH81 lesz. A leendő rádió váza ma félig el is készült. TV kimenője lesz, ha jól tudom az EL84 és a PCL86 pentódája nagyon hasonlít egymásra. A hálótrafó egy menthetetlen rádióroncsból van kiszedve. Még erősítőnek is jó lesz, rakok is rá hangbemenetet.
Szia! Merre leledzik a készülék?
Apropó ki látott már ilyen jó állapotban lévő 61LK3B tipusú szovjet csövet?
Szervusztok!
Pár éve mentettem (akkori főnökeim ki akarják dobni) 1 régi, R4901-es Videoton rádiót. Igazából azon kívül, hogy esztétikailag nem az igazi, annyi baja van, hogy a skála mutatója hiányzik, + hogy "keleti" URH-s. Gyönyörű szépen szól, viszont az normális, hogy ennyire trafóhangja van? A (gondolom, fő-)trafója erősen melegszik is, néha berreg. Kitalál6tátok, hogy hozzáértővel van dolgotok.. Viszont szeretném, ha az Öreg még sokáig jól működne.
Szia!
A hálózati feszültségválasztót kapcsold át 240V-os állásba és így meg fog szűnni a melegedés.
Az hol van rajta?
Nem találtam olyat.A másik: vannak a hátulján kis villás-aljzatok. Az 1ikbe, amelyikhez az antenna piktogram tartozik, van is dugva 1 kis dugó, 2 eres vezetékkel, ami vissza van vezetve a készülék belsejébe 1 darabig, majd úgy ér véget, hogy a 2 ér össze van forrasztva. Jó ez így? Már RH-n is nagyon halkan szól, ennek mi lehet az oka? ("Mai")URH-ra át lehet hangol(tat)ni valahogy?
A biztisor mellett van a választótárcsa: Bővebben: Link. Egy pár cső cseréjét is meg lehet próbálni, meg persze el is hangolódhatott az idővel. Az a kábeles dolog az URH-antenna és persze át lehet hangolni CCIR-be, de ahhoz nagy szakértelem szükségeltetik.
Nem is gondoltam, hogy magam álljak neki.
Azóta én is néztem képeket (a gond az, hogy nincs előttem a készülék most), de az enyémen nincs az a panel a trafón a biztikkel + a tárcsával, úgy rémlik.. Érdekes módon, noha a forgókohndija (ha jól tudom a nevét) nincs a legjobb állapotban (kis híján túlfordít6ó, a tengelye lóg stb), pl a "Petőfit" (nem tudom, hogy hívják most) ott hozza be, ahol kell.
Sziasztok!
A héten vateráztam egy Eumig 380 típusú osztrák rádiót. Van rajta keleti URH, KH, RH. Gondoltam jó kis nyári projekt lesz felújítani. Kiszedtem a sasszit a dobozból, úgy látszott van rajta munka. Első lépésként fogtam egy ecsetet, hogy a por nagyrészét lesöpörjem, erre mi történik?? Az ecset nyomán a tükörfényes sasszi tűnik a szemem elé... Az egész mintha új lenne, sehol egy rozsdafolt, vagy rárohadt akármi. Leporoltam az egészet, itt-ott nedves papírtörlővel rásegítettem, kb fél óra alatt értem el a képeken látható állapotot. Cseréltem benne egy teljesen kiégett ECH-81 et, egy elég "kopott" ECC85-öt, meg egy EZ-80 at. A foglalatokból miniwatt csöveket húztam ki, és bekerült a "rendszeridegen" tungsram. A dobozba épített hurokdipollal rengeteg adó jön be 89 és 100 MHz között. Az RH és KH része nem működik még úgy ahogy kéne neki, igaz teljesen földelés nélkül próbáltam, egy elég gyenge antennával. Csak a kossuthot sikerült megfognom. A dobozról kicsit le van pattogva a lakk, szerintem kenek rá pár réteg sellakot, polírozom, majd megint egy kis sellak. Így nem vadi újnak fog kinézni, de nem is fog lepattogni róla az eredeti festék. kép1 kép2 kép3 kép4
Üdv: Nyugati URH-t akartál írni ugye? vagy át van alakítva? A képen látható Ticonál hangszóró valamikor nagy szó volt, az egyik legjobb a kaphatók közül. A ferrit mágnes kor előtt nem nagyon tudtak jó állandó mágnest készíteni, ezért is volt gyakori a "gerjesztett" hangszórók használata, de a Ticonál kivételt képezett, az nagyon jó volt. Egyébként szép a rádió, ha jó is lesz állandóra is lehet majd használni. Valószínű ráfér majd egy teljes AM-FM hangolás, akkor visszajön az érzékenysége is. Üdv.
Ez a rádió már nem valószínű, hogy politúros, ebben az időben már hazánkban is műgyantalakkozott kávákat gyártottak.
Igen, nyugati URH-t akartam írni
A hangszóróról ezt nem tudtam, de remek állapotban van azis, jól szól. Műgyantás lakk? Akkor valami ilyesmit fogok szerezni, az újrafestést nem vállalnám hogy aztán politúrozzam, mert színátmenetes. (Még nem fotóztam le) Ehhez van valami gyakorlati tanácsotok? Hogyha elkészülők a már jó régen tervbe vett szignálgenerátorommal, be fogom állítani a többi hullámsávot is. De mindenek előtt szerzek egy kapcsolást, mert a varázsszem sajnos nem működik. De belül akkora kavarodás van, hogy valami térképet kellesz rajzolnom a kapcsolás alapján.
Sikerült egy kis fotoshop munkával egy régi fénykép után skálát csinálni a a GM 2882 szignálgenerátorhoz. Pótoltam a hiányzó bőr fogantyút is. És persze működik is. Az egyik EF50 cseréjével a 30-60 MHz-es sáv is üzemel.
Sziasztok! Beszereztem egy pacsírta rádiót. Lemezjátszóról már sikerült megszólítani,viszont a rádió része nem igazán akar. a kapcsolókat átcsiszoltam finom papírral, azóta ha bekapcsolom szól egy fél percet majd lassan elhallgat. mi okozhatja ezt a jelenséget?
Gyönyörű darab!
Esz a sárga irigység. Nagyon szép lett, de én is kíváncsi lennék a belsejére, ha lehet. Apropó honnan lett az EF 50? Üdv:
Többször leírtuk már a régi rádiós szlogent: "mi mérnökök mérünk!" .Egy ilyen hibát bármi okozhatja, nem lehet találgatni vagy rávágni a hiba okát. Üdv.
Üdv !
A csiszolás az nagy bűn!Eltüntetted az érintkező felületről az ezüst bevonatot. Csak egy kis benzin , vagy alkoholos rongyal kell letörölni az oxidot és a port. A rugókat kicsit meghúzgálod , hogy a vesztett rugalmasságát korrigáld. Öreg T.
Oly szerencsém volt, hogy kaptam mellé kettő darab EF50-est és az egyik 100%-os volt. A 21-es csövekhez hasonlít a feje de nem 8 hanem 9 csapos. Valahová eltettem a többi képet, ha előkerül még mutatok.
Nahát..... a klasszikus dobváltó. Már akkor!
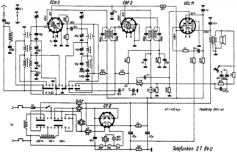
TELEFUNKEN 2T64U gyártották 1942-1944 között, papírbakelit (Pertinax) sasszira. Elég vegyes csövekkel : 0.2, 0.1, volt fűtésű és és eltérő foglalatú csövekkel, emiatt kissé bonyolult fűtőkörrel. Törött dobozzal, 2 csőhiánnyal, skálaüveg nélkül eléggé romosan, piszkosan került hozzám. A doboz ragasztása, csiszolása nem okozott nagy gondot. A tekercseket sem rágták meg az egerek. Egy pár hangszóróhoz és kimenőtrafóhoz menő töredezett vezetéket is kicseréltem. Általános tisztogatás után a csövek pótlása következett. ECH3 és EBF2 is volt még eredeti dobozában, új példányok. Szakadt fűtőköri huzalellenállások pótlása után a szakadt 700 kohm és zárlatos15 nF cseréje után a végcső munkapontja is beállt és antenna nélkül megszólalt. A skálaüveg ideiglenesen az üvegre ragasztott, számítógéppel szerkesztett papír amit később öntapadó fóliára akarok nyomtatni. Ennek cseréje nem probléma mert kidobozolás nélkül elölről oldható meg a vékony TELEFUNKEN feliratú aranyozott díszléc eltávolításával.
Képek tovább:
Nicro-K3-at vagy denszeszt használok tisztításra. most csak denszeszel próbáltam,és az nem hozta le a szennyeződét. Csak a saszi rész érintkezői voltak rosszak, a csúszkán lévőket ahogy írtad után állítás volt csak.
Janó bácsi! Teljesen igazad van! Holnap előröl kell kezdenem mérni mert most több hibát is találtam ami idáig jó volt most az sem stimmel. pl: 2x50μF kondi is most 35-38μF (előzőleg 49-47μF) a fesz értékek sem jók sehol.
Szép, gondos munka, érdemes volt összehozni, gratulálok. A középen látható KF úgy néz ki, mint a nagy Orion, vajon eredeti, vagy már cserélték valaha? A fóliás skálaüvegről majd írjál, mert az nagyon érdekel. Az egész készülékben a csőkiosztás az érdekes, mármint, hogy ilyen korán már alkalmazták, mert sok kerülő után, végül is ezekkel,a csövekkel, csak akkor már a korszerűbb novál változatban (ECH81, EBF89, ECL86, ) fejezték be a csöves rádió gyártást, a 70-es évek elején. A kapcsolás sem sokat változott, a fűtést leszámítva akár be is lehetne helyettesíteni, vagy újraépíteni a 80-as sorozattal, legfeljebb a végfok munkapontján kellene igazítani. Pedig a két időpont között eltelt vagy 30-év meg egy világháború. Üdv
|
Bejelentkezés
Hirdetés |




A kapcsolási rajzán az értékeket hogy kell értelmezni? A csövek helyettesíthetők valamilyen modernebb típussal? Talán a végcső lehetne EL84, de a másikra nincs tippem.
Mégegyszer gratula! 



Nem találtam olyat.














