Fórum témák
» Több friss téma |
Hello!
"Én Thyristort * javasolnék megfelelően kötve" Én meg ezen az alapon ánizsteát. ![]() üdv! proli007
Egy web modul 3,3V dc áramot ad ha weben kapcsolunk rajta. Ezt szeretném egy másik rádiós távirányító rendszer nyomógomjára rákötni, ami 12V os elemmel megy és egy mikrókapcsoló a nyomógombja, amin 4-5V fesz. van és egy mikrochip lábaihoz futnak. Tehát 3,3Voltra szeretnék egy záró kontaktust kapni a távirányító nyomogombjára. A thiristornak csak 3 pontja van, ami nem elég, és 2 külön rendszer.
Hello!
Akkor próbálj ki egy sima optocsatolót. Ha eltalálod a tranyón a polaritást, működni fog. (A Led-hez előtété ellenállás itt is kell!) Vannak bilaterális Fet kimenetű optók is, csak azok nem minden bokorban teremnek.. üdv! proli007 A hozzászólás módosítva: Nov 11, 2012
Szerintem neked egy pont is elég még pedig az,amit a tirisztorral kapcsolsz a mikrochip lábára. Mivel te a mikrochipet akarod vezérelni , és nem a nyomó gombot . A nyomó gomb után is, csak egy pont megy a mikrochip felé akkor miért akarsz 3 , vagy négy pontban gondolkodni , neked 1 vezérlőpont kell , és nem több.
Létezik 3V os? tudsz tipust javasolniinnen ?
Szerintem a mikrochip a saját üzemi feszültségét figyeli, azt küldi ki a mikrokapcsolóhoz, nem pedig egy másik rendszer másik feszültségét. Ráadásként a web modul gnd-je állandó, a távirányító pedig gnd-t vár, ha jól mértem
namármost 8 db mikrokapcsolót kellene így kapcsolnom
Hello!
Gyakorlatilag mindegyik jó, amiben csak egy tranyó van. Pld. a 4N25 (vagy valamelyik négylábú). A 3V azért nem gond, mert a Led-dióda nyitófeszültsége (amit a 3V-ról meg kell hajtani), általában 1,5V körül van. Tehát, csak egy 330ohm kell sorba a diódával kb. 5mA nyitóáram lesz, a procinak meg nem kell a bemenetén kapcsolni komoly áramot. Mondhatni semmit.. (Kár az SSR-ért jobb sorsra lett volna érdemes.) üdv! proli007
Teljesen mindegy , hogy mit figyel , ha egy nyomógombbal kell indítani vagy vezérelni , akkor, azt nem figyelheti mivel ott nem folyamatos üzemről van szó , mert a nyomógomb szakít.
Ilyen esetben a relédet sem lehetne beépíteni , ha az állításod úgy lenne.A tirisztort gond nélkül be lehet építeni abba az áramkörbe amelyikbe használni szeretnéd .Vannak ezek a típusok /csatoltam/ , de ne én keresgéljek már. Be írod kugliba hány volt hány amperes tirisztor kell , és biztos lesz találat. És mindegy hogy fogod megoldani , de ha 8 db mikrokapcsolót akarsz vezérelni, bármivel is old meg abból is 8 db kellesz majd .Mert gondolom nem egyszerre akarod vezérelni , hanem külön külön. A hozzászólás módosítva: Nov 11, 2012
Oksi, nézek majd akkor 4 lábút. Így járt szegény ssr , meg én is
Szerintem valamit félreértettél, a nyomógomb zárja a chip 4-5 lábát, akkor ad ki rádió jelet, a webes relé meg 3,3V ot ad + - ponton de 2 külön modulról van szó.
Akkor ezzel 4 kapcsolót tudok vezérelni? a gnd hez elég 1 db 330 ohmos ellenállás? a gnd fix a 3,3 voltnál.
Akkor igen , de az elején olyat írtál , hogy a nyomógomb után 4- 5 volt fesz van, ami megy a mikrochip felé.Ezért gondoltam , hogy elég neked egy vezérlő jel ,ami 4 - 5 volt os ,és a chipet vezérelné.És a szilárd test relé ,amivel próbálkoztál az lényeges lett volna , vagy más megoldás is szóba jöhetne , hely , áramfelvétel stb ilyenre gondolnék elsősorban.
Egy ilyen esetleg CNY65? A hozzászólás módosítva: Nov 11, 2012
A nyomógomb 2 oldalán mértem 4-5V ot, a szilárdtestrelé is jó lett volna, csak nem olyan amilyet vettem
az váltóáramú és nullpontnál kapcsol, már tudom, viszem vissza a többit sztem a cny74-4 ből 2 dbal megoldom, remélem menni fog
A nyomógomb 2 oldalán mértem 4-5V ot, a szilárdtestrelé is jó lett volna, csak nem olyan amilyet vettem
az váltóáramú és nullpontnál kapcsol, már tudom, viszem vissza a többit sztem a cny74-4 ből 2 dbal megoldom, remélem menni fog
A távirányítót és a web modult miért kell galvanikusan elválasztani?
Kettő darab elég lesz ? A nyolc gombot egyenként párhuzamosan kapcsolni szerintem az kevés lesz.
Az a baj nem tudom milyen funkciókat kapcsol a 8 különböző nyomógomb , hogy van e olyan funkció amit lehet közösíteni , hogy elég neked a 2 db cny. A hozzászólás módosítva: Nov 11, 2012
Hello!
Négy nyomógombot akkor tudsz vele helyettesíteni, ha a tokban 4 optocsatoló van, mint pld. az LVT864 -ban. Egy 330ohm-os ellenállás csak akkor elegendő, ha egy időben egyszerre, csak egy "gombot" működtet a proci. üdv! proli007
Mert 2 külön egység, a webmodul csak kapcsolni tud . egyszerre csak 1 gombot használna, azt is csak 1-2 másodpercig.
Ez a web modul véletlenül nem 8 csatornás ?
Ez miért zárja ki, hogy egy elemes készülék GND-jét összekösd a modul GND-jével?
Egész pontosan 16 csatornás, és 8 bemenet van rajta ami digites, vagy analóg.
Nem zárom ki, csak a wewbmodul +3,3V ot le kapcsolásnál, a távirányító meg gnd-t kap mikor zárom a kapcsolóját.
És akkor ebből akarsz nyolcat felhasználni külön külön vezérelve .És ez mindegy hogy lenne , vagy rendszer szerűen lenne vezérelve az a nyolc pont ?
Ami a másik távvezérlőkhöz megy .Apropó akkor ezek szerint 8 távvezérlő modulod van amit a webmodullal akarsz vezérelni igaz ? A hozzászólás módosítva: Nov 11, 2012
Relével megy most, csak egyszerűsíteni akarom
2 pontot tudsz innen vezérelni itt bal oldalt a kamera kép alatt tudsz kapcsolni a bal oldali gombal, a jobb oldalival színt váltasz.
Kíváncsiságból szétszedtem egy négygombos kapunyitó távirányt. A kapcsoló GND-k közösek, záráskor 30mA folyik rajtuk.
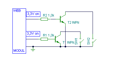
Ha nem multiplex a mikro-kapcsolók beolvasása, akkor így működtetném.
Valami csajt nem lehet vele vezérelni ?
![]() Értem , és nyolc különböző dolgot akarsz még , hogy lehessen változtatni arról a web oldalról amit linkeltél. Nos lenne más megoldás is ilyenre , csak kicsit több időbe telne .Milyen fajta porton működik ez a dolog ? Párhuzamos porta gondoltam , mint PL nyomtatás hálózatban stb. És azért a párhuzamos porton elég sok pont van amivel lehet kezdeni . A hozzászólás módosítva: Nov 11, 2012
Az jó lenne
A lámpákat is innen tudom kapcsolni, és a meglévő kapcsolóhelyről is a router kiküldi az ip-t a weboldalnak, majd onnan tud scripten parancsokat fogadni, a roteren is van belső php amiről mind a 8-at tudom kapcsolni. |
Bejelentkezés
Hirdetés |





namármost 8 db mikrokapcsolót kellene így kapcsolnom







