Fórum témák

» Több friss téma
Fórum » Analóg jel késleltetése
 
Témaindító: MM, idő: Feb 11, 2008
Témakörök:
Lapozás: OK   1 / 2
(#) MM hozzászólása Feb 11, 2008 /
 
Sziasztok!
Szeretnék egy olyan áramkört építeni, amely akármilyen bemenlő analóg jelet kb 1-100 miliseccel később továbbít.
Igazábol az autómba lévő főtengely jeladó jelét szeretném késleltetni és ezzel a gyujtáson állítani
Mivel 91es oktánszámra van beállítva, és jolenne kihasznalni a 100as benzin adta lehetőségeket.

Ötletek?

Mellékelet egy képet a jelalakról:

gyujtas.gif
    
(#) Medve válasza MM hozzászólására (») Feb 11, 2008 /
 
Én értem, mire gondolsz, Egy RC taggal, vagy egy monoflop áramkörrel lehetne a jeladó impulzusát késleltetni. A méretezésre nem vállalkozom.. Ám azt is tudni kellene a helyes méretezéshez, hogy az OBD (ha van ilyen) a jel melyik élét figyeli.
(#) MM válasza Medve hozzászólására (») Feb 11, 2008 /
 
Elvileg ahol van a kihagyás az a felső holtpont. Gondolom onnantol számolja az impulzusokat és előtte ha elérte valamelyiket; néhány fokkal lehet a holtpont előtt begyujt neki
(#) kobold válasza MM hozzászólására (») Feb 11, 2008 /
 
Ez nagyjából így is van, csak amire te gondolsz, az egy elég lineáris eltolása a jelenlegi gyújtókarakterisztikának. Bizonyos fordulatszám-tartományban elég jól be lehet lőni, de a teljes tartományra így sajnos nem. Ezt arra értem, hogy jelet késlelteni tényleg lehet RC-taggal, de pl. hirtelen gyorsításkor nagyon messze lehet a kívánt gyújtási pont attól, amit a benzin is elbírna.
Az igazi megoldás olyan, mint a vezérlőelektronika "esze", jellegmezőre alapozva határozza meg a késleltetést. Megépíteni nem túl nehéz, de fékpad, vagy komolyabb műszerek nélkül szinte lehetetlen beállítani.
(#) MM válasza kobold hozzászólására (») Feb 11, 2008 /
 
Mondasz valamit. De láttam egy csoda kütyüt amit a főtengely jeladó vezetékébe iktattak páran mint tuningcucc de lehet egy kalap sz..r t se ér.

Most van a kocsimban egy padlógáz kapcsoló berendezés. padló esetén beleiktat egy ellenállást a hőjeladóval sorba. talan magasabb fordulaton valamivel jobb lett, de hiába a +47K ellenállásba sztem még mindig kevés a benzin. Eleg feherek a gyertyak.
Mintha nem venné figyelembe a computer a hiretelen ellenállás változást.

(#) kobold válasza kobold hozzászólására (») Feb 11, 2008 /
 
Esetleg ki lehet próbálni egy egyszerű kapcsolást, alig pár alkatrész kell hozzá. Egy műveleti erősítőt (pl. LM301) szimmetrikus tápról kellene meghajtani (+/- 12 V), és jelkövetőként bekötve, de RC késleltetővel, lehet kísérletezni. Negatív feszültség előállítására találsz az oldalon is kapcsolást.

delay.png
    
(#) kobold válasza MM hozzászólására (») Feb 11, 2008 /
 
Azt nem is szokta így figyelembe venni, mert elvileg nem változhat olyan gyorsan, normál üzemmódban. Sokszor olyan 20 másodperc, mire elhiszi, hogy történt valami...
(#) proli007 válasza MM hozzászólására (») Feb 11, 2008 /
 
Szia!

A gépkocsitól elvonatkoztatva, az eredeti kérdésedre válaszolom.

Analóg késleltetőket használnak a zenészek, vizhang (és Chorus, ha jól írom) előállítására. Ezek általában egy "vödörlánc tároló" IC*ből állnak. Kb. tényleg úgy működnek, mint ha az analóg jelet egyik vödörből a másikba öntögetnéd. A léptető órajel sebessége határozza meg a késleltetési időt. Régebbi ('90) RT könyvekben bőven találsz ilyen spec IC-ket.

Természetesen még számtalan módja van a késleltetésnek. D/A átalakítás és tárolás, kiolvasás RAM-ból különböző lépéstávolságról. Egybites átalakítók hosszú egybites RAM-mal.....

üdv! proli007
(#) proba válasza MM hozzászólására (») Feb 11, 2008 /
 
Régen a visszhang előállításra használtak un vödörlánc tárolót lehet hogy erre a célra is jó (abban lehet némi igaszság hogy az optimális késleltetés fordulatszám es terhellésfüggő) működési elve analóg mintavétel kondenzátorban tárol majd egy orajel hatására egy következő ugyanilyen fokozatra továbbítja a mintát majd x lépés után kilép a kimeneten (rc késleltetésnél kicsit bonyolultabb de én nem szeretem az egyszerű dolgokat)
(#) kobold válasza proba hozzászólására (») Feb 11, 2008 /
 
Akkor a bonyolult irányvonalat követve a tökéletes, ám valószínűleg legnehezebb mód: a chip-tuning
Vezérlőből EPROM kiolvasása, adatok átszerkesztése, új EPROM-ba visszaírás, és a sofőr egy kapcsolóval válthat, hogy mikor akar takarékoskodni, meg mikor versenyezne inkább, a két párhuzamosan bekötött chip közül mindig csak az egyiket használva. Ezt már sokfelé láttam a neten, a sajátommal meg is akartam csinálni, de mindig elfoglalom magam mással... És némi infó sem árt hozzá, hogy a sok byte közül melyik mit jelent.
Viszont ha sikerül, nem lesz jobb
(#) MM hozzászólása Feb 11, 2008 /
 
az ECU epromját szivesen modosítanám, de előbb kéne egy pót ECU mert ha elcseszem megse fog mozdulni az auto az pedig nemlenne tul jo.
Szoval maradok a bemenő jelek módosításánál azzal nem sok minden rontok el ha óvatos vagyok.
(#) kobold válasza MM hozzászólására (») Feb 11, 2008 /
 
Külön ezért ajánlom a műveleti erősítős kapcsolásokat. A bemeneti ellenállásuk igen nagy, nem terhelik a jeladót, viszont meg tudják hajtani az ECU-t is, anélkül, hogy az reklamálna. Én eddig csak jel-többszörözésre használtam, de sosem volt vele baj.
(#) proli007 válasza MM hozzászólására (») Feb 11, 2008 /
 
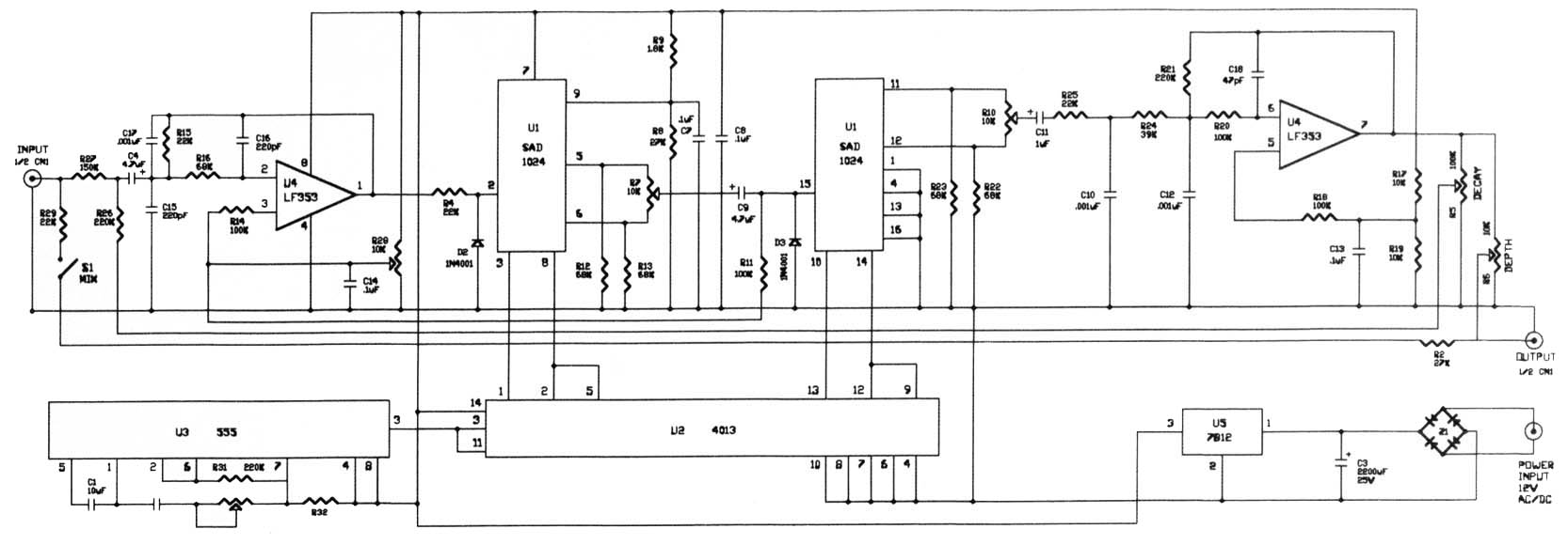
Nos, előkapartam Neked egy kapcsolást.
Természetesen a visszacsatolásokra nincs szükséged.
A SAD1024 a késleltető áramkör. Az NE555 biztosítja az órajelet, a CD4013, csak azért kell mert kétfázisú órajel szükséges. Egy vödörlánc 1024 ütemmel lassítja a kijövő jelet, az órajel ütemében. 100msec időre, szerintem egy SAD is elégséges. A bemeneten és kimeneten, csak szűrők vannak, hogy letakarítsák az órajelet az analóg jelről.

üdv! proli007
(#) greatman válasza MM hozzászólására (») Feb 11, 2008 / 4
 
Csak annyit kérdeznék, hogy biztos késleltetni kell a jelet? Ugyanis a jel késleltetése miatt csökkeni fog az előgyújtás. Az oktánszám növelésekor az előgyújtást növelni szokták. Ez főleg magasabb fordulatszámokon lehet hasznos. Pl. egyes mocikon ezt úgy oldják meg, hogy a felső holtponti jel, az tulajdonképpen nem a felső holtpontnál van, hanem a maximális előgyújtásnál. A jelet itt valóban késleltetik a fordulatszám és a terhelés függvényében. Alacsony fordulaton nagy a késleltetés, így itt van legközelebb a tényleges felső holtponthoz és itt a legkisebb az előgyújtás. Ahogy nő a fordulat, a késleltetést egyre csökkentik, addig, míg a max fordulat közelében megszüntetik és itt lesz a legnagyobb az előgyújtás. Namármost. Ha itt mi késleltetjük a jelet, akkor csak azt érjük el, hogy nem tudja elérni a max előgyújtást. Igazából gyorsítani kellene a jelet, de mivel ezt elég nehéz lenne kivitelezni, így mociknál a jeladót szokták athelyezni pár fokkal. Így megmarad a gyújtás karakterisztika, csak épp magasabb előgyújtás értékekkel. Azt, hogy ezt a kérdést autókban hogyan oldják meg nem tudom pontosan, de sejtem hogy az egyszerűbbeknél hasonlóan. A bonyolultabb ECU -nál ezt szerintem csak eprom programozással lehet megoldani. Ezeknél úgy tudom, hogy tényleg a felső holtpontról kapnak jelet, és a fordulatszám értékekből kiszámolja a komputer, hogy mikor melyik hengernek kell gyújtást adni. Viszont, ha a főtengelyről kapott jelet késlelteted, akkor pont az ellenkezőjét éred el mint amit szeretnél. Szerintem....
(#) MM válasza greatman hozzászólására (») Feb 11, 2008 /
 
Mondasz vmit ebbe még igy nem is gondoltam bele , de igazad van. Siettetni meg nemfogom az tuti.

Akkor maradok a több benzin bejuttatása projekten
(#) norbi0325 hozzászólása Jún 18, 2013 /
 
Sziasztok !
Olyan problémával nyitom a témát ,hogy egy pc-ről zenélek otthon ,aminek használom a digitális optikai kimenetét,és az analóg vonali kimenetét is !
2 különböző erősítőről hajtom öket ,és nagyon zavaró ,hogy az analóg jelet sokkal előbb hallom mint a digitálist ..ez persze érthető is !
Nos aki tud olyan rajzot ami egy egyszerű vonali audio jelet tud szabályozva mindenféle torzító nélkül szabályozni az nagyon jól jönne ..
Lehet efféle kütyüt kapni a neten de horror az ára !!

Ilyesmi : Link

Frekiátvitel 20-20khz

A segítségetek előre is köszönöm !
A hozzászólás módosítva: Jún 18, 2013
(#) kokozo válasza norbi0325 hozzászólására (») Jún 18, 2013 /
 
Szia!
Ha már pc.. Akkor nem egyszerűbb szoftveresen késleltetni?
Bővebben: Link
(#) Szabi1 válasza norbi0325 hozzászólására (») Jún 18, 2013 /
 
Én PC-nél 2 hangkártyát használok, alaplapit és PCI bővítőkártyát (VIRTUAL DJ, EXT keverőhöz) Ez is egy megoldás, de attól függ hogy neked van e analóg INPUT az erősítőkön. Ha ezt a megoldást választod olyan kártyát válasz hogy a gyártójuk ne legyen egyforma...
A hozzászólás módosítva: Jún 18, 2013
(#) keszeg01 válasza norbi0325 hozzászólására (») Jún 18, 2013 /
 
Most akkor minek is akarod késleltetni?
(#) proba válasza norbi0325 hozzászólására (») Jún 19, 2013 /
 
Nem lehet valahogy megkerülni a problémát? A digitálisból előállítani az összes kimenetet? Vagy egészen mást akarsz hallgatni mindkettőn?
(#) Inhouse hozzászólása Jún 19, 2013 /
 
Ehhez kapcsolódó kérdésem lenne...
Karaokeezásnál állandó probléma a gerjedés, késleltetéssel el lehetne érni azt, hogy még ne legyen zavaró, de ne gerjedjen össze az egész? Ha igen, kivitelezhető lenne ez otthoni technikával, baráti áron?
(#) sny válasza Inhouse hozzászólására (») Jún 19, 2013 /
 
Szia!
Ha fix késleltetést szeretnél, akkor megteheted azt analóg módon is, például műveleti erősítők egymás után kötésével. Természetesen invertáló kapcsolással működik megfelelően.
2 db invertáló műveleti erősítővel 360 fokkal (50 ms @20 Hz) lesz eltolva a fázis. 4 db esetén 720 fokkal, stb. Időbeni intervalluma pedig a frekvenciától függ, könnyen számolható.
Létezik analóg, változtatható fázistolású lánc, valamint késleltető művonal is, de audio célra nem ajánlom.

A másik megoldás költségesebb, és (jóval) nagyobb szakmai tudást igényel: AD konverterrel bedigitalizálni az analóg jelet, majd memóriába betölteni azt, majd egy DA konverterrel vissza alakítani analóg jellé. A letárolt minták mennyiségét változtatva változtatható a késleltetés mértéke.
Próbáltam virágnyelven, ha nem volt érthető, kérdezz.
A hozzászólás módosítva: Jún 19, 2013
(#) Inhouse válasza sny hozzászólására (») Jún 19, 2013 /
 
Szia!

Köszönöm a válaszod.
Az AD->DSP->DA megoldást csak kiforrott, összeintegrált kapcsolás megvalósításában tudnám elképzelni...
Azt mondod, hogy műveleti erősítőkkel többször invertálva a jelet egymás után, fokozatonként (dual op amp) 50ms késleltetést lehet elérni? Gyakorlatilag kapcsolhatóan meg lehetne valósítani 0-50-100-150-200...ms-os késleltetést?
A másik, hogy egyáltalán jó-e az ötlet? Mennyi az a késleltetés amit max nem zavaró visszahallani? Mennyi kell a gerjedés minimalizálásához?
(#) sny válasza Inhouse hozzászólására (») Jún 19, 2013 /
 
A helyesebb értelmezés szerint 20Hz-en ad 50ms késleltetést.
50 Hz-en már csak 20 ms-ot, és így tovább.
Ez a késleltetés teljesen más, mint a DSP-s megoldás, valójában csak fix fázistolás, nagyobb frekvencián kisebb lesz a késleltetés. A gyakorlatban ez is elég lehet . Viszont ha nagyon drága cuccról van szó /drága erősítő, hangsugárzók/, amiben egy komolyabb gerjedés kárt tehet, akkor nem érdemes barkácsolni. Meg kell venni a DSP-s késleltetőt.
(#) sny válasza sny hozzászólására (») Jún 19, 2013 /
 
Esetleg ezzel: MN3008

vagy ezzel lehet próbát tenni: PT2399

Ezek valódi késleltető IC-k, integrált AD és DA konverterrel.
A hozzászólás módosítva: Jún 19, 2013
(#) sny válasza sny hozzászólására (») Jún 19, 2013 /
 
Tisztelt moderátor! Az audio jelkésleltetésre kitalált áramkörök nem ebbe a kategóriába tartoznak, így nem értem az áthelyezés lényegét.
(#) norbi0325 hozzászólása Jún 19, 2013 /
 
Az általam felvetett problémára mindenképp egy analóg késleltető kellene ,mert igaz nem írtam ,más helyen is szeretném kipróbálni,méghozzá egy kisebb teremben ,ott ugyanis egy analóg kimenetről zenélek ,és ott is 2 erősítő dolgozik , egy a normál full frekimenettel a másik a subokat hajtja csakhogy hangszórók elég messze vannak egymástól ,így szintén zavaró a fázisfutás ..tehát mindenképp valamii analóg megépíthető rajzot keresek !
(#) proli007 válasza sny hozzászólására (») Jún 19, 2013 /
 
Hello! Ez nagyon jól hangzik, csak éppen az égvilágon semmi értelme nincs. Az, hogy a bementi és kimeneti jel egymáshoz képest 180 fokos fázisban van, még nem jelenti azt, hogy időben is el van tolódva egymáshoz képest. Csak annyit jelent, hogy amikor az egyik jel felfelé indul, a másik épp lefelé. Ha meg két fokozatot kötsz egymás után, ugyan azt a jelet kapod. Képzeld, hogy működne így egy hídkapcsolású végfok.

Lesz a két jel között idő különbség, csak éppen annyi,amennyi a két erősítő futásidejéből adódik. Az meg baromi gyors, mert nem lehetne negatívan vissza csatolni az erősítőt.
De ha még is így viselkedne valami, hogy 20Hz-en 50ms, 40Hz-en meg 25ms, akkor egy zenei jel, hogy nézne ki? Előbb "jönnének ki" a magasak, később a mélyek? Mire lenne az jó?
üdv!
(#) Inhouse válasza proli007 hozzászólására (») Jún 19, 2013 /
 
Hát igen, ez így nem lesz jó...sajnos. Túlságosan egyszerű lett volna, az meg gyanús!
(#) norbi0325 hozzászólása Jún 19, 2013 /
 
Senkinek nem lesz audio L,R be --- audio L, R l ki köben egypoti delay .. rajza ?
Bakker már napok óta keresgélek de lassan reményvesztett leszek
Következő: »»   1 / 2
Bejelentkezés

Belépés

Hirdetés
XDT.hu
Az oldalon sütiket használunk a helyes működéshez. Bővebb információt az adatvédelmi szabályzatban olvashatsz. Megértettem