Fórum témák
» Több friss téma |
Mondom! Csak 1 darabig nő!!! Nem lesz több. Sajna az alaplapod nem tud többet. Kell a külső táp!
Na jó,de akkor milyet csináljak, lehetőleg olyat ami jól megy, hogy egy hét mulva ne tartsak ugyanitt
A deguss féle jó lesz???
Többiek? (nem mintha neked nem hinném el vicsys):yes: És a "SCHOTTKY DIODA" milyen tipusokban van? Vagy olyan csak egy van?
" A BAT48 azok milyen diódák? Létezik olyan tipus?"
Létezik, de bármilyen kisteljesítményűt használhatsz.
De milyen kisteljesitményűt? Életemben először hallotam olyan tipusról. Azt se tudom hogy lehet-e olyat kapni vagy nehezen beszerezhető, vagy hogy mivel lehet helyettesitteni.
Szentem is jó, de ha már építed, készítsd fel több típushoz is!
Nincs vmi tippetek honnan lehet kiszedni olyan kis teljesitményű, 12V-os trafót? Rádiókban 9,5V van, azt tudom. Nincs vmi ahol kimondottan ilyet használnak?
pl: 1N xxxx sorozat
Bármilyen üvegházas(állt.) dióda, csak ne zener legyen (ZPD, ZPY)
A lomexnél vannak gyantával kiöntött trafók az áruk 600HUF körül van
diódának meg 4148 (ez eléggé általános )
Piac, barkácsbolt, a nyomtatód, szkennered táptrf-ja, akkuscsavarhúzód töltője, stb......
Én a szkenner tápot használom (15V DC).
Ez nem is rossz ötlet. Megcsinálom úgy hogy csak az égetéskor csatlakoztatom a 12V-ot. Ugyse fogom mindennap használni, vagy kitudja. Lehet annyira magávalragad. Mink suliban irunk olyan progikat, amikkel ledeket vezérlünk. Messze vagyunk még az MP3 lejátdszóktól ? Ha jól tudom akkor lehet PIC-ből csinálni, de nem 16F84A-ból.
Lehet csinálok magamnak is egy PICégető DeLux változatot!
Egy PIC vezérli az égetést...
A SEGITSÉGET MIINDENKINEK KÖSZÖNÖM ÉS HA MAJD MEGY A MÁSIK ÉGETŐ AKKOR MINDENKÉPPEN IROK!!!
És tegyél be 1-2 képet is. Mostmár tényleg kíváncsi vagyok!
Lehet csinálni, de csak a vezérlést... dekódolást szoftverből nem lehet... ahhoz kevés.
Erre mán én is gondoltam, akár még olyat is lehet, hogy az égetőbe letöltöm a szoftvert, aztán onnantól annyit égetek amennyit akarok PC nélkül.
Nade én is feltennék egy kérdést! SX-el foglalkozik valaki?
Sziasztok!
Hol lehet olvasni a 'vasalasos technika' -rol bovebben? Koszi.
Vagy pedig itt van a vasalóval is elvégezhető nyák készítés.
Én személyszerint ezt használom de még nem próbáltam ki a fotósat de majd arra is sor kerül.Nyák készítés Ja és egyértelmü hogy a nyák készítés menüpontban találod majd meg
Sziasztok!
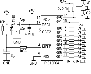
Az a kérdésem lenne hogy a mellékelt kapcsrajz. használható-e 16F627A PIC tesztelésére
igen, használható, sőt a mclr lábról elhagyhatod azt a "sok" mindent, és kösd be úgy ahogy az adatlapban van, vagy nem is szükséges bekötnöd ha IO-ra állítod a config word-ben.
A progiban majd kapcsold ki a komparátorokat, mert különben nem lesznek jók a gombok. így: movlw 0x07 movwf CMCON Meg én a gombokat nem fel hanem le húznám a földbe, de ez csak az én egyéni ötletem...
A kapcsolási rajz használható, a program nem feltétlenül. Ajánlom, hogy nézz utána az adatlapoknak, valamint emlékeim szerint a ChipCad honlapján van egy összefoglaló, hogyan kell áttérni a 16F84-ről a 16F628-ra (ne zavarjon, hogy 628, az adatlapról kiderül, miért
)
Vagy esetleg tudnátok egy olyan kapcsrajzot mutatni ami jó ezeknek a PIC-eknek a tesztelésére?
Nincs semmi baj ezzel a kapcsolási rajzzal. A két PIC lábkiosztása megegyezik, csak a tudásukban van különbség, a 16F627/628 többet tud. Az MCLR lábon lévő alkatrészek biztosabb reset-et adnak, de valóban elég szokott lenni egy 10k-s felhúzó ellenállás is. A nyomógomboknál én viszont ezt a megoldást alkalmaznám, a portokat felfelé húznám, kedvezőbb az ármafelvételre.
A program a lényeg, amivel kísérlezetni akarsz!
Hát nagyon köszönöm a segítséget, úgy látom tényleg be kell ruháznom egy jó könyvre amiben a kezdetektől, illetve az alapoktól minden megtalálható, példaprogikkal együtt. Egyenlőre csak LED-es dolgokat szeretnék kipróbálni, szerintem ez kezdetnek jó. Ha nem így van cáfoljatok meg.
Azért a neten találsz még magyarul is elég sok anyagot, ahonna el tudsz indulni (google, mikrovezerlo.lap.hu, chipcad.hu, fairco.freeweb.hu, mikroklub.hu, stb. Na, és persze ez a fórum is tele van ilyen topic-kal)
Azt kell eldöntened, ha kísérletezni akarsz, hogy csak egy pic-re vagy többfélére jó próbapanelt akarsz, azt te építed meg vagy megveszed készen. Az utobbiból jópárat találhatsz, jó pénzért. Ezt a panelt itt találtam. Ezt én alkottam. (Pár oldallal arébb meg van a kapcsolási rajza is.) [off]link javítva! szabi83
Elkezdtem megrajzolni ennek a 16F877-es próbapanel NYÁK-ját, és mivel kétoldalas, így házilag nehezebben kivitelezhető számomra, és arra gondoltam, hogy legyártatom, de ha egyet csinálok, akkor elég drágán jön ki, ezért szeretném megkérdezni, hogy érdekel-e még valakit egy ilyen összerakása, mert akkor a panel olcsóbbra jön ki (10db esetén kb 2500.-/db)? Várhatóan a NYÁK terv a hónap végére készül le.
|
Bejelentkezés
Hirdetés |




A deguss féle jó lesz???
)






