Fórum témák
» Több friss téma |
Sziasztok! Egy 1.5 voltos elemem van és egy 4,8-9 volton működő motorom. A 1.5 voltos elemről szeretném meghajtani a motort. Nagyobb elemet nem használhatok, mert ez egy versenyfeladat, ahol kritérium a 1.5 volt.
Sürgősen kellene valami megoldás. Előre is köszönöm!
Hi!
Egy step-up konverterrel megoldható. Itt egy cikk a step-up működéséről, ugyanígy találsz a guglival step-up kapcsolásokat is 7 V-ra (bár mintha lehetne a max856 feszültségét is szabályozni...). Természetesen a step-up terhelhetőségét és a kimeneti puffert a motor áramfelvételéhez kell választani.
Hello, a Texasnak ez a választéka, úgy tűnik, hogy 1,5V alatti feszültségről csak 5,5V-ig tudsz eljutni..
Texas Ui.: De egy verseny nem arról szól, hogy ki milyen IC-t talál, nemde? Inkább egy tranzisztoros kapcsolás kellene igaz?
Itt pedig a Maxim választéka. A MAX641 talán megfelel a célnak, bár az elem hamar lemegy 1,5 V alá...
Régebben terveztem hozzá NYÁKot, de valamiért nem műxik. Nagyon egyszerű áramkör, elképzelni nem tudom, mit ronthattam el...
Nem lennék büszke magamra, ha ezzel az IC-vel nyernék!
Hy nem nehéz feladat
nem tudom mennyire vagy otthon a digitális technikában szóval inkább csak elektro szemszögből közelítek....mi van akkor ha fogsz egy astabil multivibrátort szimetrikus villogásut, de nagyon nagy frekvancián (kiszámolása T = 0,7*R*C) majd a kimenó jellel sorbaködsz egy ideális megválasztott kondit hogy kb sinuszos jel legyen, ezt rávezeted egy transzformátorra, feltranszformálod a már kijövő jelet , csúcsegyenirányítod és már van is annyi voltod amenyit karsz, de ne feledd hogy a digitális multimétered u(efektívet mér) vagyis ueff =u(csucs)/(gyök)2 szerintem erre senki se gondol és nem is hoszem hogy ezt valaki így oldaná meg nem tulzottan komplikált.... ha viszont digitális technikában mozdunk akkor veszel egy invertert, visszavezeted a kijövő velet majd a visszavezetéssel párhuzamosan kötsz egy kondit és egy qaercot és a kvarc adott frekijén fog rezegni és a folytatás a kijövő jel ------->kondi------>trafo------>csúcs egyneirányító-------> és kész az adott fesz
Mekkora teljesítményű az a motor? Nagyon lényeges szempont ez.Utána már el lehet dönteni, hogy milyen bonyolultságú, és milyen szolgáltatású áramkört kellene építeni.
az én álltalam leírtnál tulképp csak a trafot kell méretezni teljesítmény szempontjából
Nem tudom hogy egy fényképező vaku áramköre mennyire terhellhető? Lehet folamatos terhellés mellett ekkora feszültséget tudna. Ha nem esetleg átméretezhetnéd.
Vaku villanójának csak feszt kell csinálnia.
Ezért felejtős mert teljesítménye nincsen !!! Átméretezheted de akkor az inverter vasmagjával kell kezdened és a meghajtó fet/bipoláris tranzisztor következik.. stb .. tehát akár már 1 új áramkör építése egyszerűbb mivel áramra-> teljesítményre kell mértezni, nem 100 voltokat 0 áramú terheléssel amit a villanó cső jelent ..stb
Szia.
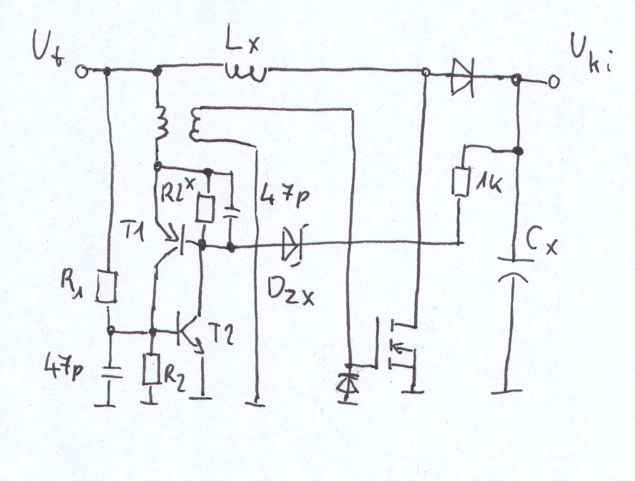
Én mindenképp a végéről indulnék, visszafelé. Kicsi a tápfeszültség, ezért kell egy kis belső ellenállású kapcsoló eszköz, ami kis árammal vezérelhető. Pl IRF7341(0.05ohm). Az a gond, hogy ezek a fet-ek a határozott nyitáshoz 4V feletti gate feszültséget igényelnek. Meghajthatók egy 4:1...5:1 illesztő trafóval, 1.5V-ról. Meghajtáshoz ajánlanék egy UJT helyettesítő kapcsolást, ami egy PNP és egy NPN tranzisztorból áll. Ha R2-n 0.6V-nál nagyobb a feszültség, az áramkör nyitó impuzust küld a fet-re, ami az Lx-ben tárolt energiát Cx-be tölti(célszerű Schottky diódát használni, a kis feszültségesés miatt). Ha R1=R2, 1.2V alatt nem működik, telep lemerült. Lx és Cx tagot méretezni kell, a kívánt kimenőáram/teljesítmény függvényében. Ha a kimenő feszültség meghaladja az 1.5V-0.6V+ Zener nyitófeszültsége értéket, T1 és T2 nem nyitják egymást és a fet-et sem. A kimenő feszültség stabil. Használtam már hasonlót, de ebben a beállításban még nem, ezért tesztelni/finomítani kell. Elnézést a kézi rajzért, most csak 1-2 percem volt rá. A meghajtó transzformátor méretezésénél figyelembe kell venni a fet gate kapacitását, esetünkben kb 700pF. Ha gond van vele, írj.
Sziasztok!
Nekem is szükségem lenne egy hasonló megoldásra, 2 ceruza akku 3V-ból szeretnék min. 3,5V-ot előállítani, 200mA-es áramkorláttal. Megnézegettem a Texas és a Maxim IC-ket, de nem igazán értek ehhez. Tud valaki segíteni, hogy milyen IC-t használjak és milyen kapcsolásban? Illetve a kondik/ellenállások/tekercseket hogyan kell méreteznem? Tomesz
Tudna valaki segíteni, hogyan kell méreteznem egy MAX857-es IC kimeő áramát? Az adatlapból nem derül ki számomra egyértelműen. Ha jól értelmeztem akkor a tekercsnek köze van hozzá, de konkrét képleteket nem találtam, amivel számolhatnám.
Tomesz
Sziasztok!
Nem találtam jobb topikot a kérdésemhez. 1 vagy több darab 1,2 voltos akku feszültségéből szeretnék LM1084-ADJ IC-vel 12 V-ot előállítani, a mellékelt áramkör, ha jól értelmeztem 1,2 V-ból 15 V-ot állít elő. A kérdésem, hogy ha van egy 2600 mAh-s 1,2V-os akkum, akkor max. mekkora áramerősséget vehetek ki a kimeneten, ha az R2-t kb. 1k-ra állítva kb. 12 volt lesz a kimeneten?
Szia,
Rossz hírem van, ez így nem fog menni. Az a 1,2 volt csak a referenciafeszültség. Esetleg az LM1577 lehet jó neked. Bővebben: Link
Szia!
Az LM1084-ADJ segítségével 12db 1,2V-os akkuból tudsz 12V-ot előállítani. Ha megnézed az adatlapját (saját hozzászólásodban meg az enyémben is alá van húzva az IC neve) látni fogod, hogy ez bizony egy áteresztő-tranzisztoros szabályzó (hasonló, mint az LM317). Neked például a Linear LT1073-12 konvertere kell: Bővebben: Link Persze az egész függ: - mi a minimum bemenő feszültséged (1,2V vagy elég a 2,4V) - mekkora a fogyasztód áramfelvétele - esetleg még mennyi hely van az elektronikának A hozzászólás módosítva: Jún 12, 2015
Szia
Mit jelent a referenciafeszültség? Létezik olyan step-up, amihez haosnlóan kevés alkatrész kell és a fent említett 1-2 darab ceruza akkuból kb. 12 V 300 mA vagy több is kinyerhető? Johnycorp: Mire jó egyáltalán akkor ez az LM1084? A lényeg a minél nagyobb hatásfok, tehát a minél kevesebb hőleadás.
A referenciafeszültséget megtalálod Az LM1084 adatlapjának ábráján. Ez az amire a szabályzás épül.
Ez az áramkör akkor jó, ha kisebb kimenőfeszültséget szeretnél, mint amit rákapcsolsz. Hátránya, hogy a különbözetet "elfűti". A sunside által ajánlott LM1577 bőven többet tud, mint 300mA. Sok alkatrész nem kell hozzá. Mivel kapcsolóüzemű, így nem nagyon melegszik és így jónak mondható hatásfoka van. Ceruza akkukból 300mA kinyerhető. A lényeg az, hogy meddig is. Hozzávetőlegesen egy 1900mAh ceruzaakku 10 órán át 190mA áram leadására képes.
Mit kell változtatnom a kapcsoláson, ha a bemenő fesz. 3,6 volt?
Mekkora hűtőborda kell, legutóbb néztem hűtőbordákat, nem értettem az összefüggést: kis méret és nagy celsius/w, ezek szerint van olyan vastagabb borda, aminek kisebb a hőleadási képessége.
Adatlap. Az "adj" változat kell neked. A számítás a jobb felső sarokban van.
Csak 1 baj van: az IC 3.5 volttól indul, tehát a 3.6 elég necces lesz, ha merül. A hozzászólás módosítva: Jún 12, 2015
Itt egy egyszerű tranzisztoros megoldás: Bővebben: Link
A topik címében 1.2-ről 7 van de már 12 voltról beszélünk. Most akkor mennyi is kellene? Vedd figyelembe azt is ha a feszültséget 10x-re emeled a kivehető áram tizedannyi lesz + csekély veszteség.
Természetesen 12 voltra van szükségem, de a legjobb megoldás az volt, hogy ezt a 2009 óta nem használt topikot használjam új topik nyitása helyett, hogy ne kelljen az első 5 hozzászólónak elmagyarázni, hogy kell a topik, mert más topikban elvesznek a kérdések.
BC546 az semmire se jó ebben a kapcsolásban a kimenő áramigényhez.
A zeneres stabilizálásról nem is szólok.. A hozzászólás módosítva: Jún 12, 2015
Akkor egyszerűbb, ha 4 db akkut használok, létezik olyan, hogy nem 7812-vel, hanem nem disszipatív módon stabilizálom, hogy mindig 12 volt legyen a kimeneten?
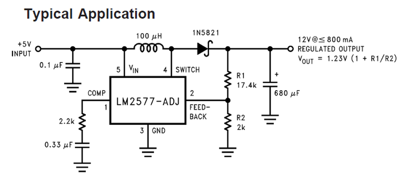
Amit javasoltak, azt csináld..a 2577-et.
MIlyen 4 akkura gondolsz? Összfesz mennyi? A hozzászólás módosítva: Jún 12, 2015
Ahhoz kérdeztem, ha jól értem, akkor az sem stabilizál eléggé, tehát, ha merülnek az akkuk, akkor kisebb lesz a kimeneti feszültség is. Az egész arra kell, hogy olcsóbban kihozzam a 12V-os ledcsík tápellátását hordozhatóan.
Össz.: 4,8 V, tehát a legutóbb csatolttal közel egyenlő.
Arra már jó, mert a 4 akkud úgyse merülhet 4,1-4,2 volt alá, mert akkor annyi lesz nekik...
Jó az az IC, nyugiban megcsinálhatod az adatlap alapján.
Már csak egy kérdésem van, hány amperes kell legyen az induktivitás és mekkora hűtőborda kell hozzá?
2 amper körül elég, a bordát pedig úgy oldd meg szerintem, hogy elszigetelve az ic-t egy alulemezkétől, ami a paneled alatt lesz pl., ugyanakkorában..- 1-2 wattnál több nem lesz a meleg.
Doboz úgyis kell vmilyen, egyben hűtő is lesz. A hozzászólás módosítva: Jún 12, 2015
|
Bejelentkezés
Hirdetés |




nem tudom mennyire vagy otthon a digitális technikában szóval inkább csak elektro szemszögből közelítek....








