Fórum témák
» Több friss téma |
- Ez a felület kizárólag, az elektronikában kezdők kérdéseinek van fenntartva és nem elfelejtve, hogy hobbielektronika a fórumunk!
- Ami tehát azt jelenti, hogy a nagymama bevásárlását nem itt beszéljük meg, ill. ez nem üzenőfal! - Kerülendő az olyan kérdés, amit egy másik meglévő (több mint 17000 van), témában kellene kitárgyalni! - És végül büntetés terhe mellett kerülendő az MSN és egyéb szleng, a magyar helyesírás mellőzése, beleértve a mondateleji nagybetűket is!
Urak! Pont erre van egy beszélgetős topik..
Azt hiszem ebben a topikban volt szó egy kétvezetékes LED -es panelvoltmérőről, és valakit érdekelt, hogy hány volt kell neki minimum. Igaz így már kissé halványabban világítanak a "pixelek" de ez érthető.
Jelen esetben mint látható a zöld színű 2.38V -ról még működik. Viszont más színben nem vagyok biztos, mert én direkt a zöldet kértem. Más színű LED -nek esetleg lehet nagyobb a nyitófeszültsége (pl kék), ami miatt nem biztos hogy szépen látható ilyen kis feszültségen. 2.5-30V DC panel volt meter... A sötét kép azért ilyen zajos, mert nem tudtam lefényképezni rendes megvilágítás mellett (így az az egy kép sötétben készült vaku nélkül), mert akkor a képen már nem látható a kijelző. Itt van néhány kép róla: A hozzászólás módosítva: Jan 20, 2017
Lehet, hogy ki lehetne kötni a 3V3-as feszültség stabilizátort is? Főleg, ha mindig 5V alatti feszültséget mérsz vele, így talán 2V-ig le tudnál menni, esetleg a kijelző előtti ellenállás csökkenthető. A uC valószínűleg 1.8V-ig működőképes, a referenciája meg remélhetőleg 1.1V.
A hozzászólás módosítva: Jan 20, 2017
Annyira nem érdekel, nekem a 2.5V már tökéletes, Li-Ion cellák méréséhez...
Csak azért dobtam fel, mert valaki kérte, de már nem emlékszem rá ki volt az, itt megtalálja gondoltam... A hozzászólás módosítva: Jan 20, 2017
Köszi, meg is kaptad a pontodat, hogy nem felejtetted el.
Köszi...
A hozzászólás módosítva: Jan 20, 2017
Kérdés, hogy milyen fajtájú akkumulátor...
Ez 18 savas ólomakkumulátor cella, vagy valami más megoldású? Az akkumulátor töltése áramot igényel, ami azt jelenti, hogy a töltési feszültség mindig magasabb mint az üresjárási, vagy a kisütés közbeni kapocsfeszültség. Járműveken például azért nem használnak lúgos akkumulátort, mert a töltési feszültséget a névleges feszültségre tervezett fogyasztók már nem viselnék el. A különbség nagysága függ az akku elektrokémiai kialakításától (savas/lúgos, NiCd NiMh stb.) és az akku belső ellenállásától is. Ha tehát kísérletezel, akkor először a működést valósítsd meg, a töltés üzem közben macerás, még a fékenergia visszatáplálás is egy könnyebb dolog.
A tinában hol lehet beállítani hogy az ellenállás ne így nézzen ki?
Szia! View/Options.../Component Symbol Set/European(DIN) az átállítás menete.
Hát nem a legjobb az biztos. Több sebből vérzik, többek közt:
Ha a uC feltudná húzni a gate-t +24V-ra (amit nem tud) akkor sem kapcsolna normálisan az NFET. Lényegében önmaga ellen dolgozik PFET-el megoldható a dolog, de a uC akkor sem tudná kapcsolni közvetlenül a FET-et, vagyis pontosabban: mindig nyitva lenne a FET Ezt te csináltad? A hozzászólás módosítva: Jan 21, 2017
Nem én. Van egy ilyen rendszer ami most optoval működteti a FET-et. Viszont az opto levágja a PWM nagyon kicsi kitöltését, ezért ki akarják azt kerülni. Mondtam tegyenek bele egy plusz trafót ami ellátja az elektronikát és akkor kivehető. PFET-el valóban menne, de annak a Gate-jét is tranyóval kéne kapcsolni. Holnapra kellene nekik és trafó van PFET nincs kéznél.
Csak kiváncsi voltam hátha alaki javasol valami olcsóbb megoldást. A hozzászólás módosítva: Jan 21, 2017
Szia reloop válaszát átfordítva Nézet/Beállítások/Alkatrész szimbólumok/ Európai talán segít.
Sziasztok!
Adott egy ebay-es villogó (12V). Az a probléma vele, hogy túl gyorsan villog (4-5/mp körülbelül) Nekem elég lenne, ha másodpercenként pl csak egyet villanna. Csatolok egy képet a nyákról. Melyik ellenállást, vagy mit kellene lecserélni?
Kapcsolási rajz nélkül kicsit nehéz, de próbaképpen a két kondenzátorra forrasztanék párhuzamosan mondjuk még 470 nF-os kondenzátorokat. Bajt nem csinál, viszont esély van rá, hogy a villogás lassul. Aztán ha lassul, akkor lehet próbálgatni más értékekkel belőni a szükséges időt.
Tehát a már meglévő SMD kondenzátor marad a helyén, és csak főlé forrasztok egy 470 nF-os másik kondit?
Jaa, és gondolom a kondi 12 voltos? A hozzászólás módosítva: Jan 21, 2017
Még az is lehet ,hogy különböző értékekkel más lesz a be és szünet idő. Érdemes lenne a kapcsolást megrajzolni. A fölé forrasztás elfogadható (ha kiforrasztod megmérheted a kapacitását).
A hozzászólás módosítva: Jan 21, 2017
Igen, az a legegyszerűbb. 12V kondi biztosan nincs, de bármilyen nagyobb jó (pl. 50V-os szokott lenni)
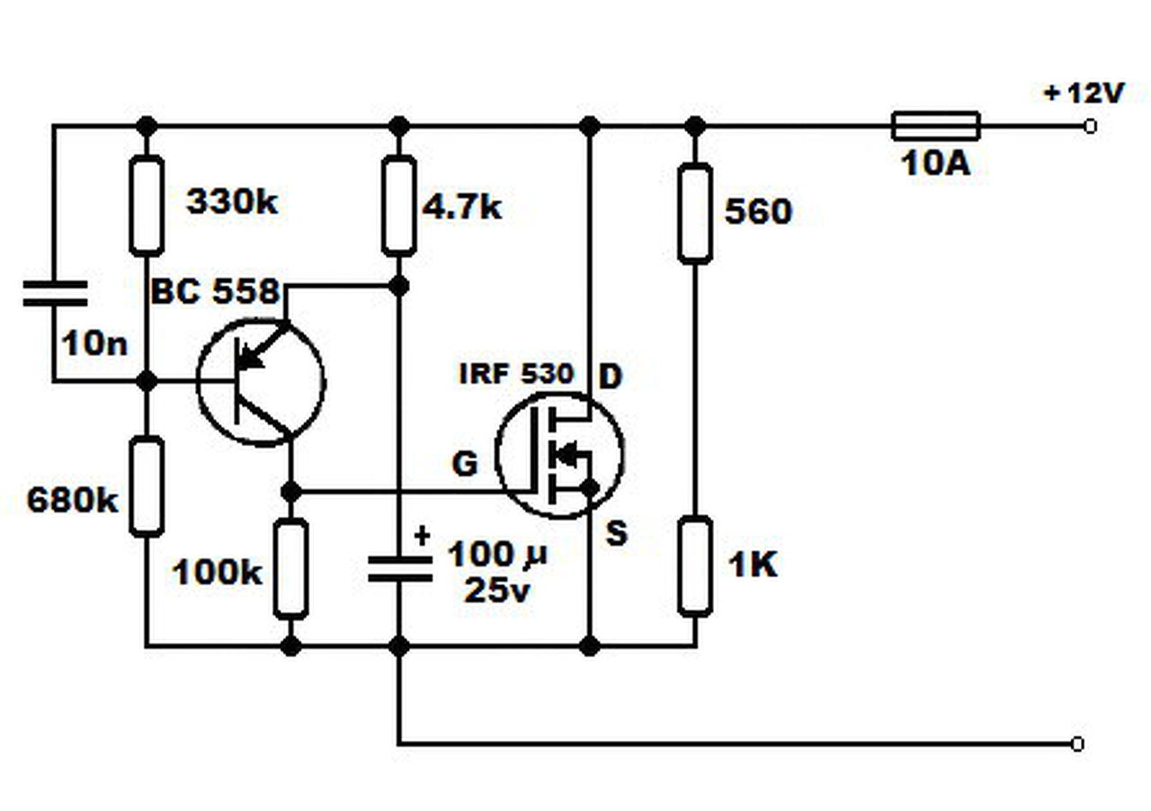
Nos, sikerül elkészítenem életem első kapcsolási rajzát
![]() Remélem mindent jól rajzoltam... A kondenzátorokhoz az "ismeretlen" értéket írtam.
Szerintem hiba van a rajzodban, de a kapcsolás egy astabil multivibrátorra hasonlít. Az ilyen, két tranzisztoros astabil frekvenciáját az f= 1/(0,7*(Rb1C1+Rb2*C2) képlettel lehet meghatározni. A kapcsolásodon az Rb1 10 kOhm-nak, az Rb2 100 kOhm-nak tűnik (feltéve, hogy az a része helyes a rajzodnak. A C1 az a kondenzátor lenne, ami az Rb1-hez kapcsolódik (és a másik része a másik tranzisztor kollektorára kellene mennie), a C2 hasonlóan. Ha egyformák az Rb1 és az Rb2, valamint egyformák a kondenzátorok, akkor ugyanannyi ideig világít a LED, mint amennyi ideig nem.
A frekvenciát legegyszerűbben a kondenzátorok növelésével lehet megoldani. Két tranzisztoros astabil multivibrátor működése. Szerk: Még egyszer megnéztem a rajzodat, biztosan hibás (pl. a LED-ek egy része rövidre lenne zárva ilyen kapcsolás esetén, de több más dolog sem lehet úgy, ahogy rajzoltad.) A hozzászólás módosítva: Jan 21, 2017
Köszönöm a választ. Találtam itthon 2 db 470 nF-os 50V-os kondenzátort. Az nem probléma, hogy ez olyan fajta kondi, aminek van polaritása? (mert ugye ami most van benne, annak nincs)
Be lehet tenni azt is, viszont helyes polaritással kell bekötni. A kondi negatív kivezetése legyen a tranzisztor bázisára kötve (a pozitívnak a másik tranzisztor kollektorára kellene kötve lenni elvileg).
(A most benne lévő kondenzátor lehet µF nagyságrendű is, vannak ilyen méretben olyanok is. Bővebben: Link Ezzel csak azt akarom mondani, hogy lehet, hogy a 470 nF ráforrasztása nem sokat csökkent a villogási frekvencián.) A hozzászólás módosítva: Jan 21, 2017
Sziasztok!
Van egy fogyasztóm aminek változik az áramfelvétele. Hogyan lehet megmérni, hogy egy ciklus alatt (kb.: 1 perc) hány mA-t fogyasztott? Előre is köszönöm!
Köszönöm a segítséget, sikerült!
![]() Végülis a 10 µF 16V lett a nyertes.
Szép estét, egy kis egyszerű kapcsolás miatt érdeklődnék,
Az lenne a kérdésem ,hogy a kapcsolgatás lassítására jól gondolom ,hogy a 330K-t kell megnövelni ebben a kapcsolásban?
Szia! A 4k7-et növelném, hogy lassabban töltődjön a 100uF. Akkor nyit a FET mikor a BC558-on megindul a bázisáram. A 330k növelésével ezt csak előrébb hoznád.
Ahogy nézem, ebben a kapcsolásban az időállandót a 4,7 kOhm és a 100 µF határozza meg. Elvileg bármelyiket növelve lassul a kapcsolgatás, de én inkább a kondenzátort növelném. Az ellenállás növelése a BC558 munkapontját is változtatja, egy bizonyos határon túl valószínűleg nem célszerű növelni.
Sziasztok!
Mostanában elég gyakran megy el az áram 1-3 mp-re, ami elég bosszantó ha épp a gépen dolgozok, de jellemzően csak egy pillanatra megy el az áram majd egyből vissza is jön. A szolgáltató szerint pillanatnyi rövidzárlat okozza náluk és a védelem bekapcsol majd amint megszűnt a túlterhelés megint folyik az áram. Azt mondta vegyek szünetmentest, de én nem szeretnék 2-3 mp miatt ennél hosszabb szerencsére nem szokott lenni. (Direkt nem akarok szolgáltató írni.) Szóval arra gondoltam, hogy mi lenne ha vennék egy nagyobbacska kondit és akkuként használnám? Például egy 3300-4700µF kondit ahogy számolgattam simán ki kell bírnia azt a pár másodpercet, így a gépet eleve dc-ről táplálnám meg amúgy is kapcsolóüzemű a tápegysége gond nélkül mennie kellene. Skorinak van egy lágyindítós kapcsolása ez így a kondi sem rántaná meg a hálózatot ha feszültség alá helyezném. A kérdés, hogy ha elmegy az áram 1-2mp-re a lágyindító C2 kondija vajon kisül e amíg visszajön az áram, a másik gond, hogy a pc tápok 90V környékén már szenvednek ha lassan csökken a bemeneti feszültség egy hosszabb áramszünet miatt okozhat problémát amíg lekapcsolna a tápegység. Szóval valahogy le kellene lőni a kimenetet ha mondjuk az 100V alá csökken. Nem szeretnék transzformátort pluszba beépíteni, szóval valami egyszerű megoldást keresnél. Gondolkodtam komparátor és zéner diódán és egy tranzisztor segítségével lekapcsolna egy plusz relét, de ezek mind feleslegesen bonyolítanák az áramkört. Esetleg valakinek van valami egyszerűbb ötlete? |
Bejelentkezés
Hirdetés |


















