Fórum témák
» Több friss téma |
- Ez a felület kizárólag, az elektronikában kezdők kérdéseinek van fenntartva és nem elfelejtve, hogy hobbielektronika a fórumunk!
- Ami tehát azt jelenti, hogy a nagymama bevásárlását nem itt beszéljük meg, ill. ez nem üzenőfal! - Kerülendő az olyan kérdés, amit egy másik meglévő (több mint 17000 van), témában kellene kitárgyalni! - És végül büntetés terhe mellett kerülendő az MSN és egyéb szleng, a magyar helyesírás mellőzése, beleértve a mondateleji nagybetűket is!
Sziasztok!
A denaturált szesz van valamilyen hatással egy tekercsben lévő rézhuzal zománcozására?
igen de én nem maximum kivezérlésen szeretném hallgatni. 5-6 watt már bőven elég
Nos, ami azt illeti,pontosan nem tudom. De ha vágsz valahonnan egy darabka zománcozott rézhuzalt, azon ki tudod próbálni! Megkérdezhetem mire kell a den.szesz a zomác miatt?
hello
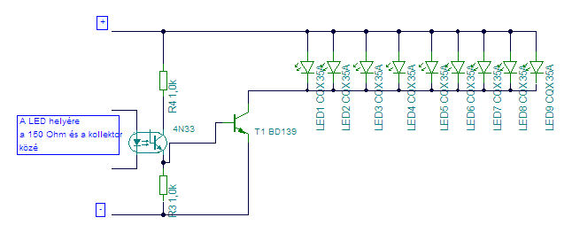
optocsatolóval megoldható, de ugye nem egy 4,5V-os telepről akarsz 48db LED-et hajtani?
Tápegységről hajtanám.
Bocs de még elég kezdő vagyok és a bekarikázott részt nem igen vágom. Ott mit és hogyan kell kötni mihez? És a 150 ohm és a kollektor közé mit kell tenni? És még annyi hogy a karikázott részben sima led van v. vmi spéci? És ezt az eredeti kapcsban az egyik led helyére kell kötni? Bocs a hülye kérdésekért!!
az a bekarikázott rész egy optocsatoló nevű alkatrész Bővebben: Link
Azért a LED-eknek nem ártana egy előtét!
igen az nem árthat mondjuk egy 68-82 Ohm körüli, bár a BD nem nyit ki teljesen és így a LED-ek nem nagyon kapnak 2V nál többet
Egy kis segítséget szeretnék kérni egy IC értelmezéséhez (kezdőként).Villogó LED
Ez elég egyszerűnek tűnik nekem, hogy megépítsem. Letöltöttem az IC adatlapját is és elkezdtem tanulmányozni, de sajnos nem teljesen világos nekem vagyis inkább megerősítést szeretnék kérni. A lábak funkcióját nem nagyon találtam meg a leírásban vagyis csak betűjeleket találtam: A V+ V-, OUT az egyértelmű, a Slow RC és Fast RC az gondolom a villogás frekvenciájának állítására van. Az Rlim-et és a két NC-t nem értem (NC=Not connected?) Ezen kívül a fenti kapcsolásnál a C1 mire szolgál?
Szia!
Az Rlim, amit én néztem adatlapot: a kimenetre lehet kötni az esetleges plusz áramkorlátozó ellenállásokat, mert az IC-ben már van egy beépítve. Az NC azok (Not Connected) lábak, ezt jól tudod. De vigyázz, mert a V- az nem negatív tápot jelent, hanem szimplán a GND-t!
Hello!
Ez kimondottan egy Led villlogtató cél IC. Ahhoz, hogy egy Led-et villogtass, valahogyan időzíteni kell. (Be-vár-ki-vár...) Az analóg technikában alkalmazott, időzítések java, egy kondenzátort használ, amit egy ellenálláson átfolyó árammal töltünk-sütünk ki, egy felső és egy alsó feszültségküszöb szintig. A kondenzátorban a feszültség változást a "kucu" törvény írja le. Q=C*U Ahol a Q a bevitt töltésmennyiség, a C a kondi kapacitása, és U a feszültség, amire töltődik. A töltésmennyiség Q=I*t Ahol az I az töltő (kisütő) áram, a t az idő, míg az áram folyik. Ez alapján, már számolható az az idő, ami egy adott áram hatására egy kondi feltöltődik egy adott feszültségszintre. Ha időben nem állandó árammal, hanem egy ellenállással töltünk egy kondit egy tápfeszültségről, akkor az idő T=R*C képlettel határozható meg. De itt a töltőfeszültség 0..67%-áig történő feltöltődését nézzük. (kisütésnél 100..23%ig) Nézz meg egy egyszerű RC integráló tag működését a hálón. A kondi az IC-n kívül van, hogy az értékével variálhassuk az időt. A töltő ellenállás, pedig bent van az IC-ben. Történetesen 2db is. és ki van vezetve a Slow és Fast pontokon. (ha a két ellenállás sorban van kötve, az ellenállásuk összeadódik így a töltőáram kisebb lesz, azaz az R*C időállandó nagyobb) Az RC azért van oda írva, mert az IC-nek erre a pontjára ellenállás és kondi is kapcsolódik. A Led dióda elé, mindenképpen kell egy soros áramkorlátozó (limitáló) ellenállás, ami szintén bent van a tokba. Ennek kimeneti pontja az Rlim, ahova természetesen a Led kapcsolódik. Az NC azt jelenti amit leírtál, hogy nics használatban a láb, tehát fizikailag van, de nincs rá kötve semmi. Tehát egyszerűen úgy működik, hogy a kimenet felugrik (Led sötét), a kondi töltődni kezd, elér egy feszültségszintet, mire a kimenet leugrik (Led ég) és a kondi el kezd kisülni. Amikor eléri az alsó küszöbszintet ismét átvált és a kimenet felugrik. (Nem néztem az IC pontos működését, hogy ez fázishelyes-e amit leírtam, de kb. ez a helyzet) Egyébként minden analóg időzítő, ezen az elven működik. (pld. NE555) üdv! proli007
Sziasztok!
Kiváncsi lennék egy két dologra - Az AMPER az az áram erősség mérték egysége - A WATT az a Teljesítmény m.e. - A VOLT az a Feszültség m.e. - Az OHM az az ellenálás m.e. Ha én jól tudom ha nem így van akkor javítsatok ki Annyi lenne a lényeg hogy pl:.nekem van egy Max 240W-os 4 csatornás Somogyi erősítőm A kérdés most jön Ki szeretném mérni hogy mikor mekkora feszültséget ad le (hogyan)+ ha valaki tudja hogy miért kapcsol ki egy 150 W-os hangszórótól??? Akkor az legyen szives irja meg nekem (Rosszul kötöttem be???) Légyszíves segítsetek előre is köszönöm
Még annyi lenne hogy ha van egy 120W-os hangszóró akkor annak 120 Volt feszültség kell a működéséhez
Köszönöm
A 120V-ot miből gondoltad? Az hogy mekkora feszültség kell az adott teljesítmény leadásához, szükséges a hangszóró impedanciája is!
P=U^2/R Ebbe behelyettesítve ki tudod számolni az adott feszültséget az adott teljesítményhez ismert imedanciánál. (bár a valóságban ez kicsit összetettebb, ha jó tudom)
Köszi a részletekbe menő választ, így már értem.
Még egy kérdés, ez az IC miért 700Ft? .Vagyis mit tud még ami miatt ennyivel többe kerül? Ahogy néztem az NE555 majdhogynem 1/10-e ennek az IC-nek.
A 120V-ot a abból következtettem hogy ha egy hangszóró 120W-os akkor annak a működéséhaez 120V kell.
P=U^2/R ezt le lehetne fordítani magyarra Köszönöm Egyébként pontosan mi az az impendencia Ne haragudjatok hogy ilyen vok de érdekel a dolog
Van egy aszinkron motorom, amit annak idején denaturált szesszel mostak ki, hogy ne legyen olyan zsíros, meg poros, és amikor adtam neki 220-at, csak zúgott, azt hittem, a denszesz volt valamilyen hatással a zománcozására, de a probléma már megoldódott. Rosszul volt összerakva: a forgórész hozzáért az állórészhez, és emiatt zúgott.
Idézet: „Vagyis mit tud még ami miatt ennyivel többe kerül?” Na, látod! Belefutottál abba amit már oldalakon keresztül magyárázunk. T.i., hogy az alkatrészek adatlapja (googleval pdf) tartalmazza az infókat. Ha nem akarsz keresni, megpróbálom a lényeget nagyon hevenyészetten összefoglalni (LM vs. 555) : - kevesebb alkatrész kell a ledvillogtatáshoz(1db elkó) - 1,5 (!) V-ról már működik - ez már kapható volt és publikálták (kb. 20-25 éve) és egyszerübbnek tünt mint az 555...
Hello!
Tegyük hozzá, hogy egy IC termelői árát legfőképpen a tokozás határozza meg, plusz esetleg a fejlesztési költségek. A piaci ár, az már más kérdés. Vagy azért drága, mert igen népszerű, vagy azért mert nem fogy. De a tényleges árhoz ennek semmi köze, mint ahogy manapság a piacgazdaságban sincs köze semminek a termelői árhoz. üdv! proli007
Hello!
Neked ajánlatos lenne az alapfogalmakat, igen az elején elkezdeni. Hát azt, nem biztos, hogy itt a fórumon kellene megtárgyalnod, hanem valami kis könyvvel. De.. A villamos mennyiségeknek (mint minden másnak) nem csak mértékegységük van, hanem jelük is. Feszültség: jele U métékegysége V Áramerőség: jele I mért. A Ellenállás: jele R mért. ohm Teljesítmény: jele P mért. W Ezek között a jellemzők között (számolható) szoros összefüggés van. Az alapösszefüggést az OHM törvény írja le. Ami kimondja, hogy egy ellenálláson eső feszültség nagysága, egyenesen arányos az ellenállás nagyságával, és a rajta folyó árammal. (ezt a deffiníció persze sokféleképpen megadható. Képletesen ez: U=I*R Ha bármely összetevő nem ismert, akkor a másik kettőből kiszámítható. I=U/R vagy R=U/I A teljesítmény, a feszültség és áram szorzata. Azaz P=U*I Ha most ide behelyettesítjük az ohm törvényben ismert összefüggéseket, akkor pld. ha az áram nem ismert, akkoz I helyére betesszük az U/R összefüggést. Így akkor a P=U*I helyett, a P=U*U/R azaz P=U^2/R képletet kapjuk. Az ohm törvények legfőképpen ott működnek, ahol az áram a feszültséggel azonos fázisban van. (Ha egy ellenálláson nő a feszültség, akkor az áram is ugyan olyan arányban, és ugyan abban az időben növekszik.) Ha ez nem így van, akkor csak korlátozottan alkalmazható OHM törvénye. Ez legfőképpen váltóáramnál fordul elő, mikor az áramkörben nem csak ohm-os (tehát fázist nem toló) tagok vannak. Ha ez nem igaz, akkor az ellenállás helyett (Z jelű)impedanciáról beszélünk. Pont azért, hogy megkülönböztessük. Ettől, még a mértékegysége ohm marad. Tekintve, hogy a hangszóród nem csak egy ellenállás, hanem egy tekercs (és még sokminden más is). Az ellenállását impedanciának hívjuk, és ohm-ban van megadva. De hogy atz eredeti kérdés sem legyen nyitott: Egy erősítőre, csak nagyobb impedanciájú hangszórót lehet kapcsoni, mint ami névlegesen rá van írva. (persze ekkor a kivehető teljesítmény csökken) Ha Te egy kisebbet kapcsolsz rá, ugyan akkora kimenő feszültségen nagyobb lesz a teljesítmény, azaz az erősítőt terhelő áram. Ezt lehet nem bírja az erősítő, és a védelme lekapcsol. Tehát ha a hangszóró teljesítménye nagyobb, az nem baj, többet bír el. De az impedanciája már nem lehet kisebb. üdv! proli007
Nekem is hasonló megállapítás jött le (megnéztem az adatlapot csak pár dolog elkerülte a figyelmem mivel nem volt lényeges számomra pl az 1,5 V).
Vagyis ha ktg hatékonyságra törekszem és nem szempont az, hogy 1,5 V-ról menjen akkor jobban járok egy "bejáratott" 555-el. (találtam olyan kapcsolást ami egyszerűnek tűnik és egy potméterrel lehet állítani a sebességet bizonyos határok között) Ha pedig kényelmes akarok lenni és van pénz akkor veszek egy LM-et és kész is. Azért kíváncsi lennék az előállítási fejlesztési ktg-kre, mert nekem nagyon úgy tűnik a marketing osztály munkája van a dologban. Idézet: „Ha pedig kényelmes akarok lenni és van pénz akkor veszek egy LM-et és kész is.” Nem! Akkor veszel egy villogó Led-et, amihez maximum egy ellenállás kell! üdv! proli07
Bezony!
Olyan is van. Kb. másodpercenként villog, én úgy emlékszem, hogy valami 250-300 Ft-ért láttam...
Sziasztok!
Szeretnék készíteni egy kis műszertápot! Nagyon kezdő vagyok még, így szeretnék segítséget kérni! Az rendben van, hogy hogyan kell bekötnöm a stab IC-ket (7805, 7812,...) de nem tudom, hogy hogyan kell elébük bekötni egy trafót és hogyan érdemes... El tudnátok mondani, illetve tudnátok esetleg egy kis mintát mutatni? Köszönettel: Zoli
Mekkora feszültségű és mekkora telyesítményü tápot akarsz csinálni?
mikrovezérlős készülékek babrálásához...
5V, 9V, 12V, 24V-s kivezetéseket szeretnék... Ezekhez kinéztem a stab IC-ket. Hát tuti, hogy egyik készülék sem eszik 1A-nél többet és nyilván nem is akarom minden kivezetést egy időben használni.
Bővebben: Link a 2. ábra
Ha van osztott secunderes trafód akkor egyszerü a történet, ha nencs akkor minimum 24 v os trafó kell, de mivel 1A-nál nem kell több áram igy nem kell nagy.
Ne 78xx sorozatba gondolkodj, hanem van szabályozható /kimeneti/ stab ic is és neked osztatlan trafónál az lenne a célszerü, kb 1 A körüli áramra, mert igy nem kell annyi elektronika hozzá. Ez lehet folyamatos, vagy válto /yackli/ váltással /egyenként beállitott //fix ellenállással// / feszültségü. A stab ic kapható a lomexnál, a telyes rajznak utánna kell nézni most igy hirtelen nem tudom " fejbő" de megkereshetem. Lehet hogy másnak is van ötlete itt a topicon. Ui: most látom hogy van. |
Bejelentkezés
Hirdetés |






.
vok de érdekel a dolog 




