Fórum témák

» Több friss téma
Fórum » Erősítő mindig és mindig
Mielőtt kérdezel, a következő két dolgot ellenőrizd! I. A helyes tápfeszültségek megléte. II. A kimeneten van-e egyenfeszültség. Élesztés.
Lapozás: OK   165 / 2575
(#) jocko válasza lapose hozzászólására (») Aug 21, 2008 /
 
az emittermozgást más is emliti,a hangját más is kifogásolta(nem linkelek mert nem tudok),a teljesitményt szintén,a többi biztos az én hibám.hiányosak az ismereteim,de adok mások véleményére.végülis ha akarod épitsd meg.hátha.
(#) oleg53 válasza wargapityu hozzászólására (») Aug 22, 2008 /
 
Kérdések: (Csak tippelgetek.)
Esetleg földhurok?
Mivel táplálod?
Nem melegszik túl? (Mondjuk azon a kábelbabrálás nem segít.)
Milyen, és milyen hosszú kábelt használsz a bemeneten?
(#) Maverick91 hozzászólása Aug 22, 2008 /
 
sziasztok,

ennek az előerősítőnek a kimeneteihez milyen kondik kellenek?

Bővebben: Link

Köszi:

Maverick
(#) wargapityu válasza oleg53 hozzászólására (») Aug 22, 2008 /
 
szia! akkumulátorról táplálom most , kábel az sodrott réz talán 0.75-ös ,de a két oldalnak egy helyre megy a bemenete (2rca) ugyan olyan hosszúságú vezetékkel, és ez nem búg nem zúg ha a csatlakozót fogom se, de az a másik oldal halkan szól meg serceg sistereg hol helyrejön hol rossz de többnyire rosz, és halkabb és főleg mintha a mély tűnne el belőle:S akkora borda van rajta hogy 30fokos sincs az egész. amúgy próbanyákra készítettem el az egészet és a kötözgetést az imént említett 0.75ös sodrott réz , illetve utp kábelból csináltam többnyire utp-ből duplán hidalgattam hogy meglegyen a keresztmetszet... teljesen érthetetlen számomra ami másnak nem meglepő mert én nagyon kezdő vagyok, de azt gondoltam volna hogy ez egy olyan hiba jelenség, amivel más már találkozott... mivel a másik erősítőm a tda2030as is ezt csinálta annak se tudtam rájönni mi csinálja már kiforrasztottam és lábanként vezetékkel kikötöztem az ic-t akkor se lett jó csak jobban gerjedezett.... de az az erősítő nem fontos ez érdekelne....
(#) szamóca válasza wargapityu hozzászólására (») Aug 22, 2008 /
 
Ellenőrizd a testpotenciált, és a testvezetékeket. Az test hiba is szokott efféle jelenséget produkálni.
(#) Kovidivi válasza wargapityu hozzászólására (») Aug 22, 2008 /
 
Ahogy ingerülten leírod a hibajelenséget, én arra gondolok, hogy ne az erősítőbe keresd a problémát, hanem a hangfaladban, vagy az odáig menő kábelben.
egy próbát megér: cseréld fel a végfoknál a csatlakozókat. ha most is ugyanaz a hangfal recseg, akkor egyértelmű a probléma oka. ha a csere során a recsegés is vándorol, akkor a végfok a hibás... esetleg a jelvezeték, amiről kapja jelet a végfok. ilyenkor azt is cseréld fel, és próbáld meg lokalizálni a hiba forrását! És nyugalom, rá fogsz jönni a hiba okára, nem ér ennyi idegeskedést...
(#) wargapityu válasza Kovidivi hozzászólására (») Aug 22, 2008 /
 
szia! ok nem idegeskedem csak inkább csalódott voltam életem 2. erősítője aztán ez is kudarc.... aztán kiforrasztottam a bemenet kondijának a vezetékét, mivel ez hidalt kapcsolás 2 helyről is jön rá jel az icre mind1 kicseréltem a vezetéket ami nemtudom hoogy miért de nem érintkezett és jóóó mostmár csak az a baj hogy 47K-s potim van az meg nem halkítja le teljesen, lehet hogy kicserélem a másik erősítő szerűség 10K-s potiját hátha az jobb lesz mindenesetre köszönöm szépen hogy próbáltatok rávezetni a hiba okára!! egész jó kis erölködő ez a TDA7377 ennél kissebbet rájöttem számomra nem érdemes csinálni tulajdonképp ez az első olyan komolyabb dolog amit készítettem csodás! úgyérzem nem az utolsó....
(#) Kovidivi válasza wargapityu hozzászólására (») Aug 22, 2008 /
 
feszültségosztó módban van bekötve a poti? mert elvileg le kellene halkítania.
(#) wargapityu válasza Kovidivi hozzászólására (») Aug 22, 2008 /
 
húú 2-t és könnyebbet szóval sztereó logaritmikus poti ugye 2x 3 érintkező oldalanként az első érintkezőn a föld van, a középsőn az rca csatlakozó a és a 3.on a bemenet. nemtudom ez hogy van bekötve, működni működik, de teljesen nem halkítja le.... érdekes
(#) Müszi válasza wargapityu hozzászólására (») Aug 22, 2008 /
 
Pedig elmondásod szerint jó van bekötve...
(#) wargapityu válasza Müszi hozzászólására (») Aug 22, 2008 /
 
hát énis úgygondolom hogyha nem lenne jól bekötve akkor nem működne majdnem tökéletesen ezért nemértem tehát az értéke nem lehet a baj? tehát hogy 47Kohmos a potméter? hogy egy kissebb esetmeg teljsesen lehalkítaná? pl 10K?
(#) szamóca válasza wargapityu hozzászólására (») Aug 22, 2008 /
 
Így valahogy. Neked a csuszka a bemenet, az elmondásod szerint. Cseréld fel a rajz szerint, és jó lesz.
(#) wargapityu válasza szamóca hozzászólására (») Aug 22, 2008 /
 
okés! köszönöm szépen a segítséget megprószálom mindjárt kimegyek beizzítom a pákát
(#) wargapityu válasza wargapityu hozzászólására (») Aug 22, 2008 /
 
asszem mégiscsak megőrülök ez a tda 7377-es mióta rátettem potit ami most jó lett, egy kis idő és elhalgat mintha lekapcsolna valami védelem benne kis idő múlva megint megszólal 1 pillanatra megint elhallgat miért nem tud ez nekem összejönni? nap közben ment sztem vagy 2 órát is egyhuzamban.... most megint mi baja lehet? akkora borda van rajta mint egy tégla 30fokosra se tud felmelegedni paszta is van alatta, , amikor a tápot lehúzom, és rá-rá érintem az aksira 1-1 pillanatra akkor úgy szól... most lekötöttem a potit és akkoris ezt csinálja. valakinek van valami ötlete erre is?
(#) szamóca válasza wargapityu hozzászólására (») Aug 22, 2008 /
 
Nézd meg a stand by lábán(7) mérsz e 5V feszt.
Esetleg képet(ket) kérhetnénk?
(#) wargapityu válasza szamóca hozzászólására (») Aug 22, 2008 /
 
hát ma már nem tudom megnézni már bejöttem a sufniból, de ez valamitől megváltozhat véleményed szerint? mert hogy egész nap jó volt tegnap este készültem el vele amúgy a stand By ágra én 12V-ot adtam azt kell ugye?
(#) szamóca válasza wargapityu hozzászólására (») Aug 22, 2008 /
 
A 10K áramkorlátozót beraktad, és a 10µF kondi polaritása is helyes ,a fesz is megvan a 7 lábon, akkor valószínű a rövidzárvédelem lát valamit. De jobb lenne látni, mert ez így lutri! :yes:
(#) wargapityu válasza szamóca hozzászólására (») Aug 22, 2008 /
 
aha fúúúú hát félek nem fogsz tudni segíteni mert próbanyákra építettem, azért próbáltam ízlésesen megcsinálni, de akkor megpróbálok feltenni képet róla ha aztmondod rápillantanál amúgy igen az összes alkatrész bennt van helyesen amúgy a dupla hidalt kapcsolást készítettem el
(#) sebestyen_ferenc válasza Lázár Péter hozzászólására (») Aug 22, 2008 /
 
szerintem gerjedés az oka meg kell nézni a tápban a hidegitő kondikat!A Negativ vissza csatolásnál szintén!
(#) oleg53 válasza wargapityu hozzászólására (») Aug 23, 2008 /
 
Az sem mindegy, hogy hogy viszed a földet. Bár nem tudom, hogy okozhat-e ilyen hibát, de gerjedést igen. Ha jól gondolom, így kell:
Az IC föld lábáról akárhogyan elvihetetd a földpotenciált bármelyik alkatrészig, de a betáp földje és a hangszóró földje két külön (vagy talán akár egy közös) vezetékkel induljon ugyancsak az IC földjéről.
Ha belegondolok, a táp-föld közti pufferek földje is az utóbbi kategória, de hogy az lehet-e közös vezetéken a másik kettővel, azt nem tudom.

Valaki hozzáértő elmondaná, hogy hogy is van ez igazából? Mert lehet, hogy nagy hülyeséget írtam.
(#) Maverick91 válasza (Felhasználó 13571) hozzászólására (») Aug 23, 2008 /
 
és ha nincs itthon, akkor milyen jó még?
(#) Maverick91 válasza (Felhasználó 13571) hozzászólására (») Aug 23, 2008 /
 
tehát a rajzon az elkóknál a kocka rész jelöli a negatívot?
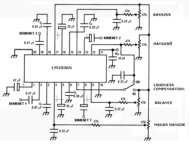
(#) Maverick91 hozzászólása Aug 23, 2008 /
 
Ennek az LM1036N IC-nek mennyire szabad melegednie?
(#) Ricsi89 válasza Maverick91 hozzászólására (») Aug 23, 2008 /
 
Kb semennyire. Ha nagyon melegszik, akkor valamit elkötöttél, de nagyon.
(#) Maverick91 válasza Ricsi89 hozzászólására (») Aug 23, 2008 /
 
én így raktam be a kondikat: --> fájl

átnéztem, mindent jó helyre kötöttem, tökéletesen működik, de melegszik.

nem tudtam szerezni kerek 390 nF-es kondit szerezni, ezért többet kapcsoltam párhuzamosan.:

1. 330nF + 2 x 33nF
2. 330nF + 68nF

A potik 50K-sak.
(#) Maverick91 válasza (Felhasználó 13571) hozzászólására (») Aug 23, 2008 /
 
hát nem úgy melegszik h rögtön forró és füstöl

csak fokozatosan kicsit mindig jobban
(#) Ricsi89 válasza Maverick91 hozzászólására (») Aug 23, 2008 /
 
Én amikor megcsináltam az erősítőmet, ment egy fél napig, de egyáltalán nem melegedett semmit. Ha egy kicsit meleg az még nem gond. Tápfesz amúgy mennyi?
(#) Maverick91 válasza Ricsi89 hozzászólására (») Aug 23, 2008 /
 
12 V adapterről
(#) Kovidivi válasza szamóca hozzászólására (») Aug 23, 2008 /
 
Én is ezt próbáltam feszegetni, hogy hátha a hangfalkábel a rossz, de még nem nézte meg wargapityu szerintem... Ha nem próbál a probléma okára rájönni, akkor nem is lesz megoldva soha! mi innen nem fogunk tudni segíteni, csak ha wargapityu is együttműködik velünk...
(#) Ricsi89 válasza Maverick91 hozzászólására (») Aug 23, 2008 /
 
Na igen az adapter. én láttam már olyat is, ami 12V helyett majdnem 20V-ot adott ki magából. Mérjél azért rá multival. Nehogy sok legyen.
Következő: »»   165 / 2575
Bejelentkezés

Belépés

Hirdetés
XDT.hu
Az oldalon sütiket használunk a helyes működéshez. Bővebb információt az adatvédelmi szabályzatban olvashatsz. Megértettem