Fórum témák
» Több friss téma |
Mielőtt kérdezel, a következő két dolgot ellenőrizd!
I. A helyes tápfeszültségek megléte.
II. A kimeneten van-e egyenfeszültség.
Élesztés.
Még semmilyen hangszórót nem próbáltam. Először körbe akartam nézni, hogy van-e olyan, ami ezt tudná, és nem túl drága, utána építeni hozzá erősítőt, meg ami hozzá kell, és csak utána kipróbálni élesben.
De amúgy ehhez a hangszóróhoz mekkora erősítő lenne jó?
Szerintem TDA 7294. 70w 4 ohmon simán lejön róla tisztán de még több is, erre a hangszóróra pont elég lenne.
Köszi a segítséget, megpróbálom!
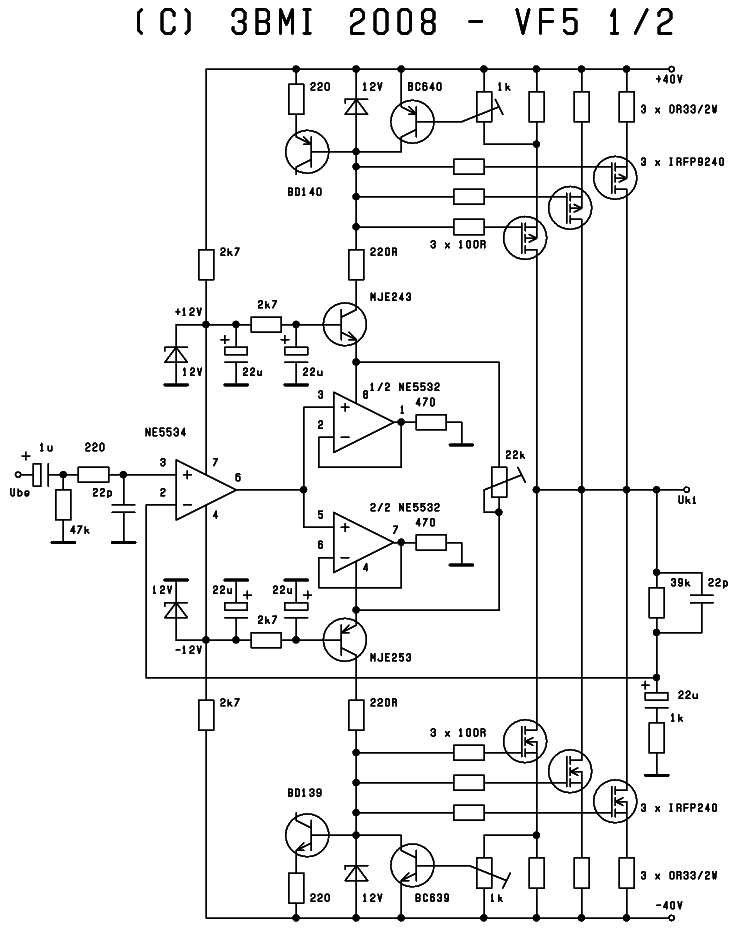
Esetleg van hozzá valahol kapcsolási rajz és/vagy nyákterv?
Csatoltam. Amit eddig láttam szerintem ez a legjobb nyákterv hozzá. Tápfeszt emelheted +-40v-ig is simán.
sziasztok
a TDA2616os IC adatplapjának 9.oldalán levő kapcsolást szeretném elkészíteni és 3 problémám adódott 1. az Rs az milyen értékű legyen? 2. a 2200µF -os kondi az miért van szaggatott vonallal bekötve? 3. a mute inputot honnan kellene levennem?..ha el akarom némítani akkor földre húzom?
Sziasztok..
Van egy gond az erositommel amely egy Pioner Sa960 A gond meg az lenne hogy a koppanas gatlo nem kapcsolja a kimenetett , igy egy muk hang sem jon ki. Meg nem volt idom megnezni mindent de jo lenne valami otlet igy elore, hogy mi lenne az oka. Teszek kapcsolasi rajzot is
Ha nem kapcsolja az jó
Bizonyos értelemben, mert valószínűleg egyenfesz van a végfok kimeneten, ami nem tenne jót a hagdobozaidnak. Ezt csak méréssel derítheted ki. Lehet a védőáramkör hibája is, bár ezt kétlem.
Szia. Szerintem mérd meg a hangfalkimeneteket persze a relé előtt PL az IC 11 lába és a GND közt külön-külön mert valamelyik valószínűleg feszültséget ad ki.Amelyiken feszkó van azon az oldalon mérd át a két végtranyót meg a két meghajtót nem-e valamelyik zárlatos...
Sziasztok!!
Koszi az otleteket Ma fogtam neki a mereseknek...a vegfok transzisztorok azok nincsenek beforrasztva, azok olyan szoritoban vannak hogy konnyen lehesen kivenni es azokkal kezdtem...azok szerencsere mind jok most jonnek azok amikket mondtatok. Tomy27 a meghajto az a vegtranyok elott levo tranyok??? a kapcs rajzon a Q213 es Q 215 ugye
Mérd ki azokat is. Ezek darlington kapcsolást képeznek a végtranyókkal, az igazi meghajtás az az IC201. Akkor most végül is egyenfesz volt a kimeneten?
Sziasztok!
Valaki megnézné nekem, hogy ez így jó-e??? Köszi!!
st151re lehet frekvencia vágást csinálni? low pass filterre gondoltam ami állítható és nem fix.
lemertem azokat a tranzisztorokat is, mind jok. Bekapcsoltam az erositott es egyik fele melegedett a masik meg nem(2 veg tranyo melegedet, 2 nem ).Most amelyik melekszik ott van a baki vagy amelyik nem ?? Apummal mind nezegetjuk de nem jovunk ra mi lehet
Rámértetek a kimenetre? Van rajta egyenfesz?
A rajzon feltüntetett feszültségértékek rendben vannak?
megmertem ott azokat a pontokat azok jon egy kicsivel tobbet mutat ugy 26-28mV korul es az Ic 11 es labannal is 0 volt van. A masik felenel a a tranzisztorok emiterenel tobb van mint amin a rajzon van , kb 3volt. Es normalis az hogy ahol az ertekek jok ott a tranyo melegszik es ahol nem jo ott meg nem melegszik??
A kimenetem meg egyenfeszen a muszer es merve milivoltok vannak de a muszeren a fesz ugral mindket kimeneten
Ha 3V-ot mérsz, akkor ott van valami hiba.
Na hali.Bocsi hogy nem válaszoltam csak volt egy kis dolgom, egy Mitsubishi TV-t csináltunk ma és finoman fogalmazva se volt egyszű eset...Ha gondolod kérdezhetsz hátha tudok valamiben segíteni,vagy talán már meg is csináltátok...
Hi!
Valaki megépítette már ezt a kapcsolást?Egyáltalán mi a véleményetek róla?Mennyire életképes a kapcsolás? Szerintem az a BD nem jól van dióda üzembe kötve. Várom a véleményeket ![]() Kössz
meg nem sikerult megjavitani....nem vagyok valami nagy jartas erositok javitasaban, talan ha elmondom hogy hogy romlott el akkor lehetne valamit csinalni. Szeteszedtem az erositott hogy epitsek bele egy kivezerles jelzot. Kivettem a vegfgokokat amik egy hutobordan vannak es egy szoritoban vannak, igy konyyen ki lehet szedni azokat. Meg kelett keresem hogy hol megy az eloerositobol a jel a vegfokokba. mikor megvolt visszatettem a hutobordat a vgfokokkal egyutt, bekotottem mindent, jelet az inputra, hangszorokat es bekapcsoltam es nem megy, a hangero potit tekergettem de semmi. kikapcsolom es akkor lattam hogy ket vegfog meg volt a helyen, nem ment vissza abban a szoritoba. Ilyenkor mi romolhat el??fogalmam sincs
Hu ez így elég kusza,esetleg nem tudnál fetenni pár képet hogy én is lássam hogy pontosan hogy is van?
De tudok fel tenni, az a szorito az igazabol foglalat, es a taptol jobbra levo 2 foglalat melle "ment " a vegtranyo
az az eget resz ne zavarjon meg mert az ugy volt mikor vettem az erositott, ott jo minden, megneztem
Nagyszerű. Ha tudsz tranzisztort mérni, akkor mérd meg az "égnek álló" lábakat. Sok minden kiderülhet.
Bordával nem zártad rövidre valamelyik tranyó lábát?
Vagy esetleg mikor beteszed a tokba őket akkor valamelyik(ek) nem érintkeznek mert kilazult vagy meghajlott a lemezek valamelyike a tokban...De egyetértek az előttem szólóval mérd ki mégeggyszer a tranyókat hátha valamelyik mondjuk visszaenged...
|
Bejelentkezés
Hirdetés |




Ma fogtam neki a mereseknek...a vegfok transzisztorok azok nincsenek beforrasztva, azok olyan szoritoban vannak hogy konnyen lehesen kivenni es azokkal kezdtem...azok szerencsere mind jok
most jonnek azok amikket mondtatok. Tomy27 a meghajto az a vegtranyok elott levo tranyok??? a kapcs rajzon a Q213 es Q 215 ugye


az az eget resz ne zavarjon meg mert az ugy volt mikor vettem az erositott, ott jo minden, megneztem 






