Fórum témák
» Több friss téma |
- Ez a felület kizárólag, az elektronikában kezdők kérdéseinek van fenntartva és nem elfelejtve, hogy hobbielektronika a fórumunk!
- Ami tehát azt jelenti, hogy a nagymama bevásárlását nem itt beszéljük meg, ill. ez nem üzenőfal! - Kerülendő az olyan kérdés, amit egy másik meglévő (több mint 17000 van), témában kellene kitárgyalni! - És végül büntetés terhe mellett kerülendő az MSN és egyéb szleng, a magyar helyesírás mellőzése, beleértve a mondateleji nagybetűket is!
Hello! ha egy tápegységre áganként külön-külön két- két 100Nf-es kondenzátort teszek nem 1-1-et akkor stabilabb áramot kapok?
Sziasztok!
Összeépítettem egy H hidat, de van vele egy kis problémám. Konkrétan: nem működik . Elkezdtem berhelni hogy mi lehet vele a baj. Levettem mindkét oldalról a vezérlést, majd az LTP szintet 0 ra(PNP nyitáshoz) állítva külön-külön próbáltam ki mindkét oldalt. Ebben az esetben hibátlanul működött az áramkör.(Ugye ilyenkor az ellenoldali NPN nyitást a tápfesz végezte). A kérdésem az lenne, hogy hogyan tudom azt megcsinálni, hogy amikor egyes szintet adok ki a portra, akkor ne jelenjen meg semmilyen jel a a vezérlő bemeneten. Tehát, mintha a vezérlőm le lenne csatlakoztatva az áramkörről. Ilyenkor a másik oldara 0-t adva működne az áramkör, de nincs semmi ötletem, hogy hogyan tudnám ezt a a leválsaztást megcsinálni. előre is köszi
Talán <<< EZ >>> a cikk segít egy kicsit...
Sziasztok a kék színű ellenálás az a 0,6W-os ? és 0,5W-os ellenálás van ? azért kérdezem mert az erősítömön ahol rá lehet kötni a kivezérlésjelzőt műszerrel feszültséget méregettem és véletlen összeérintettem a tűsort és elszált egy 3,3R-es ellenálás és az erősítő papírján úgy van írva, hogy ez 0,5W-os.Szerintetek nem lett más maradandó kár benne csak ez az egy ellenálás füstölthetett el?Kössz
Honnan tudok szerezni valami könnyen kezelhető, lehetőleg magyar áramkörtervezőprogit??
Az ellenállás alapszíne nem utal arra, hogy mekkora terhelhetőségű.
A gyűrűk színe, amik rajta vannak, az alapján lehet meghatározni a méretét (értékét) és azt, hogy mekkora teljesítményű. Ha nem kapsz 0,5W-ost, akkor jó a 0,6W-os is. Önmagában egyetlen ellenállás ritkán füstöl el, de ha szerencséd van, akkor elég ezt az egy alkatrészt kicserélned majd.
Például vásárláson gondolkoztál már?
Esetleg egy demó verzión, ami ingyenesen letölthető, és kezdőnek elegendő?
Simulátorra gondolsz, akkor nem tudopm, de ha nyáktervezőre, akkor a Sprint Layout-hoz létezik magyarítás! Letöltöttem, és nem tudom, hová tettem... Kézzel lehet benne tervezni. De gugli iz yór frend
Remélem tudsz angolul... Idézet: „gugli iz yór frend” Röviden: :google:
De lehet kapni 0,6W-ost is ellenálásból?És lehetséges, hogy valamelyik tanyó is ic is elszált? és kondik nem szoktak elszálni?
Igen, lehet, hogy elszállt egy vagy több tranyó, és/vagy egy, vagy több IC, sőt, még a biztosíték is elszállhatott, mi több, horribile dictu: elszállhattak kondenzátorok, induktivitások, akár a NYÁK is megéghetett...
Bocsi, de nem végeztem el a látnokképző tanfolyamot, és a kristálygömböm is épp szervizben van, most próbálják kipolízozni belőle a horpadásokat, amik akkor keletkeztek, midőn a kérdésedet (ezt) olvasva a fejem beleverdestem ily módon:
Hali...
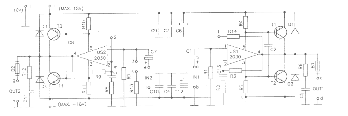
Megtudnátok mondani,hogy milyen lábkiosztású relé kell ehez az aramkörhöz...
Négy áramkörös, váltóérintkezős. Bár alapból megfelelő lenne a 2NOérintkezős ls. De hát oda van írva a típusa is. Egyébként itt RECO szerepel, de ugyanez a standard kiosztás van Finderbe, Omronba, Telemechaniqueba, stb.
köszi
Sziasztok! Van egy trafóm de semmit se tudok róla csak ez van ráírva: trafo SU 75 A
047.965 3090 BV azt se tudom hogy hol megy be a 220v olyan sok kivezetés van a 220 - as részen. Én már feladom nem találtam eddig semmit róla megtennétek hogy utána néztek hátha ti többet tudtok mint én.
Szasz!
Talán képet tolhatnál róla fel akkor lehet tudunk vmit mondani!
Az SU egy fekvő hyperszil magos trafó. A 75A egy 188W teljesítményű mag jelzése. A feszültségeket így távolságilag nem lehet meghatározni.
Próbáld elképzelni, hogy aki olvassa a kérdésed, miből tud kiindulni, netán : mit piszkáltál, mihez érhettél hozzá, és egyáltalán, mi a kapcsolási rajz, amit mellékelni illett volna, és mik az érintett alkatrészek
Más: 0.5W- 0.6W tűréshatár, csereszabatos
a kapcs rajzon nincs rajta amit mértem és véletlenül összeérintettem a 4 tüske közül nem tudom mit mivel zártam rövidre de annyit tudok, hogy hozzákapcsolódik a G -hez a hangszóró kimenethez és a C hangszóró kimenethez a közös ponthoz és a + tápra szerintem a földet és a + ágat zártam rövidre és annyit tudok, hogy ide lehet rákötni a kivezérlésjelzőt amikor ezt csináltam nem volt rajta semmi se hangszóró se jelet nem adtam neki és nem volt áthidalva, hogy 1 csatornába használjam mert ezt az erősítőt monóban és sztereóban is lehet használni Bővebben: Link az 1-es 2-est és a 3-ast 4-est kell áthidalni, hogy monóban legyen. Amikor rövidrezártam az R12-es ellenálás el kezdett füstöltni de rögtön lekapcsoltam a tápot.
Az R12 elég érdekes, ha füstöl, mert az egyenáramtól nem füstölhet, hacsak C11 nem lett zárlatos. Viszont füstölhet nagyfrekvenciás gerjedésre. Gyurix, ezért mondtam Neked, hogy még az elméletre kéne előbb "gyúrni". De nem hallgatsz rám (persze, nem is kell, ha nem akarsz!)
egy olyan erősítőt aminek itt van fent kapcsolási rajza és de még ha nyákterve is azt el ismerem, hogy nem valószínű, hogy meg tudnám építeni de ez egy kit amit nem lehet elrontani minden jól volt berakva ez az erősítő már szólt is de csak 6V-ról és és most volt neki rendes táp amiről késő bb fogom üzemeltetni és pont összeértek a tüskesorok azt nem tudom pontossan, hogy szóval nem lett volna semmi baj csak balszerencsém volt.
Hali!
Vettem ma egy hálózati adaptert,1A/1,5-12V,stabilizálatlan. -a 12V-ra rámértem metexel és 18,3xV-ot ad.Ez miért van? -PIC-et akarok vele LM7805-el működtetni,nem lessz vele gond szerintetek ha 12V-ot adok a 05-ösre? Egyenlőre ennyi,köszi
Szia!
Azért van mert terhelés nincs rajta!Meg kicsit túl van tervezve mindig a feszültség!Nyugi ezzel semmi gond nincs!
Azért mert kb. a névleges terhelésen áll be az a feszültség amit ráírtak. Üresjárásban magasabb. A 7805-nek nem sok a 18V ( ~2.5V -tal kell több a bemenetén ~7.5Vmin) DE! Ki kell számolni a disszipációt mert lehet, hogy kimelegszik .
a kondikat,diódákat és tranyókat IC-ket, hogy lehet kimérni műszerrel, hogy jók e ?
Kondikat kapacitásmérővel, illetve esr mérővel lehet, de ha a szakadás vizsgáló zárlatot mutat akkor az is elég.
Diódát minden multiméterbe található diódavizsgálóval. Tranyót úgyszintén. Icket általánosan nem lehet vizsgálni mert ugye sokféle funkciót ellátó létezik. Az adatlapokon szokott lenni egy két oldal az ic teszteléséről....
akkor a kondikon szakadást kell vizsgálni?
Szia! Mikroáramköröket szeretnék építeni és az alapoktól szeretném megtanulni ezt a témakört. Első lépésként könyveket szeretnék beszerezni hogy az alapvető fogalmakkal tisztába kerüljek.
Szia! Köszönöm az infót.
|
Bejelentkezés
Hirdetés |




. Elkezdtem berhelni hogy mi lehet vele a baj. Levettem mindkét oldalról a vezérlést, majd az LTP szintet 0 ra(PNP nyitáshoz) állítva külön-külön próbáltam ki mindkét oldalt. Ebben az esetben hibátlanul működött az áramkör.(Ugye ilyenkor az ellenoldali NPN nyitást a tápfesz végezte). A kérdésem az lenne, hogy hogyan tudom azt megcsinálni, hogy amikor egyes szintet adok ki a portra, akkor ne jelenjen meg semmilyen jel a a vezérlő bemeneten. Tehát, mintha a vezérlőm le lenne csatlakoztatva az áramkörről.

