Fórum témák
» Több friss téma |
Üdv mindenkinek!
tudom van pár topic a fémkeresőkről, de nem sokkal lettem okosabb éppen ezért egy kis segítségre lenne szügségem még pedig az, hogy tudna-e valaki küldeni egy olyan fémkereső kapcsolási rajzot amit egy PIC működtet (ha egyáltalán van ilyen) ugyan is sehol sem találok ilyet előre is köszönöm a válaszokat! Ui.: ha van ilyen fémkereső akkor kellene a PIC-be égetendő file is
Szia!
Minek PICvezérelt, ha lehet egyszerűbbet is?
Hello tudom hogy van egyszerűbb is, már építttem 2-őt
de nem éppen a legjobbak nekem olyan kéne ami PIC-vel müxik és kevés alkatrészből áll és nagy a ható távolsága (legalább 20 cm) na és perszen nem túl bonyolult és kincs vadászatra, érme gyüjtögetésre kéne na meg persze az se rossz ha megtalálja a töltény hüvelyeket mert azokat gyüjtöm
Üdv! Google azért akad néhány ilyesfajta project.
Nincs mit! Biztos találsz a linkben neked megfelelő detektort! Üdv
Hát remélem is hogy találok olyat ami jó csak legyen hozzá beégetendő file
Minden jót! És köszönöm megegyszer!
Szia!
Azt hiszem rosszul közelíted meg a kérdést. PIC-kel nem tudsz fémkeresőt építeni. Ill. tudsz,csak ott a fémkereső bizonyos -kiszolgálandó-funkcióit fogja a mikrovezérlő ellátni. A keresőrész attól még ugyanolyan bonyolult marad-már ha valóban "műszert" akarsz építeni,nem pedig csipogó vackot,ami fémhez tartva jelez valahogyan. Pénzérmékhez javaslom a "PI" típusú fémkeresőt,ami ugyan abszolút kereső (tehát nem diszkriminál) de nagyon érzékeny. Ajánlom a radiovilag.hu oldalon keresd meg a hobbyelektronika megrendelhető könyvei közt a fémkeresők c. könyvet.
Hello!
Szóval akkor a "P1" tipusut nézzem meg? ennek konkrétan ez a neve vagy valami más és ez csak "becézgetés"? Üdv!
Hello!
megint én olvastad ezeket a projecteket? sajna közülök elég sok egy nagy hülyeség :eek2: de legalább megpróbáltál segíteni azért kösz de még nézek valahol én is üdv!
Szia! Megmondom őszintén, h nem nagyon olvastam el őket, egyedül a Trevor Hill-be néztem bele egy kicsit, de időhiány miatt nem nagyon tanulmányoztam át őket.Sajnálom h nem tudtam használható ötlettel szolgálni! Azért csak kutakodjál hátha találsz vmit a neten!
Üdv!
tud építeni PIC-el is (dsPIC), feltéve hogy eléggé beleméllyedt az elektromágneses terek lelkivilágába, vágja a DSP algoritmusokat, meg hasonló dolgokat
![]() semmi sem lehetetlen ![]() (Bár egy ilyen project biztosan megállná diplomamunkaként is a helyét...)
Hello!
kutakodok de nem sok sikerrel már kezdem feladni! de sikerült szereznem azt az "áhitott" CS209-s IC-t ha nem elég erős(nem képes mélyen mérni) másnem furkálás előtt jó lesz ha vezetéket kell keresni a falba
A Rt-évkönyvébe láttam többfélét is ha érdekel utánanézek melyikben,persze azok nem Pic-el voltak,nem is egyszerü megépíteni azokat sem...
Jó, persze az érdekel, ha tényleg utána nézel azt meg köszönném!
Üdv!
Hello!
Fémkereső ügyben itt nézz szét: Link A Silver Star le is tölthető, megépíthető, akár a kereső fej is ha türelmes vagy. Talán ez a legjobb házilag is utánépíthető kereső. Én megépítettem pár éve és elég jóra sikerült, 90%-ban tudja azt amit a doksiba leírnak, de ezt csak a házi fej miatt. A DD keresőfejet is én csináltam. Kb 3 hónapom ment rá. Ha házi készítésű a fej akkor az ák-t kell először megcsinálni és utána a fejet asztalon kikisérletezni a kész ák-rel. Az adó tekrenc kb 90me, a vevő meg kb 150me 0.3-0.4 CuZ huzalból. A fej átmérője kb. 20-23 cm. A PIC, DSP dolgok itt csak a jelfeldolgozásban játszhatnak szerepet de szerintem az ember füle űberel mindenféle gépi feldolgozást.
Köszönöm megpróbálom ezt! tied a pont!
Üdv!
"A PIC, DSP dolgok itt csak a jelfeldolgozásban játszhatnak szerepet de szerintem az ember füle űberel mindenféle gépi feldolgozást."
ezt azért még gondold végig...
már megtettem
úgy döntöttem hogy nem kell PIC-s
nem hozzád lett intézve a hozzászólás, hanem Maszatomyhoz, hogy gondolja át mit mond, mert marhaság amit állít
Átgondoltam, igazad lehet! Azt hiszem ebben az esetben csak erre a fémkeresőre gondoltam, ezért mondtam azt amit.
Sziasztok!
Nézegettem a fórumot meg a többi is. Nem vagyok az elektronikában jártas ember, de én is szeretnék építeni egyet ...egyszer, ha találok egy jól dokumentált tervet. Találtam a neten egy oldalt amit szeretnék megosztani veletek. Íme: Bővebben: Link Sok terv és kapcsolás van fönt érdemes lenne szakavatott szemmel is körülnézni. (Van PIC-kes terv is) Ha esetleg volna olyan, ami korszerű és érdemes lenne vele foglalkozni az jellezzétek. : Köszi
Nézzétek meg ezt :
Bővebben: Link Progi is van hozzá. Van valakinek használható egyszerű rajza égetőhöz ? Kezdő vok a témában 16f628 hez kellene. Nem kell bonyolult debuggeres full extrás amit ugy sem fogok kihasználni az életben sem. Ill. próbapanel 8led, 1 poti, 2 gomb,1db 7 szegis kijelzővel esetleg zümivel. A neten nesze semmi kinlódj infókat már találtam dögivel. Bosszantó.
nem lehet rossz, de nemértem a szöveget
kellemes ünnepeket mindenkinek!
Szerintem karácsony óta azért vagy rájött, vagy talált mást.
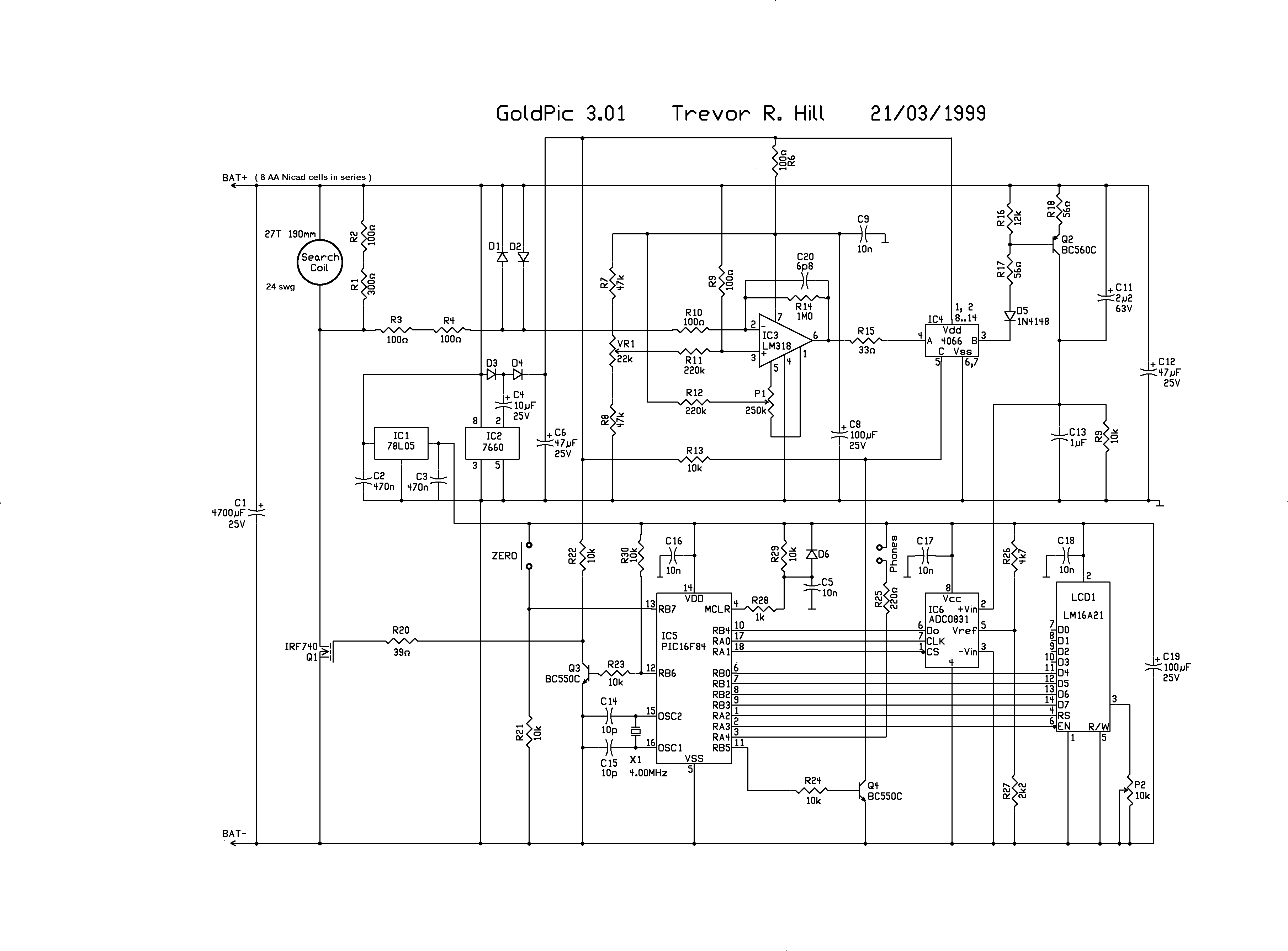
Sziasztok, üdv.mindenkinek!
Nemtud valaki a GoldPic 3 PIC-es fémkeresőhöz nyákrajzot? Üdv. GoldPic 3.01
Nyáktervet nem, de 5 perc kereséssel találtam egy beültetési rajzot, leírást, alkatrészlistát.
EZ alapján meg lehet rajzolni a nyákot! (Vagy megrendelheted tőle). |
Bejelentkezés
Hirdetés |






