Fórum témák
» Több friss téma |
Hi!
A segítségeteket szeretném kérni, egy áramkört építenék, amiben 48-64 ledet kellene "megfelelő módon" felvillantani, ezt a megfelelő módot memóriában szeretném tárolni, de mivel még nem csináltam ilyet, nem tudom, milyen memóriát válasszak. A lényeg, hogy egyszerre (párhuzamosan) 8-16 bitet szeretnék kiolvasni, és kb. 90-100 bitre lenne szükségem (sorban egymás után), és ezt másodpercenként 25-ször. A segítséget előre is köszönöm. Üdv.
Szia!
Én arra gondoltam ,hogy legegyszerübb megoldásként veszel egy epromos futófény "egységcsomagot" pl:elektrokonta,Sini és az epromot átprogramoztatod.. Vannak különféle eprom égetök és progik de olcsobban és gyorsabban jössz ki ezzel a megoldással. Ha komolyabb programot,több csatornás vezérlést szeretnél akkor pic es megoldást ajánlok..nyákrajzokat,találsz itt is..a pic-ek felsorolásában sajna nem tudok segíteni...szükséged lessz még opto csatira és táp ic re,szabályzáshoz trimmerre,stb.....Led-töl függ.Én 12V os phillips ledeket villogtattam pic-röl ami 4 progit tudott..ha kell elküldöm mailben a részletes fényképes leírást.Ítt nagyon hosszu lenne...Szal,röviden ennyi..Ja és ajánlom SEBI-t!!! Ő érti a Pic ek "való" világát!
Szia! Engem érdekelne ez utóbbi LED-es dolog! Ha elküldöd nagyon megköszönöm!
Szia! Szerintem is a te barátod a PIC, mondjuk ajánlom a pic18f2320-t, bőven van benne 100bitnyi memóra.
![]() És még van is 8-16 i/0 lába.
Sziasztok!
Köszönöm, a hozzászólásokat. Magam szeretném összerakni, nulláról indulva az egészet úgyhogy az epromos egységcsomag nem felel meg. A pic es megoldással az a baj, hogy nem értek hozzá, de ha ez a jó út a megoldáshoz szívesen megtanulom, csak segítsetek elindulni. Üdv.
Mindenképpen ezt javaslom én is! A jövő útja, ha úgy tetszik... Az oldalon (itt) van pár PIC-es téma, szerintem kezdd ezekel, illetve mspike jóvoltából van fent egy PIC "tanfolyam" anyaga is, az alapmű!
Hi!
Elolvastam a Pic-es dolgokat, és most kicsit tanácstalan vagyok, melyiket használjam, milyen égetővel, szoftverekkel? Úgy tűnik, a programozás része megy majd a legkönnyebben, de addig valahogy el kell jutnom... Kérlek segítsetek! Üdv.
Hello!Van egy problémám:van egy áramköröm, ami hangra felvillant ledeket(5db-ot), és én az egyik ledre szeretnék kötni még 4db kék ledet, ami más áramforrásról kapná az áramot,és ezt tranzisztorral és ellenállással szeretném megoldani,csak nem tudom milyen értékű ellenállás kellene (pl. bc 547-hez), hova , és hogy a ledeket hogyan kössem, hogy világítson, de nem menjen tönkre.a külső áramforrás egy táp:9v- 300mA-ac(majd egyenirányítom).
csak alklmazni kelene a fizika törvényeit, de én ezeket nem vágom.segítséget előre is köszönöm.
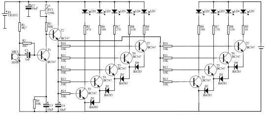
Először azt kell kideríteni, hogy az eredeileg bent lévő LED-eket milyen módon hajtják. Arra gondolok, hogy pl: közös anódok vannak és talaj felé kapcsolgatják, vagy fordítva. A legrosszabb eset az, ha a LED-ek sorosan vannak kötve és vmi IC hajtja őket.
A többi már nem gond.
így vannak kötve a ledek.ha kell nagyobb, feltöltöm.
Ha a külső táp feszültsége nem nagyobb a vezérlő tápjánál, akkor mehet így is, egyszerűen egy PNP tranyóval.
A bázis-előtétellenállás lehet pl. 4k7-es vagy 6k8-as...
sajnos nekem 4leddel kellen és az ellenállásértékeket nem tudom.egyébként még a külső táp is nagyobb.azért köszi
A felső ellenállások R5-R9-ig csak a fényerőt állítja be?
vagy van valami más szerepük is? Igazából nem értem, hogy miért kellenek egyre csökkenő értékkel.
Itten van. Az ellenállás értékek kiszámolásához tudni kellene a LED megengedett áramát. Ha az alkalmazott tápod stabil, akkor 1.LED - mondjuk 10mA-rel hajtva - soros ellenállása: táp mínusz 4V (a kék LED nyitófesze, de ez kissé különbözhet) osztva 0,01A-rel.
A 2 LED-nél a kivonandó fesz hez hozzáadódik més 0,3V (az emitterköri schottky dióda nyitója). A 3. LED-nél már két schottky nyitó adódik hozzá és így tovább. A diódák kispórolhatók, ha az új tranyók emittereit közösíted a megfelelő eredeti emitterével, bár így kisebb fényerőváltozást okozhat az eredeti LED-eknél.
Mert az emitterek egy (0,3V-tal növekvő lépcsőjű) osztón ülnek. Ez határozza meg a nyitási szinteket.
Sajnos az eredetiben egy 3V-os lítium elem van, így PNP-vel kék LED szóba sem jöhet.
azért kell egyre csökkenő érték, hogy a ledek csak akkor nyissanak ki, ha megkapják a megfelelő erősségű áramot, ami kis hangerőnél kicsi,tehát kevés led világít, nagy hangerősségnél viszont mindegyik led ki tud nyitni.
és 9voltra hogyan kössek 4ledet?milyen ellenállással?
Nézted a rajzomat? Mi nem világos? Sajna még egyszer meg kell építeni a LED-meghajtást.
Abban a hsz-ban írtam hogy kell kiszámolni 10mA-re. (#70428) degussnak válasz... Ki is számoljam?
értem, hogy ki kell számolni, csak nekem a 4lednek akkor kellene világítania, amikor a villogó áramkör egy ledje világít.(ha mind a 4ledet párh-an kötöm 9voltra akkor az sok neki, ha sorosan akkor meg kevés.akkor hogyan
egyébként kezdő vagyok,ugyhogyha kiszámolnád nekem, megköszönném.
Basszus...
Azt nem írtad, hogy a 4 az egyszerre kell h világítson. Hányadik fokozatra akarod kötni, mert nem mnd1.
Ha a LED-ek 4V-osak és 10ma-rel hajtod, 330ohm.
köszönöm.és jó lesz a 9v-os táp a rajzon az elem helyére?
bocsi.kérdezek:olyan tápom van, ami 9v-0v-9v-ot ad ki.ehhez milyen egyenirányító szükséges?
Kétutas, 2 diódával. Akkor nem tápod van, hanem csak trafód. Az egyenirányítás után kb 16V-od lesz, ami nem stabilizált, ezért inkább 470ohmokkal indulj a kísérletezéssel.
Ha mondjuk a mikrofon után volna még valamilyen frekvenciaszűrő, megoldaható volna pl. füttyre világítson a LED esetleg kapcsoljon valamit?
elég hangos fütty kell ahoz, hogy érzékelje az áramkör...(tapasztalat).egyébként szűrővel meg vmelyik ellenállás kicserélve biztos működne.
|
Bejelentkezés
Hirdetés |









az utolsóra.köszi szépen 






