Fórum témák
» Több friss téma |
Be kellett építsek 4 ventit a hűtés miatt, hogy ne szárítson rá a nyákra, fénycsöves szkenneres eszközöknél érdemes rá odafigyelni.
Ismeri e valaki a"Flat Top UV/Purple" ledeket. Ezekből sikerült vennem jó áron 150 db-ot. Levilágítót szeretnék belőle építeni. Adatai a következők: 3,2V, 25mA, 395nm, 150*, 1200mcd. Scannerbe építeném, kb 45 mm-re tudom tenni a NYÁK lemeztől. Szerintetek milyen távolságra (raszterpontokra) javasoljátok tenni a ledeket egymástól, h homogén világítású felületet kapjak?
Ma volt a nagy lámpa próba. Egyenlőre csak két cipős dobozra tettem és alatta volt a nyák. 20 percig világítottam egy 12x21 cm-es nyákot és hibátlan lett. 5 mm-es üveglappal szorítottam le a filmet, amit fénymásoló fóliára nyomtattam dupla rétegben, mert szimplán kissé átlátszó volt.
Hello! Nem értem rá, de most már van időm megcsinálni a levilágítóm. Van 240 5mm-es UV ledem. Tervem is van. 230V-ot egyenirányítom, lesz 320V. A 320V-ra pedig 3db 2.2K ohm -os ellenállás. Mindegyik ellenállásra 75-80 led. Az úgy jó lenne? Nem tudom biztonságos-e 75-80 ledet sorosan kötni. Ha nem jó ötlet valaki javasolna egy összeállítást?
Trafó, áramgenerátor, kevesebb led-több csoport. Sokkal biztonságosabb és a led-ek fényereje (és elettartama) is stabilabb.
Szerintem A4-es méretű levilágítót csinálj. 20*30 cm-eset, 10*14 ledeset, hogy maradjon tartalék. Kb. 20mm-enként tedd őket.
Az úgy jó lenne, hogy 24db 4 ledes csoport menne 15V-ról? Az összes lednek 12.8V kéne és 480mA.
15-12.8=2.2 2.2/0.48=4.58 ohm . Az új tervhez kell: - egy 15V-os adapter kell, ami legalább fél Amperig terhelhető - egy 4.7 ohm -os ellenállás, ami 2W-os - és a ledek.
Igen a 15V sokkal biztonságosabb és kezelhetöbb. Én nem sajnálnám és csoportonként tennék egy-egy ellenálást.
Rendben. Úgy még biztonságosabb, mert ha kiég egy csoport nem változik a többin a fesz, áram, stb.... Úgyis csak 5-6Ft egy ellenállás.
Kész a nyákterv. 18*12 LED-esre terveztem. Minden ellenállás 120 ohm -os és legalább 50mW-os kell legyen. Egy 1206-os SMD ellenállás kibír 50mW-ot?
Kibirja, 0.25W 70 fokig. Most néztem az adatlapját.
Köszi!
Igazából nincs olyan nagy méretre szükségem. Mi lenne, ha kisebbre venném és sűrűbben raknám a ledeket. Nem tudom, h az adatlapján jelölt 1200mcd mit jelent. Gondolom, h a fényerőre utal, de ez sok vagy kevés? A távolságom a NYÁKtól max 45 mm. Nem szeretném, ha túl világítaná. Ebből a fajta ledből még nem épített senki levilágítót? Hátha lenne tapasztalat.
Kb. olyan, mint egy átlagos erősfényű LED. Képeken úgy látom, hogy legalább 90°-os szögben világít. Elég lenne 20mm-enként, de legyen inkább 15(15.24)mm. Ha kisebb, akkor legyen 8*12-es. A tápforrás mi lesz? Ha még nem gondoltad ki javaslom a 15V-os adaptert. Ha 15V-os ok, akkor milyen ellenállásokkal kell neked? SMD vagy furatszerelt? Ha akarod megcsinálom neked a nyáktervet...
Az adatlapja 150*-osnak írja, 3,2V, 25mA, és 395nm mellett. A tápja már kész van, 3x20V pufferen mérve és kb 3x1,5A-t tud.
Én is 15 mm-es raszterban gondolkodom és 12x14 db ledben. Ez kb 17 x 20 cm, ami nekem elegendő méretű felület lenne.
Én is összedobtam egyet:
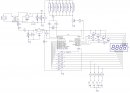
ebay-ről rendeltem 100 UV ledet (szállítással <1000Ft), és hozzá még egy univerzális nyákot, amire be tudtam forrasztani (tyúk-tojás) a ledeket, végül 8 x 12 -es elrendezéssel raktam fel. A tápellátást egy 2x18 V-os trafó adja (kb 50V DC), a ledsort pedig LM317L-es áramgenerátorral hajtom 20mA-rel (62 ohm). Egy ledsor kb 1W (kb. 0.8 a ledeken, 0.2 a stabon). Hozzádobtam még szintén egy másik univerzális nyákon egy időzítőt 4x7 szegmenses led kijelzővel, avr 2313-mal. A trafón kihasználom, hogy 2x18, így a leágazásról felefeszültségből csinálok 5VDC-t is (a D1 dióda nem kell elvileg, a két zener is csak a 7 segmens nagy árama miatt van). A levilágítás kb 90 és 150 sec között jó minőséget produkál, de még nem kalibráltam. Mellékeltem egy ennek segítségével készült nyákot>
Nagyon szép ! Ügyes vagy ! Annyit még szeretnék kérdezni, hogy milyen a nyák? Te fújtad, vagy gyári? Ónozva van?
Gyári, és TN160-nal ónoztam, bár nem sikerült tökéletesen, bár ez a fotón nem biztos, hogy látszik, mivel nagyon rossz a fotó.
UI: szoftverfejlesztő vagyok csak egy kis kirándulást tettem az elektronika birodalmába, kb 20 éve foglalkoztam utoljára nyák készítéssel és elektronikával, még a középiskolában (Puskás). UI2: Mellékeltem az időzítő forrását.
És hasznos az ónozó ! Elég profi lett a 20 évhez képest.
Nagy bajban vagyok... szeretném a segítségeteket kérni.
Adott a mellékletben csatolt UV levilágítóm. AZ ímént elhalt az izzó néhány extra fényjelenség után... Nem tudom milyen izzót kell bele vennem... s pláne, hogy hol. Nagyon SOS lenne. Köszönöm!
Sajnos valami megoldást kell találnom..
![]() Már túlvagyok 20 telefonon... és sehol senki nem tud segíteni.. Olvastam itt is a fórumon, hogy higanygőz lámpának, ha letöröm a búráját, az is jó erre a feladatra... Miként lehet ezt megoldani? Mi kell hozzá? Van esetleg olyan üzlet, ahol ebben tanácsot tudnak adni? Nagyon fontos lenne, hogy ma sikerüljön összehozni valamit... Nincs közületek olyan, aki tudna segíteni? kÖSZÖNÖM!!!
Higanygőz lámpából kétféle van, ha a téma elejét visszaolvasod, ott megtalálod a leírást.
Én 125W-os HgLi lámpát használok erre a célra de búrával, tehát nincs letörve róla. Úgy is tökéletes A gyári fotonyákot is 4 percig világítom le...
Nos.. nekem a fő célom nem nyák levilágítás volt.. CD lemezt kellett lakkozás után UV-zni.
Végül vettem egy 400 W-os HGLi-t, hozzá fojtót és kerámia foglalatot. Búra törés.. ház készítés. Belül alu borítással (régen a fűtés csöveket tekerték bele) Alá egy futószallagot kreáltam (kényszer nagyúr, hajtást egy elektromos csavarhúzó adta...) Oldalára egy alu venti... Minden szép és jó.. DE és ez amiben a véleményetekre lennék kíváncsi... amennyiben "túlhűtőttem" az izzót, a lakk nem keményedett ki rendesen... (kb. egy lemez 6-8 mp-et tartózkodik a lámpa alatt) viszont, ha hagytam jó alaposan felmelegedni az egész dobozt... tehát igyekeztem küszöbön tartani a hőmérsékletet.. Bioszenzorral (rátenyerel, hümmög, levegőt elzár a venti útjából..) ami azért nem könnyű feladat.. szóval akkor tökéletesen egy úttal kikeményedett a lakk... Mi lehet ennek az oka? Sajna én nem találok rá magyarázatot.. Részetekről ötlet? A hűtés során is már jó 10-15 perce ment az izzó.. vagy nem tud olyankor rendesen gázosodni a higany? Vagy hülyeséget kérdezek? ![]() ELnézést, hogy "beleszemetelek" a topicba.. elvégre ez nem nyák, de az eszköz ugyanaz... Köszönöm, ha véleményeteket megossztjátok velem!
Jó, ebben teljesen igazad van.. de gyárilag ugyebár ezek általában egy nyitott búrába vannak becsavarva.. És igaz, hogy az üveg búrát letörtem róla, de kapott egy fa dobozt, fém belsővel...
Konkrétan amikor túltakartam.. picit fura lett a lemez.. ;o) Vagy magának az izzónak ez nem árt? Max a fadobozom pörkölődik meg és ami benne van? Én is agyaltam, hogy kellene 2 db bele.. de egyértelmű, hogy a hűtést kell jól eltalálnom és tökéletesen megfelel az egy darab is. Nagyon morbid, hogy UV szűrős (decathlon.. remélem tényleg az) szemüvegben táncoltam körbe? (azért csak kivilágított.. vagy a visszaverődő fény nem annyira gáz..? Bocsi, picit lámáskodom..
Rendben, köszönöm a figyelmeztetést! Akkor viszont tényleg felmerül bennem a kérdés.. mennyire kell hűtenem a bedobozolt lámpát? Van erre valami egyszerű megoldás, vagy oldjam meg, hogy állítható legyen a venti sebesssége és kisérletezzem ki, hogy mi éppen a jó még? Ti hogyan oldjátok meg? AZért itt is látom, hogy 10 perces exp időkről beszéltek.. szóval mennyire hűtitek a lámpákat? Vagy rossz helyre tettem a ventit? Oldalra tettem, befelés fújja a levegőt.. így átgondolva, lehet, hogy felülre kellene... és minimális fordulat csak.. hogy a "felszálló" meleg levegőt kihúzzam?
Kereszthuzat van, de anno direkt csináltam a helyiségbe egy kivezető 110-es csövet a szabadba, ilyen célokra. A tervem, hogy egy alumínium gégecsövön azon fogom kivezetni a "mellékterméket". Mennyi idő a lappangás, ami a szemet illeti? Nem érzek semmi olyat, mint anno hegesztés után, amikor b@lf@sz mód belenéztem többször is.. ![]() EGy nap múlva már éreznem kellene, hogy "karcol" ha már begyulad, nem?
Üdv Henricco.
Amint azt simpi ís megjegyzi a hozzászólása végén ezt a fajta UV forrást már nem nagyon preferálják a profi nyák gyártók. A hobby gyakorlat azonban még használja, akár megszokásból ,vagy kényszerből, mert erre van lehetősége. A nyák levilágitáshoz én 3db 8W-os BLB csövet használok, és az eredmény ugyan az mint kb 15 évvel ezelőtt használt Hgl lámpas megvilágitó, számos problémájával együtt. Sokat fogyaszt, sokáig melegszik be, veszélyes. A megvilágítási idő több tényezőtöl függ. A nyákra felvitt fényérzékeny anyag vastagsága, az anyag érzékenysége, amely a tárolástól és annak időtartamától, körülményeitől függ. További két tényező az a fényforrástól való távolság, és az átvilágított anyagtól függ. Viszonyitásként , alap esetben gyári nyáklemezt a csövek középvonalától 30mm-re elhelyezett síkfilm esetében 1 perc elegendő. Kb ugyan ezt lehet elérni a nyári delelő napfénnyel történő megvilágítással is. Ugyan ez 80 gr-os irógép papír esetében 5-6 perc. A papír TRANSPARENT sprayvel kezelve 3perc. Az már a saját leleményességedre van bízva hogyan tudod kivitelezni a szerkezetet, amely más szempontoknak kell megfelejen. Bár kicsit eltér a nyáklevílágítástól, de mégis azonosságok vannak,mint abban is, hogy UV-vel kell a lakkot "keményíteni". Érdekelne milyen lak anyagot használsz. Ez ugyan csak kapcsolódik a nyákkészítéshez, amely egyik fázisa a levílágítás Üdv. M-V
Végre kipróbáltam a levilágítót,tökéletes lett. A levilágítási idő 1 perc 30sec
Profin néz ki ! Bárcsak nekem is.. Én a cipős dobozban tartom, és már több tíz kész lett vele..
|
Bejelentkezés
Hirdetés |
















