OK
Mégsem
Hobbivasút
|
HESTORE
|
Kislexikon
Hírek
Cikkek
Fórum
OK
Hírek
Cikkek
Fórum
Lexikon
Segédprogramok
Apróhirdetés
Fórum témák
Elektronikában kezdők kérdései
[OFF] Pihenő pákások témája
- Elektronika, és politikamentes topik
Ki mit épített?
Ez milyen alkatrész-készülék?
PIC kezdőknek
AVR - Miértek hogyanok
NYÁK-lap készítés kérdések
ARM - Miértek hogyanok
•
Börze
•
Elektroncső
•
Adatlapot keresek
•
Muzeális készülékek-alkatrészek restaurálása
•
Szárítógép problémák
•
TDA7294 végerősítő
•
Rendelés külföldről (eBay - Paypal)
•
Elektronikus hangszerek
•
Búcsúzunk
•
Mosógép vezérlők és általános problémáik
•
Elektronikus szulfátoldó (Akku aktivátor)
•
Akkumulátor töltő
•
Hifi erősítők tervezése
•
Villanypásztor
•
Hőtárolós kályha
•
Kamerás megfigyelőrendszer
•
Érintőképernyő csere és beazonosítás
•
LCD kijelző vezérlése, életre keltése
•
Klíma beszerelése, fűtés-hűtés házilag
•
Espressif mikrokontrollerek
•
Áramváltó trafóval áram mérés, hogy?
•
Kombikazán működési hiba
•
V-FET és SIT erősítő kapcsolások
•
Elektromos sertéskábító
•
Erősítő építése elejétől a végéig
•
Mosogatógép hiba
•
NYÁK terv ellenőrzése
•
Életvédelmi kapcsolás, FI relé
•
Óra építése TIL306-os LED kijelzőkkel
•
Szervomotor vezérlése
•
Villanyszerelés
•
Felajánlás, azaz ingyen elvihető
•
Elfogadnám, ha ingyen elvihető
•
Arduino
•
Falfestő gép javítása
•
SDR (Software Defined Radio)
•
Klíma szervizelés, javítás
•
Savas akkumulátor
•
Fejhallgató erősítő
•
Padlófűtés vezérlés
•
Hangszórójavítás (otthon)
•
RTC óra Nixie csövekkel
•
Folyamatábrás mikrokontroller programozás Flowcode-dal
•
Vásárlás, hol kapható?
•
Sprint-Layout NYÁK-tervező
•
Orsós magnók
•
Autórádió (fejegység) problémák, kérdések, válaszok
•
Időzítő
•
Számlapok és előlapok készítése
•
HITEKA sortekercselő gép
•
Quad 405-ös erősítő tapasztalatok és hibák
•
Kapcsolóüzemű tápegység
•
Li-Po - Li-ion akkumulátor és töltője
•
Jókívánság
•
Gázkazán vezérlő hibák
» Több friss téma
Cikkek
» Analóg LED kijelzős óra V.2
Analóg LED kijelzős óra V.2
Szerző:
osibisa
, idő: Júl 27, 2013, Olvasva: 20124, Oldal olvasási idő: kb. 1 perc
Lapozás:
1. Működés
2. Kapcsolási rajz
3. Program
4. Mechanikai kivitel
5. Ráadás
OK
2 / 5
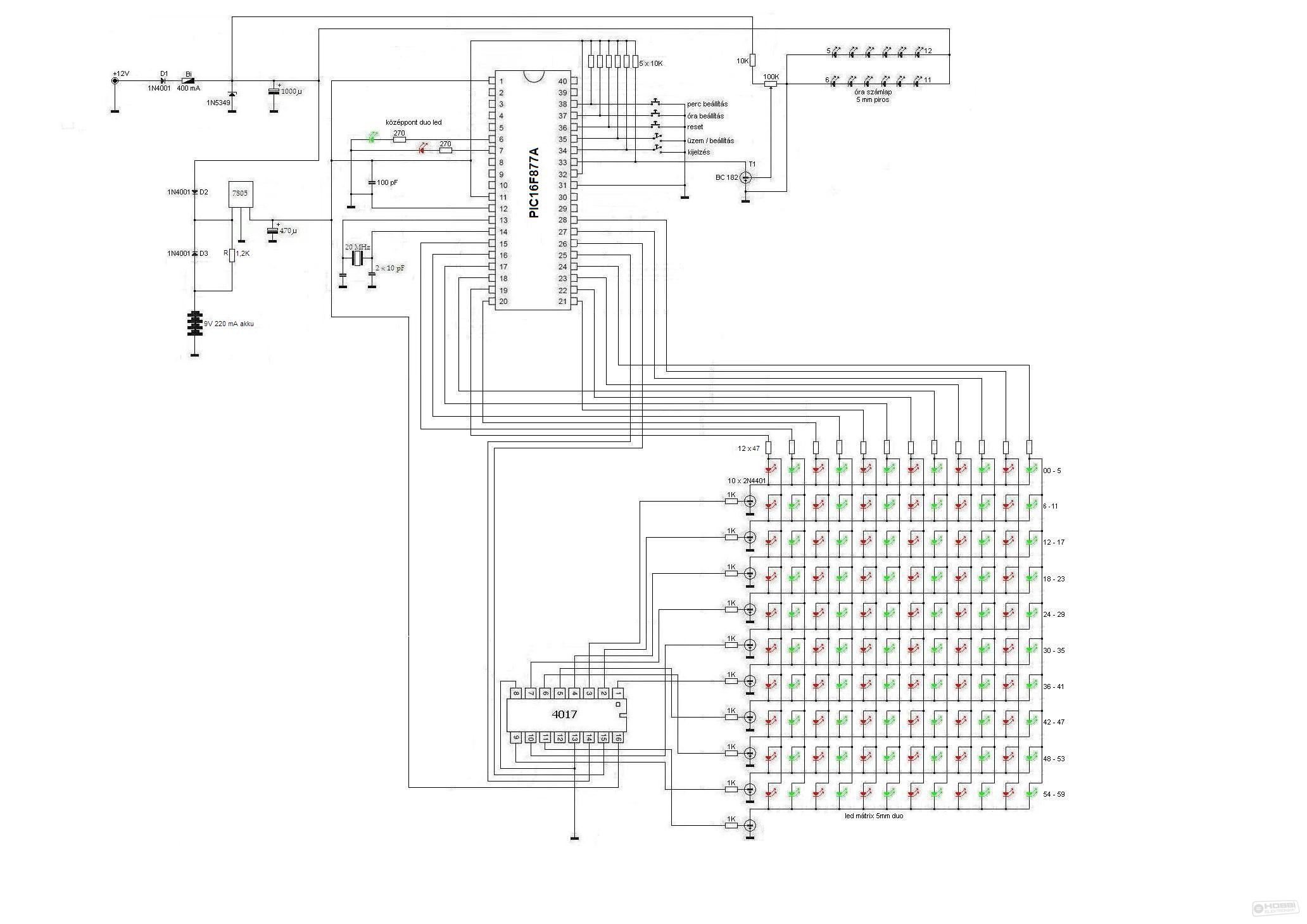
A kapcsolási rajz az alábbi képen látható:
(Nagyításhoz kattints a képre!)
A cikk még nem ért véget, lapozz!
Következő:
1. Működés
2. Kapcsolási rajz
3. Program
4. Mechanikai kivitel
5. Ráadás
»»
2 / 5
Értékeléshez bejelentkezés szükséges!
Bejelentkezés
Felhasználónév
Jelszó
Jegyezz meg!
Belépés
» Elfelejtett jelszó
» Regisztráció
Hirdetés
A használat feltételei
•
Adatvédelem
•
GY.I.K., Használati útmutató és szabályok
•
Impresszum
•
Elosztó
•
Hiba jelentése
Az oldalon sütiket használunk a helyes működéshez. Bővebb információt az
adatvédelmi szabályzatban
olvashatsz.
Megértettem